Fórum témák
» Több friss téma |
- Ez a felület kizárólag, az elektronikában kezdők kérdéseinek van fenntartva és nem elfelejtve, hogy hobbielektronika a fórumunk!
- Ami tehát azt jelenti, hogy a nagymama bevásárlását nem itt beszéljük meg, ill. ez nem üzenőfal! - Kerülendő az olyan kérdés, amit egy másik meglévő (több mint 17000 van), témában kellene kitárgyalni! - És végül büntetés terhe mellett kerülendő az MSN és egyéb szleng, a magyar helyesírás mellőzése, beleértve a mondateleji nagybetűket is!
Hello! PLd. úgy hogy két D-tárolót használsz, órajelet lépteted, a D bemenetét a Q-negáltjára kötöd. Egyik tároló órajelét a bemenő négyszögjellel vezéreled, a másikat a bemenőjel invertáltjával. Mivel egyik a négyszögjel felfutó élére fog billenni, a másik a lefutóra, 90fok lesz közöttük. Persze a tároló miatt fele lesz a freki a kimenetükön, mint a bementi jel. üdv!
Ha nincs itthon hozzá alaktrészem, mennyire megoldható ez másképp?
Tranzisztorom és diódám marékszám van, időzítés meg mondjuk PIC-el megoldanám. Ezért gondoltam egy H-hídas megoldásra. Remélem nem nagy hülyeség amit írtam Köszönöm előre is!
Esetleg összedobtok neki egy fülest, vagy ha nem teszi fel, akkor kézzel adagoljátok
"időzítés meg mondjuk PIC-el megoldanám" Ha ezt meg tudod oldani, akkor mi a gond? A PIC-el, ugyan úgy tudod generálni a kétfázisú jelet. De azt ne tőlem kérdezd meg, hanem a PIC vagy CNC topikokban.. (Amúgy magának a H-hídnak nem sok köze van a kétfázisú jelhez. Az egy motorvezérlő teljesítmény fokozat. Esetleg azt vezérelheti kétfázisú jel.) üdv!
Idézet: „Árammérésre egy sima digitális multimétert használok” Ez az egyik baj. A varázsige a true rms műszer beszerzése. Ugyan is a sima multi csak szinuszos áramot tud hozzávetőlegesen saccolni, bármilyen más jelalakra nagyot téved. Viszont egy kapcsitáp áramfelvétele minden, csak nem szinuszos. Ugyan így a teljesítmény mérőd is alkalmatlan erre.
Helosztok.
A mellékelt kapcsolással lenne gondom. Csak az egyik (pozitív) félperiódust adja ki az izzónak. Mi lehet a probléma? Halott a triak? G-MT1 között 70 Ohm mérhető. Amúgy izzót szépen szabályoz, poti van rá kötve jelenleg, de majd pic lesz. Kefés motort kéne szabályoznia, úgyhogy nem túl jó dolog, hogy csak a fele szinusz megy ki.
Sziasztok!
Ha van egy erősítő, ami stabilizált 12V-ról megy és ugyanerről a tápról néha bekapcsol egy 12V-os 1W-os kis ventilátor, az be tudja zavarni a tápon keresztül ez erősítőt? Hogyan lehetne kiszűrni, ha esetleg zavart kelt? Elég egy kerámiakondi a +/- kivezetés közé, vagy egy dióda kell, mint amit a relékhez szoktak tenni? A ventit egyébként BD242 tranyó kapcsolja. Köszi.
Mi a neve egy olyan kapcsolásnak, ami azt csinálja, hogy áram hatására bekapcsol egy fogyasztót, majd amikor megint áramot kap, akkor kikapcsolja a fogyasztót? A relé sajnos nem jó. Akár egy kapcsolási rajz is megteszi.
A hozzászólás módosítva: Feb 7, 2014
Impulzus relé sem jó? Ha jól értem neked az kell, hogy egy adott impulzus hatására bekapcsoljon a következőre meg ki. Az pont erre van kitalálva.
De jó, csak én arra vagyok kíváncsi, hogy kondenzátorokkal, tranyókkal, ellenállásokkal is lehetséges-e ilyen kapcsolás megalkotása.
Hello! Két hiba lehet. Vagy nincs mind két félperiódusban gyújtóimpulzus, vagy a triac nem gyújt be. Egy triac gyújtóimpulzus igénye más a pozitív és negatív anódfeszültség esetén. előfordulhat,hogy az 1kohm még egyik félperiódust be tudja gyújtani, másikat már nem. Amúgy negatív gyújtóimpulzusra általában érzékenyebb a Triac. Itt meg pozitív van. üdv!
Hello! Van hozzá külön topik itt. üdv!
Sziasztok. Ennél a sorkapocsnál milyen átmérőjű furatot kell használjak (1.4mm?), és milyen vastag legyen a furat körül a vezetősáv, hogy kényelmesen tudjam forrasztani? köszönöm!
Jobb alsó ábrán látod jelölve a láb átmérőjét, 0,6x1mm. 1,2-es is bőven elég, de bele lehet tolni az 1-esbe is.
A hozzászólás módosítva: Feb 7, 2014
Akkor 1.1 v. 1.2-es lesz, hogy ne szoruljon. Mekkora mekkora legyen a forrszem átmérője?
Én fúráskor ki szoktam készíteni az alkatrészeket és belepróbálgatom őket a furatba. Ha belemegy, ok, ha nem, nagyobb furat kell neki.
A doksi 1,4 mm-t javasol de lehet, hogy 1,2-es furatba is belemegy (0,6 x 1 mm-es a láb). Arra figyelj, hogy ez nem raszteres lábtávolságú, hanem két láb között 5 mm van. Mivel az alkatrész kapni fog némi mechanikai terhelést is, amiből valamennyi átmegy a lábakra, én 4 mm átmérőjű forpontot készítenék.
Igen, csak a NYÁK-ot én nem is fogom látni, eleve egy másik országban készítik el, és ott is fogják majd beültetni a sorkapcsot ezért kell, hogy biztos jó legyen. Akkor marad az 1.4mm-es átmérő, 4mm-es forrszemmel. Igen láttam, hogy ez nem raszteres. A kérdés főleg arra irányult, hogy mekkora legyen a forrszem. Majd választok olyat ami inch-es. Köszönöm!
Köszönöm a választ. Az 1k t csökkentettem 600 ohmra mert egyáltalán nem gyújtott még a pozitív félhullámban sem. MAC 8 amperes triak van benne tic helyett, lehet hogy érzéketlenebb. Legfeljebb berakok még egy MOC optotriakot. Rá fogok mérni szkóppal a gate re, de szerintem impulzus az megvan.
Az én sorkapcsaimnak 0,85 mm-es kivezetései vannak, és 2,6 mm forrszemet használok 1,1-es furattal. A 0,6-os lábakat elég karcsúnak találom 10A terhelhetőséghez, bár a bal alsó rajz 1mm-t ír.
Az egyik oldalnézet, a másik elölnézet. 0,6 x 1 mm-es téglalap keresztmetszetű lába van.
Ilyen esetben a furatátmérő a téglalap-keresztmetszetű láb átlója, vagyis 1,16619 > 1,2 mm.
Négyzetgyök alatt ((0,6*0,6)+(1*1)=1,36)
Minden bizonnyal a méreteknek is van némi tűrésük, nem árt némi ráhagyás.
Sziasztok!
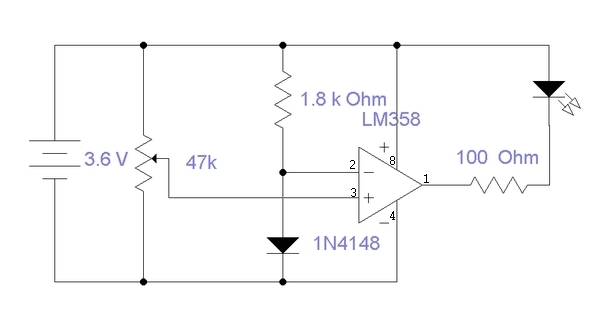
Az elsö képenlévö kapcsolást szeretném megépiteni.De nem szeretném hogy állandó feszültség alatt legyen. Jó ugy ahogy a másik képen egy optoval adom neki a feszültséget? Vagy kell valami plussz az optonak? Az eredeti kapcsolás és hogy mi ez itt található. Köszi Ja és én nekem 9.6V-nál jelezne. A hozzászólás módosítva: Feb 7, 2014
Üdv mindenkinek!
Tudtok passzív alkatrészekből felépíthető precíz feszültség stabilizátort? Nem állításra gondolok, az már megvan, hanem a beállított fesz simítására. Drága eszközt szeretnék meghajtani, ami nem szereti az esetleges tüskéket. Jelenleg egy LM317 alapkapcsolásom van, de azt olvastam itt, hogy ez nem egy túl precíz valami. Nekem az is megfelelne, ha csak egy induktivitás és egy kondi kell a kimenetére, csak akkor legyetek szívesek, mondjatok értékeket 1.8V-ra. De örülnék egy linknek is. (Valahol régebben láttam egy sok kondis, "hosszú" simítót...)
Szia!
Az optocsatolót nem nagyon értem, azt is vezérelni kell valamivel. Ha viszont teszel mellé egy kapcsolót, akkor azt megteheted optocsatoló nélkül is. A 9,6V-ból azt gondolom, hogy 3 cellás pakkhoz akarod használni. Ez esetben az 1k8 ellenállást cseréld nagyobbra, pl. 6k8 - 10k-ra, a 4148 helyett tegyél bele 5V körüli zenert, de a diódához képest fordított polaritással, vagyis az anód kapcsolódjon a GND-re. A led előtétje is 680 Ohm - 1k legyen.
Sziasztok,
Egy egyszerű kapcsoláshoz keresnék olyan áramköri elemet, ami DC 12V-ot csak az egyik irányba engedi folyni. HA jól tudom van ilyen. csak nem tudom a nevét.
Köszi, mondjuk egy ilyen? Ez 12Vra jó?
Bővebben: Link
Sziasztok,
Az alábbi kérdésben kérném a segítségeteket: Van itthon egy olyan lámpám, amiben 20 wattos mr16-os halogén izzók vannak, jelenleg 5 darab. Ezek 12 voltról mennek. A dobozára annyi volt írva, hogy max 5X20 watt, tehát maximum 100 watt. Kaptam 10 darab ledes izzót, 3x3 wattos, hidegfehér, mr16, 12v. Mást nem tudok róla. Ha összességben nézem, akkor ez 90 watt. A gyári 5 darab 20 wattos halogént helyettesíthetem nyugodtan a 10 db 3x3 wattos led izzóval? Előre is köszönöm a segítséget. A hozzászólás módosítva: Feb 8, 2014
|
Bejelentkezés
Hirdetés |












