Fórum témák
» Több friss téma |
Fórum » Házilag építhető fémkereső
Az IDX pró fémdetektor mit tud valaki megépítette ? valami véleményezés érdemes után építeni kittből .
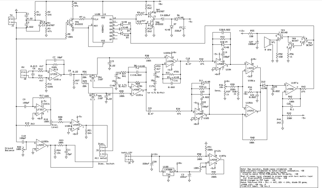
Itt van egy érdekes dolog - a 2 x2 kondenzátor a gyári panelon 22 qf a sematikuson 2x10 qf meg az lm 358 nál a gyárin 47k ohm van az után tervezettnél meg 470k ohm csak a tgsl építők figyelmébe akik nem a kittet csinálják gondolom a kitt a jó akkor ezt én is beszívtam cserélhetek 4 kondit és 2 ellenállást de lehet jobban körülnézek még talán mást is . pedig így is működik
A hozzászólás módosítva: Márc 26, 2014
Reggelt!
Segítsetek már nekem légyszi.022k100 az 22nF vagy 220nF jelent.A TGS be kell belőle 6 db. De melyikből? Köszi!
biztos?
akkor a 022k100 22n jelent? A hozzászólás módosítva: Márc 27, 2014
Biztos. A 0.022 az µF-ban van megadva, tehát az 22nF.
Szeretnék erről egy forumot nyitni hogy milyen értéket jelöl is a
022k100 -es jelölésű kondi.Itt hozzá teszem senkinek nem vonom kétségbe a tudását. Ugyanis elmentem az elektronikai boltba ott azt mondták hogy 220nF. Itt a forumon meg azt hogy 22nF meg 220nF. mondja meg valaki végre mi az igazság, mert kezdem elveszteni a fonalat. A hozzászólás módosítva: Márc 27, 2014
1. Remélem ezt csak viccnek szántad.
2. A boltban sok olyat mondanak ami nem úgy van. 3. Ha nem tudsz ilyet sehonnan kibontva megmérni, akkor itt van ez, remélem a saját szemednek csak hiszel, 0,068 azaz 68nF. Bár erre meg azt mondaná Obi-Wan Kenobi, hogy annak se higgy mert megcsalhat. 4. Használom az IGSL-t ami majdnem ugyanaz mint a TGSL, és bizony 22nF van benne az ominózus helyeken. Az oszciban abban nem, mert más fejjel megy.
ocsi én nem akartalak megsérteni vgy kétségbe vonni a tudásod csak biztosra akarok menni hogy jót tegyek a nyákba.azért kérdezek mert nem tudom kérdezni meg nem szégyen.akkor 22nF kell 6db a tgsl-be?
A hozzászólás módosítva: Márc 27, 2014
Elnézést, én tévedtem az előző hozzászólásomban. Nem vettem figyelembe a 022k100 kondinál, hogy előtte kell lenni egy pontnak. És akkor valóban 0,022 µF vagyis 22 nF.
De szerencsére a figyelmesebbek kijavítottak. Bocsi mégecccer
Tesoro Golden Sabre egy 30 éves gép, nemhogy gyári panel, de még fotó se nagyon van róla, vannak ugyan régi rajzok, de hogy ezek eredetiek-e azt a fene tudja.
A TGSL nem egy modernizált, hanem egy valaha egyszerűsített és azóta boldog boldogtalan által agyon módosított változat, amiből rengetegen próbálnak egy kis jövedelemhez jutni építőkittek, panelek és egyéb formákban. Az építőknek hatalmas topikja a van a legtöbb metáldetektoros fórumon, minden nyelven találsz ilyet, én a geotech1-et szoktam nézni, nyugodtan regisztrálj, nem fog senki háborgatni miatta. Ne keverd a rajzokat, csak abban az esetben, ha érted az áramköri részeket és át tudok őket számolni, mert pl egy sáverősítő visszacsatolásának az ellenállását ha megváltoztatod, változtatni kell a kondit is, és így tovább. Kövess végig egy rajzot valamelyik fórumon, vagy egy valakit válassz ki, akinek lemásolod a dolgát. Ha veszel panelt, akkor az ahhoz kapott dokumentációt, ha kitet veszel, akkor meg azt. Sok dolgot változtathatsz egy elektronikán, amitől az működőképes marad, csak esetleg nem olyan eredményt fog hozni, amit ígértek vagy amit vársz tőle, ha ezek a változtatások nem megfelelőek. Ha nem tudod kiszámolni, akkor másolj és ne variálj. Az elektronika minden részének meg vannak a maga szépségei és egy jó kivitelezés is lehet jobb, mint a minta, ha kellő odafigyeléssel és gondossággal végzik el, tehát a másolás ebben a tekintetben ugyan olyan kihívás. Ha már kész a kütyü a dokumentáció alapján, ami tutira jó, mert leellenőrizted (többen megépítették azt, egy az egyben, több visszajelzés van az aktuális fórumon, hogy végleges, javított, stb verzió és minden ok ...és hasonló módszerek), működik és tudja amit leírtak vagy amit kell, na akkor lehet matatni vele, hogy ezt azt kicserélek és mi lesz ennek a hatása.
Erre is pont az igaz, amit írtam az előbb.
Továbbá hogy hány darab én nem számolom, de van benne 220mikro, 220nF, 22nF és 220pF is, most megnéztem vagy 3 rajzot. Persze a jelöléseknek nézz utána, nem mindig egyértelműn a kondiknál sajnos.
Tényleg jó lenne gy kifejezetten TGSL topik, valaki fő építő indíthatna egyet, de az is jó lenne, aki most küzd vele és akkor végig lehetne követni.
Ha nagyon ellentmondónak találod, tedd fel a rajzodat, jelöld meg pl piros karikával, melyik a kérdéses, szívesen összevetem más rajzokkal és megnézem az adott áramköri környezethez képet.
Honnan való a kit és mennyiért vesztegetik? Nem rossz maga a kapcsolás, de én biztos máshogy csinálnám a bemeneti fokozatot, akkor fejet is könnyebb lenne hozzá csinálni szerintem.
Jaj, elnézést, Neuzernek akartam írni
Tiszta sor értelek is, csak amit árulnak kittbe ugyan az mint amit mi csináltunk tgsl edu csak egy 2 helyen más a panelon az alkatrész elhelyezkedés 358 a szűrő lánc is egyforma még a kondik is csak az ellenállás amit mi csináltunk annál 470kohm a kittébe 47kohm a kondi ugyan az mindkettőnél --lehet ezért van -10 cm mert az edu kittél 30 34-cm az után építettél csak 20 22 cm
Én nem kittből csinálom hanem rajzokből dokumentumokból.Bár ha tudtam volna hogy vannak ilyen kittek akkor lehet hogy rendelek de akkor nem lett volna olyan nagy kihívás.
Én sem kittből csináltam meg ---csak nekem az nem tetszik benne , hogy az amit megépítettem tgsl edut nem tudja 1 euróra 30 cm kb 20 cm a kittes edu az meg igen, viszont az meg jó benne hogy helyes szerelés ellenében sikerélményt ad egyből működik jó a kapcsolás csak ez így ennyit tud én meg használható gépet szeretnék össze rakni ami jobb mint amim van gyári MD-1023-G25 mert ez jelenleg azért többet tud még pedig kínai és ahogy elnézem a kittes változatoz ami majdnem ugyan az mint amit csinálunk a szűrőlánca más pl a szűrőtagban a kittébe használ 4,7kohm 1 megohm 1n 4148 és a kondenzátor ami egyforma mind kettő eduban amit meg csináltunk annak szűrőtagjai 470kohm 1n4148 és a kondi --és 2 csatoló kondi kisebb érték a kittébe ---lehet rendelek egyet mert szerintem a légteszten adja a 30 34 cm az földbe 1 régi kicsi egy forintra kb 15-20 cm ezt csak én gondolom de amit most csináltam ez 16 cm erős jelzés 1 ft re levegőben diszkbe ezt a gyárim is túllépi 17 cm . 1 kicsi egy ft diszkbe diszk nélkül 20 21 cm---------------átépíteni meg alakítgatni meg nincs értelme mert gány lesz ez ennyit tud pontos beállítás és tekercs mellet
A hozzászólás módosítva: Márc 28, 2014
Két dolog jutott eszembe.
Vajon lenne e értelme a kapuzás utáni RC tagot egy RMS konverterrel kiváltani ? Szinusz helyett háromszögjelet használni ?
Miért nem próbálod ki? Egyszerűbb kicserlni, sőt, rápőtyinteni egy ellenállást, mint építeni egy újat. Mondjuk kissé gyanús a dolog, de próba szerencse. Nézd szkópon, minek mi az eredménye.
9 ezer ft a kitt ez a kitt tudja a 30-34 cm láttam róla videót és nincs tuningolva ugyan avval a az ic kel és rc tagokkal min t amit csináltunk http://www.silverdog.co.uk/shop/index.php?route=product/product&..._id=99
Egyrészt ha alkatrészekkel együtt 9000, kár volt nem egyből ezzel kezdeni.
Másrészt, ha csak pár alkatrész más, miért nem próbálod meg azokat kicserélni? Nézd, a fej is más, nyilván és nem tudom, helyesen állítottad-e be a fázisszögeket, kitt vagy saját, ez mindig igaz marad. A kitt üzlet egyik lényege ez, mindig elhitetni, hogy ezért vagy azért érdemes megvenni és gyakran pont azoktól származnak a kis hibák, akik ezeket árulják. Én úgy látom, számodra a keresőzés a fontosabb. Ha ez így van, készíts egy mérleget, hogy mennyi időt és pénzt áldozol, miközben használtan 100 egy Cobra, 90 egy delta, 70-80 egy Cibola és 40 egy épített TGSL. Pl amivel Mateatek csinálta a 20 cm mélyről hozza a kisbronzt videót, azt 45ért árulták sokáig a fémkeresős fórumon (tán még most is). Vajon miért alakulnak így az árak? Érdemes ennyi időt és pénzt belefeccolni vagy ez idő alatt egy kis külön munkával már meglenne az új gép?
Igen a keresőzés fontos de a gép építés is , mert én nem tartom igazi detektorosnak aki nem épít legalább egy használható gépet vagy legalább ne próbálkozzon vele , ez csak saját vélemény nem megbántásnak szántam --rádiózásnál is így van, ott szigorúan mert tudni kell mitől működik sőt vizsgakérdésbe még a fokozatok működését is kel érteni akkor kap az ember pappírt róla ----pi-t már építettem az tökéletes csak nekem szelektálós kell ez a tgsl meg megtetszett egyszerűsége végett és nem beszélve az anyagköltség sem mindegy - én idáig a drót és pár ic árából kihoztam rengeteg bontott alkatrészem van és jó minőségűek -- venni azért nem veszek, mert nincs most rá pénzem -meg ha veszek is majd, csak analógot , digitális gép nem kell még ingyen sem tudván hogy a garett 2500.gti árához képest milyen silányul muzsikál a tgsl kitt ami tud 30-34 -cm talán meg is lépi mélységre 9 e ft ért csak nem villog meg csilingel de mutat van némi fogalmam raktam már össze digitális hangolású vfo-t meg analógot csöveset is meg tranyosat is digitális kisebb helyen elfér -de nagyon korlátolt és még szűrni is kell hogy a digit zaja ne kerüljön a nf részre mert ellen állomásnál idegesítő a zaja ------Úgyhogy ezt már mindenképp befejezem mert tetszik a gép nagyon -azt ha később úgy lesz veszek egy kittet -mer ha azt tudja vagy legalább is megközelítőleg akkor nekem az életem végéig megfelel --azt ha unatkozom neki álok egy másiknak hobbi kép már tanultam tőletek ezt azt mire figyeljek rá kell hangolódni --egy dolgot kellene megszerezni a tgsl edu kittnek a rajzát amit adnak a kitthez ott világos lenne az összes módosítás nem sok de jelentős a videók szerint
A hozzászólás módosítva: Márc 28, 2014
Látom már, a tesoro nagy baklővést követett el, hogy a világ legjobb gépének a teljes verzióját több, mint 20 éve nem gyártja már
![]() Egyrészt levegőben nem nagy dolog elérni ezt az érzékenységet. Mit tud földben? Ezen mindig átsiklotok. Aztán azon is, hogy 1-2 érmét érzékel, nem garantálja, hogy másra is ilyen jó lesz, pláne valós körülmények között. Az én épített gépem két tgsl méretű, zsúfolt panel, be tudom állítani milyen fém legyen a középállás, amitől ferromágnesesség szerint jelezzen, 2diszkes, mint a tejon és nagyon szép eredményeket értem el vele, de négyéve letette, amikor megtört a fejkábel és azóta gyári gépet használok mert eredményesebb, bár lehet, hogy az én hibám, mert nem utánépítettem, hanem át is alakítottam. De megint nem értem, mert szerintem a geotech1 fórumon megtalálhatod a rajzot. Egyébként milyen fejet használsz hozzá?
Ilyen téren célszerűbb cibolát csinálni, másmilyen minelab féle tekercs kell hozzá, +van pinpoint is.
Smd verzióm van belőle.
Kíváncsi vagyok a rajzra, ugyanis belepillantottam a gyári cibolámba. Van benne egy soklábú IC egy foglalatban, a tetején egy optikai ablakkal. Egy szaki szerint egy áramkört szimulál, a programot kiolvasni lehetetlen belőle, 32 karakteres jelszóvédelmes.
|
Bejelentkezés
Hirdetés |














