Fórum témák

» Több friss téma
Fórum » Áramlökés határoló lágyindító
Lapozás: OK   16 / 40
(#) sany válasza zosza18 hozzászólására (») Feb 28, 2014 /
 
Igen, azt szeretném.
(#) zosza18 válasza sany hozzászólására (») Feb 28, 2014 / 1
 
Mindjárt teszek fel egy rajzot, amivel ezt elérheted.
(#) Alkotó válasza sany hozzászólására (») Feb 28, 2014 /
 
A "fokozatosan elindít" azt is jelentheti, hogy a hőmérséklet változásával arányosan változik a fordulat. Ez egy nagyon praktikus opció. Az NTC-FAN4, és NTC-FAN6 fantázianevű kapcsolások itt a fórumon elérhetőek, és remekül megoldják a feladatot.
(#) sany válasza Alkotó hozzászólására (») Feb 28, 2014 /
 
Hőmérséklet szabályozás most nem kell. De meg fogom nézni a kapcsolásokat. Köszi!
(#) zosza18 válasza Alkotó hozzászólására (») Feb 28, 2014 /
 
Én úgy értelmeztem amit írt, hogy neki csak annyi kell, hogy amikor ad neki tápot akkor folyamatosan pörög fel. Ha hőfokfüggő kapcsolást szeretne, akkor azt úgy kellene leírni, de az nem ide tartozó téma.
(#) sany válasza zosza18 hozzászólására (») Feb 28, 2014 /
 
Köszönöm!
(#) zosza18 válasza sany hozzászólására (») Feb 28, 2014 /
 
Nincs mit! Nagyon szivesen!
(#) Alkotó válasza zosza18 hozzászólására (») Feb 28, 2014 /
 
Ha így érted, és nincs mellé rendelve egy időtényező, akkor semmit nem kel tennie, csak tápra kötni. A ventilátor forgó tömege miatt, automatikusan fokozatosan fog felpörögni (de relatív rövid idő alatt).
(#) zosza18 válasza Alkotó hozzászólására (») Feb 28, 2014 /
 
Igen, az is igaz, de itt a lágyindítóval akarta azt elérni, hogy ha tápot ad neki, akkor 0-100%-ig x idő alatt pörög fel. Nyilván, ha tápot adsz neki, nem egyből fog 100%-on pörögni, hanem ahogy te is írtad. Ez a rajz amit feltettem azt időzítő áramkör volt, csak átalakítottam neki. Itt a C1 és az 1M poti segítségével tudja beállítani, hogy mennyi idő alatt pörögjön fel 100%-ra. Mivel a venti már kb. 2-3V-tól megmozdul, így ahogy töltődik a kondi, úgy nyitja a darlingtont és pörgeti fel 100%-ra.
Idézet:
„(de relatív rövid idő alatt)”

Na ezt az időt kell elnyújtani neki, hogy miért nem tudom, de ezt kérte és ezt kapta.
A hozzászólás módosítva: Feb 28, 2014
(#) sany válasza zosza18 hozzászólására (») Feb 28, 2014 /
 
Az egyik ismerősöm megkért, hogy készítsek neki egy áramkört, amely lassan indítja be a ventilátorokat a számítógépén.
(#) zosza18 válasza sany hozzászólására (») Feb 28, 2014 /
 
Ha netán csinálsz neki nyákot, akkor előtte próbáld ki légszerelve, hogy mekkora kondi az, amivel eléred a kívánt időt. (gondoltam ilyesmi a cél, de nem mertem kimondani )
(#) sany válasza zosza18 hozzászólására (») Feb 28, 2014 /
 
Igaz én egy időzítővel oldottam volna meg,hogy pár másodperc késleltetéssel induljanak a ventilátorok egymás után, de az ismerősnek így kell.
A hozzászólás módosítva: Feb 28, 2014
(#) zosza18 válasza sany hozzászólására (») Feb 28, 2014 /
 
Na igen ez tűnik elsőre logikusnak, de hát kinek mi tetszik.
Amúgy ezt a kapcsolást át lehet alakítani időzítőre, ha netán olyan is kell akkor már ezzel is előrébb vagy, mert nem kell keresgetni és ez már megépített működő áramkör.
(#) deczkig hozzászólása Márc 31, 2014 /
 
Sziasztok!
1.1 kw-os villanymotor elindításához szeretnék segítséget kérni. Szalagfűrészen van rajta, 1 fázisú.
Sajnos az áram lehetőségem (aggregátor, inverter) nem alkalmas rá hogy elinduljon, de lágy indítással biztosan menne. Akinek van működő tapasztalata kérem segítsen.

Előre is köszönöm.
(#) staci123 válasza deczkig hozzászólására (») Márc 31, 2014 /
 
Sziasztok!
"Szalagfűrészen van rajta" - leghatékonyabb volna az agregátor motorral mehanikailag
direkt üzemeltetni...
(#) zosza18 válasza deczkig hozzászólására (») Márc 31, 2014 /
 
Szia! Mit szólnál egy triakos kapcsoláshoz, ami ugyan olyan mint a lágy indító, csak motorhoz?
Neked ez kellene szerintem, az alkatrészeket meg a motor teljesítményéhez választanod.
(#) Alkotó válasza deczkig hozzászólására (») Márc 31, 2014 /
 
Nem akarom a kedved szegni, de nem jó irányba keresed a megoldást. Nekem van szalagfűrészem, és a kezdetekben erősen próbáltam kicsi és egyfázisú motorokkal működtetni. A dolog úgy halott ahogy van. Sem az 1 fázis, sem az 1kW nem elég ide. Kár a motor elindiításával görcsölni, mert ahogy vágni próbálsz, azonnal le fog ismét állni, de legalábbis erősen belassul, és nagyon melegszik majd.
Nálam a 2,2kW-os körfűrész motor tudott egy darabig helyt állni, amiről azt kell tudni, hogy állandó kondis, és növelt indító nyomatéka van. De ennél is azt csináltam -ami műszakilag erősen vitatható, de remekül működik-, hogy a motort egy billegni képes lapra fogattam fel, és a motor saját súlya feszítette a szíjat. Ez azért jó, mert indításkor egy kar segítségével megemeltem a motort, ami így könnyedén felpörgött, majd szépen lassan visszaengedtem a motort, ami némi ékszíjcsúszás után átadta az ő mozgási energiáját a fűrész-szalagnak is.
De az igazi megoldás a 3 fázisú, 2-4kW nagyságrendű motor. Ide erő kell a munkához, és ahhoz meg teljesítményt kell bevinni a rendszerbe.
(#) zosza18 válasza Alkotó hozzászólására (») Márc 31, 2014 /
 
Szia! Kérdés az, hogy milyen szalagfűrészről beszélünk egyáltalán. Lehet kicsi szalagfűrész is, ahhoz meg elég egy ilyen motor is, hogy megfelelő teljesítmény legyen.
(#) zsolasz hozzászólása Ápr 24, 2014 /
 
Tisztelt emberek! Adott 1 db. SIEMENS SIRIUS 3RW3016-1BB04 tipusu tirisztoros lagyindito, a kerdesem az lenne, h alkalmas -e 1 db 3 fazisu motor [500 W +++ 25µF/450V] [230 V-on valo mukodtetese eseten] inditasara.Ha valaki butykolt ilyen alklamazast akkor kerem mondja el a helyes bekotest.KOszonom tisztelettel,
UI. nehany link a lagyinditorol:
Bővebben: Link
A hozzászólás módosítva: Ápr 24, 2014
(#) Johnycorp válasza zsolasz hozzászólására (») Ápr 24, 2014 /
 
Üdv.

Kissé nem teljesen tiszta, hogy a 3 fázisú motort miként szeretnéd üzemeltetni. 3 fázisról (3x400V)? Vagy 1 fázisú hálózatról?

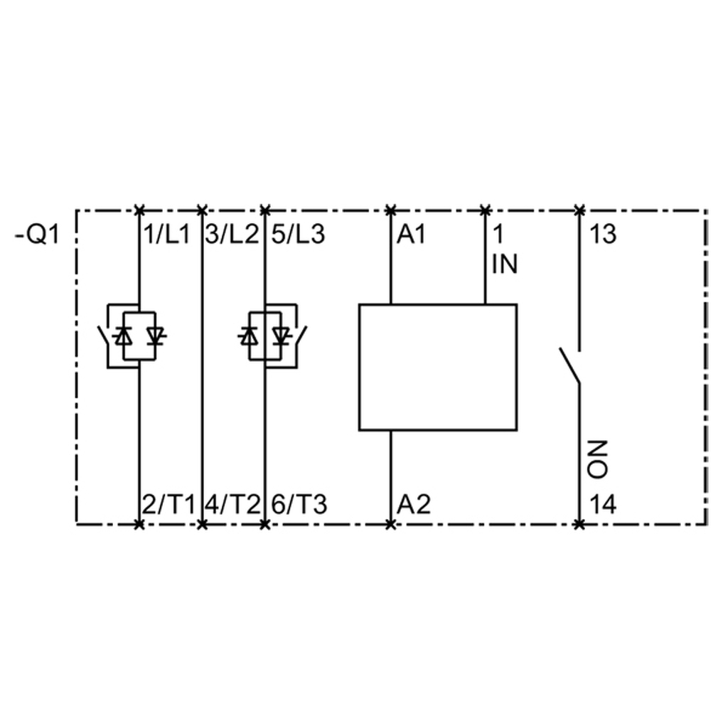
Mindenesetre ne feledd, hogy ez a lágyindító is csak az L1 és L3 fázist vezérli és kapcsolja. Az L2 még kikapcsolt állapotban is kint van a motoron!
Tehát a teljes áramtalanításhoz 3 áramkörös kapcsoló vagy mágneskapcsoló kell, amely a lágyindítóra érkező feszültséget kikapcsolja. Azonban a lágyindító és a motor közé NEM rakhatsz megszakítót!

Részeletes dokumentáció

A bekötés a 170. oldaltól található.
(#) zsolasz válasza Johnycorp hozzászólására (») Ápr 25, 2014 /
 
Eloszor is koszonom a hozzaszollasod a temahoz;
Lehet , h nem voltam elegge tiszta de en 230V 50 Hz monofazisrol szeretnek 1 pompat uzemeltetni a lagyinditon keresztul.Nem igazan tudom hogyan csinaljam a koteseket: igy gondoltam: a fazis szaladjon at az eggyik tirisztor paron [pl L1-T1], a nul "kozepen" ??? ez igy mukodo kepes lenne, azaz mukodne helyesen a lagyinditas?? vagy inkabb maskepp kossem be , mint pl: L1 / Fazis es L3/ Null. T1 [L2-T2-uressen] illetve T2 csatlakozna a motorra, mint Fazis/null. Esetleg csinaljak 1 probat 1 villanykortevel pl.100W Edisonnnal??? KOszonom elore is! Tisztelettel,
(#) sevenhill hozzászólása Ápr 29, 2014 /
 
Kedves Fórumtársak! Mivel az előző hozzászólásokban szóba került az ipari lágyindító, én is előhozakodnék hasonló témával. Hoztak egy meghibásodott gyári lágyindítót, 5.5KW, 3 fázisú. Egy "Vörös Proletár" esztergapad motorját indították, így nem verte le induláskor a kismegszakítókat. Az előlapon lehet állítani a felfutási időt, a minimális feszültség indulást, és a leállítási időt. A lágyindító két fázisban elhelyezett egy-egy triakkal szabályoz, a harmadik fázis egyszerűen át van vezetve. Nulla nincs is bekötve. Az elektronika egy 400V-os primer feszültségű kistrafóról kapja a táplálást, feltehetően a szinkront is innen veheti. Egy PIC az elektronika lelke. Sajnos, úgy néz ki, ez ment tönkre, ezt egy kolléga is megerősítette. A neten nézegettem, a gyári lágyindítók brutálisan drágák, különösen, ahogy megyünk fel a teljesítménnyel. Valahogy az utánépítése elég tabu, nincs semmi konkrét kapcsolás. Pedig az alkatrész igény nem eget verő, bár , ha saját kútfőből kellene kiagyalni a triacok vezérlését, az elég bonyolult. A fázisok megfelelő pozíciójú gyújtás szöge, gyújtó impulzusok hossza, meg a felfutás idejének rugalmas változtatása, ezek már tényleg egy kontrollerbe valók. Nincs véletlen valakinek ehhez a témához kapcsolása, szoftver "forrása"?
(#) 13_Balu50 hozzászólása Máj 5, 2014 /
 
Helló mindenkinek!
Kérdezném a véleményeteket, egy 330 VA –es toroid trafóhoz kell e lágyinditó, ha nem feltétlenül fontos inkább kihagynám.
(#) reloop válasza 13_Balu50 hozzászólására (») Máj 5, 2014 /
 
Szia! A bekapcsolás pillanatában lesz terhelés a trafón, és ha igen milyen jellegű?
(#) 13_Balu50 válasza reloop hozzászólására (») Máj 5, 2014 /
 
Végfok táp 2 x 10000µF 63V kondi.
(#) reloop válasza 13_Balu50 hozzászólására (») Máj 5, 2014 / 1
 
Ilyen összeállítást építettem már, lágyindító nélkül 3,15A lomha biztosítékkal üzemel.
(#) 13_Balu50 válasza reloop hozzászólására (») Máj 5, 2014 /
 
Azzal megy nekem is, bekapcsolásakor egy kicsit lecsökken a lakás világítás fényereje. Amennyiben csak ez a hátránya nem , teszek bele egy felesleges panelt (hibaforrási lehetőséget).
(#) zosza18 válasza 13_Balu50 hozzászólására (») Máj 5, 2014 / 1
 
Szia. Bocsánat, hogy beleszólok, de én simán betenném elé a lágyindítót, hogy ne rángassa a hálózatot, mivel írtad a világítás fényerejét. Nem egy bonyolult áramkör, nem igazán tud tönkremenni. Jó párat összeraktam már és eddig javítani csak azt kellett amit a tulaj nem rendesen használt. Az én véleményem szerint félj tőle, nem igazán hibalehetőség, jótékony hatása van. (Persze ez csak az én véleményem. )
(#) 13_Balu50 válasza zosza18 hozzászólására (») Máj 5, 2014 /
 
Már építettem egyet, de nem látok közte nagy különbséget, a bíztositékot még egyszer sem verte le, ha stabil lesz nem rakom bele. Nélküle csak a bíztositéknál van hálózati feszültség, ha benne van jóval több helyen. Ez érintésvédelem szempontjából mindenképpen hátrány.
Azért köszönöm a véleményed.
(#) zosza18 válasza 13_Balu50 hozzászólására (») Máj 5, 2014 /
 
Természetesen igazad van, azért írtam, hogy ez csak az én véleményem. Nyilván a Te döntésed és Te tudod milyen a viselkedése pontosan.
Következő: »»   16 / 40
Bejelentkezés

Belépés

Hirdetés
XDT.hu
Az oldalon sütiket használunk a helyes működéshez. Bővebb információt az adatvédelmi szabályzatban olvashatsz. Megértettem