Fórum témák

» Több friss téma
Fórum » Elektronikában kezdők kérdései
- Ez a felület kizárólag, az elektronikában kezdők kérdéseinek van fenntartva és nem elfelejtve, hogy hobbielektronika a fórumunk!
- Ami tehát azt jelenti, hogy a nagymama bevásárlását nem itt beszéljük meg, ill. ez nem üzenőfal!
- Kerülendő az olyan kérdés, amit egy másik meglévő (több mint 17000 van), témában kellene kitárgyalni!
- És végül büntetés terhe mellett kerülendő az MSN és egyéb szleng, a magyar helyesírás mellőzése, beleértve a mondateleji nagybetűket is!
Lapozás: OK   2301 / 4052
(#) zoka válasza nedudgi hozzászólására (») Máj 4, 2014 /
 
Tulajdonképpen Erről a lámpáról lenne szó, mást nem tudok róla. Mondjuk nem tudom miért írták fehérnek, ha piros
A LED miatt nem is aggódok, csak a meghajtó elektronika ami kényes lehet. Ha folyamatosan világít, akkor jó is lehet, mert beáll 0,15A-re az ellenálláson át 4,2V-ról, és a lámpán mérhető feszültség is okés, de villogó módban meghülyül, és ingadozik a feszültség a 4,2V-ot is elérve... lehet, hogy nem tesz neki jót.
(Az lenne a célom, hogy li-ion akksi tennék bele, kivezetném, hogy úgy tudjam tölteni, hogy ne kelljen mindig mindig szétpattintani "elemcserekor", mert akkor hamar eltörik. De amúgy zavaróan erős fénye van
(#) zoka válasza proli007 hozzászólására (») Máj 4, 2014 /
 
Hello! Köszi, ez jó ötlet, van is 1n4007-em kipróbálom.
(#) zoka válasza zoka hozzászólására (») Máj 4, 2014 /
 
Végül is 1 dióda majdnem kevés, 2 meg sok, de 1-nél, ha 4,2V a táp, a lámpán kb. 3,35V mérhető. Talán ezek az áramkörök még kibírnak ennyi többlet feszültséget.
(#) szili83 válasza zoka hozzászólására (») Máj 4, 2014 /
 
Egy normál dióda nyitófeszültsége 0.6-0.7V, mint az 1N400x-é is. (amit mértem az 658mV volt)
Akkor tegyél bele shotky-t az 0.2-0.4V. Tipustól függően. Így 3db-al meg lehet oldani. Itthon amiket mértem azok 250-420mV között nyitottak ki.
(#) nedudgi válasza zoka hozzászólására (») Máj 4, 2014 /
 
Az elektronika szemrebbenés nélkül ki kell, hogy bírja a 4.2V feszültséget. Ami gondot jelenthet, az a LED, illetve annak áramát szabályzó (kapcsoló) alkatrész. Jó lenne tudni, mi kerül abban a lámpában 6-7000 forintba. Tudsz képet mutatni róla? Szétlapított pók, vagy egyszerű alkatrészek vannak benne?
(#) kisstomi5545 hozzászólása Máj 4, 2014 /
 
Valaki ért a mozgásérzékelőkhöz?
Sajnos ezen a területen nem vagyok valami jártas.
Olyan mozgásérzékelőre lenne szükségem, aminek van 2 kivezetése, és úgy működik mint egy sima kapcsoló. Van ilyen?
(#) kisstomi5545 válasza kisstomi5545 hozzászólására (») Máj 4, 2014 /
 
Elnézést kérek, nagyon elkapkodtam ezt a kérdést!
Csak 15 percembe tellett volna utánanézni, meg amúgy is 12 voltost szerettem volna!
(#) cupika97 hozzászólása Máj 5, 2014 /
 
Sziasztok. VR335 Hand Dryer kapcsolási rajzát keresném.
(#) Sanyesz5 hozzászólása Máj 5, 2014 /
 
Sziasztok!

A következő lenne a kérdésem, ehhez a feszültségmérőhöz :

Voltmérő

Jó e lenne a mellékletbe töltött "szimmetrikus" táp.
Persze úgy hogy a végén, lenne egy 7805, és egy 7905, labortápba lenne, és sajnos nincs olyan leágazás ami megfelelne.
(#) nedudgi válasza Sanyesz5 hozzászólására (») Máj 5, 2014 /
 
A cikk 6. oldalán találsz megoldást 7805/7905 használatával előállított szimmetrikus tápra.
Esetleg nem jól értem a kérdést?
A hozzászólás módosítva: Máj 5, 2014
(#) NyariG válasza nedudgi hozzászólására (») Máj 5, 2014 /
 
Szerintem nem jól érted, mert neki az a kérdése hogy trafóról hogy tudja megoldani a +/- táplálást, mert a cikkben elemek vannak. De majd ö megmondja


Itt egy minta(persze a fogyasztási igényekhez hozzá kell passzitani):
A hozzászólás módosítva: Máj 5, 2014

tap.JPG
    
(#) Sanyesz5 válasza NyariG hozzászólására (») Máj 5, 2014 /
 
Üdv, köszönöm, trafóról szeretném, a labortáp trafójának szekunderén több leágazás van, csak sajna nem olyan ami nekem kellene. Ezért érdeklődtem, hogy úgy is meg tudom e oldani a dolgot..
(#) enree hozzászólása Máj 5, 2014 /
 
Sziasztok!
Építettem egy visszajelzőt az autómba, hogy figyelmeztessen, ha bekapcsolva hagyom a világítást. Tökéletesen működik, de mióta beszereltem, megőrül a kihangosító, ha rajra marad a világítás és leveszem a gyújtást. Lehetséges, hogy valamennyi áram visszafolyik a gyújtás ágra a műszerfal világításról?
(#) kadarist válasza enree hozzászólására (») Máj 5, 2014 /
 
Szia!
A megőrülés miben manifesztálódik?
(#) enree válasza kadarist hozzászólására (») Máj 5, 2014 /
 
Szia!
Parrot CK3000. Bemondja, hogy "connection problem", meg néha csak úgy magától kitörli a párosított eszközöket. Csak abban az állapotban, ha leveszem a gyújtást, rajta van a világítás és csukva van az ajtó. (és csak azóta, mióta beszereltem a visszajelzőt)
(#) kadarist válasza enree hozzászólására (») Máj 5, 2014 /
 
Tegyél be egy diódát a első tranzisztor bázisába, az 1kohm-al sorban, meg a többi ágba is tehetsz, hogy biztosan egy irányba folyjanak az áramok.
(#) enree válasza kadarist hozzászólására (») Máj 5, 2014 /
 
Más ötletem nekem sincs... de elméletben ott folyhat abban az irányban áram?
(#) kadarist válasza enree hozzászólására (») Máj 5, 2014 /
 
Ha zavart okoz az áramkör, akkor nyilván folyik áram.
(#) enree válasza kadarist hozzászólására (») Máj 5, 2014 /
 
Ok, teszek neki három diódát, aztán meglátjuk.
(#) Primary hozzászólása Máj 5, 2014 /
 
Egy kerékpár lámpa LED-esítésénél, ha elemről megy, akkor érdemes egy stabilizátorral (mondjuk kapcsolóüzemű) stabilizálni? Gondolom nem.
(#) kisstomi5545 válasza Primary hozzászólására (») Máj 5, 2014 /
 
Lehet, de több helyet foglal jóval, ami nembiztos, hogy előnyös ilyen lámpáknál...
Persze, ha Power LED-ekről van szó, az már más kérdés!
(#) djhua hozzászólása Máj 5, 2014 /
 
Udv mindenkinek !

Ezt a problemat hogy tudnam megoldani ? Hogyha elerem a fototranzisztort akkor normalisan mukodik minden .

Feltoltottem egy videot mert nagyon nehez lenne elmagyarzni , nekem erdekesnek tunik a problema : Video

A kapcsolasokat mellekelem .

Koszonom elore a valaszokat .
A hozzászólás módosítva: Máj 5, 2014
(#) kadarist válasza djhua hozzászólására (») Máj 5, 2014 /
 
Szia!
Ez a kapcsolás mit csinál és mit kell figyelni a videón?
(#) djhua válasza kadarist hozzászólására (») Máj 5, 2014 /
 
Egy propeller ora , es amikor a fototranzisztor es az infra led egymas szemben van akkor , ki kellene hogy gyuljanak a LED-ek , de ez csak akkor mukodik igy hogyha en tapogatom a fototranzisztor GND labat .
A hozzászólás módosítva: Máj 5, 2014
(#) proli007 válasza djhua hozzászólására (») Máj 5, 2014 /
 
Hello! Én nem ismerem ezt, de az infra kapunak a forgás szinkront kell szolgálnia. Avagy forogni kell a panelnek, hogy legyen szinkron. Mikor megtapizod, akkor meg a zavar hajtja..
(#) c27 hozzászólása Máj 5, 2014 /
 
Sziasztok!
Fordulatszámot szeretnék számolni optikai eszközzel, de olyan problémám van, hogy valami zavart beszed próbáltam fototranzisztorral, tsop-val és komplett optokapuval. Az optokapuval majdnem jól működött, néha ugrott 2-t, a fototranzisztor nagyon érdekes, ha felkapcsolom a lámpát 20-40-et számol. Ha egy sötét lappal letakarom majd elveszem a takarást szintén. A tsop elég kiszámíthatatlan néha jó néha nem érzékeny a besugárzási szögre is vagy ha mozgatom picit az infraledet akkor is össze-vissza számol. (Hall szenzorral működik a dolog.) A jelet egy pic veszi a bemenet 10K-val tápra kötve. Hogy lehetne a zavarást megszüntetni?
(#) kadarist válasza c27 hozzászólására (») Máj 5, 2014 /
 
Szia!
Használj tokozott adó-vevőt vagy készíts egy hasonló elrendezést: Bővebben: Link. Fontos, hogy a lehető legtöbb visszavert fény jusson az érzékelőbe.
(#) Tardief hozzászólása Máj 6, 2014 /
 
Sziasztok!
Hordozható zenedoboz építéséhez keresek hangszórót. Az egyszerűség kedvéért autóhangszóróra gonoltam.
Ki is néztem magamnak egyet.
A tervek szinte megyegyeznek a cikkben olvashatókkal,
Szerintetek ez megfelelne a célnak?
(Sajnálom hogy itt tettem fel a kérdést, de sürgős lenne)
Köszönöm!
(#) granpa válasza Tardief hozzászólására (») Máj 6, 2014 /
 
A helyén is a sor elejére került volna.
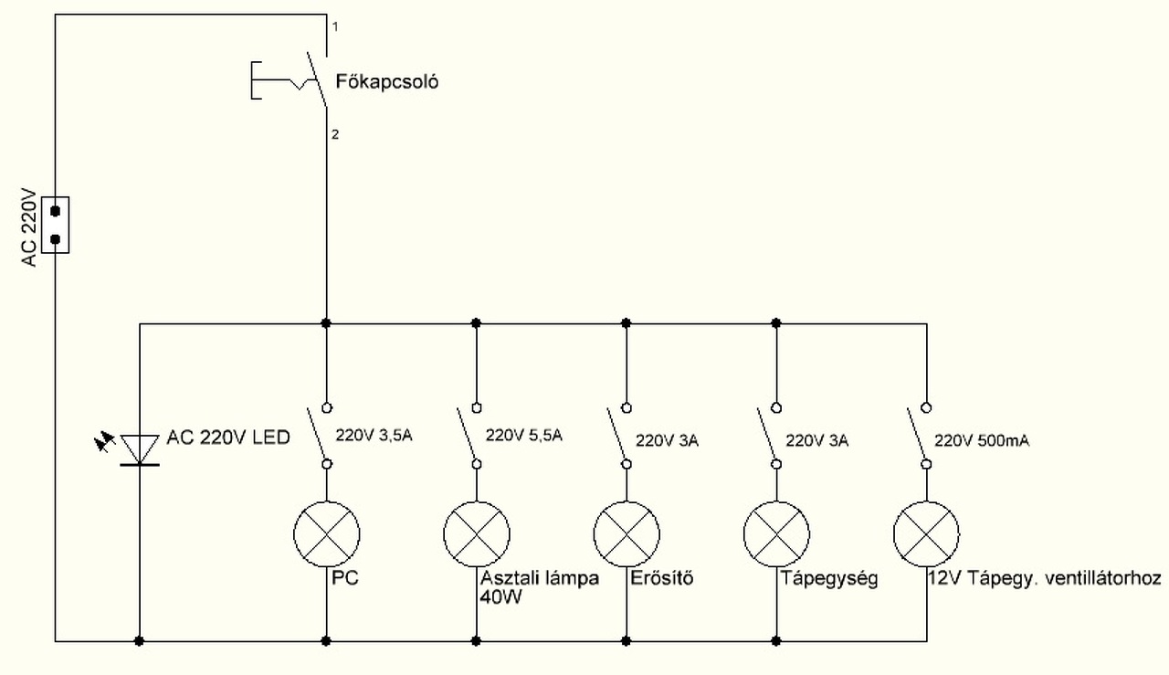
(#) BBoyBen hozzászólása Máj 6, 2014 /
 
Sziasztok!
Olyan ötletem lenne, hogy beépítek az asztalomra egy kapcsolós dobozt, 6 kapcsoló lenne rajta, ebből egy főkapcsoló, a másik öttel pedig külön-külön, amelyik eszközre épp szükségem van, azt bekapcsolom. Feltüntettem ezek nevét illetve áramigényeiket, ehhez igazodva választom meg a kapcsolókat is, tehát pl.: asztali lámpámhoz, amely 40W-os izzóval megy, ahhoz egy AC 220V-os 6A-es kapcsolót keresek, mondjuk egy ilyet.. A főkapcsolónak pedig az összes készülék áramigényeinek az összegét kell elbírnia,igaz? Jelen esetben ez 220V 15,5A. Ehhez is találtam egy kapcsolót.

Válaszotokat köszönöm!

kapcsolas.jpg
    
Következő: »»   2301 / 4052
Bejelentkezés

Belépés

Hirdetés
XDT.hu
Az oldalon sütiket használunk a helyes működéshez. Bővebb információt az adatvédelmi szabályzatban olvashatsz. Megértettem