Fórum témák
» Több friss téma |
- Ez a felület kizárólag, az elektronikában kezdők kérdéseinek van fenntartva és nem elfelejtve, hogy hobbielektronika a fórumunk!
- Ami tehát azt jelenti, hogy a nagymama bevásárlását nem itt beszéljük meg, ill. ez nem üzenőfal! - Kerülendő az olyan kérdés, amit egy másik meglévő (több mint 17000 van), témában kellene kitárgyalni! - És végül büntetés terhe mellett kerülendő az MSN és egyéb szleng, a magyar helyesírás mellőzése, beleértve a mondateleji nagybetűket is!
Tulajdonképpen Erről a lámpáról lenne szó, mást nem tudok róla. Mondjuk nem tudom miért írták fehérnek, ha piros
![]() A LED miatt nem is aggódok, csak a meghajtó elektronika ami kényes lehet. Ha folyamatosan világít, akkor jó is lehet, mert beáll 0,15A-re az ellenálláson át 4,2V-ról, és a lámpán mérhető feszültség is okés, de villogó módban meghülyül, és ingadozik a feszültség a 4,2V-ot is elérve... lehet, hogy nem tesz neki jót. (Az lenne a célom, hogy li-ion akksi tennék bele, kivezetném, hogy úgy tudjam tölteni, hogy ne kelljen mindig mindig szétpattintani "elemcserekor", mert akkor hamar eltörik. De amúgy zavaróan erős fénye van
Hello! Köszi, ez jó ötlet, van is 1n4007-em kipróbálom.
Végül is 1 dióda majdnem kevés, 2 meg sok, de 1-nél, ha 4,2V a táp, a lámpán kb. 3,35V mérhető. Talán ezek az áramkörök még kibírnak ennyi többlet feszültséget.
Egy normál dióda nyitófeszültsége 0.6-0.7V, mint az 1N400x-é is. (amit mértem az 658mV volt)
Akkor tegyél bele shotky-t az 0.2-0.4V. Tipustól függően. Így 3db-al meg lehet oldani. Itthon amiket mértem azok 250-420mV között nyitottak ki.
Az elektronika szemrebbenés nélkül ki kell, hogy bírja a 4.2V feszültséget. Ami gondot jelenthet, az a LED, illetve annak áramát szabályzó (kapcsoló) alkatrész. Jó lenne tudni, mi kerül abban a lámpában 6-7000 forintba. Tudsz képet mutatni róla? Szétlapított pók, vagy egyszerű alkatrészek vannak benne?
Valaki ért a mozgásérzékelőkhöz?
Sajnos ezen a területen nem vagyok valami jártas. Olyan mozgásérzékelőre lenne szükségem, aminek van 2 kivezetése, és úgy működik mint egy sima kapcsoló. Van ilyen?
Elnézést kérek, nagyon elkapkodtam ezt a kérdést!
![]() Csak 15 percembe tellett volna utánanézni, meg amúgy is 12 voltost szerettem volna!
Sziasztok!
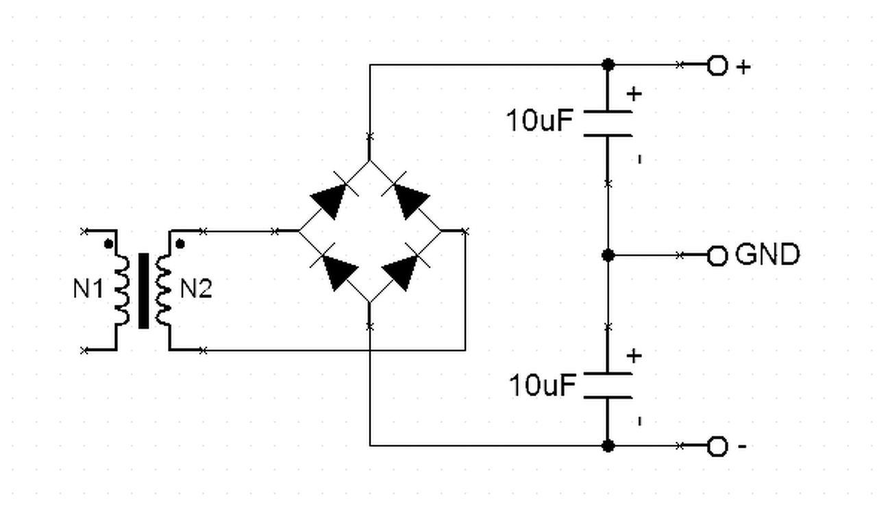
A következő lenne a kérdésem, ehhez a feszültségmérőhöz : Voltmérő Jó e lenne a mellékletbe töltött "szimmetrikus" táp. Persze úgy hogy a végén, lenne egy 7805, és egy 7905, labortápba lenne, és sajnos nincs olyan leágazás ami megfelelne.
A cikk 6. oldalán találsz megoldást 7805/7905 használatával előállított szimmetrikus tápra.
Esetleg nem jól értem a kérdést? A hozzászólás módosítva: Máj 5, 2014
Szerintem nem jól érted, mert neki az a kérdése hogy trafóról hogy tudja megoldani a +/- táplálást, mert a cikkben elemek vannak. De majd ö megmondja
![]() Itt egy minta(persze a fogyasztási igényekhez hozzá kell passzitani): A hozzászólás módosítva: Máj 5, 2014
Üdv, köszönöm, trafóról szeretném, a labortáp trafójának szekunderén több leágazás van, csak sajna nem olyan ami nekem kellene. Ezért érdeklődtem, hogy úgy is meg tudom e oldani a dolgot..
Sziasztok!
Építettem egy visszajelzőt az autómba, hogy figyelmeztessen, ha bekapcsolva hagyom a világítást. Tökéletesen működik, de mióta beszereltem, megőrül a kihangosító, ha rajra marad a világítás és leveszem a gyújtást. Lehetséges, hogy valamennyi áram visszafolyik a gyújtás ágra a műszerfal világításról?
Szia!
A megőrülés miben manifesztálódik?
Szia!
Parrot CK3000. Bemondja, hogy "connection problem", meg néha csak úgy magától kitörli a párosított eszközöket. Csak abban az állapotban, ha leveszem a gyújtást, rajta van a világítás és csukva van az ajtó. (és csak azóta, mióta beszereltem a visszajelzőt)
Tegyél be egy diódát a első tranzisztor bázisába, az 1kohm-al sorban, meg a többi ágba is tehetsz, hogy biztosan egy irányba folyjanak az áramok.
Más ötletem nekem sincs... de elméletben ott folyhat abban az irányban áram?
Ha zavart okoz az áramkör, akkor nyilván folyik áram.
Ok, teszek neki három diódát, aztán meglátjuk.
Egy kerékpár lámpa LED-esítésénél, ha elemről megy, akkor érdemes egy stabilizátorral (mondjuk kapcsolóüzemű) stabilizálni? Gondolom nem.
Lehet, de több helyet foglal jóval, ami nembiztos, hogy előnyös ilyen lámpáknál...
Persze, ha Power LED-ekről van szó, az már más kérdés!
Udv mindenkinek !
Ezt a problemat hogy tudnam megoldani ? Hogyha elerem a fototranzisztort akkor normalisan mukodik minden . Feltoltottem egy videot mert nagyon nehez lenne elmagyarzni , nekem erdekesnek tunik a problema : Video A kapcsolasokat mellekelem . Koszonom elore a valaszokat . A hozzászólás módosítva: Máj 5, 2014
Szia!
Ez a kapcsolás mit csinál és mit kell figyelni a videón?
Egy propeller ora , es amikor a fototranzisztor es az infra led egymas szemben van akkor , ki kellene hogy gyuljanak a LED-ek , de ez csak akkor mukodik igy hogyha en tapogatom a fototranzisztor GND labat .
A hozzászólás módosítva: Máj 5, 2014
Hello! Én nem ismerem ezt, de az infra kapunak a forgás szinkront kell szolgálnia. Avagy forogni kell a panelnek, hogy legyen szinkron. Mikor megtapizod, akkor meg a zavar hajtja..
Sziasztok!
Fordulatszámot szeretnék számolni optikai eszközzel, de olyan problémám van, hogy valami zavart beszed próbáltam fototranzisztorral, tsop-val és komplett optokapuval. Az optokapuval majdnem jól működött, néha ugrott 2-t, a fototranzisztor nagyon érdekes, ha felkapcsolom a lámpát 20-40-et számol. Ha egy sötét lappal letakarom majd elveszem a takarást szintén. A tsop elég kiszámíthatatlan néha jó néha nem érzékeny a besugárzási szögre is vagy ha mozgatom picit az infraledet akkor is össze-vissza számol. (Hall szenzorral működik a dolog.) A jelet egy pic veszi a bemenet 10K-val tápra kötve. Hogy lehetne a zavarást megszüntetni?
Szia!
Használj tokozott adó-vevőt vagy készíts egy hasonló elrendezést: Bővebben: Link. Fontos, hogy a lehető legtöbb visszavert fény jusson az érzékelőbe.
Sziasztok!
Olyan ötletem lenne, hogy beépítek az asztalomra egy kapcsolós dobozt, 6 kapcsoló lenne rajta, ebből egy főkapcsoló, a másik öttel pedig külön-külön, amelyik eszközre épp szükségem van, azt bekapcsolom. Feltüntettem ezek nevét illetve áramigényeiket, ehhez igazodva választom meg a kapcsolókat is, tehát pl.: asztali lámpámhoz, amely 40W-os izzóval megy, ahhoz egy AC 220V-os 6A-es kapcsolót keresek, mondjuk egy ilyet.. A főkapcsolónak pedig az összes készülék áramigényeinek az összegét kell elbírnia,igaz? Jelen esetben ez 220V 15,5A. Ehhez is találtam egy kapcsolót. Válaszotokat köszönöm! |
Bejelentkezés
Hirdetés |

















