Fórum témák

» Több friss téma
Fórum » PC táp átalakítás
 
Témaindító: kand, idő: Nov 13, 2005
Lapozás: OK   147 / 200
(#) spgabor hozzászólása Ápr 25, 2014 /
 
Sziasztok!

Ismét van egy kérdésem pc táp átalakítással. Olyan két kimenetes tápot szeretnék készíteni, ami két stabilizált kimenettel rendelkezne. Van több ugyanolyan tápom, amelyekből kettőt felhasználva gondoltam ezt megcsinálni közösített gnd-vel. Viszont ez problémákat is okozhat. Legalábbis olvastam ilyet.
Korábban itt a fórumban valaki belinkelt egy ilyen tápról képeket, viszont leírás csak annyi volt róla, hogy a trafó secunder körét sorba kötötte. A képeket elnézve az egy tápból készült, de azt nem tudom, hogy szabályozott-e mindkét oldala.
Összeségében egy 2x25-30 voltos, 0-tól 8-10 amperig szabályozható áramkorláttal rendelkező szabályozott tápot szeretnék építeni.
Esetleg épített már ilyet valaki? Ha tanáccsal vagy kapcsolási rajzzal tudnátok segíteni, azt nagyon megköszönném.

Üdv:
spgabor
A hozzászólás módosítva: Ápr 25, 2014
(#) szucsip válasza spgabor hozzászólására (») Ápr 25, 2014 /
 
Üdv!

A 2×25V megoldható hókusz-pókuszok nélkül. Főleg, ha egy relatív nagyobb teljesítményű tápegység a donor. (Mondjuk úgy 300W ) Elég 1db táp. Ha a folytótekercseket közös vasmagra tekered, és azonos lesz a két tekercs impedanciája, akkor a szimmetriát az megoldja. Feltéve, hogy a két tápágról mindig ugyanakkora <de ellentétes értelmű> feszültséget szeretnél levenni. Ennek feltétele, hogy valamennyire mindkét tápág terhelve legyen, és azonos tulajdonságú diódákat; kondenzátorokat használj.

A földek közösítése nem nagyon okoz problémát. Eleve a hálózati védőföld potenciálján van a PC táp kimeneteinek nulla pontja.
A hozzászólás módosítva: Ápr 25, 2014
(#) spgabor válasza szucsip hozzászólására (») Ápr 26, 2014 /
 
Eltérő feszültségeket szeretnék levenni oldalanként szabályozva. Ezért gondoltan a két tápra. 400w-os lc power tápokról van szó. Táblája szerint 12v-on 14A-rel terhelhető, így még maradna benne tartalék is.
(#) szucsip válasza spgabor hozzászólására (») Ápr 26, 2014 /
 
Tartalék bőven maradna. Viszont amit akarsz, azt nem tudod (ésszerű kereteken belül) 1 tápból megcsinálni. Vagyis meg lehetne csinálni, ha tennél a PC táp kimenetek mögé 1-1 disszipatív szabályzót. Egyébként meg fel kell használni a két tápot.
(#) spgabor válasza szucsip hozzászólására (») Ápr 26, 2014 /
 
A két táp nem probléma, abból van pár darab. Viszont akkor ebben az irányba haladva ha átalakítok két tápot ugyanúgy, az olasz/spanyol leírás szerint, akkor azok közösítésében tudsz segíteni?
(#) szucsip válasza spgabor hozzászólására (») Ápr 26, 2014 /
 
Nem. Nem igazán ismerem azokat a leírásokat. Ráadásul tök felesleges neked azt követned.
(#) spgabor válasza szucsip hozzászólására (») Ápr 26, 2014 /
 
Akkor mit tanácsolsz? Hogy álljak neki?
(#) szucsip válasza spgabor hozzászólására (») Ápr 26, 2014 /
 
Ne legyél mohó. Először csinálj csak 1-et. Javaslom hogy azt, ami a földhöz képest pozitív feszültséget fog szolgáltatni. Nincs más dolgod, mint (talán!) kicserélni a 12V ágának dupladiódáját, kondenzátorait, a többi ágat kigyomlálni, és a visszacsatolást módosítani.
(#) spgabor válasza szucsip hozzászólására (») Ápr 26, 2014 /
 
Egy ilyenem van már, ami majdnem kész. Állítható a fesze, de áramgenerátor nincs benne. Valamint a diódák még az eredetiek.
A hozzászólás módosítva: Ápr 26, 2014
(#) spgabor válasza spgabor hozzászólására (») Ápr 28, 2014 /
 
Most is diódát keresek, de nem tudom eldönteni még mindig, hogy milyet tegyek bele. Amiről most konkrétan írok LC táp, abban STTH2002C dupla dióda van közös katóddal (ami elég lenne, így az bent is maradna). De nem nagyon találok közös anódosat a párjának, így azon gondolkodom, hogy vegyek négy egyező diódát külön, vagy tegyek bele egy kicsit kisebb teljesítményű közös anódosat. Eddig ez utóbbiból csak a MUR1620CTR-t találtam.
(#) szucsip válasza spgabor hozzászólására (») Ápr 28, 2014 /
 
Vegyél 2db "szimpla" diódát, és kötögesd be. A tekercsek átkötését meg az összes szerb-horvát-román átalakítást hanyagold, mivel nem biztos hogy átlátod a dolgot.
(#) spgabor válasza szucsip hozzászólására (») Ápr 28, 2014 /
 
Átlátni már 90%-ban átlátom. Végolvastam a fórumot és elég sokat tanulmányoztam a kapcsolásokat. Azért gondoltam, hogy annak az elvén csinálom a sajátom. A trafó lábak átkötését nem terveztem megcsinálni, mert amennyi teljesítményt kiveszek belőle, azt tudja a gyári elrendezés is. Legjobban az a bajom, hogy ezek az első szárnypróbálkozások, így vannak kérdések, amelyekben tanácstalan vagyok. Ilyen a dióda is. Az olasz módszer meg azért tetszett, mert eddig azt találtam a számomra legátláthatóbb és megfelelőbb rajz eddig. De nyitott vagyok minden tanácsra.
(#) szucsip válasza spgabor hozzászólására (») Ápr 29, 2014 /
 
Ha az előző oldalon található rajz az az olasz, és te nem akarod a trafó kivezetéseket variálni, akkor nem fog összeállni a dolog. Gyakorlatilag az olaszosra vett áramkorlát nem fog működni. Ha jobban átnézzük, talán még más nehézségek is adódnak. Szóval vigyázz!

Diódából meg minél jobbat próbálj venni. 2db szimpla schottky (vagyis ezek többnyire csak gyors diódák) és meg van oldva a diódás kérdés. Nem javaslom a diódahidat , mert ahhoz tényleg át kell kötögetni a trafót. Illetve el kell vágni a földpontját.
(#) spgabor válasza szucsip hozzászólására (») Ápr 30, 2014 /
 
Igen, az a rajz az. A trafó variáláson a tekerést és az egyes kivezetések sorbakötését értettem. A földtől való leválasztást megcsinálom, ha kell. Viszont te hogy alakítanád a helyemben? Maradna a trafó két egyenirányító diódával? Hogy csinálnád a fesz és áram korlátot? Valamint ami eszembe jutott, hogy a nagyfesz oldalon ha csak az egyik táp prímer körét tartom meg helyspórolás végett, akkor a diódahídon, pufferkondin kívül mit cseréljek még? Puffert a duplájára, vagy kevesebb is elég? Szabályozott oldalt hol kössem össze, hogy a két táp kivezetései közös GND-re keröljenek és ne akadjanak össze?
A hozzászólás módosítva: Ápr 30, 2014
(#) szucsip válasza spgabor hozzászólására (») Ápr 30, 2014 /
 
Akkor menjünk sorba. (Negatív tápfesz előállításáról beszélünk.) Ha olyan igényeim lennének mint most neked vannak, akkor a transzformátor bekötését egyáltalán nem módosítanám, még a GND-t sem vágnám el. A vezérlő IC (amennyiben TL494 úgy biztosan!) képes negatív feszültségre is szabályozni, az IC adatlapjában fel is van tüntetve, le van rajzolva. A primer kört ne maceráld, az nem játék! Az áramkorláton még nem gondolkodtam...
Viszont a 0-tól való szabályozhatóság 10A -ig fokozatmentesen, az irreális elvárás.
(#) spgabor válasza szucsip hozzászólására (») Máj 1, 2014 /
 
494-es IC-vel szerelt a táp. Teszek fel képeket róla, hogy lásd miről beszélek. A prímert akkor nem közösítem, csak majd a tápcsatit. Az áramkorlát tartománya miért irreális?
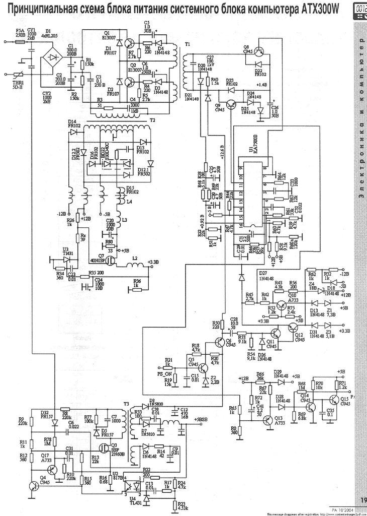
(#) DecebaL hozzászólása Máj 14, 2014 /
 
Aki megépítette az alábbi kapcsolást nem osztaná meg a paneltervet?
(#) pipi válasza DecebaL hozzászólására (») Máj 14, 2014 /
 
Hali!
ennek szerintem senki nem csinált paneltervet, az alkatrészek zöme fenn van az eredetiátalakítandó PC tápon, a felesleges kiműtött alaktrészek forrszemein meg nagyjából megépíthető a módosítás
(#) spgabor hozzászólása Máj 15, 2014 /
 
Sziasztok!

Szerintetek a két kínai banándugó aljzat közül melyik bírja jobban? Melyiket érdemesebb az átalakított tápra felszerelni?

Üdv:
spgabor

IMAG1620.jpg
    
(#) Joci77 hozzászólása Máj 16, 2014 /
 
...én a baloldalira szavazok...
(#) spgabor válasza Joci77 hozzászólására (») Máj 16, 2014 /
 
oké, köszi a megerősítést
A hozzászólás módosítva: Máj 16, 2014
(#) szili83 hozzászólása Máj 19, 2014 /
 
Sziasztok!
Lenne a képeken látható tápegységem.
A neten megtaláltam a kapcsolási rajzát is szerencsémre.
Ebből szeretnék kihozni valami szabályozható feszültséget. Mihez kellene nyúlnom. Vagy esetleg valaki egy kicsit elmagyarázná, hogy hogyan működik? Köszönöm!
(#) morzsa15 hozzászólása Máj 21, 2014 /
 
Sziasztok!
Olyan kérdésem lenne hogy egy pc tápot át lehetne valahogy alakítani feszültség szabályzósra olyan 0-20-25 voltig?
(#) Kovidivi válasza morzsa15 hozzászólására (») Máj 21, 2014 /
 
Szia. Át lehet.
De: ha van valami táplálva a 12V-ról, pl. vezérlő IC, vagy bármi, annak a táplálását meg kell oldani. Talán egyszerűbb megoldás, ha felhúzod a feszültséget 25V-ra, és utána raksz egy szabályzót. Mivel nem labortápot írtál, ezért a rövidzár védelmet maga a táp látja el, ha eltudja.
(#) morzsa15 válasza Kovidivi hozzászólására (») Máj 21, 2014 /
 
Értem és ahhoz kellene a pontos típusa a tápegységnek ugye?
(#) Kovidivi válasza morzsa15 hozzászólására (») Máj 21, 2014 / 1
 
Itt pont ugyanez a témakör kerül boncolásra. Ha visszakeresel a témában, itt is és ott is, megtalálod a válasz valahol elbujtatva!
A hozzászólás módosítva: Máj 21, 2014
(#) morzsa15 válasza Kovidivi hozzászólására (») Máj 21, 2014 /
 
Hogy keressem?
(#) Kovidivi válasza morzsa15 hozzászólására (») Máj 21, 2014 /
 
Elkezded a két témát olvasni, más ötletem nincs.
(#) szucsip válasza morzsa15 hozzászólására (») Máj 24, 2014 /
 
Üdv!

Igen, ha értesz az elektronikához, akkor minden bonyodalom nélkül át lehet alakítani. Ha ATX tápról van szó, akkor biztosan nem kell foglalkozni külön a vezérlő IC tápellátásával, mert nem a pufferelt 12V -os ágról kapja az energiát.

Viszont a fölös részeket ki kell gyomlálni. Különös tekintettel a TL431 -re (nekem egyszer gyúlladt már ki ilyen IC), mert azok a tápág(akk)al párhuzamosan van(nak).
A hozzászólás módosítva: Máj 24, 2014
(#) lala0606 válasza szucsip hozzászólására (») Máj 25, 2014 /
 
Sziasztok. bocsi hogy beleszólok, de
"Viszont a fölös részeket ki kell gyomlálni. Különös tekintettel a TL431 -re" ezzel nem igazán értek egyet, mert pont a TL431 felelős a SB-táp feszültségének a stabilitásáért. Én is pont most fejeztem be egy Codegen 300W-os átalakítását, és erről van hajtva a vazérlés és a kijelzés is, sőt még a ventillátort is rábíztam, ez össz-vissz kb 700mA, bőven belefér az 1A-es terhelhetőségébe. Két foto a végeredményről......
Következő: »»   147 / 200
Bejelentkezés

Belépés

Hirdetés
XDT.hu
Az oldalon sütiket használunk a helyes működéshez. Bővebb információt az adatvédelmi szabályzatban olvashatsz. Megértettem