Fórum témák
» Több friss téma |
Fórum » PC táp átalakítás
Elnézést, nem voltam elég pontos. Valóban szokott lenni programozható sönt az 5VSB részen is. Természetesen azt nem kell bántani. De sok tápnál szoktak tenni némelyik tápággal párhuzamosan TL431 -et, mert a szabályzás alapja a kimeneti 5V helyes értéke, esetleg a 12V és 5V együttes értéke. A többi kimenet megfutását pedig söntszabályzóval oldják meg. Na nekem egyszer ott gyulladt ki az egyik.
Egyébként abból a tápegységből forrasztóállomást csináltam. A hozzászólás módosítva: Máj 25, 2014
Nincs miért elnézést kérned, csak egy észrevétel volt.. Tudom hogy ez itt OFF de megkérdezhetem hogy egyen fesszel is jól működik a forr állomás, mert sok helyen olvastam, hogy 50Hz váltóról járatják a pákát. Én is akarok építeni egyet, még midég a jol bevállt szürke (Cseh) pillanat pákával forrasztgatok már több mint 30-éve. (Én is találkoztam már sok Pc-tápban több Tl431-el)
A hozzászólás módosítva: Máj 25, 2014
A fűtőszálnak teljesen mindegy, hogy egyen vagy váltakozó feszültséget kap-e. Sőt, én lentebb is vettem a fűtőfeszültséget a névlegestől, 24V-->17V mert viszonylag rossz a hőátadás a pákán belül, és ezzel mintegy a hőingást igyekeztem csökkenteni a hegyen. De ez itt már tényleg nagyon OFF
Üdv.
Akad a polcomon egy Seasonic SS-400HS Pc tápom. Ezt szeretném úgy átalakítgatni, hogy sorkapcsokkal kivezetem a táp házára a feszültségeket. Egy ismerős azt mondta, hogy az 5V-os ág terhelését figyeli a táp és az alapján szabályoz. Kérdés tehát, hogy az 5V-os ágát hogyan és mivel terheljem le? Illetve szeretnék egy A mérőt is beiktatni, gondolom ezt elég a 0-ra sorosan kötnöm? Válaszokat előre is köszönöm.
Pl.: 5 ohm 10 W ellenállással. Nem tudom mit szeretnél, (kifejthetnéd bővebben) de minden ágba kellene az árammérő szerintem. 0-ra nem lesz jó.
Szia!
Az a kérdés, hogy a negatív ágon át kell-e folynia az összes szekunder oldali áramnak.
Szerintem -bár nem tett eféle nyilatkozatot- több ágat szeretne használni egy időben. Ebben az esetben a 0-ba tenni az árammérőt értelme nincs, a felvett teljesítményről nem informál, mert áganként kellene figyelni az eszközök áramfelvételelét.Pl. nem mindegy, hogy 12V-on vagy 3,3 V-on vesz fel 30A-t.
Hacsak egyet, és kizárólag egyet használ, akkor mehet az ampermérő a 0-ba.
Az összes kivett áramról ad tájékoztatást. Ha neki ez elég, akkor menet a negatívba az árammérő.
Igen, külön-külön lesznek használva, csak. Tehát mehet a 0-ra.
![]() Az 5 Ω 10 W ellenállást hova is kell nekem kötni? 0 és +5V közé gondolom II-osan, vagy a +5V-ra sorosan?
0 és +5V közé.
Én 25 W-ot nem fűtenék el, pláne egy 10 W-os ellenállással.
Akkor pontosan milyen értékű ellenállás kell?
R(minimum)=(U^2)/P
Számold ki De az én matematikai tudásom alapján 5Ohm -tól nagyobb értékű ellenállás kell az 5V-os ágra, ha 5W -os ellenállatot használsz. Tehát mondjuk 5,6 Ohm, vagy ha nagyon bátor vagy, akkor 5,1 Ohm.
Üdv.
Összepakoltam egy másik tápot, a fentiek alapján, a feketére tettem egy analog A mérőt, a hátulján van egy - jel, onnan vezettem a sorkapocshoz a vezetéket. ráraktam egy 12V-os lámpát, erre a műszer elindul "negatív" irányba. Tehát nem azt mutatja, hogy pl. 0.5A-t zabál a lámpácska, hanem a skálával ellentétes irányba mozdul ki a mutató. Számít, hogy a mérő műszer melyik csavarjához teszem melyik vezetéket? Jelenleg: Táp-->( sárga, piros, barna ) sorkapocsra, Táp--> fekete --> műszer ( jelzés nélküli csavar ), Műszer ( - jelzésű csavar ) fekete--> sorkapocs. Lehet meg kéne cserélni a műszeren a 2 vezetéket?
Hát esetleg... Az állandó mágnesű műszerek polaritásérzékenyek!
A hozzászólás módosítva: Júl 13, 2014
Idézet: „Lehet meg kéne cserélni a műszeren a 2 vezetéket?” Biztos!
Üdv Uraim, egy PC tápot szeretnék átalakítani, 20-22V kimenő feszültségűre, az áramot nem akarom piszkálni mert az bőven elég. Kérdésem az lenne, hogy a védelmet ebben az esetben is megkell piszkálnom, ha csak a feszültséget akarom felemelni?
Azt a védelmet, amire gondolsz, azt nem. Viszont van néhány helyen söntszabályzó (TL431 ha jól tudom). Azokat érdemes megpiszkálni, különben szép sárga fénnyel fognak világítani.
Sziasztok!
Érdeklődnék, hogy számítógép tápokból bontott trafókhoz van jól bevált kapcsolás? 14V-os tápot szeretnék csinálni max 5A terhelhetőséggel. Helyszűke miatt akarok új panelt csinálni neki. Köszi előre is a segítséget. A hozzászólás módosítva: Aug 7, 2014
Üdv!
Kapcsolási rajz, és tervek nincsenek tokkal vonóval. Időnként felvetődik itt a fórumon, hogy jó lenne valami "univerzális" nyákterv alap funkciókkal, de mindig elhal az elgondolás, mert túl nagy munka.
Sziasztok!
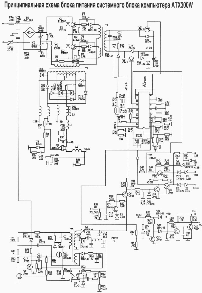
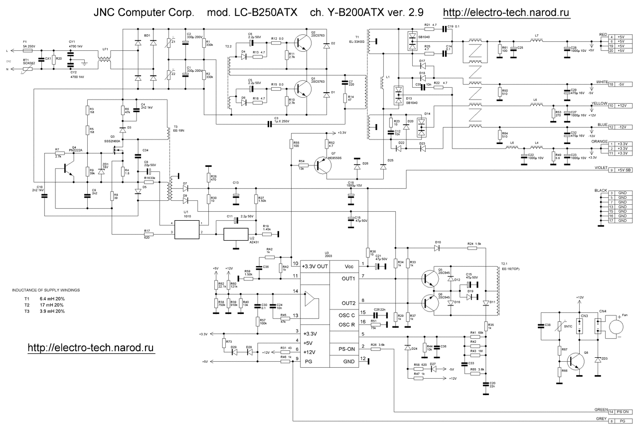
Kaptam 2 tápot, az egyik Mercury KOB AP4400XA 400W-os(ezt eléggé szétkaptam, de talán még menthető), a másik Codegen 300X 350W-os típus. Szeretnék 1 állítható feszültségű tápot, 30V-ig és 15-20 A kellene. Viszont a Codegen nem indul ( PS-ON a földön, +5V-on 1 led, +12V-on kb 5W terhelésnél villan egyet, a venti moccan egyet, aztán seképsehang, a lilán és a zöldön van +5V. Mi lehet a hiba? Melyikkel érdemes foglalkozni? A Mercuryban 2003 BA200060501H jelű IC van, a másikban SG 6105 DZ jelű. Ezt a két rajzot találtam, ami hasonló lehet. Mit kell átvariálni? Köszi a segítséget előre is!
Szia!
A Kodegányt elég lenne "átkondizni". De úgy az összes kondit cserélni. 99% hogy utána szépen fog menni. Viszont a 30V -ot 20A mellett felejtsd el.
Sziasztok!
A Codegen megjavult(hiányzott belőle 1 fojtó), viszont az sg 6105-ös ic-s tápot állítólag macerás állítható táppá átalakítani. Átgondolván a dolgot, elég lenne 13,8-14.2V és minnél több amper (15-25).Ehhez kérek segítséget, van-e vkinek rajza hozzá, úgy tűnik az eredetit megtaláltam, ez van a mellékletben.Köszi a segítséget, üdv.
igen, ha letöltöd az adatlapokat, minimális különbség van
Jó estét!
Szeretnék egy PC tápot használni barkácsolásaimhoz. Szépen működik is ahogy kell. A problémám a bizonytalanság, ugyanis amikor apám látja hogy babrálok vele (szép óvatosan egy fém csipesszel próbálom a PWR ON vezetéket földre kötni) akkor azt mondja, hogy ne nyúljak hozzá mert kapcsoló üzemű táp és az 5-12 V-os vezetéken lehet 220V is. Villanyász ismerősöm pont az ellenkezőjét mondja a 494-es (vagy hasonló) IC miatt, hogy az kivédi az ilyet. Még pár okos gondolattal valaki tudna segíteni, hogy megéri-e a folytatást?? Azóta egyébként egy laptop és egy AVR meg oldja a csipesz nélküli indítást.
Hello! Kis fogalom zavar van itt. Mert jól néznénk ki, (meg a PC is) ha a 12V-os kimeneten megjelenne a 230V.. De a földhöz képest (amin állunk) megjelenhet a hálózati feszültség egy része, ha a tápot nem egy védőfölddel ellátott konnektorba csatlakoztatjuk. Ugyan is a hálózat két pontja és a PC-táp háza között egy-egy kis kapacitású kondenzátor van. Így ha a táp háza földeletlen, akkor a tényleges föld és a ház (vagy bármely táp kimeneti pontja, révén hogy minden feszültségének egy pontja a házra van kötve) között, akár 115V is megjelenhet. De ez a kis kondi miatt inkább feszültség, mint áram. De azért csíphet.
Egyébként a hálózat kijutását a kimeneti kapcsokra nem az IC akadályozza meg hanem a tápban lévő transzformátor.. A feszültség szabályozásért felelős az IC. de az maximum felemelkedik (a rákapcsolt eszközök kalapjával együtt) ha nemszabályoz. De nem annyira, hogy az életvédelmi gondot okozna. Ha ez nem így lenne, akkor a PC-t is csak gumikesztyűben lehetne taperolni... A hozzászólás módosítva: Szept 1, 2014
Köszönöm a válaszod!
A földeletlen aljzatba dugott gép ismerős, találkoztam ilyennel. Az IC-ről nem sokat értettem abból amit ismerősöm mondott, valami olyasmi hogy ha meghibásodik megjelenik a nagy fesz lekapcsol...Nem is tudom már mi volt annyi infót zúdított rám. A lényeg hogy akkor babrálok tovább. A hozzászólás módosítva: Szept 1, 2014
Hello! Általában van a tápban túlfeszültség (és alulfeszültség) védelmi külön áramkör. De ez is az IC-t szabályozza le hiba esetén. Ha úgy hibásodik meg az iC, hogy nem hajtja a végtranyókat, akkor nem lesz semmi táp. Ha meg úgy, hogy azok "hajtva maradnak" akkor meg eldurran a bizti (meg a táp is). És ekkor sincs kimeneti feszültség. De ennek esélye kicsi. Amíg nem érted a belső áramkörök működését, addig egy kapcsolóüzemű tápon nyálazni felesleges..
|
Bejelentkezés
Hirdetés |





De az én matematikai tudásom alapján 5Ohm -tól nagyobb értékű ellenállás kell az 5V-os ágra, ha 5W -os ellenállatot használsz. Tehát mondjuk 5,6 Ohm, vagy ha nagyon bátor vagy, akkor 5,1 Ohm.








