Fórum témák
» Több friss téma |
Tehát akkor 6N137 vagy TLP521 kerül az adás vonalba, míg vissza beépítek egy 4N35-öt!
Az olvasáshoz elég a 4N35? Idézet: „Attól még, hogy ellenállásos a jel levétele, még nem lesz olvasható. Arra külön ACK szekvencia kell” A Paco-féle szervo rutinban van Ack kezelés, tehát azért tud olvasni. Nekem legalább is olvasott, míg a fényjelző modul visszadobta HIBA felirattal az olvasási kérést, de ugye, mint említettem csak egyirányú optokapu van benne! A fényjelző programban is van ACK rutin, tehát tudná elméletileg, ha lenne visszirányú csatolása. Visszacsatolni megtehetném, hogy egy ellenálláson és diódán keresztül visszavezetem a jelet? Vagy ez már nagyon vad elképzelés? A hozzászólás módosítva: Jún 24, 2013
"A fényjelző programban" Az az optós?
ACK szekvencia felépítéséről hol találok leírást? Mert érdekel, hogy egyik esetben miért fontos a sebesség (DCC 8kHz), míg visszafelé már nem.
Illetve miért fontos a vissziránynál a 4 diódás rácsatlakozás a DCC hálózatra? Mert, hogy levételnél meg rendre egyet találok a kapcsolásokban! Előre is köszönöm a segítséget!
Kedves Zsolt!
Én tudnék Neked küldeni egy saját készitésű és ezért kommentekkel bőségesen(gyakorlatilag minden sorban) ellátott DCC-vételi rutint (IRQ-ban veszi), amely segitene a megértésben, és egyúttal mentes is az itt emlegetett zajérzékenységtől, mert csak a szabványban meghatározott időablakokban fogad el jelszint-változást. Vagyis csak 52...64usec között, valamint 92.....200usec között. Sajnos én nem értek ahhoz hogy saját honlapot vagy tárhelyet létesitsek, viszont itt a hozzászólásomban meg nagyon sokat foglalna el a felkinált program. Ezért, ha érdekel csak küldj egy emailt ide: jamya711@gmail.com , és válaszomhoz mellékelem a programot. Maga a teljes program (melynek része az emlitett DCC-vétel) egyébként egy személykocsi-világitást vezérel. Margitai János
Köszönöm János a felajánlásod! Emailt küldtem.
Elküldtem az email-edre válaszként, de visszautasitotta. Már az "elolvastam-visszaigazolást is!
Újraküldtem innen a fórumból a cimedre, hátha sikerül. János EZT IRTA: This Message was undeliverable due to the following reason: Each of the following recipients was rejected by a remote mail server. The reasons given by the server are included to help you determine why each recipient was rejected. Recipient: <xxxx@xxxxx> Reason: 5.7.1 Service unavailable; Client host [62.179.121.31] blocked using dnsbl.sorbs.net; Currently Sending Spam See: http://www.sorbs.net/lookup.shtml?62.179.121.31 A hozzászólás módosítva: Júl 8, 2013
Sajnos azt látom, hogy a spam szűrő visszadobja az IP címet (osztrák UPC). Még egyszer megpróbálom a gmail-es címemről is! Több ötletem nincs...
A hozzászólás módosítva: Jún 29, 2013
Megépítettem az első dekóderemet és műxik a ROCO multimaussal. Igen egyszerű szerkezet,de lehet a CV-ket programozni és megy előre-hátra.Megvolt az első sikerélmény
http://www.dccdiy.org.uk/
Sziasztok!
ACK szekvencia felépítéséről hol találok leírást? Érdekel mi a menete. Köszönöm.
Köszönöm Uram!
Régóta csend honol itt a topikban, de most megtöröm egy kérdéssel.
Az az ötletem támadt, hogy a gyorvonati vagonokba DCC világítást építek, egyszerű panelra épített LED-es világításra gondoltam, és mivel a funkciódekóder 4 kimenetű, ezért a zár- és irányfény mellett a kabinvilágítást is két kapcsolható zónára osztanám. Aztán azzal találtam magam szemben, hogy a PIC tápellátását 5V-ról üzemeltetem, de a fehér LED-eket emiatt csak egyesével, külön előtét ellenállásokkal lehetne bekötni párhuzamosan. Viszont miért ne kapcsolhatnám a tranzisztorral egyszerre a zónát sorbakötött 4 LED-del, ezesetben kell ~12-14V. Ez a sínbe táplálva ott van, tehát minden rendben. Kérdés! Ha az egyenirányító után kiveszem a LED-ek meghajtásához a szükséges feszültséget, itt is (DCC rendszer) érvényes a váltóáram egyenirányításból jövő Uegyen=Uváltó*gyök2? Jól tudom? Az egyenirányításra használhatok SMD Schottky diódát (pl BAT54 széria,azzal építenék Graetz hidat)? Lehetne egyenirányítani akár tranzisztorral is, végül is két pn átmenetes dióda alkotja? Ez már csak ötletelés!
Nem, itt nem érvényes az 1.41-szorzó hiszen négyszögletes impulzusok vannak a sinekben. Egyenirányitáshoz gyors diodák kellenek mert kHz nagyságu frekik vannak a sinben. Viszont az egyenirányitás többnyire felesleges, hiszen ezt már megtetted amikor a PIC-hez csináltad a tápot, igy onnan csak ki kell vezetni ( gyári dekodereken a kék kábel, vagy forrasztopont a NYAKon.)
A hozzászólás módosítva: Szept 16, 2013
Tehát akkor mennyi lesz az egyenfeszültség? 14V?
A PIC 5V-ját stabilizátorról veszem le, ami szintén a panelen van. De a kérdés a LED-ek meghajtására vonatkozik!
Igen 14-16 V lesz attol függ mennyit ad a booster.
A PIC 5V-t is a sinekböl kapod, azaz a stabi elött már ott az egyenirányitott sinfeszültség ahonnan a LED-ket táplálhatod. A hozzászólás módosítva: Szept 16, 2013
Köszönöm szépen, akkor ezzel meg is vagyunk.
Még egy kérdés. Az 5V Vdd-t, ha Zener diódával csinálnám meg a PIC-nek, melyik típust válasszam inkább az 5.1V-ost vagy a 4.7V-ost?
5.1V-st
JZoli!
Az alap programot/ötletet innen vettem-olvastam. Az elektronika nem nagy, egy komparátor, és egy tranzisztor illeszti a DCC (loconet) jelet a mikrovezérlő be/kimenetére. A programot tekintve, az "eredeti" (linkelt) nem nagyon tetszett, ezért az alapokat megtartva írtam egy sajátot, ami még jócskán tesztelés alatt áll, ezért nem szeretném még közzé tenni.
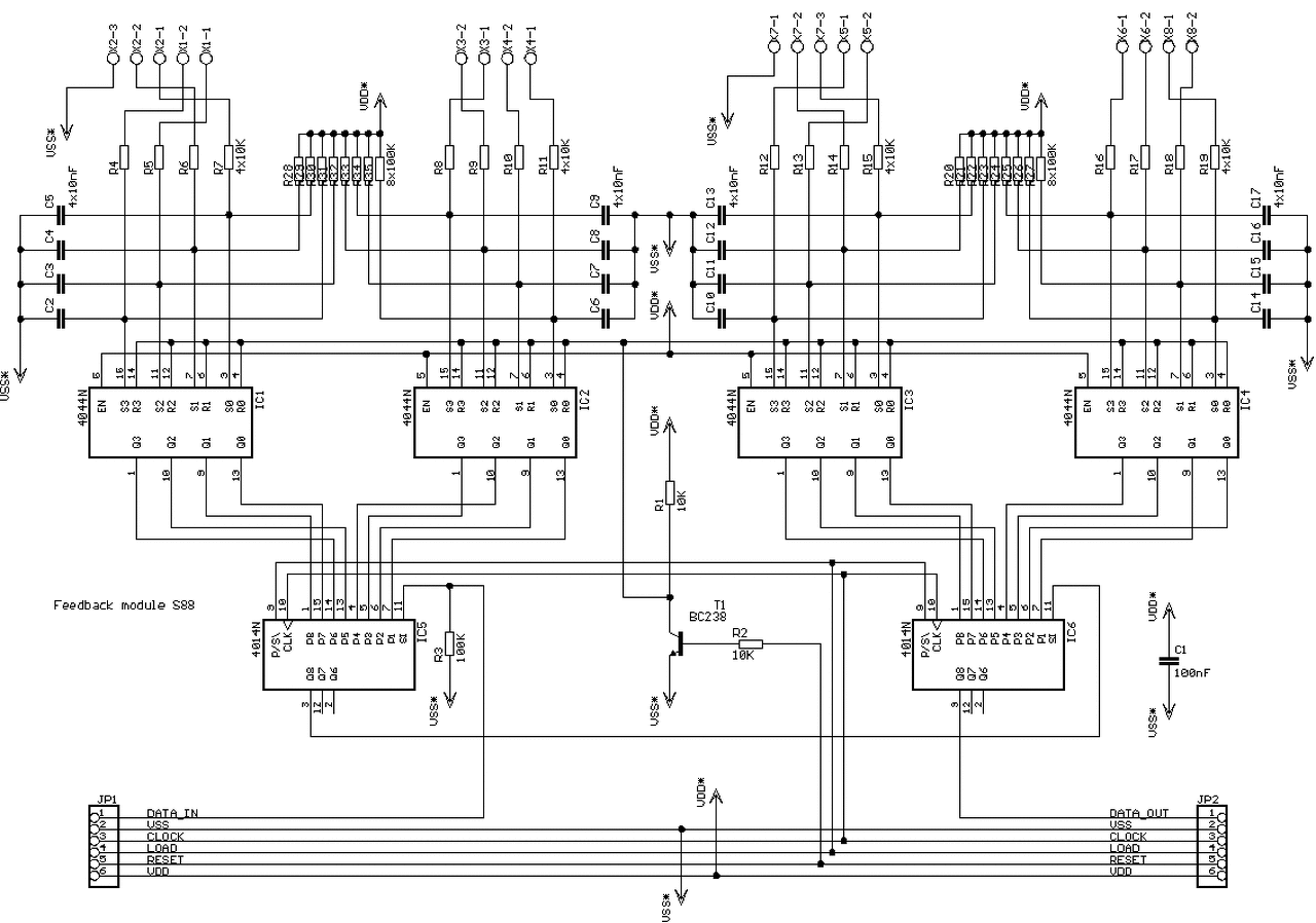
Segítséget kérnék. Vásároltam egy Digitools PC illesztőt és szeretnék építeni hozzá S88 visszajelző modult. A csatolt képen látható kapcs. rajz használható lehet?
Ha veszed a fáradtságot és a hobbivasúton feltett kérdésedre megnézed mi volt a válasz, akkor ezt ide már nem kellett volna feltenned!
Bocs,megnéztem,de valahogy átsiklottam felette
Megint van itt valami...ha Valakit érdekelne. Egyéb vezérlésre használt mikrovezérlős áramkörömben maradt 1db még fel nem használt kimeneti port, és ennek az egyetlen lábnak a felhasználásával egy pályamenti kisebb falu házainak világitását, vagy egy nagy állomás különféle helyiségeinek világitását(ez van nálam) kapcsolgathatom vele, mégpedig véletlenszerűen (álvéletlen, persze!), például 2 percenként. Kapcsolási rajzot mellékelem.
Az ábrázolt kiépitésben 16 lámpát kapcsolhat, de tovább bővithető a 4094-es IC 9. lábáról. A jumpert "parallel" állásba téve csak 8 bitet kell kiküldeni(a programom most ezt tudja), ekkor mindkét 4094 ugyanazt a véletlenszámot gyújtja ki(de ez nem látszódik, hiszen más-más lámpák kapcsolódnak hozzájuk). A jumper "serial" állásában más-más véletlen-bájtokat kap a két IC, ekkor azonban 2db véletlenbájtot kell generálni a programban és ezt a kettőt(vagyis 16 bitet) kell kiküldeni a porton(ez nincs megirva), és igy kétszer annyi ideig tart. De a kapcsolásban szereplő időzitéseknek csak az egymáshoz való aránya a kötött, abszolút értékük nyugodtan rövidithető, az IC-k bőven birják. Nálam bőven állt rendelkezésre idő, ezért 4msec alatt viszek át 1db bitet. Az a kis kapcsoló(NC-C-NO) csak a lámpák teljes kikapcsolására szolgál nálam. A NYÁKot nem tilos szebben megcsinálni! ![]() A szükséges programot nem nagy munka elkésziteni: időnként(nálam most 2 percenként, de pl. CV-ben beállitható) [ál]véletlenszámot kell generálni, és azt a megfelelő időzitéssel(a közölt kapcsoláshoz igazodva ez most: 1-es bit=1msec / 0-ás bit=3,5msec) kiküldeni a portra. Mivel nálam ez a kis programrészlet egy jóval nagyobbnak a része, ezért abból kivonatolnom kéne ide. Bocs, de ezt csak akkor csinálnám meg, ha a közölt kapcsolás tényleg érdekel valakit. Akkor irjon publikus email-cimemre, és szivesen megküldöm a kapcsolást működtető program-kivonatot(PIC-re), bőséges megjegyzésekkel ellátottan.
Szia János,
ezt a képet fel tudod tölteni egy olvashatóbb, nagyobb méretben? Megnézegetném.
Itt valóban elég rossz. De nem vagyok egy nagy PC-bűvész, nem tudom hogyan kéne ide jobb minőségben feltölteni. Levelet küldtem, ahhoz mellékeltem. Remélem átmegy.
Közben elkészült a kód kivonatolása is, ide mellékelem.
Szia,
pontosan egy "véletlen" szerű makett ház világítás vezérlést keresek. Ha megkérlek elküldöd a részletesebb leírást? Köszi.
Egyik volt főnököm javasolta, végy egy rádióvevőt ennek a zaja tökéletes véletlenszám generátor bemenet. Itt lehet annyi elég, egy üres bemeneten egy darab vezeték mint antenna.A szintváltozás kellően zavaros lesz. Ezt számlálva elég sok fajta jel előállítható, a bemenet funkciója szerint.Akár még egy közeledő mozdonyt is érzékelhet, ha nem túl jó a zavarszűrése.
Egy zéner is jó zajgenerátor. Megfelelő erősítés után számolgathatod.
|
Bejelentkezés
Hirdetés |












