Fórum témák
» Több friss téma |
Fórum » Házilag építhető fémkereső
Én amikor ezt megépítettem, akkor mindent egy irányba tekertem. Sokat ne várj tőle, nem túl érzékeny cucc.
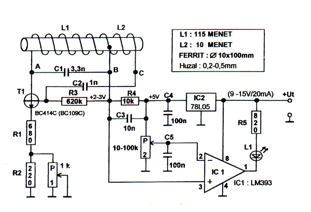
Az eredeti rajzon van egy hiba. Az L1 bal oldali vége legyen a Tr kollektorán, ez a tekercs meleg pontja. A fotón látható L2 túl messze van. Az 5 menetet tekerd bele az L1 utolsó 5
menetébe, (vagyis a táp oldali végébe) A menetirányoknak nincs jelentősége, csak az 5 menet végeit kell úgy bekötni, hogy rezegjen. A kollektoron lévő dióda kis visszáramú legyen pl. 4148. Még folytatom, ha elindult.
Üdv mindenkinek ! Én pont most építem ezt a fajta keresőt. A kérdésem az hogy a Faraday rés az szigorúan 3 mm ,vagy esetleg lehet 1 - 2 cm is? Köszönöm.
A hozzászólás módosítva: Jún 28, 2014
Nem akart így sem beindulni. De most már nem is fog. Szkóp kábele lecsúszott, és azóta melegszik a 741-es IC.
Több nincs itthon.Azért köszi a segítséget. DaviS írta is, hogy gyenge... Közben találtam egy másikat: Bővebben: Link Ezt érdemesebb? Vagy mit tudtok ajánlani? Közben találtam egy 10*90-es ferritet.
A rajz meg a videó alapján én inkább fektetnék energiát valami bejáratottabb típusba.
Nem tudom, mit jelent a gyenge, egy pinpointer nem használható ha túl érzékeny. Egy 1Ft-ra 2-3cm már elég, különben nem találod meg vele a tárgyat.
A rezgés beindítása mindegyiknél kritikus.
2cm alatt volt az érzékenysége az 1Ft-ra, ha érzékenyebbre állítottam már a talajra is jelzett. Bár nehéz eltalálni hogy lehet a legérzékenyebbre készíteni a tekercset.
Mindegyikre igaz, hogy a tekercs kialakítása egy kritikus kérdés. Úgy erdemes megcsinálni, hogy a tekercseket lehesen mozgatni, ezért én egy papírt szoktam alátenni. A rezgés beindításához és az érzékenység beállításához is jó ez a módszer.
Na végre elkészült a Delta Pulse-om. Köszönöm mindenki segítségét itt a fórumon. A gép nyakba akasztós, a nyél tömege fejjel együtt 1720g. Szerintem ez nem sok. A fej hosszát lehet állítani. Mondjatok véleményeket.
Tapasztalat azt mutatja, hogy kevésbé fárasztó az egyenes nyél, Mateatek hőlégfúvóval szépen kiegyenesített egy ilyen mankót, én 32-es csatornacsövet használok a szár felső részéhez, jól ragasztható, könnyen formázható melegítéssel, bár nem olyan esztétikus, mint a mankó. Egy kerékpár nyeregcső gyorsbilinccsel rögzítem.
A fej vezetékhez nem tudom, mi az a vékonyka kábel, de a PI nél minnél kisebb a kábel kapacítása és ellenállása, annál jobb a fej hatásfoka, ezért használnak gyakran síma villanyvezetéket, zavar, zaj szempontból az RG58, vagy jobb, de nem vékonyabb koax az előnyös. Kíváncsi vagyok, hogy válik be. Írj majd adatokat!
Ugyanaz az aggályom, mint Yowie kollégának. A vékony vezeték nagy kapacitása, és valószínűleg nagy ohm-os ellenállása. Ezért szkópon meg kellene nézni az erőstő ic. kimenetén a válaszjel csillapítását, nincs-e nagy csillapítatlanság, vagy belengés.
A hozzászólás módosítva: Jún 29, 2014
Pedig az nem annyira vékony kábel, valószínűleg RG58-as, én wifi antenna hosszabbítóból vágtam le. A gond az különben ennél a Deltánál, hogy nem szabad egyenes nyelet használni, mert akkor a mankó fém nyelére is jelezni fog. Így hogy szögben áll, így nem jelez. A pontos teljesítményét még most sem tudom, mert tele van a lakás fém tárgyakkal, ezért nem tudom maxra feltekerni a potmétert. Ezt majd csak terepen fogjuk megtudni.
Hamar feladtad!
Én összeraktam egy próba panelon és kitűnően működik. Az 1€ (vas) és az 1Ft 30-40 cm ről is jelzi. A változtatások: 1k8 helyett 1k 5k poti 2k, és tengelyes. Az L2 10 menet szorosan az L1 pozitívon lévő végéhez. A tekercs első menete 5mm legyen a ferrit végétől. A ferritnek a tekercses felőli vége az érzékenyebb, ez legyen elől. A potival fínoman gyújtsd ki a LED et, és mehet a keresés. A freki 150 KHz. Üdv. A hozzászólás módosítva: Jún 29, 2014
30-40cm? Nem írtad el?
Bocs elírtam, helyesen 1 cent és 30-40mm.
A hozzászólás módosítva: Jún 29, 2014
Ez remek távolság levegőben, én is el tudtam érni ilyen távolságokat, de ez után nálam már a talajra is jelez, sőt már attól is sípol ha a kezemet a tekercsre teszem.
Az teljesen jó. Ha nagyobb az érzékenység, akkor az ember csak turkál a földkupacban, legalábbis nekem nem jön be az érzékenyebb.
Igen feladtam, mert nem akartam venni új IC-t, meg a ferritem sem volt jó.
Viszont elkészítettem, amit fentebb linkeltem BC413B-vel, és elsőre szuperál, szóval összeforrasztottam, tekercset megtekertem, beállítatlanul a vasfogómra, 50 filléresre 4cm-től már pislákol, ezüst medál pedig 1,5cm-től. Most megnézem, melyik poti mit csinál. Csak most nagy a boldogság, mert működik! A tekercset egy műanyag vízvezetékcsőbe raktam ,és kiöntöttem viasszal.
Szuperál, már be is dobozoltam. Kapott egy zümmert is, 555-sel meghajtva.
Lehet, hogy nem a legszebb, de stabil, és a célnak megfelel. ![]() Csatolom a nyák tervet is, hátha valakinek jó lesz majd. Az 1k-s potival mit kell beállítani? Köszönöm.
Megatron alkatrészlistával bíbelődők, ez az orosz nyelv nagyon nem fekszik ilyen téren
![]() ========== Резисторы переменные ========== R10 : 47 k [СП4-1 или аналог] R60 : 1 k [тип СП5-35Б, СП5-39Б, СП5-44 и т.д.] Zárójelben található pontos típusokat valaki megtudná nevezni?
Üdv!
R10: 47 K [SP4-1 vagy azzal egyenértékű] R60: 1 k [type SP5-35B, SP5-39B, SP5-44, stb] Ezek orosz potik, és elég jó minőségűek. Ha a cirill betűs típusokra rákeresel googleben, mindegyiknek megtalálod az adatlapját.
köszi! Beszerzés akkor egyenlő a nullával, marad helyette más poti, melyik lenne a legjobb választás?
MC10: КР1170ЕН6 MC4 : КР1171СП64 + Helyettük is kellene valami spéci orosz dolgok kifogtak rajtam...
КР1170ЕН6 helyett szerintem egy 78L06 megfelel, lábkiosztás nem biztos hogy ugyan az.
КР1171СП64 pedig csak alacsony tápfeszre figyelmeztet, ez elhagyható.
ok, viszont a tápfesz jelzőt nem szeretném kihagyni
Az egy 6,4V-os alacsony feszültség érzékelő, tehát ha a fesz a bemenetén 6,4V alá csökken akkor a kimenetét földre köti. Szerintem egy 4,5V-os reset IC vel kiváltható, ilyet könnyebben be lehet szerezni.
Légy szíves tedd fel ezt a Megatron rajzot. Kösz.
pár dolgot találtam a nyákrajzban amit nem értek, majd később linkelem hátha valaki tud segíteni :]
Mellékelt képen rózsaszínnel jelöltem, amit nem igazán értek.
-C36 jelölésű kondi 2 helyen szerepel, balra lévő mintha bizonytalan lenne vagy csak elfelejtették berajzolni stb -sa2 kapcsoló pontos típusa nincs megnevezve -C32 : 4,7 mF [kerámia] nyákterven ezt smd-t takar, abban kapható ilyen értékű? Nem találok csak azért kérdem. Kondiknál amúgy is több ritka darabot véltem látni, remélem elérhetőek lesznek valahol. -alul 2 jelöletlen smd kondi is szerepel Egyenlőre ennyi, ami nem világos. Előre szólok kezdő vagyok! Ne állj neki, vegyél boltba stb hozzászólások nem érdekelnek.
Össze kell vetni a rajzzal, lehet hogy vannak benne hibák. A ruszkik az m betűt néha a mikro-ra használják pedig az a milli, azaz az 4700µF ami nem valószínű. SMD-ben még 22µF is van, tehát a 4,7µF az reális.
|
Bejelentkezés
Hirdetés |





Több nincs itthon.



A tekercset egy műanyag vízvezetékcsőbe raktam ,és kiöntöttem viasszal. 















