Fórum témák
» Több friss téma |
Hi
LED-es kivez.jelzőhöz melyik elő erősítőt ajánljátok? (3,9mV-os jelet kéne erősíteni) köszi.
Üdv mindenkinek!Egyszerű tranzisztoros előerősítő kapcsolási rajzot keresek.
A segítséget előre is köszönöm. :yes:
Üdv!Hasonló eccerűen megépíthető tranzisztoros előerősítő kapcsolási rajzot keresek.
Bővebben: Link A segítséget előre is köszönöm. :yes: használd a linkelés funkciót! javítva. szabi83
Idézet: téma ide áthelyezve! „Előerősítő rajz”
Kép: Hivatkozás
ez a hobbielektronika 2000 / 4 -es számban megtalálható, nyák, kapcs, leírás, stb.. Ha konkrétan az kell amit belinkeltél, azt megtalálod a csatolmányban :nezze: szeva :yes:
Üdv!Van egy nagy kb 2x300w-os végfokom.Kiment benne az előerősítő,így nagyon halk.2db ua741 es ic hajtotta.Sajnos 2db ellenállás szétégett és fogalmam sincs mekkorák lehettek.Ezért szeretnék az erősítőbe új előerősítőt építeni.Valami egyszerű kellene.Ha tud valaki rajzot küldeni megköszönném. :yes:
A gyüjtemény/kapcsolások/audio..1/szélessávú erősitő jó lenne hozzá?(mert valami egyszerű kéne) Vagy valami ötlet?
Le tudod fényképezni a nyákot mindkét oldalról?
Hali!
Szerintem rakd össze próbanyákon, és próbáld ki. Sokféle kivezérlésjelző létezik, így nehéz megmondani, hogy ami neked van, ahoz jó-e. Valóban elég egyszerű, nem nagy ráfordítás, de ha kevésnek bizonyulna legfeljebb módosítol rajta. Vagy esetleg próbálj meg egy műveleti erősítőt. Üdv.
Sziasztok!
Nézelődtem nagyon-nagyon, de nem találtam olyan kapcsolást, mely a számítógépből kijövő jelet fel tudná erősíteni (potival szabályozhatóan) olyan 2-6voltra. TL071-et, vagy TL072-őt szeretnék hozzá használni, de ha másik IC-vel van megoldva, az sem baj. Kimeneti impedancia nagy, Kiloohm nagyságrendben van. (TDA2052-höz lenne). Köszönöm a segítségeteket! Semmilyen hangszínt szabályzó dolog nem kellene bele. (Ez volt a legfőbb probléma, mert ha találtam egy jó előerősítőt, és volt hozzá hangszín is, nem tudtam, hogy a kapcsolás melyik részét kellene megépíteni, hogy CSAK előerősítsen...) Köszi!
Sziasztok!
Én egy ilyet készítettem most. Ez egy JLH terv eredetileg, én minimálisan módosítottam. A rajzon egy csatorna van, a panel persze sztereo.
Köszönöm!
Végre egy jó rajz! És erről mit lehet tudni? mekkora jelet fogad maximálisan, és mekkora a max. kimenő jele? Köszönöm szépen!
Hali!
Teccik a nyákod! Jól össze van zsúfolva! Sztem szép! Grat!
+-10V a kimenőjele kb. de ki kell próbálni, a bemenőjele a tápnál nem lehet több, azaz +-12V. De ez teljesen érdektelen adat, mert ez nem analog erősítő, és nem ilyesmire fogod használni, ha jól sejtem!
Az R1-el beállítod a maximális kimenőszintet a bemeneti jeledtől függően, és ezt a potival szabbályzod használat közben. Az R1 maximális értéke 1M, de inkább 470K. Ha nagyobb erősítés kell, két egységet kell egymás után kötni. De feltételezem a bemenő jeled valami MP3-ról(ja most látom, hogy PC-ről) vagy ilyesmitől származik, ezért erre nem lesz szükség. A TDA-nak nem kell 6V! elég neki max 1!!!
Köszi szépen!!
Még valami! A rajzon elírtam az 1000µF-os kondik feszültségét! Azok 25, vagy 35V-osak kell legyenek! (Ezért nem szeretek ide feltenni képet, mert nem lehet módosítani! Legközelebb inkább belinkelem!
)Hogy ne a levegőbe beszéljek: Előerősítő_TL071-el_Javított!
Hello!
Sőt, láttam egy oldalon, hogy már 0.5v-tal is ki lehet vezérelni teljesen a tda2052-t, de nekem ekkora jellel semmit sem szól. Az alkatrészek értékei megfelelőek, minden jó (elvileg), mégis szüksége van a nagyobb jelre a bemenetéhez, hogy szóljon is... Megépítem a kapcsolást, és két potit rakok bele. egyikkel be tudom majd állítani, hogy mekkora legyen a max. jel (tehát torzítás nélkül), a másikkal meg ebben a tartományban tudom a jel nagyságát szagályozni. Köszönöm a rajzot (a tápot úgyis fejből raktam volna össze, így a kondi nem zavart volna be)!
Szerintem mérd meg az ellenállásokat és nézz utána másik rajznak, lehet, hogy valamelyik érték el lett írva, vagy gyári hibás egy ellenállásod a TDA-n!
Már sokxor átnéztem, ugyanaz... Az adatlapjában van 2rajz is, ugyanazokkal az értékekkel, majd keresek másikat is. Köszi a tippet (egyébként inkább feladom a keresést,é s építek hozzá egy egyszerű előerősítőt
, az egyszerűbb... bár nem adom fel!)
Udv,
A helyzet az, hogy ez a kerdes igy nem pontos es megfelelo valaszt sem lehet adni ra. Ugyanis az eloerosito kivalasztasaban termeszetesen szerepet jatszik hogy milyen vegfokod van, de az elsodleges szempont hogy minek a jelet szeretned felerositeni a vegfokod szamara. Ez nagyon nem mindegy mert egy mikrofonhoz, gitarhoz, regebbi radiohoz vagy lemezjatszohoz mind mas-mas elofok szukseges (amik kapcsolasban ugyan megegyezhetnek, de kulonbozo parametereikben igen elteroek lehetnek)! Szoval a kerdesed kicsit pontosabban igy szolna: van egy X jelforrasom aminek a jelet szeretnem felerositeni egy TDA2030-as vegfok szamara. Ehhez keresek egy egyszeru elofokot. Es ha meg azt is el tudnad mondani, hogy mekkora nagysagu jelet kellene felerositeni, akkor aztan mar minden info meglenne hogy egy egyszeru es jo elofokot keressen az ember
Néhány hsz-el előrébb belinkeltem egy teljes kapcsolást. Annak erősítését könnyen állíthatod bármilyen bemenethez ami nem lemezjátszó és nem mikrofon.
helló
Dvd-hez lenne kötve szub erősítőnek mert van ralyta ilyen kimenet
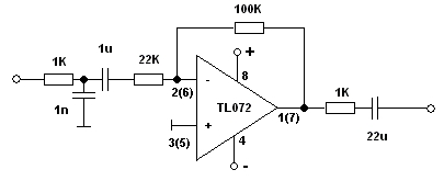
hellósztok
van ez az előerősítő kapcsolás és azt szeretném kérdezni hogy nagy baj lenne ha mindíg csak az eggyik lábára kötnék valamit nem pedíg így mint pl:3(5) hanem csak a 3-as lábára és kész működne így is? Köszi
ok kösz akkor elég lesz ha csak így kötöm be
Pesze! Ez csak azt jeleni, hogy kötheted arra is, meg erre is. Mert ebbe az IC-be 2 ilyen "háromszög" van. Ez az egyik (mono) csatorna. :yes:
|
Bejelentkezés
Hirdetés |




A segítséget előre is köszönöm. :yes:
:yes:



)





