Fórum témák
» Több friss téma |
Fórum » Elektroncső
Sajnos olyan pont nem akad itthon,ezért is volna könyebb egy régi rádió hálózati trafója mert az ugyan ezeket a feszültségeket tudja.
Jó estét.
Készíttetem egy hibrid erősítőt (dobozolás később) CHZ- féle működik szépen de ma az egyik csatorna elkezdett sípolni megcseréltem a 2 csövet a sípolás is cserélődött kicseréltem és megszűnt. A cső 6zs9p-e és teljesen új volt nálam kb 40-50 órát ment eddig. Tisztelt fórumtársak találkoztatok -e már ilyen jelenséggel és mi okozhatja, vagy egyszerű csőhiba? A hozzászólás módosítva: Júl 13, 2014
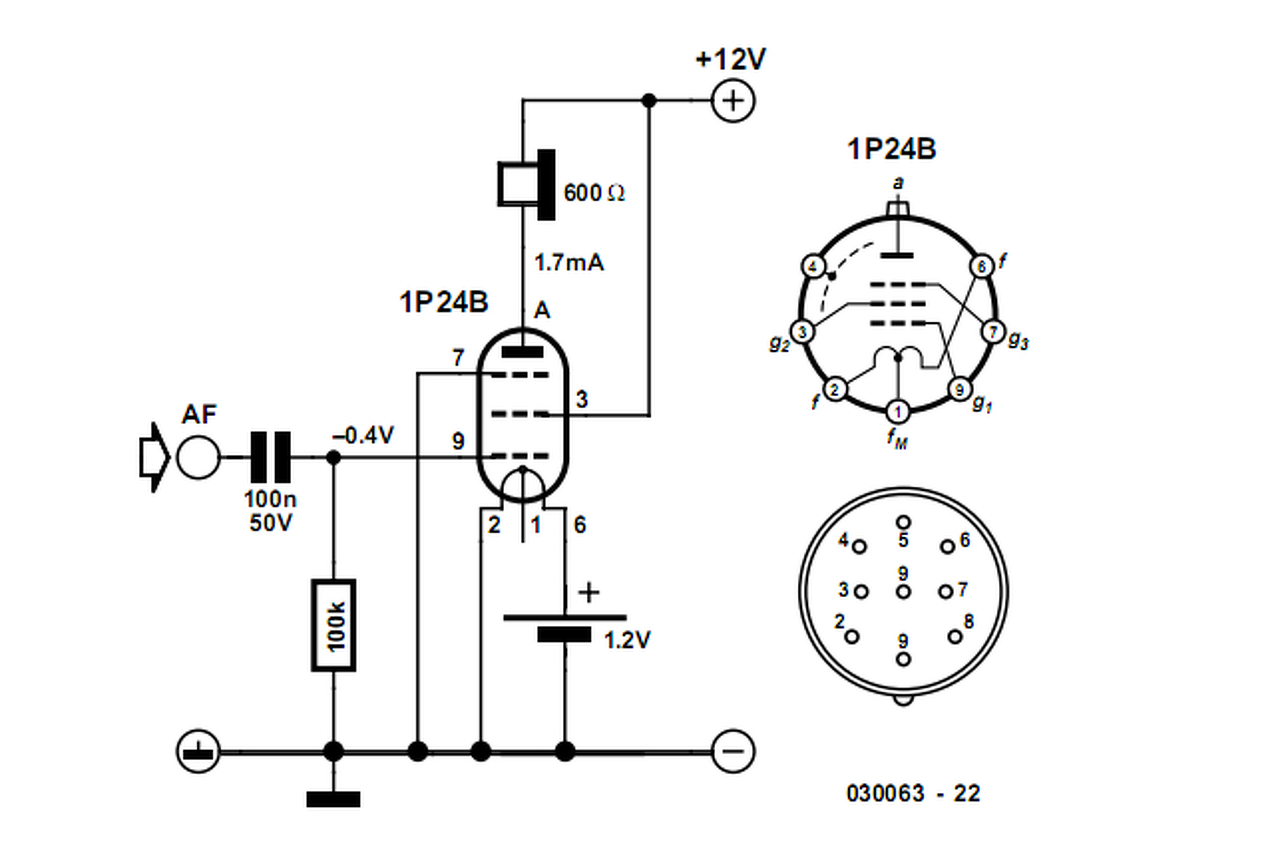
Szép estét. Olyan kérdésem volna hogy ebben az áramkörben lehet-e az 1P24B csövet helyettesíteni 1J24B-V típussal?
Biztos, hogy "J"?
Próbáld leírni cirill betűkkel, a Karaktertáblából másolhatsz ki ide. De nagy valószínűséggel nem, mert az a betű ott a csőrendszerre utal, ami meghatározott az oroszoknál, melyik melyiket jelenti. De mindenekelőtt a rendes orosz betűs felirat kéne.
Egy pillanat és megpróbálom leírni.
![]() A válasz így néz ki: 1Ж24Б ez a cső típusa ami rá van írva. A hozzászólás módosítva: Júl 15, 2014
Ne fáradj.
Kitaláltam, hogy 1Ж24Б-В. Rossz hírem van. A "P" az teljesítménypentóda, a "Zs" meg csak "sharp cutoff", azaz egyeneskarakterisztikájú feszerősítő pentóda. A kettő nem keverendő, mert amit megadtak a rajzon anódáramot, az a "Zs" esetében már túl van a megengedhető legnagyobb katódáramon - és ugye ez esetben a segédrácsárammal együtt értendő, ami a P esetében még hozzájönne. Tehát ne keverd. Upd: mellékelek egy infós pdf-et, hogy melyik orosz cső micsoda. A hozzászólás módosítva: Júl 15, 2014
Bocsánat csak nem értem a ciril szöveget. Nekünk iskolában ma max angolt és németet tanítanak. Nekem viszont mint kiderült a -B jelzés nincs utánna. Ez befolyásol valamit?
Az1P24B-V (1П24Б-В) végpentóda, az 1ZS24B (1Ж24Б) nagymeredekségű nagyfrekvenciás pentóda. Döntsd el magad, hogy helyettesíthető-e. Más lehetőség nincs.
A hozzászólás módosítva: Júl 15, 2014
Kiegészítettem a hozzászólásom az imént egy csatolt file-jal. Nézd meg azt is. Angol, német, menni fog
![]() Nem baj, ha nem érted a cirill szöveget, de ha szabad kérnünk, akkor a cirill betűket másold le, mert az angol átirat becsapós lehet. Meg van, aki a Н-t (ami N) H-nak (há) veszi, van aki a Х-t (ami Há) X-nek (iksz), igazodj ki... A Ж-t (Zs) írja az angol J-nek, Z-nek, Zh-nak... Keress, ha bírsz, mikor az orosz oldalak a cirill betűkkel simán dobják a találatokat. Upd: a -B vég nem gond, az csak a különlegesebb, strapabíróbb kivitelt jelenti többnyire. A hozzászólás módosítva: Júl 15, 2014
Mint kiderült az én csöveim sima 1Ж24Б,miben külömbözik tőle a -B -s vezió? Nem igazán tudom eldönteni hogy képes-e helyettesíteni mivel a csöves elektronikában nem annyira vagyok jártas. Ezért is kérdeztem.
![]() _BiG_ : Köszönöm a csatolmányt még a jövőben nagyon sok mindenre lessz jó ez a kis táblázat.
Ha jól tudom, az egy strapabíróbb, talán katonai kiadás, hosszabb üzemidővel, javítsatok ki ha tévedek.
Vibrációálló, katonai, a mellékelt táblázat tartalmazza a megfejtést
Szívesen
![]() Remélem a választ is olvastad, hogy nem helyettesíthető a nagyobb teljesítményű pentóda a másikkal. A Zs nem fogja bírni.
Csak most csatlakozam be, valahogy átfutottam rajta, hasznos kis táblázat
Ezeket a csöveket mire tudom felhasználni akkor? Van itthon belőlük 5db.
Csöves rádióba KF-erősítőnek jó lehet - pl az EF80, EF84 voltak használatosak nálunk ilyen feladatra.
Megpróbálhatod hangfrekvenciás előerősítőnek is, olyan helyen, ahol EF86, 6AU6 volt használatos - bár nem erre való.
Esetleg egy ehhez hasonló kapcsolásra gondoltál?
Igen, ilyesmire - bár nem tudom, hogy viseli ezt az "éheztetett" üzemmódot (24V anódfesz).
Köszönöm. Majd holnapi kísérletezés alkalmával kiderítem.
KF-erősítőnek nem igazán jó, mert nem szabályozható, hanem "sharp cutoff".
Hangfokozatba előerősítőnek, vagy rádiófrekis előkörnek jó.
Ezeket a csöveket hordozható adó-vevőkben használták, az 1ZS24B -t mindenhová, RF, KF, hangfrekvenciás erősítés stb. Az 1P24B -t pedig RF, és HF végfokokba. Hangfrekvenciás végfokokban találkozhatsz nég a 1Ж29Б-В csővel is.
FM rádiókban a nagy erősítés a lényeg, szabályozni nem kell.
Szevasztok!
Van egy EZ 2/3 feliratú csövem; ez most 60, vagy 100mA-t bír?
Köszönöm, ezt láttam az adatlapról; de miért 2/3? Miért nem 2(60mA), vagy 3(100mA)?
Meg kellene nézzem a Röhrentaschenbuchban, de mivel a 3-as cső utódjának hirdeti a net, illene azt is tudnia, amit az tudott.
Köszönöm, így már világos.
Nekem csak Frank's e.T. van a gépen. A hozzászólás módosítva: Júl 22, 2014
|
Bejelentkezés
Hirdetés |






Nekem csak Frank's e.T. van a gépen. 




