Fórum témák
» Több friss téma |
Fórum » Skoda Octavia elektromos probléma
Bővebben: Link
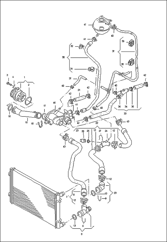
Ezt nyisd meg. GIF kiterjesztés. Igen, erre gondoltam én is. De nem lehet megcserélni, nem ér el keresztbe. ![]() kerygsxr készített fényképet ahogy látod, a jobb oldali cső (ami a termosztátról jön) neki is a hűtő aljára megy. Az alkatrész katalógus szerint viszont felülre kellene. Nem tudom mi lehet, teljesen tanácstalan vagyok... A hozzászólás módosítva: Szept 9, 2014
Én a lefújó szelep megnevezésnél két dologra gondolok. Az egyik a légrendszernél lévő tartálynál a maximális nyomás tartása, illetve az autódnál az üzemanyag nyomására gondolnék. Te esetedben a nyomástartó szelep hibájára gondolnék, és a nyomásokat nézném meg. Tápszivattyú mennyit nyom, visszafolyó ágban egyáltalán van-e visszafolyás, befecskendezőnél mennyi a nyomás, és a visszafolyó ágban mennyi a nyomás.
Lehet tévedek, de ezt a luxust megtartanám magamnak.
Szia! Hát ez az, hogy jön ide akkor a MAP és a V60-nal összefüggésbe hozható hibabejegyzés?
Folyamatban van egy nyelvtudással rendelkező interjúvolása, talán többet tudok estére és a csöveket is átnézem amennyire tudom. A CO még mindig rejtély. A fékszervóra menő cső nem okozhat hasonló gondokat ha az volna kitörve, elrepedve?
Szia!
Alapjáraton járó hideg motornál a gyanús helyekre odafújsz egy kis féktisztitót. ha valahol falsol, azonnal észreveszed.(Ésszel és kicsiket fújj, mert azért a tűzveszély megvan ilyen mutatványoknál).
Még valami a problémámmal kapcsolatban.
Ahogy említettem, a városban nincs gond a vízmelegedéssel, csak folyamatos gyorsmenetben (pl. autópálya). A hűtőn lévő felső csövet nyomogatva érzem, hogy van benne levegő (szürcsög, kluttyog, nem tudom másképp megfogalmazni), azaz lehet, hogy mégis levegő van a rendszerben. Ugyebár ez már nem a Skoda 120 vagy Wartburg korszak, itt nincs légtelenítő csavar. Ti hol és hogyan szoktátok légteleníteni a vízrendszert???
Ez már motorszerelés de szerintem a kiegyenlítő tartály tetejét levéve ott kellene távozni a bennrekedt levegőnek.
Szia! Annyira ritkán fordul elő ez a hiba, hogy ezt a fals dolgot ki is zárnám és a fújkálást is mellőzném, mert nem találtam olyan helyeket a V60-ra csatlakozó csövei között ami számottevő sérülésről árulkodna. Időszakos és véletlenszerű a hiba de mindig a sebváltások alkalmával, visszakapcsoláskor szokott előjönni mikor a tengelykapcsolót ki kell nyomni és fékezni kell. A V60-ra a tankszellőztető és a fékrásegítő csöve van kötve és a fékrásegítő csövében van egy visszacsapószelep. Ennyi a fals rész lehetőség avagy a V60-on belül van a hiba az alapjárati motorral: feszül, megragad vagy akármi de időnként leállást okoz.
Még mindig víztermosztát.
Bocsi a naiv kérdésért. A termosztátban lévő 4 vezetékes jeladó méri a vízhőmérsékletet és a vezérlőegységen keresztül indítja a ventilátort, idáig rendben. De mit vezérel a termosztátba lévő 2 vezetékes, és a hűtőbe levő 2 vezetékes érzékelő? Köszi!
Szia! Rajzról többet lehetne mondani, hogy ténylegesen melyik motorhoz melyik megoldást alkalmazzák de a hűtőben lévő a ventillátor be-kikapcsolását adja meg a termosztátban lévő pedig az óracsoportban lévő hőfokmérőt hajtja meg.
... és ezt ismerted volna? Most fedeztem fel a katalógusban és csak az 1.4-s motorokba tettek ilyet még a Skoda AXP, BCA motorkódúaknál is. Mi volna ennek a szerepe a szívócsőnyomás mérések alkalmával a légszekrényen?
Biztos hülyeséget kérdezek. Erre megy rá a vízcső? Mert akkor arra tippelnék, hogy csak egy irányba tudjon menni a víz - pl radiátor fele, minél előbb legyen fűtés.
. Itt én a légszekrény névnél a szívócsonkra gondolnék, bár ott nem kell feltétlen víznek lenni, de ha ott is van -amit kétlek, akkor rendesen hűti vagy fűti -télen a beáramló levegőt.Ha levegős rendszer akkor meg még gondolkodok, illetve megkérdezem a szomszédban lévő "tanár" urat. Ha már műszaki szakoktató, műszaki tanár és pont autósokat tanít. ![]() Még egy dolog jutott az eszembe, talán a tankszellőzető csöve miatt, hogy csak szívni tudjon -ez az a szenes doboztól jövő csatlakozás, de ez is cak tipp. ![]() A kép alapján az előtte lévő (7) alkatrész meg egy lezáró sapka. A hozzászólás módosítva: Szept 7, 2014
Erre varrjatok gombot...
Átnéztem,kiméregettem az összes ajtóba menő vezetéket.A testkábel szigetelés repedésén kívül semmi. Ha az autó kint áll a napon, az ajtó működik,a központizár, az ablak , minden. Este beállok a garázsba reggel már nem működik.
Amikor a motor "visszabeszél" a szivócsonkba, elengedni a túlnyomást, ne repedjen a műanyag.
Amit mutattam az úgy belülre mutatva van szerelve a légszekrénybe de most kaptam meg a kiolvasás eredményét a V60-ról:
Idézet: „Address 01: Engine Labels: 036-906-014-AHW.lbl Part No: 036 906 014 AQ Component: MARELLI 4CV 3153 Coding: 00021 Shop #: WSC 06441 1 Fault Found: 00282 - Throttle Position Actuator (V60) 29-10 - Short to Ground - Intermittent Readiness: N/A” Ez a "00282" hibakód minden egyes alkalommal társult a fő problémához de mostanában ez már a sokadik, ha ez okozta a leállásokat. Hol van zárlat vagy mi? a V60 ellátásában és mi az a '29-10" utalás, vagy az a program bejegyzése? Nálam is az akku alatti vezetékcsatornát kellene átnézni? ( a "7" darab az zárófedél néven fut) Tanácstalan vagyok és csak a szerencsén múlik, hogy megtalálom-e a hibát.
Ha meglenne valakinek az elektromos kapcsolási rajza az elektromos ablak (komfort),- központizárról (1999 AKL)
Nagyon megköszönném.
Üdv Mindenkinek!
Egy kedves kollégámnak van egy 2002-es 1,6 BFQ motoros Octaviája. A kocsival a következő a helyzet, ahogy beindul a motor a két hűtőventilátor azonnal elkezd forogni. Szerintem ez nem feltétlenül normális működésű, bár ha tévednék kérlek javítsatok ki! Ha ez rendellenes szeretnék javaslatot kérni merre induljunk a hiba feltárása felé? Gondoltam a ventilátort indító relére, hátha az érintkezői összeégtek, vagy esetleg az azt kapcsoló hőgombára. Előre is köszönöm a segítséget!
Sajnos nekem is ez volt, thermosztát csere megoldotta.
A hozzászólás módosítva: Szept 9, 2014
Nem kötekedni akarok,de biztos, hogy a termosztátcsere volt? Nem a ventilátor hőgombáját kellett? A termosztát nem hiszem, hogy hatással lenne a ventilátorok hideg üzemben történő működésre.
Villamossági mindent kimért és minden jó volt.Ki cseréltem és jó lett.
Ezt kell cserélni.
Hibás csatolmányt kivettem. -moderátor- A hozzászólás módosítva: Szept 9, 2014
Szia! Csak a programbelit tudnám leközölni de azt sziszifuszi munka lenne becímkézni, hogy mi micsoda rajta. Vezetékszínek és számozások látszódnának.
Nem elég nagy a V60 nyílása a légszűrő felé? Ha pedig alapjáraton van a fojtószelep (közel zárt helyzetben) akkor ez fogja megvédeni a légszekrényt ha visszalő a motor? Azt olvastam, hogy csak az 1.4-be építettek ilyen szerkezetet a vw csoport tagjainál.
Szia ! Ez is járható megoldás számomra.
Majd csak kibogozom valahogy, a rajzolvasás megy, hasonló területen dolgozom.
T. Zoszka.
P1293 Jellegmezős termosztát Pozitív zárlat. A termosztátház cseréjével megoldódott a probléma. Nagyon köszönöm a segítségét!
Nekem 2004-es 1,6 BFQ-m van . Mostanáig vívtam a hűtőventilátorok állandó
járása miatt. Ma oldódott meg a probléma. A két venti. egyidejű üzemelése vészüzemmód. Tudni kellene mi váltotta ki. Nállam: P1293 Jellegmezős termosztát Pozitív zárlat. Mielőtt bármit vennél hozzá olvastasd ki a hibát. / Én feleslegesen vettem egy vezérlőegységet /
Sziasztok!
Probléma a következő: Skoda Octavia 1.6 benzin, 2000 (AEE motorkód) alapjárat meleg motornál alacsony, kb. 600, de ennél is nagyobb gond, hogy ha magasabb fordulatról esik a fordulatszám (mondjuk menet közben 2000-nél felengedem a gázt és benyomom a kuplungot, pl. bármilyen fékezéskor) akkor bőven 600 alá is bebólint a fordulat az esés végén, úgy hogy néha le is fullad. Egyébként ha csak úgy simán elindítom, akkor a 600-at fixen tartja, nem ingadozik számottevően. Fojtószelep kitakarítva. Ugyanebben a fórumban 2009 táján "vajas" által említett gombnyomogatással egybekötött gyújtásráadás trükk nem segít. (Egyébként máskor, amikor vacakolt az alapjárati fordulat segített!, de most nem). Hibakódot mostanában nem olvastattam, de fogadni mernék, hogy nincs. Valakinek van tippje? Köszi!
Szia! Nálam most valami hasonló a probléma de a vezérlő az más típus mint a Tied. A Tied simos vezérlős az enyém marelli és csak 1.4. A lényegen persze nem változtat, hogy minden jó de mégsem jó. A fórumokat böngészve találtam valami érdekeset a V60 "tanításával", adaptációjával kapcsolatban. Nem csak vag scanerrel lehet elfogadtatni a vezérlőnél a V60-t. A fordítóval lefordított angol szövegben olvasható a mellékletben. A kondenzátor kisütésről pedig sosem hallottam de úgy látszik működik. Az angoloknál így is javítanak kocsikat?
Na ez most számomra kicsit "érthetetlen", pedig engem is érdekelne ez a lehetőség.
Hogy is van ez? Ha valaki érthetően leírná nagyon megköszönném. Üdv minden fórumozó társnak!
Szia! Jól emlékeztem, hogy ide már felraktam egyszer csak AEE motorkódhoz kérték de ugyan az a Tiednél is a rajz szerint. (az alsó két sorban van)
A hozzászólás módosítva: Szept 11, 2014
Ez az eredeti oldal és ha win7 az oprendszered akkor le tudod fordítani simán, hogy mit kell csinálni.
|
Bejelentkezés
Hirdetés |





Folyamatban van egy nyelvtudással rendelkező interjúvolása, talán többet tudok estére és a csöveket is átnézem amennyire tudom. A CO még mindig rejtély.
A fékszervóra menő cső nem okozhat hasonló gondokat ha az volna kitörve, elrepedve? 






