Fórum témák

» Több friss téma
Fórum » Autóelektronika
 
Témaindító: sufni-tunning, idő: Ápr 19, 2008
Témakörök:
Lapozás: OK   170 / 348
(#) kzozo válasza DZsee hozzászólására (») Aug 30, 2014 /
 
Miért zavaró a relé kattogása? Nem is hallatszik, az ajtó kinyitása és becsukása sokkal hangosabb. Én is azzal oldottam meg. Legegyszerűbb.
(#) proli007 válasza SzervízMacska hozzászólására (») Aug 30, 2014 /
 
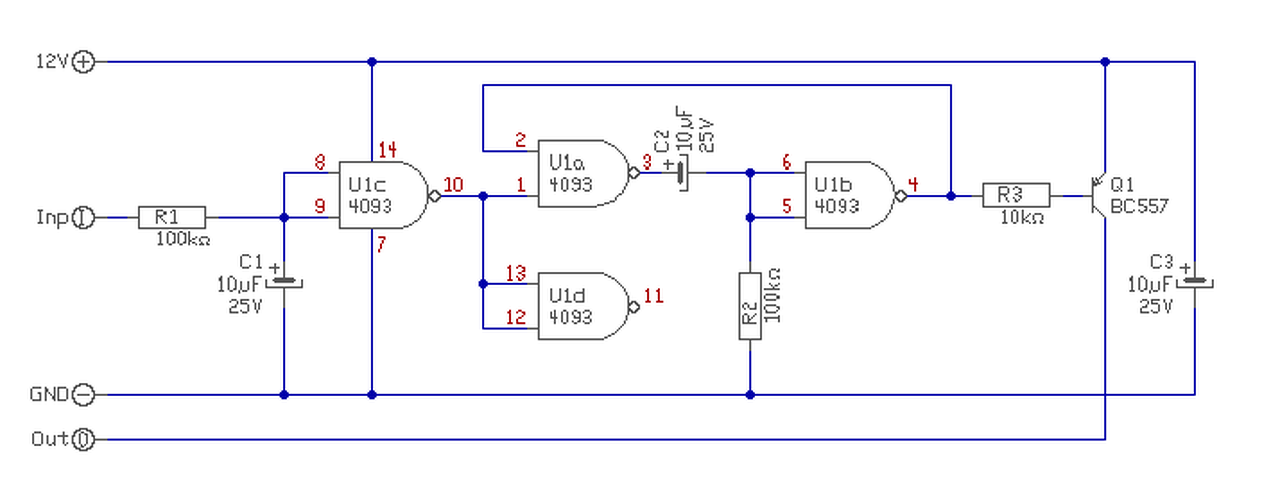
Legyen akkor 4093. Bár én nem tudom mit kíván a GPS, de ez egy kb. 1sec hosszú pozitív impulzus fog adni..
(#) SzervízMacska válasza proli007 hozzászólására (») Aug 31, 2014 /
 
Azt én sem tudom, de sokkal primitívebben gondoltam.
Igaz, így végig a pozitív tápot adja, míg nyitott az ajtó...
A hozzászólás módosítva: Aug 31, 2014

DSC_0110.JPG
    
(#) proli007 válasza SzervízMacska hozzászólására (») Aug 31, 2014 /
 
Hello! Ha tényleg PWM van, akkor integrálni minimálisan kell..
(#) SzervízMacska válasza proli007 hozzászólására (») Aug 31, 2014 /
 
Mondjuk ebben igazad van.
(#) enree hozzászólása Szept 1, 2014 /
 
Sziasztok!
Az tényleg lehetséges, hogy 1.6 benzines Zafira "letiltja" a szervót, mert gyenge az akkumulátor? Édesapámnak ezt mondták a szervizben...

Az előzőkhöz csak annyit, hogy ha PWM-es, és sima izzó van benne nem pedig LED, akkor lehet hallani -nyilván csöndes környezetben- hogy fel-le dimmeléskor cicereg.
(#) potyo válasza enree hozzászólására (») Szept 1, 2014 /
 
Nem akkor, ha gyenge az akkumulátor, hanem ha nincs töltés. Ha a töltésjelző lámpa világít, akkor nincs szervó. Legalábbis a G Astranal így volt, Zafira meg ugye eléggé ugyanaz.
A hozzászólás módosítva: Szept 1, 2014
(#) enree válasza potyo hozzászólására (») Szept 1, 2014 /
 
Hasonlóan gondoltam én is... Hiába gyenge az aksi, ha jár a motor és van töltés, akkor megy minden. Töltés biztos van, mert folyamatos használatban van az autó.
(#) BarnaPili válasza enree hozzászólására (») Szept 1, 2014 /
 
Ilyen cipőben jártam a G Astrámmal én is.Aztán vettem új akksit,és a hiba maradt.A szervópumpa cseréje oldotta meg abajomat.A XIII-ik kerületben kaptam hozzá felújítottat,30ezer Ft plusz a rossz pumpát kérték el.Azóta (lekopogjam) jól muzsikál.
(#) c27 hozzászólása Szept 1, 2014 /
 
Sziasztok!
Lenne egy kérdésem. Mi történik akkor ha az autó generátorának töltő vezetéke nem csatlakozik megfelelően az akkuhoz? A generátorból kijövő + vezeték nem érintkezett megfelelően és töltés nélkül sikerült menni 60-70 km, amíg az akku teljesen le nem merült. Szerintetek az akkun kívül lett másban kár?
A hozzászólás módosítva: Szept 1, 2014
(#) potyo válasza c27 hozzászólására (») Szept 1, 2014 /
 
Ha magán a generátoron nem érintkezett, akkor maximum a generátornak lehet baja, mégpedig diódahíd sérülés, esetleg szabályzó meghibásodás formájában. Rakd vissza a helyére a drótot, és mérj töltést. Ha rendben van, akkor valószínűleg megúszta a generátor.
(#) c27 válasza potyo hozzászólására (») Szept 1, 2014 /
 
A generátor vezetéke volt a hibás, szóval csupán a töltés nem jutott el az akkuig.
Elvileg a fesszabályzó a generátor "szekunder" oldalán méri a feszültséget szóval ha volt is gerjesztés valószínűleg kicsi lehetett, mert terhelés nélkül a generátor feszültsége az egekbe nőne, de a szabályzónak le kellett volna korlátoznia nem? Legalább is ebben reménykedek. A töltés lámpa meg bezzeg nem világított.
(#) potyo válasza c27 hozzászólására (») Szept 2, 2014 /
 
Töltés lámpa nem világít, mert a generátor feszültsége stimmel. Most az egy dolog, hogy az nem jutott el az akkuig
(#) c27 válasza potyo hozzászólására (») Szept 2, 2014 /
 
Végül is van töltés 13,4 és 14,2 között fordulatszám és világítás rákapcsolás függvényében, nagyon alacsony fordulaton néha lemegy 13,1-re rövid időre. Talán megúszta. A töltés lámpa amúgy a generátor állórészének nézi a feszültségét vagy a gerjesztésnek? Már csak azért, mert ha az állórésznek akkor stimmel a dolog, hogy miért nem purcant ki, de ha a gerjesztését, akkor elvileg meg kellett volna halnia a diódáknak, terhelés nélkül simán fel kéne mennie 50V fölé 5000-6000-es fordulaton. Érdemes még méregetni a diódákat vagy ezek szerint megúszta?
(#) kzozo hozzászólása Szept 3, 2014 /
 
Sziasztok. Valaki letudja nekem röviden írni, hogy a mai diesel motoroknál milyen lehetőség van motorblokkolásra? ECU táp?, esetleg PD-elem vezeték?
Köszi, Zoli
(#) Ricsi89 válasza kzozo hozzászólására (») Szept 3, 2014 /
 
Max a táppal tudsz játszani, érzékelőkbe, és kimeneti eszközökbe nem nyúlnék, mert hibakódként megjelenik a hiánya. Már egy szakadt injektor vezetéket is bevesz hibának. Esetleg még tápszivattyú, ha van.
(#) zosza18 válasza kzozo hozzászólására (») Szept 3, 2014 /
 
Szia!
Logikusan gondolkodva, azt kell elkövetni, mint leállításkor.
(#) Baxi válasza zolika60 hozzászólására (») Szept 4, 2014 /
 
Na raktam rá szkópot, szépen emelkedett a fesz, szóval akkor maga a kütyü jó.
(#) zolika60 válasza Baxi hozzászólására (») Szept 4, 2014 /
 
Akkor marad a vezeték, vagy a csatlakozók hibája.
(#) maszek0005 hozzászólása Szept 8, 2014 /
 
Uraim!! Segítséget szeretnék kérni egy Audi A6-os motorterében gyújtáskapcsoló utáni +V-ot honnan lehet a legegyszerűbben kapni, egy nappali fény bekötéséhez? Az autó 2005-ös, 2006- os modell. A nappali fény áramfelvétele 1 A. Köszönettel Jani.
(#) maszek0005 válasza maszek0005 hozzászólására (») Szept 8, 2014 /
 
Azt elfelejtettem odaírni, gyári vezérlése van a nappali fénynek, ami a ködlámpára, valamint a tompítottra van rákötve. A ködlámpa, vagy a tompított bekapcsolásakor automatikusan le kéne kapcsolódni a nappali fénynek. Kipróbálva a bikázó csatlakozóról működik, de a gyújtáskapcsolóból a kulcs kivétele után is világít.
A hozzászólás módosítva: Szept 8, 2014
(#) VIM válasza maszek0005 hozzászólására (») Szept 10, 2014 /
 
Üdv! Néztem volna egy 2005 évi típust, ráböktem (mert nem írtál motorkódot) a BDV motorkódra és a "nappali fényes" izzó kiégését kontrolláló egységgel ellátott relétábláját mutatnám, mert a gyk.-nak van egy segédreléje és nem-e az marad húzva. Csak feltételezés. A másik két relé a 9. és 10. ami a kiégésre figyelmeztető egységhez tartozik. Ha eredetileg jól működött akkor nem lesz jó megoldás ha máshonnan táplálod meg a világítás áramköreit.
(#) enree hozzászólása Szept 10, 2014 /
 
Sziasztok!
Vettem ma egy 2012-es 1.3 sedan Swiftet. Van egy nagy baja, nevezetesen, egyik oldalról se lehet nyitni-zárni kulccsal. Centrálzár van benne, működik is belülről. Van itthon két csatornás ebay-es távirányító egységem, gondoltam azt beleteszem. Leszedtem a vezető oldali kárpitot, van ott egy rakás gomb (négy elektromos ablak, centrálzár, ablak tiltás kapcsoló), ott megtaláltam azt a két vezetéket, amit ha testre húzok, akkor nyit-zár, de sajna 12V csak akkor van abban a korbácsban,ha rajta van a gyújtás. Tudnátok segíteni, hogy hol van ebben a vezérlő egység, gondolom oda kéne tennem akkor mellé a vevőt, ott lesz áram is. Illetve olyan gondom van még, hogy a hátsó ablakok nem működnek egyáltalán (se a vezetőtől, se az ajtóról) és a bal hátsó ajtón a centrálzár se megy, annyit csinál, hogyha ráadom a gyújtást, próbál zárni (jó sokáig, lehet hallani, hogy zúg). Előre is köszönöm a segítséget.
(#) Ricsi89 válasza enree hozzászólására (») Szept 10, 2014 / 1
 
Megpróbálhatnád megkeresni az a két vezetéket az ajtóátvezető utáni kötegben, ott már könnyebben megcsapolható és a vezérlőt be tudod tenni a műszerfal alá.
A hátsó ablakemelőnek szokott lenni külön biztosítéka, megnézhetnéd, hátha az a gond. A kp zárnál pedig lehet szorulás, mikrokapcsoló, vagy vezetékszakadás az ajtóátvezetőben.
(#) enree válasza Ricsi89 hozzászólására (») Szept 11, 2014 /
 
Köszönöm a tanácsodat. Ahogy olvasgattam, a kp zár vezérlő a csomagtartóban van??? (vagy az csak az ablakemelőé?) Egy másik problémám, ami most jött elő, a gyújtáskapcsoló, nagyon szorult. Gondoltam befújom. Kár volt, most ugyan könnyen bele megy a kulcs, de negyed órát kell vele vacakolni, mire el is tudom fordítani
(#) antikzsolt válasza enree hozzászólására (») Szept 11, 2014 /
 
Szia.

Nem ismerem azt a kocsit de nincs benne kormányzár? Én is így jártam egy Renault Masterrel. Kulcs bedug aztán az istenért sem tudtam elforgatni a kulcsot. Mire megforgattam egy picit a kormányt máris könnyedén engedett.
A hozzászólás módosítva: Szept 11, 2014
(#) enree válasza antikzsolt hozzászólására (») Szept 11, 2014 /
 
Szia! Természetesen van benne, de nem az a baj... magában a zárszerkezetben történhetett valami...
(#) antikzsolt válasza enree hozzászólására (») Szept 11, 2014 /
 
A kulcs nincs megkopva nagyon? Bár csak 2 éves tudom de ha sokat rángatták akkor elkopik. Nincs külsőre sérülésre utaló nyom? Mifel fujtad be?
(#) enree válasza antikzsolt hozzászólására (») Szept 11, 2014 /
 
Hogy én mekkora barom vagyok 2002-es, nem 12-es, 12 éves...
De, nagyon el van kopva a kulcs...
A hozzászólás módosítva: Szept 11, 2014
(#) antikzsolt válasza enree hozzászólására (») Szept 11, 2014 /
 
Semmi baj egyszerű gépelési hiba. Ez sokakkal előfordul. Akkor lehet hogy ott a gond. Hogy már nehezen nyomja el a zárban a csapokat és emiatt kell erőltetni. A jobbik esetben új kulcs lesz csak. Rosszabbikban az egészet ki kell cserélni.
Következő: »»   170 / 348
Bejelentkezés

Belépés

Hirdetés
XDT.hu
Az oldalon sütiket használunk a helyes működéshez. Bővebb információt az adatvédelmi szabályzatban olvashatsz. Megértettem