Fórum témák
» Több friss téma |
- Ez a felület kizárólag, az elektronikában kezdők kérdéseinek van fenntartva és nem elfelejtve, hogy hobbielektronika a fórumunk!
- Ami tehát azt jelenti, hogy a nagymama bevásárlását nem itt beszéljük meg, ill. ez nem üzenőfal! - Kerülendő az olyan kérdés, amit egy másik meglévő (több mint 17000 van), témában kellene kitárgyalni! - És végül büntetés terhe mellett kerülendő az MSN és egyéb szleng, a magyar helyesírás mellőzése, beleértve a mondateleji nagybetűket is!
Köszi a hasznos infót !
Egyébként egyáltalán nem biztos, hogy azért mert valami régi, kevésbé megbízható mint egy új, ezek az usb aljzatok a tervezett elavulás jegyében készülnek, egy akkoriban csúcskategóriásnak számító GPS töltője nem biztos, de ettől függetlenül átnézem a kondijait
Köszönöm szépen de pontosítanék ha segít mert még nem csináltam ilyet
akkor ami a 24v váltót biztosítja az:adapterszeretném egyenirányítani mert ez hajtaná meg az állítható laptophűtőmet amely kihajtható lábakkal rendelkezik majd hogy lehessen szinte bárhol használni a lapost. A hozzászólás módosítva: Máj 29, 2015
Lehetséges!
Ugyanez a probléma körülbelül, mint ami a videón látható. Megpróbálok előbányászni egy értelmes potmétert akkor. Hátha azzal menni fog! Köszönöm!
Sziasztok, lenne egy kis problémám remélem tudtok segíteni.
Van nekem egy thomson rr65 típusú digitális órám. A gondom az vele, hogy ha ki kell húzni a konektorból és újra be dugom akkor a rádió elkezd szólni és nem lehet kikapcsolni az on/off gombbal. Ha nincs kihúzva és ezt az on/off gombot megnyomom akkor bekapcsol a rádió de ugyan úgy nem lehet kikapcsolni. Ha ébreszt és rádiót kapcsol ugyan ez a helyzet. Mi lehet a probléma vele? Esetleg egy kondi vagy ellenállás a hibás? Égés nyom nincs a panelen sehol. Az on/off gomb pedig működik (nincs át szakadva) mivel bekapcsolni be kapcsol csak már ki nem.
Már csak azt kellene tudni, hogy milyen az a laptophűtő. Tudtommal ilyesmi 5V, vagy 12V feszültségre készül. 24V feszültségűről nem tudok.
Ráadásul, a hatásfoknak ebben az esetben nincs jelentősége. Az előállított feszültséget még szabályozni kell, hogy a laptophűtő ne menjen tönkre. Már nem azért, de miért ragaszkodsz ahhoz a táphoz? A célnak megfelelhet olcsóbb is, ami kevesebb helyet foglal.
igen sajnos figyelmetlen voltam és nem irtam hogy az elképzelés annyiban modosult hogy 12v ra lenne szükségem egyenirányítva. Az első kirásom kissé téves volt mert siettem stb.
Ilyen táp fillérekért beszerezhető, anyagár alatt. Mivel nem csináltál még ilyent, megéri kockáztatni a laptophűtőt?
ventim van egy marékkal (pc szervizelek), tápot úgy sem tudom mire használni, proba szerencse alapjába véve vesztenivalóm semmi illetve ezkről a tépokról ugy tudom hogy igen hosszú ideig is mehetnek anélkül hogy károsodnának
Sziasztok!
Olaj-papír kondenzátor milyen más kondenzátorral helyettesíthető? Egy régi dekopírfűrészben található kondenzátor (K75-41 típusú, C1 = 0,47uF, C2 = 0,01uF, 250V) valósággal felrobbant üzem közben és abban reménykedve, hogy csak ennyi meghibásodás történt, szeretném kicserélni. X2 -es, X0 -s MKP/ MKT kondenzátor alkalmazható? Köszönöm
Még az lenne a kérdésem - csak már lejárt a szerkesztési időm - hogy mennyire kell ezeket az értékeket szigorúan venni? Pl. használható a 0,01µF helyett 0,022uF? Maga a kondenzátor az így néz ki, mint EZ, csak más értékekkel, de ennek a típusát is egy szinte ugyanilyen gép kondenzátora alapján találtam meg, mert az enyémből EZ lett...
Nagyobb kapacitású és feszültségtűrésű lehet, de kisebb nem.
Értem, köszönöm! Az eredetiben volt 2db 0,01µF -os rész, 1db 0,47µF -os rész, 250V -os fesz.tűréssel, most összeraktam egyet 1db 0,01µF -osból, 1db 0,015µF -osból és 1db 0,47µF -osból, mindegyik 400V fesz.tűrésű, bár a két kicsi az csak kb. 10x3mm, a 0,47µF -os meg 3x1cm, de remélem ezek már nem robbannak fel...
Sziasztok!
Hogyan lehetne egyszerűen egy mikro nyomógombbal megépíteni azt a kapcsolást, hogy gombnyomásra világítson egy led, és egy újabb gombnyomásra elaludjon és mindkét állásban folyamatosan maradjon. Tehát vagy világítson folyamatosan vagy ne.
Mit lehet rá szerelni hogy tartsa meg a poharat?
A hozzászólás módosítva: Máj 30, 2015
Sziasztok, egy 12V öntözőrendszert szeretnék készíteni a virágoknak.
Találtam az Ebayen egy 12V szívattyút, tudtok segíteni milyen adapter kell az üzemeltetéséhez? Köszönöm a befogadást
Szia, megnezed, hogy a szivattyu mennyi aramot vesz fel (foleg indulaskor, ez talan ra is van irva) es akkor 12V es annyi aram, hogy elvigye. Ha relevel kapcsolod, ha felvezetovel, akkor annak is el kell birnia azt az aramot.
Bővebben: Link relével kapcsolom
Power consumption: 4.2W.
Rated voltage: 12V DC. Max rated current: 350mA. 350mA. helyett 1000mA. adapterem van, történhet valami ha több az amper? Idézet: „350mA. helyett 1000mA. adapterem van, történhet valami ha több az amper?” Használd nyugodtan, ha minden egyéb rendben van.
Sziasztok.
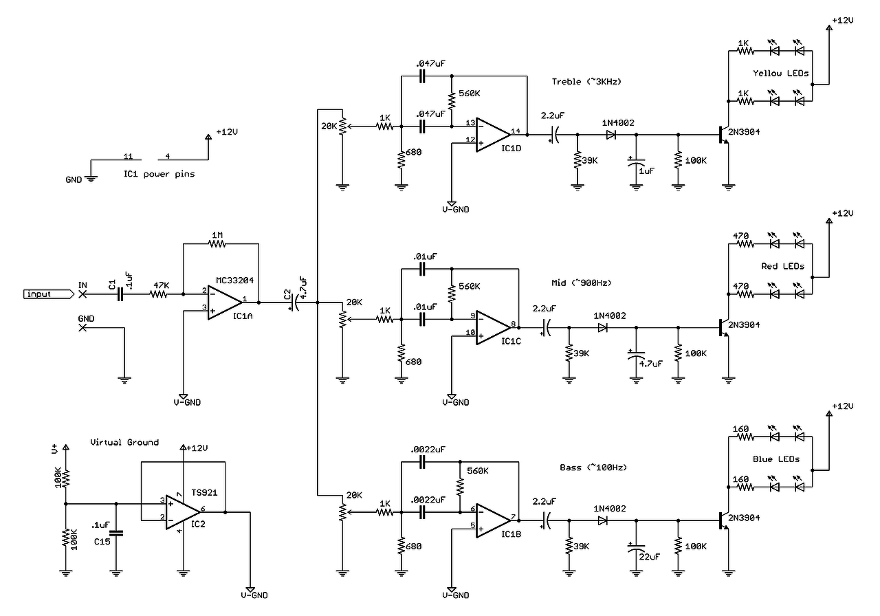
Lenne egy fény show amit gyakorlatra csinálok. Már kérdeztem ezt azt, de már lassan kész lesz, és most találtam egy számomra nem érthető dolgot. A csatolt rajz alapján csináltam meg. Mikrofonnal szeretném megoldani, de nem tudom hogy is kéne. Aki a rajzot készítette jack-el csinálta. Bővebben: Link Csak annyi változást szeretnék hogy ne jacken kapja a jelet hanem a mikrofonon keresztül. Elég az hogy ha csak simán a két x-re kapcsolom a mikrofont a séma elején(az input feliratnál)? Előre is köszönöm a válaszokat! ![]() Üdv
Hello! A mikrofon sokkal kisebb jelet szolgáltat, mint egy "jack-kimenet". Célszerűen használj mikrofon előerősítőt. (Van hozzá topik..) De mikrofonnál az is gond lehet, hogy a hangerő vagy a távolság függvényében is változik a jel. (Mert a távolsággal négyzetesen csökken a térerő.) Tehát vagy állítgatni kell, vagy dinamika kompresszort kell/lehet használni.
Szia! Szerintem, ha a bemeneti soros ellenállást lecsökkented huszadára, akkor lesz egy kb.
400x-os erősítésed az elején. Annak már elégnek kell lenni egy előfeszített kondimikrofonnak pl. (mivel itt nincs szó "hanghűségrő" szerintem működik).
Sziasztok!
Hogyan változik a kondenzátorok kapacitása, ha párhuzamosan kapcsolom őket? Hogyan ha sorosan? Hogy lehet nagyobb kapacitást elérni két azonos értékű kondenzátornál?
Ha ismered az ellenálások soros ill párhuzamos kapcsolását, itt pont a fordítotja.
Azon felül amit az előttem szólók (nagyon okosan) már leírtak:
1.) Szerintem elsőként működjön "jack"-ról (ami alatt a gondolom a LINE out"-ot értjük) az már egy nagy eredmény lenne ![]() 2.) Ízlésem (és a bevett gyakorlat) szerint a fényorgonánál a hang és a fény frekvenciája illeszkedik, azaz jelen esetben Bass (mély) -> piros, Mid (közép) -> sárga, Treble (magas) -> kék. 3.) mindenképpen javasolt egy közös érzékenység szabályozó szervi is (Proli007 mesternek igaza van a dinamika kompresszorral kapcsolatban, de ezt későbbre hagynám). 4.) wbt mesternek is igaza van abban, hogy legegyszerűbb lenne elektret mikrofon kapszulát alkalmazni. 4.1) Ehhez kellene mondjuk két darab 4k7...10K ellenállás sorosan felfelé a tápfeszültséghez, és a középpontból mondjuk 10 µF hidegítés a GND-re. 4.2) Az erősítés megnövelése a jelzett 47K lecsökkentésével jó ötlet, de akkor nagyin le fogja terhelni a mikrofont, ide kellene egy BC182 vagy hasonló tranzisztorból egy emitterkövető (az emitter ellenállása lehetne akar a fentebb említett közös érzékenység szabályzó potenciométer is, mondjuk 2k2 lineáris). 4.3) ugyanakkor mivel az első fokozat belső ellenállása ilyen módon lecsökken, ezért a 100 nF bemeneti (nem elektrolit!) csatoló kondenzátort is meg kellene növelni mondjuk 1.5 µF-ra. Hirtelen ennyi, sok sikert és sok örömöd legyen benne amikor elkészült
Egy kezdőknek való segédprogram. Bővebben: Link
"Az erősítés megnövelése a jelzett 47K lecsökkentésével jó ötlet, de akkor nagyin le fogja terhelni a mikrofont,"
Mi terheli be oly nagyon, mester? A visszacsatoló ágban lévő 1M vagy az OPA Rbe? Igazad van, ha HIFI hangról lenne szó, írtam is, hogy itt nincs hanghűség, szerintem felesleges túlbonyolítani. A kondi növelés viszont majd lehet, hogy kell. Én sokkal rondább, aljasabb megoldást használtam a LED-es VU-méteremben, villogtatónak jó az... tanyára... |
Bejelentkezés
Hirdetés |




akkor ami a 24v váltót biztosítja az:







