Fórum témák
» Több friss téma |
Köszönjük!
Bár 14 hozzászólással ezelőtt pont ezen oldal is linkelve volt!
Szia Tibor!
Az általad ajánlott oldal az importőr egyik viszonteladójának a honlapja. Arra valóban tökéletes, hogy a termékeket és típusszámokat beszerezze az ember. Nyilván ha valamiből egy-két db kell azt adott esetben érdemesebb megvenni itthon. (ha azonnal kell...) Abban az esetben ha nem tegnapra kell és van lehetőség és pici türelem megvárni egy - egy leadott rendelésemet akkor mindenképp jobb árakat tudok prezentálni, mert közvetlen az importőrrel állok kapcsolatban. Persze nem kötelező, csak esetleg lehet, hogy jobb. Természetesen minden kalkulációhoz hozzá kell számolni a kötelezően kifizetendő kezelési ktsg ránk eső részét. Mint ezt leírtam 6000Ft/rendelés!!! Létre fogok hozni a napokban egy részt a honlapomon ahol látni fogjátok, hogy épp mi az ami rendelés alatt van és, hogy mikor fogom a rendelést leadni... Bárki bármit kér felkerül és amint el fogja érni a rendelt alkatrész mennyiség a 100$-os értéket már rendelem is... Lehet több tételt is együtt rendelni (ez mindenképp kifizetődőbb)... Döntsük el és hajrá... Hü a mindenit de bele lendültem... Bocsi... Idézet: „Mint ezt leírtam 6000Ft/rendelés” És ez LED-típusonként hozzáadódik a költségekhez? Tehát teszem fel, rendelünk 100$ értékben hidegfehér Luxeon-t, meg melegfehéret is 100$ értékben, persze egyszerre adjuk le mondjuk ezt a 2 rendelést...akkor csak egyszer vagy 2-szeresen kell fizetni a 6000Ft plusz költséget? Engem amúgy sajna nem 100-as nagyságrend érdekel Csak pártíz db esetleg :yes:
Természetesen rendelésenként fizetendő meg a kezelési ktsg.
Ha egyszer 100$ akkor is 6000Ft. Ha soxor 100$ akkor is csak 6000Ft. Ezért lenne praktikus ha egyszerre minnél többet rendelnénk... Számolhatnánk akár két féle képen is de szerintem az alábbi számolás a leg igazságosabb: 6000Ft/rendelt alkatrészek db száma alapján részesülne mindenki a kezelési ktsg-ből arányosan... Remélem érthető voltam... (közbeszerzek és széthull az agyam)
Szia
engem is érdekelne ez a dolog nekem luxeon rebel kellene ezek a tipusok LXML-PWC1-0090 XML-PWN1-0080 LXML-PWW1-0060 tipusonként 10-20db kellene ezekre tudsz e konkrét árat? én is találtam egy magyarországi forgalmazót csak még az áraikat nem tudom a te forgalmazó cégednek mi a neve?
Hi!
lehet hogy fura lessz ez a kérdés, de karácsony közeledik, és egy otthoni PIC-es fényfűzért lehetne-e készíteni? Talán még zenélni is tudna? Arra gondoltam, mert a PIC nem bírna el mondjuk 20 LED-et ezért egy FET-es dolog kéne hozzá. Mi a véleményetek?
PIC 16F628-ra gondolok.
PIC-es topik is létezik az oldalon, sőt, van fényfüzéres topik is!
Ez a legkevésbé sem "általános" LED-világítás...
Jó reggelt!
köszönöm kérdésed... Utána nézek, hogy mennyiért tudom beszerezni és lövöm az árakat... Idézet: „én is találtam egy magyarországi forgalmazót csak még az áraikat nem tudom a te forgalmazó cégednek mi a neve?” Pont ez a lényege a dolognak! NINCS forgalmazó cég!!! közvetlen az angliai dealertől kapom a terméket... Ez így elég konkrét! Nem? Mindenképp írom a választ... Azért azt elárulhatnád, hogyan fogod beépíteni a rebellt... Jól láttam, hogy nem láttam érintkezőket mint egy mezei smd leden?
Szia
Ez az angliai cég véletlen nem a Future electronics mert az ők feltételei rettentően hasonlitanak a te feltételeidhez? Nekem ma postázták a mintákat. A rebell beépitése egyszerü kell egy hővezető ragasztó kb 15eft a 25grammos loctite márkáju ezzel felragasztod a hütőbordára ez szigetel és a rebelt a tetején meglehet forrasztani.Nekem 3 szoba van megcsinálva igaz azok még cree ledesek de a keményfehér nemjó nagyon hideg a fényük ezért kértem a mintákat naturál és melegfehérböl. Itt egy kép a rebelszereléséröl.
az lesz az...
kicsit veszélyesnek ítélem meg a felszerelést. nem lett baja a kicsikének? Idézet: „Nekem 3 szoba van megcsinálva” Ezt fejtsd ki bővebben légyszives...érdekel!
Sziasztok!
Bár én még új vagyok itt de ismerek más led forgalmazót is, akiknél azért emberi árak, és sokféle led van. Bővebben: Link vagy a Bővebben: Link. Itt ha jól láttam akkor közvetlenül a 230 voltos aljzatba helyezhető ledes spotok is kaphatóak, valamint szalagos kiszerelésben ledek meg ilyenek (tápok is). Tulajt ismerem, megbízható és precíz, tömeges rendelésnél szokott adni kedvezményt is. Na ennyi volt a reklám helye ![]() Én egyébbként a már meglévő kiépített 230 voltos világítás miatt a hagyományos aljzatokba helyezhető ledes lámpákat preferálom, mivel azért nem kell átfaragni a fél lakást. Üdv néktek: dens
Szia
Az én lakásomban jelenleg 3 helyiség van átalakitva ledes világitásra Cree XR7090 es 50lm es ledekkel egy helyiségbe mérettől függően 6-12db led van és sorosan 700ma ren ketyegnek. A fényerő bőven elég nekem a szinhőmérsékletével van gondom. nagyon fehérek ezért a többi helyiségbe már luxeon rebelt teszek naturál vagy warm wait bol.
Szia
Megnéztem a linkeket Hát mitmondjak az ilyen termékek miatt nemfog csak nagyon nehezen elterjedni a ledes világitás ha a véleményemre kiváncsi vagy ezeket a termékeket nagyon messze elkerülöd ezt ugy nevezik hogy kinai szemét nállam marékszámra van ilyen szuper lámpa 1-2 hét után kipurcant állapotban szétszedve megláthatod hogy mi van bennük hát hajmeresztő. A 12v 1w os 300lm es lámpa külön tetszik mert jelenleg 1w os ledböl 105 lm nél többet nemtudnak kihozni. ha komojan érdekelnek a ledek ajánlom figyelmedbe a Cree XRE 7090 es sorát vagy a luxeon rebel és KII sorát ma jelenleg ezek tudják a legnagyobb fényerőt 1w on.
Ezt úgy érted, hogy mondjuk átlagosan 8-10 db LED fényereje elég ahhoz, hogy ne kelljen normál 230V-os izzókat/fénycsövet használni? Ezen fényerő mellett kényelmesen lehet olvasni is pl. a szobában? :eek2:
Hali!
Köszi a tippeket, beszéltem a tulajjal, őt is nagyon érdekli ezek a nagyobb teljesítményű ledek. Visszatérve a "kínai" szutykokra, Ő csak olyat próbál árulni amiknek az élttartama meghaladja a pár hetet, tehát előtte azért teszteli ezeket. Asszem még garanciát is ad ezekre. Jártam nála és jópár helyiségben láttam, hogy ezekből már csinált szobai világítást, nem volt rossz jó fényük volt, csak mint korábban írta valamelyik fórumozó kicsit hideg a fényük. Próbáltam a sima 230 V-ra készített 18 vagy hány ledes spotjukat is, azok megbízhatóan mennek (nálam már több hónapja) csak az a gond velük, hogy spotok, tehát nem szórt fényt adnak hanem kb. 20 fokban koncentrált fényt, a fényerejük sem a legjobb. A beszállító ígért már ugyanilyenből 90 fokban fókuszált fényű lux ledes verziót is csak kérdés mikor szállítja. Azokra már kíváncsi lennék, mert ilyen flux ledes kézi reflektorom van és baromi erős fényt ad. Na de a lényeg ezekre a ledekre rámozdult a srác, csak attól tart, hogy drágák ezek a ledek. Az árukról nem tudsz valamit? Persze ha lehet forintban ![]() Üdv: Dens
Szia
Igen most 6db XR7090 van 700ma ren ezzel a hálószobában már szépen lehet olvasni is. 12db luxeon rebel a jobb fajtábol 4500kelvines változatban 700ma ren 1740lm tud egy 100w os égő átlagosan 1500lm et világit. A 12db rebel 12x3,5x0,7az29,4w kerekitve 30w ennyi a fogyasztása szemben a 100w os izzóval.Nekem most ez lesz egy 20négyzetméteres szobában jövőhétre igérték a ledeket hogy megérkeznek sajnos az áruk kb 1000ft/db re jön ki és ennél olcsóbban nemlehet beszerezni mert ez a gyárbol jön a magyarországi kéfiseleten keresztül ez darab ár ha veszel belöle legalább 250db akkor már olcsóbb de sajna nem vagyok milliomos igy is eléglesz kifizetni ezt a szállitmányt mert itt is legalább 100dollárért kell rendelni + az áfa +a szállitás igy kb 27eftre jön ki
Meiknek az ára érdekel a cree ledeket a Chipcad árulja
neten a www.chipcad.hu oldalon van árlistájuk magyarországon ők a beszálitók én megkerestem a cree t de nem álnak szóba velem mondták hogy menjek a chipcadhoz.Amugy 500-1200 ig van az áruk+áfa A rebel meg a KII az kb 3 dolár+áfa körül van a Future Electronicsnál de mint már fentebb irtam 100dolár +posta ami náluk 6000ft fix ár+áfa a minimum rendelés. És még egy fontos dolog megfelelő táp nélkül ezek is rövid életüek a megfelelő az nem szabájzott az kevés ide korrekt áramgenerátoros táp kell és hüteni is kell őket rendesen a max üzemi hőfokuk kb 120c fok.
Nos, uraim!
az alábbi táblázatban vannak a hőn áhított árak... Tévedtem... nem tudom beilleszteni... hacsak nem... csatoltam... Jah! És azt csak halkan jegyzem meg, hogy van kiskapu... mint mindenhol... Mint ügyes 10000mester ide is építettem egyet... Tehát... de azt hiszem ezt nem kell magyaráznom...
Sziasztok!
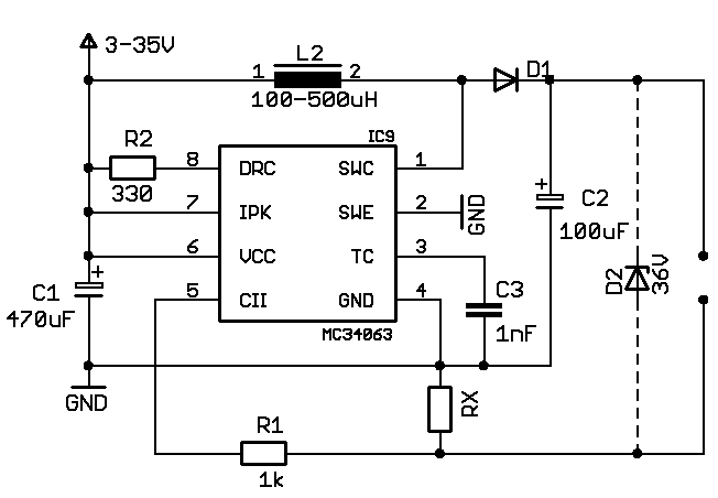
Van egy ledes kapcsolás mc34063-al,mellékeltem a rajzot.Több ledet szeretnék rákapcsolni sorosan,kb. 8-10 db luxeon Rebel,vagy K2-t.A kérdésem az lenne,hogy hová tegyem a fet-et?
Szasztok,
és ha a hatásfok nem számít, akkor csak simán sorbakötöm, hogy meglegyen a feszültség és mondjuk meghajtom egy 7809-el? Egy ilyennel tán több soros csoportot is meg lehet hajtani, elvileg bírja az 1A-t. Ugyanezekkel a 255.000mCd-s leddel kísérletezem...
Naja... de annyi hőt fog termelni 1A mellett az a szegény 7809, hogy fel lehet vele fűteni egy kisebb szobát. Én nem feltétlenül ezt választanám.
Aham... Akkor inkább a Skori-féle áramgenerátoros cucc? Vagy van esetleg valami más?
Sziasztok! szeretnék csinálni egy új világítótestet az akváriumhoz.
A jelenlegi túl nagy és unalmas. Azt gondoltam ki, hogy led lámpák használatával világítanám meg a vizet. A ledek közt lenne erősebb és gyengébb illetve elképzelhető, hogy lenne színes sor is. Ez a kiinduló 5let. Aztán közben annyi extrát találtam ki, hogy lehetne ezeket a ledeket program szerint futtatni mint a karácsonyfaizzókat. Így lehetne pl imitálni azt a látványt amikor a fizet mesterséges napfény világítja meg ami néhol sötétebb illetve világosabb (ahogy a felhők elfedik a napfényt). Remélem nagyjából érthetően írtam le mire gondolok. A vvéleményetekre illetve tanácsaitokra lennék kíváncsi mert én kezdő vagyok ti meg már nem ![]() A kivitelezéskor lesz segítségem aki ért hozzá de nem akarom a teljes munkát rásózni ezért szeretném én előre megtervezni. Előre is köszi a tanácsokat/javaslatokat!
Szia!
ha 8-10 leedet sorba kötsz akkor 32,.....45 V kimenő fesz. kell-- AZ ÁRAM NEM VÁLZOZIK ! ----a 34063 ezt már nem tudja stabilan. --MÁSIk kapcsolás kell. illetve 230 V ról előtét ellenállással ---gazdaságtalan /28,,,40 leeddel már jó...... A 8-10 leedet én 12v-ra szervezném 3Db sorba az ágak párhuzamosan --ez bármilyen olcsó dugasztáppal menne.
Szia
![]() Először is hogy rendes fényt adjon nagyon sok LED re lesz szükséged ( nekem a szekrény tetején majdnem 100 LED es van. ) Ez kb olyan fényt ad mint 40W os izzó. A fogyasztása kb 1-2W. Én hállózati 230V ot egyenirányítottam és szűrtem majd rákötöttem egy áramgenerátorra (pár ellenállás és 3db tranzisztor) és a LED eknél egy újabb szűrés. Az érdekesség az, ha kikapcsolom, a 470µF os kondenzátor miatt még órák múlva is halványan világít, de pont elég hogy ne essek pofára mikor megyek ki a WC re!
Halee
![]() Az ötlet nagyon jó! De viszont ha olcsón megakarod úszni lehet várnod kell még egy évet Mert hogy Karácsony elmúlt. A józsefvárosi piacon NAGYON olcsón lehetett kapni ilyen LED es futófénysort. különböző színekben. Csak annyi hogy elmégysz a piacra és veszel. Kb 1000-2000Ft ért kapsz is! egyébbként ez azért jó ötlet mert a növények nagyon szeretik a LED fényét!Ha nem tetszik az ötletem és olcsón akarsz LED hez jutni akkor megint csak a piacot ajánlom és vegyél ilyen első bicikli villogókat és vedd ki belőlük a LED et, és azt megnézheted hogyan világítja be az akváriumod.
Akkor csak 7 db-ot hajtok róla.Az kb 26V,de 35V-ról hajtva még az ic is elbírja.Az adatlapja szerint 40V-ig lehet emelni a feszt.Teszek be egy másik kapcsolást is.Azon sincs fet.
Valaki tudna segíteni hová kössem be a fet-et?
van fénysor
de csak színes majd eszek fehéret. De szerintem nincs elég fényereje ezért akarok csinálni erősebb ledekből. |
Bejelentkezés
Hirdetés |







Mert hogy Karácsony elmúlt. A józsefvárosi piacon NAGYON olcsón lehetett kapni ilyen LED es futófénysort. különböző színekben. Csak annyi hogy elmégysz a piacra és veszel. Kb 1000-2000Ft ért kapsz is! egyébbként ez azért jó ötlet mert a növények nagyon szeretik a LED fényét!





