Fórum témák
» Több friss téma |
Ez ugyanaz amit pjg kollega belinkelt, csak magyarul.
Idézet: PIC16F685 !! Nem AVR!! „Nem rossz de AVR-el nem dolgoztam még,így a PIC marad!”
Megfelelő mátrix frekvencia esetén nem lesz több a LED áram a megengedettnél.A LEDnek Elég 20mA. Persze. Nekem is volt egy számlálóm. 12db nixie csővön jelzett ki. 3db A/4-es nyákon volt vagy 100db IC. Az már nem protoboard volt.
Ohhh esedezem elnéztem bocsánat!
Mivel egy 2x16-os LCD akadt hirtelen a kezembe így most az lesz megcsinálva,de még eszközölnöm kell egy Pickit2 vagy 3-at,hogy tudjam programozni!
Mindegy hogy millen multiplex. 8-as szamnal ugye a 25 mA-t el kell osztani 7-el, 1-nel pedig 2-vel. Akkor ugye valtozik a fenyero a kijelzett szam fvenyeben.
Nem 1 digit világít egyszerre, hanem 1 szegmens
. A dolog működik.
Na ez valami ujdonsag nekem. Mifelenk ugy csinaljak, hogy kiteszik a digit erteket a 7 szegmensre, majd bekapcsoljad a digitet. Utana a kikapcs digit, kovetkezo... Gondolj bele ha 8888 a kijelzendo ertek. 56 szor kell ki-bekapcsolni a szegmenseket. ez talan ejszaka egy kivilagitatlan pinceben adna eleg fenyt.
A hozzászólás módosítva: Szept 23, 2014
Nem azt mondom, hogy vakít
, de működik.
Es ez szegmensenkent van multiplexelve? erdekes lehet. Nalam sima 4 digitesnel bizony jol meg kell kuldeni arammal a szegmenseket hogy lathato legyen..
Sziasztok.Nekem egy olyan kapcsolásra lenne szükségem ami 50km/h és 80km/h elérésekor megvillant egy ledet.Tehát ha elérem az 50-et villan egy led utána kialszik,majd ha elérem a 80-at akkor villan megint egyet majd kialszik.A villanás azért ne legyen tul rövid hogy észrevehetö legyen.Mindegy hogy egy led villan mindkét jelzéskor vagy külön külön egyik led 50-nél a másik 80-nál amelyik megoldás az egyszerübb azt fogadom el.Esetleg valami hiszterézis komparátorral kellene megoldani hogy a ledek ne villogjanak összevissza mikor épp a beállitott sebességet tartom....Odáig jutottam eddig,hoy megcsináltam az 555-el müködö impulzus feszültség átalakitot meg a km-órába rögzitettem egy hall jeladot a szajla végén lévö mágnes fölé.50km/óránál kb 2.44voltot,80km/óránál pedig 2.55 voltot ad nagyjábol az 555 kimenete.De ezt azért jolenne ugy megoldani hogy birjam állitani,tehát a kijelzöáramkör feszültségbemenete ne állando érték legyen hanem bizonyos értékek között állithato legyen a kalibrálás elvégzéséhez...
Hello! Megrajzoltam.
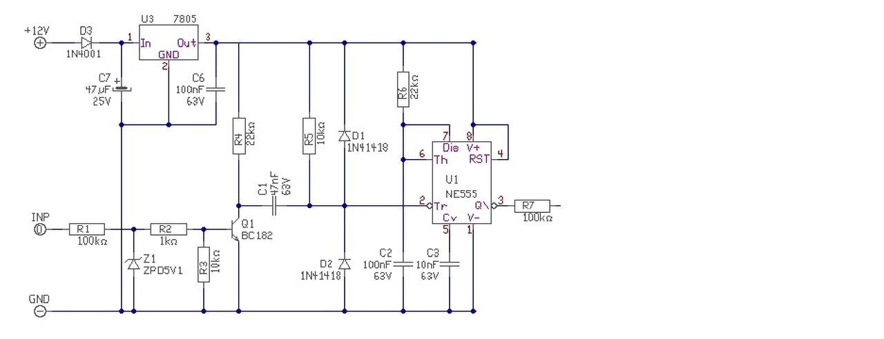
- De a bementi C1 kondit úgy kell megválasztani, hogy a sebesség elérésekor ne legyen túl későn a jelzés, de megfelelően szűrje a bemeneti jelet. Ugyan is a sebesség/feszültség kimenti jele hullámos lesz. Az viszont kapcsolgatni fogja a kis hiszterézisű komparátor. - A két trimmerrel lehet beállítani a jelzés határokat. Az R7/R9-el a hiszterézist. - Az LM339-nek természetesen csak két tápfesz lába van, nem "száz" mint a rajzon van. (Csak a Tina amit haszálok nem ismeri a több fokozatú IC-ket.) - A felvillanás ideje, az R17/C4 alkatrészekkel állítható be. Jelenleg kb. 0,3sec. - A sebesség jelet (Speed) itt egy háromszög generátorral szimuláltam, ami 2,4V..2,6V feszültséget 1sec idő alatt teszi meg, majd csökken.. "hogy birjam állitani" Bírni a súlyokat kell, itt a "tudjam" a megfelelő kifejezés.. A hozzászólás módosítva: Szept 27, 2014
Szia!nagyon hàlàs vagyok hogy segitesz!Mèg a multkori "okositàst" sem köszöntem meg mikor a tengely fordulatot kellett kijelezni.Holnap-holnaputàn összerakom a kapcsolàst ès kiprobàlom utàna majd jelentkezek!Mègegyszer ezer köszönet!
Üdv.Megépitettem a kapcsolást és szépen müködik.Viszont nemigazán sikerül beállitani....Ha szabályozhato táppal adagolom neki a feszültséget akkor szépen villan a led a két érték elérésekor,viszont mikor a hall jeladoval meg az 555 elektronikával probálom akkor csak villog kb 30km/h-tol-160-ig azután elalszik....Szerintem az a baj hogy kicsi az 50és a 80km/h közötti feszültségnövekedés az 555 kimenetén kb 0.10volt.Ezt lehetne e szélesebb határok közé erösiteni esetleg...?Pl legalább jolenne egy voltos eltérés a két érték között..Akkor szerintem sokkal pontosabban belehetne állitani.Mellékelem az 555-ös kapcsolást amire a hall jelado csatlakozik.Esetleg valamit rosszul kötök be rajta?Mivel nem a bemenetre kötöttem a hall-t hanem a c1 után,mivel a hall kimenete negativ impulzus és ezt hiába kötöm itt az R1re nemtörténik semmi.
A hozzászólás módosítva: Okt 2, 2014
Hello! Igazából nem csodálkozom. Számtalan gond van itt, és lehet nem is lesz jó. De..
- A Hall kimenetét, ne a C1 után, hanem a Q1 helyére kösd be. A Hall kimenetét nem célszerű közvetlen az 555 2-es lábára kötni, mert a moonostabilt a jel lefutó élével kell indítani. Ha közvetlen rákötöd, akkor amíg a Hall kimenete alacsony szinten van, addig a Q kimenet magas. Vagy is nem igazán a monostabil fogja meghatározni az időzítést, hanem a Hall jelének kitöltése. Mivel a kitöltés a fordulatszámtól független értékű (mechanikai felépítés fogja meghatározni) nem is változhatna a jel átlagértéke a fordulatszámtól. - Cseppet számolgatni is kell. A monostabil időzítését itt R6*C2 határozza meg. Ez jelenleg 2,2ms körül van. A monostabil lényege, hogy a maximális fordulatszámon sem legyen a kitöltés 100%, mert ez után a bementi jel és a monostabil idő interferenciája fogja vezérelni a monostabilt. Vagyis ettől felfelé össze-vissza fog ugrálni. (Ha a monostabil időt a periódusidő 80%-ának vesszük, akkor a periódusidő 2,75ms-nál gyorsabb nem lehet. Ez másodpercenként 1s/2,75ms=363,6 impulzust jelent. Percenkénti fordulatszám esetén ez 60-szor több, vagy is 21818 fordulat. Ez lenne a maximális fordulat, amit fel tud dolgozni. De mivel ez a kapcsolás eredetileg egy négyütemű négyhengeres akármihez való, ami egy körülfordulásra két impulzust ad, nem egyet, a fordulat maximuma ennek felére vagy is 10910ford/perc-re adódik.) - Nyilván nálad a jel sokkal lassabb, és a kutya (többek között) itt van elásva. Nekem fogalmam sincs, honnan és milyen jelet veszel le, a mágnes hány pólusú. De régi ismereteim szerint a kilométeróra 1 méterenként fordul egyet. Ha mondjuk a gép maximális sebessége 160km/h akkor a Hall itt óránként 160000 impulzust ad. Másodpercenként ez 3600-szor kevesebb, vagy is 4,444 impulzus/másodperc. Periódusidőben ez 225ms! Tehát ez a maximális sűrűség. Ha ennél a kitöltésnek 80%-nam kell lenni, akkor a monostabilnak 180ms időzítésűnek kell lenni. (Nem 2,2ms!) - Nézzük az átlagértéket. Ha 5V tápfesz mellett az 555 kimenete maximum 4V-ra tud felmenni, akkor 80% kitöltés mellett az átlagérték kb. 0,8*4V=3,2V. Ha a kocsi nem 160-al, hanem 80-al megy, akkor nyilván az átlagérték ennek fele, vagy is 1,6V lesz. 50-es sebesség esetén, pedig 1,25V. Az arányt nem tudod megváltoztatni, hiszen azt az 50 és 80 aránya adja. Megváltoztatni az arányt, csak eltolással lehetne, ami ugyan úgy hibákhoz vezetne, hiába erősítenéd fel. - Ha az 555 kimenetét műszerrel méred, akkor az a jelet átlagolja. Az információt a négyszögjel feszültsége és a kitöltés szorzata adja. (Vagy is a görbe alatti terület integrálja) Avagy a négyszögjelet ami az 555 kimenetén van, nem lehet közvetlen a komparátorra vezetni, azt integrálni kell. Ha az integrálási időállandó 10-szer nagyobb, mint a periódusjel, akkor az átlagérték hullámossága mondjuk a tizede lesz a négyszög feszültségének. Ha most a 225ms-hoz viszonyítjuk, és 2,25sec időállandót (R*C szűrést használunk a kimeneten), akkor is durván 400mV lesz a hullámosság. A két sebesség érték közötti távolság, meg 350mV. Vagy is imán "kattogtatná" a jel, mind két komparátor kimenetét. Tehát ne 10, hanem inkább 100-szoros időállandót kellene használni. Ami 22,5sec időállandót jelentene, de egyben ugyan ekkora jelkésést is okozna. Vagy is a jel az integrátor kimenetén 22sec múlva lenne 160-as tempó mellett 2V értéken. Tehát ez az "analóg megoldás" (mármint hogy frekvencia-feszültség konverteret használsz), ehhez az alkalmazáshoz szerintem használhatatlan lesz. Kivétel, ha az impulzusszámot növelni tudod és ennek megfelelően az integrálási időállandót "kordában tudod tartani".. Szerintem a megoldás az digitális frekvencia komparálás (és majd az ezt követő integrátor, ami a jelváltozási sebességet korlátozza elfogadható szintre) oldaná meg. Vagy egy "kazal" logika, vagy mikrógép program lenne a megoldás. Gondolom sikerült kedvedet szegni, de minden estre ha megérted, tanulságot tudsz belőle levonni.. A hozzászólás módosítva: Okt 2, 2014
Szia!Köszönöm a segitséged és fáradozásod,hogy elmagyaráztad a problémákat és hogy hagyjam a fenébe az egészet mert nincs értelme
.Keresgéltem neten egy kontrolleres megoldás után és láss csodát találtam is egy olyant ami nekem jolehetne....Mellékelem a dokumentumot,megtennéd hogy vetsz rá egy pillantást?Végül is az áramköri része az nem nehéz,amiben nem vagyok biztos az az hogy hova kell tenni a jeladot?Arra a tengelyre ami hajtja a kerekeket?Kellene rá tenni 4 mágnest és a mágnesekhez közel rögziteni a jelado tekercset?És a mágnesek milyenek legyenek-lehetnek?Van pár tucat rossz hdd-m.Azokbol valo mágnesek jólennének?Mégegyszer nagyon köszönöm a segitséged! Üdv:Sly
Hello! Tekintve, hogy én nem ismerem az órádat (meg másikat sem) nehezen tudok ebben tanácsot adni. De feltételezem, hogy a legnagyobb fordulatú helyre kell tenni. Az pedig a bejövő tengely lesz. De ha már be van építve Hal, akkor nem érdemes az induktív jeladóval vesződni. Oda kell kötni a kimenetét, ahova az L1 tekercs az 1k-ra csatlakozik. Az"L1 másik vége" meg maradhat szabadon. A négy mágnesből meg olyant és úgy kell beépíteni, hogy kapcsolja a Hallt. De ha az már be van építve, akkor úgy is tudod,mi a jó.
Hát igen még mindig nem mondtam el hogy is néz ki a "szerkezet".Mellékelek egy képet rólla gondolom láttál már km-órát belülröl és betudod azonositani a részeket.Az a baj hogy itt egy mágnes forog körbe.Az elektronikához meg 4 mágnes kell gondolom pont azért hogy egy fordulatnál ne egy impulzus legyen hanem 4.Igy gondolom a hall jelados megoldás itt nemlessz jó...
Sziasztok!
Megépítettem a skori féle fordulatszámmérőt bővebben és olyan problémám van, hogy eléggé villog. Másodpercenként párat, de elég zavaró. Mit lehet vele kezdeni? Egyébként működik azt leszámítva, hogy trafóról kipróbálva 15 és 16 között ugrál, de pl. 220nF-al és 75K-val elég pontos és marad 15-ön, de ez a kellemetlen villogás zavaró. Hogy lehet megszüntetni? Amennyiben jól értelmeztem 0.3s-ként írja ki az új értéket, de valahogy azt kéne eléri, hogy az egyik értékről a másikra váltás olyan gyors legyen, hogy ne lehessen látni ezt a villogást.
Hello!
Ha azt érted "villogás" alatt, hogy pld. váltakozik 15 és 16 között, az természetes, Mert a 15,5-öt, hol 15-nek, hol 16-nak méri. A 0,3sec időalapot pedig nem lehet megváltoztatni. Mert.. pld. 3000 fordulatú jel frekvenciája 50Hz. Mivel egy négyütemű négy hengeres motor egy körülfordulás alatt két gyújtást ad le, így a 3000 fordulat 100Hz-nek felel meg. Vagy is ez másodpercenként 100 impulzust jelent. Ha a számláló kapuba az 1 másodpercből, 0,3sec ideig engedjük be az impulzusokat, akkor 100*0,3=30 impulzus megy be, vagy is 30-at fog mutatni a kijelző. Ez fele meg a 3000 fordulatnak, lévén hogy az alsó digit 100 fordulatokat mutatja. Ha megváltoztatnád az időalapot, nem felelne meg a digiten kijelzett érték a fordulatszámnak. Egyébként, ha gyorsan váltakozna, akkor sem lenne megfelelő, mert pld. a 15 a 16-al egyszerre lenne látható. Amit ugyan 16-nak látnál, de mi van mondjuk 1-es és 2-es szám esetén?
Az nem gond hogy hol 15 hol 16 a szám, mert az a 100nF és 120K ellenállással korrigálható. A baj inkább az, hogy pl, ha beáll 15-re akkor a 15 villog másodpercenként 3-at ami nagyon zavaró. Nem az időalapot szeretném állítani, hanem valamit kéne kezdeni, hogy két beírás között ne aludjon ki a led. Szóval az a bajom, hogy 15-öt mutat 0,3 sec-ig aztán egy pillanatra kialszik majd visszaírja a 15-öt és így eléggé zavaró az a kb. 3Hz-es villogás. Természetesen értem amit fentebb leírtál, de valahogy le kéne csökkentei azt az időt amíg a két érték között nem világít a led. Nem tudom ez ic függő vagy egyáltalán lehetne ez ellen tenni valamit?
A hozzászólás módosítva: Dec 6, 2014
Én nem használtam még ilyen IC-t, de az adatlapot nézve, akkor lehet sötét a kijelző, ha Reset van, vagy a kijelző multiplexelése ott áll meg, ahol nincs is Digit. (Lévén hogy a háromból kettő van használva.) Valahol ott kellene keresni a hibát. Leginkább valami szakadást..
De méregetni sem ártana, hogy látsz-e valahol a kimaradással "szinkronba" valami jelet. Nem tudom a 4053 4-es lába a 4060-ra van-e kötve, ha igen próbáld meg az 1nF-ot betenni. Ha esetleg bent van az 1nF, akkor növelni, változik-e a működése. Ennyi ötletem van..
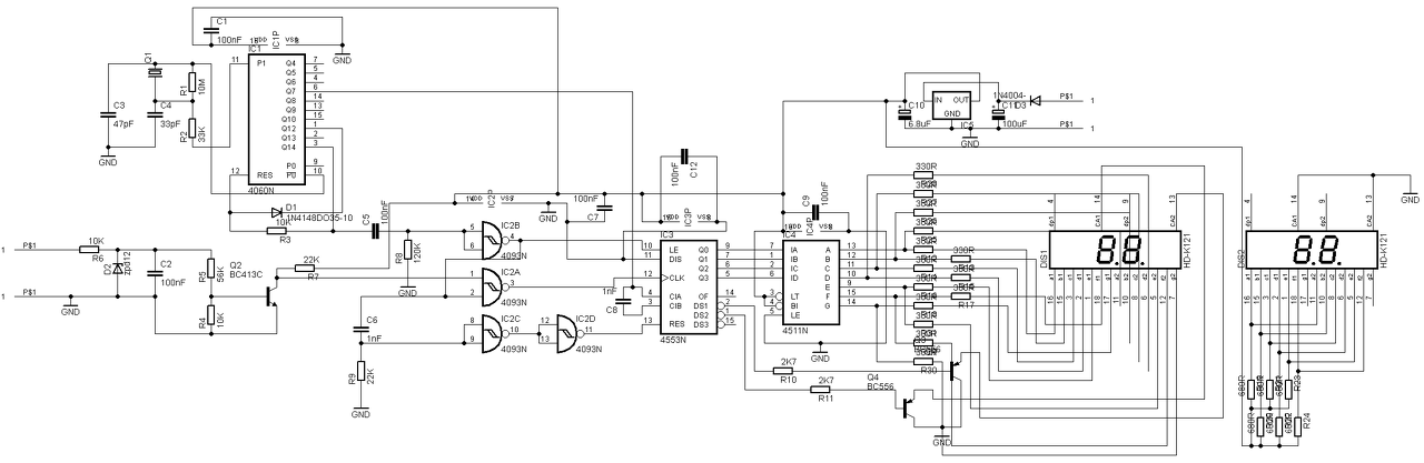
Mellékeltem a tényleges kapcsolási rajzot. Először szimpla kijelzőket akartam használ, de végül duplással lett, de maradt így a kapcsolás. Az 1nF megpróbálom növelni. Esetleg ha van valami hiba a kapcsolásba kérlek szólj.
Kipróbáltam nagyobb kondival nincs változás.
Pl. 220nF és 120K ellenállás esetén az első digit villog jobban, de második is, ekkor 14-15 között ugrál, 100nF és 120K-nál inkább a második digit villog jobban. A 22K és 1nF párosnál viszont ha pl beteszek egy kondit a 22K-val párhuzamosan akkor megszűnik ez a villogásos dolog (cserébe elkezd szépen jel nélkül is számolni egyesével).
Hello!
Annyi hibát látok, hogy vagy bent van a C8 kondi (1nF) és nincs összekötve az IC3 4-es lába az IC1 6-ossával, vagy ha a két IC össze van kötve, nem kell a kondi. Hátha a két freki interferenciája okozza a gondot. (Ha bent a kondi IC3 belső órajelről jár, ha össze van kötve,akkor a 4060 6-os láb frekvenciája működteti a multiplexert..) Az RC tagok idejének különösebb jelentősége nem szabadna lenni. Az R9-re nem tehetsz kondit, mert megszűnik a Reset jel. Egyesével azért számol, mert Reset nincs, a 300ms-os kapuzójel, meg bemegy az IC2b és IC2a-n keresztül az órajel bemenetre. Ha már kondikról és ellenállásokról beszélsz, akkor miért nem mondod a pozíciószámot? Mert nem tudom miről van szó..
Ok, akkor megpróbálom kivenni a c8-at, hátha az segít. Majd holnap megírom a fejleményeket.
Kösz.
Kivettem az 1nF-ot nem hozott javulást, de végül a 6-os lábat lekötöttem és visszatettem az 1nF-ot most úgy néz ki jó, már csak be kéne állítani a 100nF 120K ellenállással a 15-ös értéket, hogy ne ugráljon, de a villogás megszűnt. Még annyit jegyeznék meg, hogy volt egy olyan problémám, hogy induláskor 14-15 között ugrált majd 1mp után 02-03 között és úgy maradt. Minden tápráadáskor így csinált, végül kicseréltem a kvarcot és most jó. Tönkre tud valahogy menni a kvarc? Esetleg a tapizásra érzékeny lenne valami? Remélem több baj már nem lesz gond vele.
Kösz a segítséget!
Nem igen szokott a kavics tönkremenni, inkább az szokott gond lenni, hogy nehéz berezgetni a nagy impedancia miatt. (Vagy éppen vadrezgéssel más frekin működik) A panelt igen tisztára kell gyártani. Ha itt megnézed, elég változatos az oszci beállítása is.
Üdv! Nem tudtok valami módszert amitől a napfényben is látszanak a ledek? Valami spéci led nincsen amivel ez kiküszöbölhető? A ledek fényerejét nem akarom növelni mert, így is kellően világít normál fényben. A nagyobb látószögű led látszana? Jelenleg a lencséje színezett, azt hiszem ez csak 30°-os.
Köszi!! |
Bejelentkezés
Hirdetés |





. A dolog működik. 











