Fórum témák
» Több friss téma |
Fórum » 7 szegmenses kijelzők meghajtása számítógépről
Témaindító: Marty McFly, idő: Jan 20, 2008
Témakörök:
Szaisztok!
Olvasgatva a fórumot Dany18 ötlete nagyon megtetszett! A kérdésem az lenne hogyan lehetne számítógéppel lekezelni 12db 7 szegmenses kijelzőt? Úgy hogy mondjuk a párhuzamos port egy kimeneti csatornáját, használom! Gondolom soros adatátvitellel megoldható lenne ez! Ötleteket várnék a megvalósításra! Előre is köszi!
én nemigen tudok segiteni, de nekem is tetszik az öltelt. És m,égis mit mutatnél ki vele? Nekem ugy tetszene, ha egyszer kimutatná az időd, másszor a CPU hőmérskletet stb
nade 12db kijelző nem sok?
kiíratnám a komplett dátumot egy bazi nagy kijelzővel a falra! év hó nap óra perc. az évhez négy kell, a többiez pedig 2-2 összesen 12! ha másodpercenkén 25x elküldi az összes szegmensnek az informásiót (világít v. nem) akkor már folyamatosnak látszik! Az volna a lényeg hogy a progi 25Hz el küldje a jelet, csak azt nem tom, hogy a kijelzők előtt mivel lehetne irányítani hogy a megfeleő szegmens világít ill nem világít!
na én nemigen értek hozzá, de egy kijelzőnek minumum 10 Lába van. ÉS neked 12 db kijelződ van. Az tehát 120 láb. Ezt hogyan akarod a géprekötni? Mondjuk a 4 db kijelző ami az évet mutatná, az összeköthetnéd úgy, hogy állandóan 2008-at mutasson. Az a szám ugyse sűrűn változik. igy már csak 80 láb maradt. Mondjuk, hogy a dátum is 2 db kijelző. Azt is összeköthetnéd ugy állandóra. igy már csak 60 láb maradt. De a napokat mutató kijelzőket már nem lenne seft összekötni állandóra, mert akkor naponta kellene szétszedned. Lehetséges, hogy az lenne a legjobb megoldás, ha egy külön vezérlőt épitenél az órádnak. DE ez csa 1 5let volt.
Lehet, hogy lehetséges mind a 120lábat rákötnia gépre. nemtudom
Szerintem biztos hogy lehetséges! Nézd mega tv adást az a sok képpont egy kábelen jön, ami két eres az árnyékolást is bele számítva! Csak kellene egy áramkör ami pozícionálná, hogy mikor melyik szegmensre menjen a jel! képzeld csak el hogy van 7 szegmens, és ki akarod írni hogy 0! Egy áramkör lépkedne végig sorba a lábain, 1, 2, 3, 4, 5, 6, 7, ugye a 7 es szegmens van középen ami a nuláhopz nem kell hogy világítson! A számítógép küldi a jelet, hogy 1111110 és így 1-6 ig a szegmensek világítanak, a 7. pedig nem! És itt jön hogy másodpercenként 25x kell ezt végigcsinálnia hogy folyamatosnak lásd! Csak egy áramkör kéne ami pozícionálja hogy mikor hova menjen az információ! Aztán már nem is olyan bonyolult az egész!
Há igaz! én csak egyötletet mondatm na!
hajh...
a kulcsszó az Időmultiplexelt vezérlés. a 7 szegmenses kijelzők összes azonos szegmensét összekötöd, lesz 8 db vezetéked eddig. van 12 kijelző->12 anód(vagy katód, kijelzőtől függően) Ez így összesen 20. Ha azonban a 12 vezérlőő vonalat egy dekóderen (4:16) keresztül hajtod meg (elvégre egyszerre úgyis csak egy lehet aktív), akkor 12 lábra redukálható az egész. Az már belefér egy párhuzamos portba. Az anódokat 1-1 tranzisztorral hajtod meg, és a bázisukat vezéreled (kell 12 tranzisztor is, az hogy NPN vagy PNP attól függ hogy közös anódos vagy közös katódos kijelződ van) a vezérlés abból áll, hogy egy időpillanatban mindig csak egy kijelzőt hajtasz meg (és ezt a közös anód/katóddal választod ki hogy melyik legyen), és a közös szegmens "busz"-ra kötöd rá az éppen kijelzett értéke. --- alternatív megoldás: minden kijelzőhöz odateszel egy 8 bites shiftregisztert, a 12 shiftregisztert sorbakötöd, és kell kb 3-4 vezeték az egészhez. -soros adatbemenet -órajel -kijelző engedélyezés (output enable) -írás engedélyezés a kijelzőket a frissítés idejére ki kell kapcsolni, frissítés után pedig a regiszterek miatt meg fogják tartani az értéküket.
Na ez jól hangzik! Én is valahogy így gondoltam! Esetleg valami egyszerű kapcsolási rajzzal ki tudnád ezt egészíteni? Jah és mégvalami! Mi van akkor, ha ezt az egészet a Dany18 által emlegetett 3 kijelzőre szeretném bővíteni? Vagy az úgy már nagyon bonyolult?
azt ne várd el, hogy helyetted dolgozzunk.
ezekkel a kapcsolásokkal több a macera, mint amennyit ér az egész. a shiftregiszteres változatot akármennyi kijelzővel bővítheted.
Ezt anyival egészíteném ki hogy a párhuzamos port 8 kimeneti csatornájából 1 et másra szeretnék használni! Tehát öszesen 7 csatorna lenne szabadon ennek a megvalósításáshoz! Azt nem lehetne megoldani, hogy 1 csatornán menjen ki egy kijelzőnek az egész jele? Úgy egyszerűbb volna rá megírni a programot! És mégvalami! Tom hogy ez már nem ehhez a topikhoz tartozik, de hogyan lehetne 0-9 ig a számokat, az entert és a tab-ot kihozni 12 nyomógomra? Elképzelésem szerint hasonló a helyzet, csak itt visszafelé megy az információ! Másik topicba már megírták hogy mátrixba kell kötni a nyomógombokat, de milyen áramkörrel lehetne a nyomógombok koordinátáit közölni a számítógéppel? A párhuzamos porton van 4 bemeneti csatorna!
Én csak úgy értettem hogy egy egyszerű kis kapcsolásssal 1 -2 kijelzőre leegyszerűsítve!
Szia! Nos ugye a kijelzők összekötöd, ésa negatív kivezetéseket kapcsolgatod, annak megfelelően, hogy melyik kijelzőre adsz jelet. Szerintem ezt meg lehetne oldani egy 555-ös IC-vel! Majd még írok úgyis...
sziasztok!
Énis épp hasonlón gondolkozok, de én mindössze 4 db. számot szeretnék látni, ami a pillanatnyi időt mutatja. Találtam is hozzá egy haszálhatónak tűnő rajzot . Egy kérdése azért lenne. vagyis mingyárt több is. -Pcből hogyan szerezzek 6 V-ot? 12v+előtét ellenállás? -Ilyen IC-t hol találok? HQvideonál, conradnál, konthánál nincs. Texsastól lehetne rendelni, de ez nem ingyenes ![]() -a kapcsirajz alja mintha le lenne maradva. ez azt jelenti, azokat kössem a földre?. Mért van 3 tranyó a 4 kijelzőre? nem ugy lenne a jó, ha minden kijelző anódjára rákötném a tranyó emitterét?, ahogy az első kettőnél is van? Valószínű csak a kép fele maradt le, vagy tényleg így lenne? -a leírásban ír hozzá valami programot, de nem találom sehol sem. Milyen progi kellene hozzá? meg lehetne az órát úgy oldani, hogy a gép kikapcsolásakor is működjék?? vagy ahozmár neem kéne bele legyártanom a PICet és a többit? remélem érthetőek a kérdéseim. Kössz a választ előre is: Uli
milyen programot keresel? írj hozzá egyet!
a kapcsolás úgy máködik, hogy a 2-5 pontokon kiküldöd a bcd számot, amit meg akarsz jeleníteni. viszont ahogy elnézem nem fogod tudni egyszerre különböző számokkal bombázni, mivel ugyan ahhoz a bcd to 7segm ic-hez van kötve az összes... ez szerintem így arra jó, hogy szépen "végigpásztázza" a kijelzőket, és egyszerre mindig csak az egyiket jeleníti meg. (attól függ milyen programot írsz hozzá) a 2-5 pontokon kirakod a számot, a 6-9 pontokon meg a kijelzőket kapcsolgatod... ha ezt akarod megépíteni, akkor szerintem akármelyik bcd to 7segm ic-t választhatod, amelyik neked megtetszik, és a lomexnél is kapsz belőle rengeteget. egyébként valóban lemaradt a rajz alja, de kis logika alapján ugyana azt látod rajta, mint kicsit feljebb, ill. a kapcsolás neve van még odaírva
-Nem igaz, hogy a Konthában nem lehet kapni ezt az ic-t! De máshol is kapsz, ez biztos.
-A gép kikapcsolása után ez az áramkör biztosan nem fog működni. -Programot neked kell hozzá írni. Én nem tudok programozni, de biztos vagyok benne hogy egy ehhez való progi nagyon egyszerű. -Ha érted a kapcsolás működését, akkor azt is ki lehet találi hogy mi maradt le a rajz aljáról.
Szevasztok!
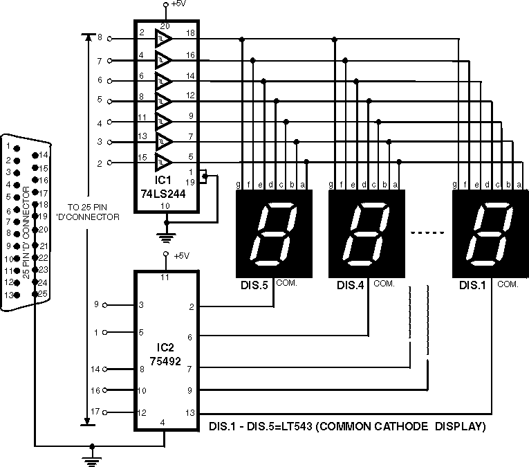
CD4511 - BCD to 7SEG DECODER - TI-től ingyé DIP-tokban LPT Port: 4 bit a BCD-re 4 bit a DEMUX-ra így 16 7segmensest is lehet vezérelni. Áramkör: a kijelzők közös elektródáját tranzisztorral hajtva a demux egy-egy kimenetéről, minden 7segmenses megegyező szegmensét összekötni, és előtéttel a BCD-re (elég az egész pakknak 7 előtét) a szoftver sem nagy kunszt hozzá: 16 kijelző ergo 16 periódus Periódusok: A demux 4 bitjén kiválasztod az egyik kijelzőt, a CD4511 4 bitjére meg kirakod a kiírandó számot 8 bites kimeneti regiszterbe egyidőben be tudod ezt tenni... periódusok között tetszőleges időzítés szoftveresen... és az egészet bele egy végtelen ciklusba, esetleg közbeiktatni az adatok frissítését. A feladat megoldásához ajánlom a pascal nyelvet, ahol van előre deklarált port tömb, de asm-ben se lenne megterhelő. Viszont XP alatt meg kell kerülni a vindózt, mert nem enged "csak úgy" hozzáférni az LPT-hez. Ehhez ÜDV: Zsolt
Szia!
Idézet: A kapcsolás megy simán +5V-ról is! És ha minden igaz, akkor az 5V-ot a PC tápok is tudják „Pcből hogyan szerezzek 6 V-ot?” Maximum annyit kell változtatni, h a 7447-es IC kimenetén levő előtétellenállások értékét kell módosítani! Szerintem az áramkör időmultiplexelt elven működik, tehát a 7447-es IC bemenetére kell a 7szegmenses kijelzők adatait eljuttatni az LPT portról, és a megfelelő digit kijelzését a tranzisztorokkal vezérelni. Így egyszerre mind a 4 számjegy látható lesz!Üdv
Hoppá.. nem fejeztem be
![]() ...... Ehhez a UserPort nevű program megfelel.
Nekem egy olyan elképzelésem volna hogy egy PIN-en keresztül küldenék ki bináris jeleket, és egy áramkör mindig ugyanolyan sorrendben végigpáztázná a szegmenseket az összes kijelzőn! Így a kimenő adat így nézne ki 110011110000110100001111100... stb 25Hz-es frissítéssel ezt mindig végig csinálná! A program megírása nem okoz gondot! Úgy gondolom egy 555 ös IC-s áramkör kellene ide, ami vezérelné hogy az aramkör mikor váltson a következő segmens lábára! Ha veszünk egy egyszerű példát kiíratom hogy 1! A progi küldi a jelet hogy 0110000 és így az a két szegmens világít, ami az egyest ábrázolja! Így tovább végig lépked az összes kijelző összes szegmensén, majd kezdi elölről az egészet! 25Hz nél ezt már folyamatosnak látszik! A kérdésem milyen éramkörrel lehetne megoldani ezt a léptetgetést?
Még valami! Hogyan lehet szinkronizálni hogy a gép is olyan frissítési sebességgel küldje a jelet, mint amilyen gyorsan a kijelző frissít? Esetleg a gép egy másik PIN-en keresztül adna minden jellel egy impulzust, ami előidézhetné hogy az áramkör váltson a következő szegmensre! Ez így megoldható?
Miért szegmensenként? Ott van a BCD->7szegmens dekóder ic.
Jó de akkor nem elég a 2 vezeték az adatátvitelhez! Vagy igen? Ez hogy nézne ki? Lenne belőle 12db, és minden 7. jel után váltana a következőre a 12 ből? vagy hogy?
Engem is a bináris adatátviteles dolog érdekelne! Valakinek nincs valami jó ötlete, a megoldáshoz? Nem hiszem hogy ez akkora bonyolult áramkör lenne! egy kér tranzisztor az anódra fixen kapná a + jelet, a katódok meg visszamennének egy kontrollerbe, ami mindig másik lábbal zárja az áramkört! Csak az a kontrolleres dolog nem tiszta hogy hogyan lenne jó! Valaki segítsen!
Na ja! Ha valaki ezt megoldja, azonnal megy neki az 50 pont!
Nem, akkor nem elég. Csak nekem nem esett le hogy te két vezetéket akarsz mindenképp.
Ez érthető! Nem fogalmaztam elég pontosan!
Ennek az egésznek a megoldádhoz nem volna jó egy bazi nagy sok lábú IC, ami ilyen felhasználásra hivatott? Vagy PIC-el valahogy megoldani nem lehetne?
Hello!
Ha két vezetékkel szeretnéd megoldani, jobb lenne a sorosport, de ha írsz soros protokollt az LPT egyik PIN-jére az is megteszi. Az elgondolásodat mikrokontrollerrel könnyedén lehetne kivitelezni: uC ---> sorosportra vagy ál sorosportra bájtonként2 db számot kódolhatsz benne ergo: 6bájt = 12számha másodpercenként kell 25*6 bájt azaz 25*6*8 bit, akkor 1,2kbit/s-os adatátvitel kell. De mivel a kontrollernek fel is kell dolgoznia, kicsit nagyobb sebesség nem árt. Ha nem akarsz sokat költeni a kontrollerre, szintén nem árt a demultiplexer, BCD to 7SEG driver IC. Mikrokontroller nélkül egészen más a helyzet. Így inkább a 3szálas megoldás lenne praktikus. (test - adat - órajel) innen az órajellel léptetni egy számlálót, ami sorba aktiválná a segmenseket, ezt leosztani 7-el ami pedig sorba aktiválná a számokat. Ez azért nem lenne túl prktikus, mert így 12*7 = 84 ciklus lenne, amiből minden led csak egyben világítana. Így a nagyon kicsi kitöltési tényező miatt alig világítana hiába a sebesség. Ezt lehetne ellensúlyozni kisebb előtéttel, de akkor már tranzisztorral kell hajtani, és ha megakad valamiért pl: lefagy a program nem biztos h kibírná az épp aktív szegmens röhögés nélkül CS
Isten ments csak a csatolmányokat néztem de nincs
![]() Nekem van egy ilyen kapcsolási rajzom. Ha minden igaz akkor ez is innen van még régről ![]() Csatoltam
Ez a 3 vezetékes megoldás tetszik! Ha a tranzisztorokra csak anyi áramot engednék rá hogy a fényerő megfelelő legyen, de a szegmens ha hosszan világít akkor se égjen ki, magyarul a középutat választanám ha van olyan akkor már jó lenne nem? Esetleg tudnád nekem szinesíteni a hozzászólást egy rövid kis egyszerű kapcsolással! Elég ha egy kijelzőn látom h mi van utána ezt már valszeg tudnám folytatni mind a 12-re! Köszi a segítséget!
|
Bejelentkezés
Hirdetés |




nemtudom

Maximum annyit kell változtatni, h a 7447-es IC kimenetén levő előtétellenállások értékét kell módosítani! Szerintem az áramkör időmultiplexelt elven működik, tehát a 7447-es IC bemenetére kell a 7szegmenses kijelzők adatait eljuttatni az LPT portról, és a megfelelő digit kijelzését a tranzisztorokkal vezérelni. Így egyszerre mind a 4 számjegy látható lesz!






