Fórum témák
» Több friss téma |
Üdv. Megépítettem az alábbi kapcsolást, működik is, egy dolgot leszámítva. Mikor 9,5V alá megy a tápfesz, elkezd számlálni. Pörögnek a számok folyamatosan. Annyi a változtatás, hogy a 2N2222 helyett BC337 van benne. 8V-ról szerettem volna üzemeltetni, de így az nem jó. Lehet ezzel valamit kezdeni, vagy ez ilyen?
Lehet. Hozzáteszem, ilyen csúnya, kusza kapcsrajzot már régen láttam.
A 15-ös lábon lévő 10k-t cseréld 1k-ra és a tranya bázisába köss be sorosan egy 1k-t. Nagyon csúnya dolog ráengedni a tápfeszt. Én az 1-es lábat is lehúznám tesre egy 1k-val és kollektorba is kötnék egy soros 470 ohm -ot. Az IC-k tápfesz lábairól hiányzik a 100nF kondik.
Köszönöm a segítséget! Rádrótoztam a panelra a javasolt alkatrészeket és tökéletesen működik.
Helo! Igazából, csak egy dolgot kellett volna csinálni. Kidobni a tranyót, és a bázis-emitter helyét rövidre zárni. Mert az ég világon semmi szükség rá.. üdv!
Sziasztok!
Egy olyan digitális áramkört szeretnék létrehozni, amely egy csuszóérintkező (vagy valamilyen érintkező) érintkezéseit számolja, és a következő érintkezésig tárolja. Egy 2 számjegyű kijelző segítségével szeretném jelezni, hogy épp mennyinél tart a számolás. A számlálást 50-ig menne, majd ha az első 7szegmens kijelző eléri az 5-öt, akkor Reset, és 0 ról újra indul. Ez a számláló nekem egy Airsoft-ra kellene, hogy tudjam mennyi BB van a tárban. Tudnátok kezdő lökést adni, hogy mit hogy kellene? Illetve hogy milyen IC-t érdemes használni? Az is érdekelne hogy tudok-e beszerezni 2 számjegyű kijelzőt.
Össze rakhatod többféleképpen is.
Meglehet oldani tisztán TTL áramkörökből. 2 számláló + 2 dekodóli ic-re van szükség hozzá. Vagy meglehet oldani mikrovezérlővel is.
Sziasztok!
Egy olyan BCD visszaszámláló áramkört szeretnék csinálni, ami rendelkezik egy Start/Stop gombbal. A működése pedig úgy nézne ki, hogy 00ról indulna automatikusan a számlálás egyesével és 400microsec -ként csökkenne. Ha benyomva tartjuk a Start/Stop gombot akkor addig áll a számlálás. A Reset gomb hatására pedig 30ról kezd vissza számolni. Gondolom hasonlóképpen kellene csinálni mint az első hozzászólásban levő feladatot, csak itt automatikusan kell menjen a számolás. Köszi előre is az ötleteket! A hozzászólás módosítva: Ápr 27, 2014
Hello! Mielőtt igen belelendülsz, kicsit gondold át.
- Ha visszafelé számol, és nulláról indul, akkor hova és meddig megy? - A Start/Stop gomb az egy gomb vagy kettő? - Ha a számlálás 400us-al léptet, akkor 30-at 12ms alatt, vagy is alig több mint egy ezred másodperc alatt számol le? Mit fogsz abból látni? - Egy Reset, nullára állítja a számlálót, Te pedig 30-ra szeretnéd. Vagy is nem a Reset hanem a PE lábat kell működtetni, és az A1-A4 bemeneten beállítani a 30-as kódot. - Az, hogy automatikusan lépdel valami, az azt jelenti, hogy van órajele (ütemjele) a számlálónak.
Szia!
Először is köszi a választ! -A Start/Stop gomb az 1 gomb. Azért írtam, hogy amíg nyomva tartod addig kellene, hogy megszakítsa a számlálást. -Én úgy gondoltam, hogy 00-ról indul és 99, 98, 97... számol. -A 400nál elírtam... milisecundum a mértékegység. -Hát elvileg egy aszinkron reset kellene. A 30-as kódot hogyan tudom beállítani milyen makrót kell használni? -Igen az órajeles dolog az stimmel... Csak nekem az elinduláshoz kellene egy kis instrukció, hogy milyen elemekből kellene építkezni. A hozzászólás módosítva: Ápr 27, 2014
Akkor még egyszer gondold át a követelményeket.
- Ha 00-ról számlálsz visszafelé, akkor hogy fog ez 00-ra állni? A "Reset gombbal" 30-ra szeretnéd állítani. Ha Stopra váltasz, akkor nullára áll, vagy megáll a számlálás? Mert ha az utóbbi, hogy kerül ismét 0-ra? A "Start gomb" nyomása alatt? (Ami ugyan az a gomb.) Tehát ezt át kell gondolni, mikor mi legyen és abban ne legyen logikai bukfenc. - Milyen makrót? Szoftveres lesz, nem hardveres? Mert ha szoftveres, akkor olyan makrót kell használni, amit megírsz. - Hogy milyen elemek legyenek, ahhoz elsőkét az is kell, hogy miből készítenéd. Digitális IC-k, vagy mikrokontroller.
Üdvözletem!
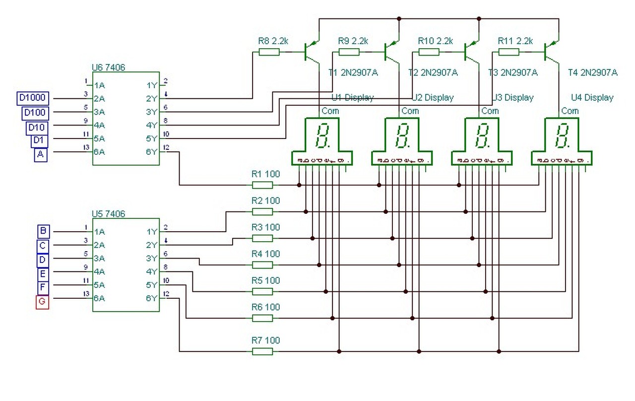
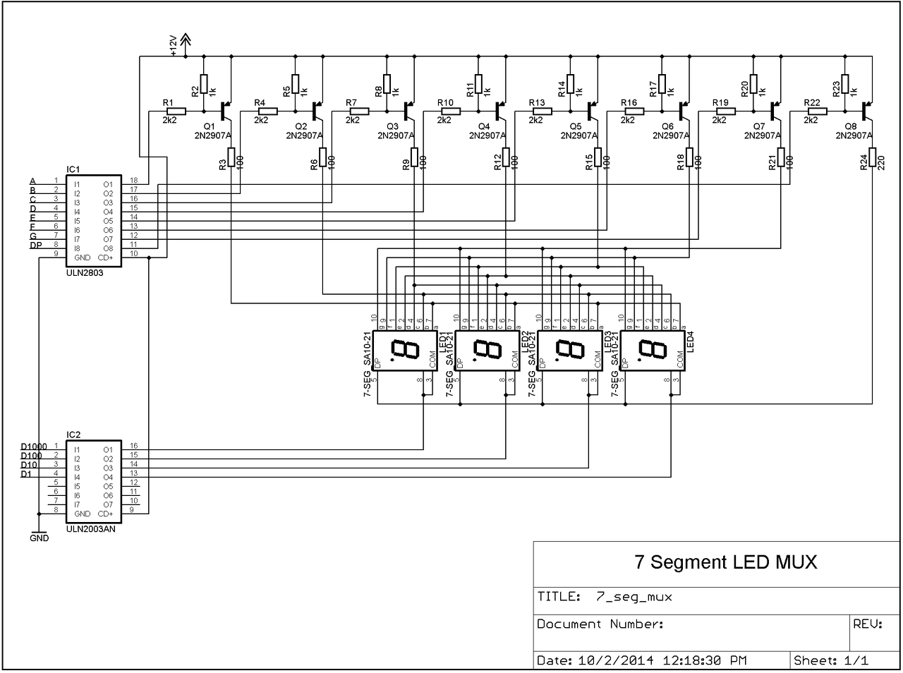
Segítségre szorulok, szintén 7-szegmens kijelző építése ügyében. A mellékelt rajzon szereplő áramkört építettem meg, amely valójában 4 db 7 szegmens kijelzőt tartalmaz, de a rajz így is szinte áttekinthetetlen. A lényeg, hogy közös katódos (SC23-12EWA) kijelzőket hajtok Arduino UNO-ról, multiplexben, de a kijelzőknek nem elég az 5V, ezért beiktattam 3 db K847B optocsatolót. Így az OC1 a katódokat kapcsolgatja, az OC2, OC3 pedig a szegmensek anódjait. (vagyis, bár a rajzon nem szerepel, de az OC1 11-16 ig, az Arduino digital 11-13-hoz csatlakozik). Elnézést a rajz miatt, még nincs benne gyakorlatom... A probléma: minél több szegmens világít egyszerre, annál halványabb a kijelző. Stabilizálni kellene a feszültséget? Az optocsatolók előtt vagy után? Hogyan? Minden építő javaslatot köszönök!
Talan probald meg lerajzolni az optot reszleteiben, es rajossz mi a hiba. Az optoban a dioda a bemenet, es a tranyo a kimenet. Amugy ez az optos meghajtas nem egy jo megoldas. A digit meghajtast meg lehetne oldani egy ULN2003 tranyosorral, a szegmensmeghajtast pedig opto+PNP tranyoval.
Köszönöm a válaszod, de kérlek, részletezd... Ennyire sajnos nem vagyok penge, eddig csak programozással foglalkoztam, építéssel nem. A lényeg, hogy a mikrokontroller 5V-ot tud, a kijelzőnek pedig 9-12V kell. A két különböző feszültségű áramkört nem kell feltétlenül elszigetelnem?
Letoltod a PC847 adatlapjat es megprobalod az alapjan visszarajzolni a kapcsolasodat. Ja es probalj meg foglalkozni az elektronika alapjaival, ha mar erre a teruletre tevedtel. Ez nem PC, aholis a HW-t szigoruan elrejtik a programozo szeme elol.
Kösz, megnézem.
Hasonló megoldást szoktak választani. Neked a 8 szegmenshez kell 8 a felső kapcsolóból ( a Dp-hez persze más ellenállás kell, mint a többihez), a 4 digithez 4 db az alsó tranzisztorból. A méretezést itt tárgyaltuk, de itt nem annyira lényeges, mivel az áramot úgyis az ellenállással állítod be.
Köszönöm! Én parasztlogikával úgy próbálom használni az optocsatolót, mintha egy villanykapcsoló lenne, ami összeérinti/szétválasztja a vezetéket. Ezek szerint hibás volt a logikám?
Nem hibas az a logika, de egy optocsatolo az nem kapcsolo teljesen. Van egy atviteli tenyezoje (CTR), ami meghatarozza a tranzisztoron folyom aramot. Ez az adat a dioda nyitoiranyu aram es a tranzisztoron folyo aram aranya.
Értem, szóval lecsökken a feszültség, ezért lesz erőtlenebb a kijelző fénye? Az van, hogy az Arduino miatt praktikusabb lenne köszös katódosat használnom, de a nagy fényerejűeknek magasabb tápfesz kell. Az Arduino 5 V-os áramkörét pedig nem kéne összeeresztenem a külön tápegységről jövő 12 volttal. Az Arduino csak mint vezérlő játszana.
Na ez egy megoldas. Az arduino kimeneteinel a "H" szint jelenti a bekapcsolt digitet es a szegmenst. Termeszetesen az arduino es a display tap GND az kozos.
A hozzászólás módosítva: Okt 2, 2014
Nem bogoztam végig a rajzodat, szerintem nem azért változik a fényerő a világító szegmensek függvényében, hanem azért, mert ellenállás van a közös lábon, így a rajta eső feszültség függ a bekapcsolt szegmensek számától. Ha megnézed a PC847 adatlapját láthatod. hogy a megengedett max. áram 50mA, míg a 8 digit x 20mA=160mA.
Nagyon köszönöm a tippeket, kipróbálom őket, és majd visítok, ha elakadtam
A hozzászólás módosítva: Okt 2, 2014
Megnéztem a rajzomat, mert nem értettem, miért mondtátok hogy fordítva vannak az optók bekötve. Elnézést, csak fordítva rajzoltam.
A hozzászólás módosítva: Okt 3, 2014
Sziasztok!
Építenék egy digitális potit enkóderrel és 2x7 szegmenses kijelzővel ami 0-99 ig számol oda vissza. A meghajtó CD4543 a számláló pedig CD4510. A fel és lefele számlálás már működik. Már csak egy problémám van. Hogyan tudnám megoldani a számlálók túlcsordulását. Csatoltam egy rajzot is ami az enkóderhez tartozik. Előre is köszönöm. A hozzászólás módosítva: Okt 9, 2014
Szia!
Néztem már ezt is, de nem értem, hogyan áll meg a számlálás.
Hello!
- Ez +-99-ig számol. De számodra a lényeg, hogy infó kell, ha a számláló 0-án, vagy 99-en áll. - A "nulla jelzését" egy diódás VAGY kapu állítja elő. Mert nyilván semelyik bit nem lehet magas szinten, ha nulla van. Ennek invertáltja a "nulla állapot". - 9-nél, pedig a "CO" átviteli bit lesz nulla. Vagy is ha bármely átviteli bit magas, nem lehet a szám 99. De mivel nullánál is megjelenik az átviteli az átviteli bit alacsony szintje, a nullát is figyelni kell. Tehát az is egy VAGY kapu, ahol semelyik CO bit, vagy a nulla jelzése, nem lehet magas szintű. Ha ez fennáll, akkor 99-van. Ez is invertálva van. - Megállítani a bementi órajelet, meg már magad is tudod. |
Bejelentkezés
Hirdetés |













