Fórum témák

» Több friss téma
Fórum » Világitás bekapcsolás késleltető
Lapozás: OK   1 / 1
(#) cappy20 hozzászólása Jan 21, 2008 /
 
Helló! Már egyszetr irtam ez ügyben, de saját hibámból le is irtottak a fórumról a témámmal együtt, ezért megirom megint. Szóval énnekem egy olyan kapcsolás kellene, amivel egy pár izzó bekapcsolását tudom késleltetni olyan 2-3 másodperccel. Az izzók 230V-osak lennének, de energiatakarékosak, tehát max 35W. Erre azért volna szükségem, mert 4, vagy 5 lámpát felakarok tenni a házam oldalára és azt akarom, hogy ne egyszerre kapcsolódjanak fel, hanem egymás után. gondolkoztam 12 és 24 V os vezérlésen is, amely 1 relével sorra kapcsolgatná befele az izzókat. Ha volna ilyen kapcsolásotok, toljátok más fel a fórumra!
kössz!
(#) kobold válasza cappy20 hozzászólására (») Jan 21, 2008 /
 
"Leirtottak", elég durva kifejezés... Modik nem szoktak ok nélkül ilyet tenni...
Az alábbi rajzon az NE555 kaszkádosítását láthatod; annyi időzítőt kell beépítened, amennyi kimeneted van. A járulékos elemek (trafó, relék, stb.) nincsenek rajta, de a HE témái között találsz elég infót. Értelemszerűen a villanykapcsoló az egész tápellátását kapcsolja, az előbb említett trafót. Mellesleg a kép az NE555 adatlapjából való...
Vagy ha csak egy időzítőt akarsz használni, a kimenetét egy sorosról-párhuzamos léptetőregiszter órajel-bemenetére teszed, és az egyes kimenetek, teljesítményillesztéssel persze, meghajtják a reléket.
(#) Kiss Gábor hozzászólása Jan 21, 2008 /
 
Szerintem ez kell neked
a kapcsolót rövidre zárod és amikor megkapja ez a kapcsolás az áramot attól számított pár másodperc múlva húzza be a relétBővebben: Link
(#) cappy20 válasza kobold hozzászólására (») Jan 23, 2008 /
 
Nem ok nélkül tettek ki én hibám volt, kössz a rajzokat megépitemamelyiket jobbnak látom, és ha valamit nemtok majd zaklatlak még titeket.
(#) _JANI_ válasza cappy20 hozzászólására (») Jan 23, 2008 /
 
Valami egyszerű MMV-kell neked amit a hálózat bekapcsolása indít el. Minden egyes lámpa elé kell egy egység, amik különböző időre vannak beállítva. Így nem kell külön vezetéket befűzni a meglévő vezetékek mellé, azaz könyen adaptálható lenne a meglévő hálózatodba. S ha elég kicsire eltutdod készíteni akkor talán még a lámpatestbe is belefér. Valami "spec" hálózati kapcsolást kellene találni, mert akkor nem kell a törpefesszel - relével vesződni. S úgy mehetne a terhelés kapcsolása triakkal is. Majd körülnézek hátha találok valami egyszerü hálózati időzítőt.


Persze némi ügyeskedéssel akár az 555-ös IC is használható lenne, vagy relével vagy triakkal.
(#) _JANI_ válasza _JANI_ hozzászólására (») Jan 23, 2008 /
 
_(#169278) kobold_ rajza az inpulzusokat egyik IC-ről a másikra adja át...

S itt egy (vázlat-) rajz az én elkébzelésemre.
(#) kobold válasza _JANI_ hozzászólására (») Jan 23, 2008 /
 
Semmi nem volt meghatározva, csak az, hogy több lámpát akar sorban felkapcsolni. Az én hsz-emben volt egy lehetőség, nem biztos, hogy a legoptimálisabb, de nagyjából annyira precíz, mint a feladat leírása.
Lehet persze kaszkádosítás nélkül is, ha minden igaz, van már a HE-n olyan rajz, ami egyfázisú hálózatról mutatja az 555-ös meghajtását. Ha aszerint építi meg, akkor lámpától lámpáig kell vezetékelnie, viszont a gyenge táp miatt oda kell figyelni, hogy nagyobb soros ellenállású reléket válasszon, vagy át kell variálni triakos kivitelre.
(#) _JANI_ válasza kobold hozzászólására (») Jan 23, 2008 /
 
Meglehet h. igazad van. :yes: De ez majd kiderül. (Alapból én is arra a kapcsolásra gondoltam.
De kompakt fénycsövet (csöveket) kell bekapcsolni egymásután késleltetve.
S nem szereti a kapcsolgatást :no: .
S valami hasonló kondistápra gondoltam én is. Csak most a vezérlésre koncentráltam jobban... )
Szerintem a rendelkezésre álló rajzokból, már ki lehet valamit hozni.
(#) horvath.bela hozzászólása Szept 15, 2010 /
 
üdv
nekem 2 féle kellene
az 1.
autóba kellene 1 késleltető
pl. ha beindítom a verdát 2-3 másodperc múlva bekapcsolódnának a lámpák
esetleg potival lehetne állitani az időt

a 2.l
ed sort szeretnék pár pillanat eltéréssel bekapcsolni és a kapcsolás után bekapcsolva maradnának

remélem megoldható
(#) horvath.bela hozzászólása Szept 15, 2010 /
 
led sort szeretnék pár pillanat eltéréssel bekapcsolni és a kapcsolás után bekapcsolva maradnának
(#) sztojanov válasza Kiss Gábor hozzászólására (») Máj 2, 2012 /
 
sajnos azóta törölték a linkelt oldalt, valaki be tudná szúrni (hátha lemetette)? előre is köszi!
(#) Fenyő hozzászólása Júl 24, 2024 /
 
Sziasztok,

Egy LEDes világítást csinálok, amihez vettem egy 230VAC->24VDC drivert.
Alacsonyra szabályozott fényerőnél valamiért először nagyon hullámzik a fényerő bekapcsoláskor. (VAC-t kapcsolok)
Ezért csináltam erre egy kis áramkört Orcad PSpice-ban, amely bekapcsolás után kb 1 másodpercre még nem adja meg az áramot/feszültséget a LED-nek, hanem csak annak eltelte után.
Ehhez 22µF kondit meg egy IRF540N MOSFET-et használok, meg ellenállásokat.
Ennek a kapcsolási rajza az első csatolmányom.
Aztán egy olyan problémával szembesültem most, hogy kikapcsolás után (VAC off) nagyon sok idő kell a kondinak, hogy kisüljön, hisz a 300kOhm-on keresztül sül ki.
Ez azt eredményezi, hogy ha mondjuk 2mp múlva újra bekapcsolom az áramforrást, akkor rövidebb lesz a szüneteltetés, és megint villanni fog a LED.
Kézenfekvőnek tűnik az áramkörben a 300kOhm csökkentése, és akkor gyorsabban sülne ki a kondi, de akkor meg sosem fogja elérni a kondi azt a feszültséget, ahol a MOSFET teljesen bekapcsol (10V körül).
Aztán próbáltam egy olyan kiegészítést csinálni az áramkörhöz, ami a táp megszűnése esetén gyorsan kisüti a kondit. Ez látható a második csatolmányomon.
Egy BC212 -t használok erre a célra, néhány további ellenállás mellett.
Ezzel az áramkörrel meg az a baj, hogy a BC212 Bázis-Emitter maximum feszültsége 5V (Vebo), azaz ez a tranzisztor ebben az áramkörben tönkre fog menni, mivel 24VDC az áramforrásom.
Keresgéltem neten, valahol vmi olyasmit olvastam, hogy egy 2N4403 tranzisztort fordítva használva (reverse-active-mode) lehet nagyobb az áramforrás mint 5V.
Mit gondoltok, ez működhet?
Vagy mit javasolnátok, amivel a kondit gyorsan ki tudom sütni a táp megszűnésekor, és hosszabb távon működik? (és bekapcsolt tápnál nem eszik sokat)
(Sajnos az Orcad PSpice az nem mondja meg, hogy mikor megy tönkre egy tranzisztor)

Köszi,
Fenyő
(#) img válasza Fenyő hozzászólására (») Júl 24, 2024 /
 
Szia!

Mondjuk kikapcsolt állapotban egy relé rákapcsolhatna egy kisütő ellenállást a kondira.
(#) lalca válasza Fenyő hozzászólására (») Júl 24, 2024 / 2
 
150K-val párhuzamosan egy reverse dióda.
(#) gg630504 válasza Fenyő hozzászólására (») Júl 24, 2024 /
 
Elsőre én is ezt próbálnám: 1N4148
( lassan rajzolok... )
A hozzászólás módosítva: Júl 24, 2024
(#) Fenyő válasza gg630504 hozzászólására (») Júl 24, 2024 /
 
Kipróbáltam Orcad PSpice-ban, és jónak tűnik, viszont csak a FET-nek a bekapcsolási feszültségéig üríti a kondit, utána megint lassan ürül tovább.
Ez már jobb mint a legelső ábra, de vajon van megoldás arra, hogy 1V alá ürítsük gyorsan?
PNP tranzisztorral amit a második ábrámon mutattam, azzal hogyan lehetne 24VDC inputtal?
(#) Fenyő válasza img hozzászólására (») Júl 24, 2024 /
 
Ez nekem is eszembe jutott, csak akkor ez mechanikus megoldás, (állandóan kattogni fog)
meg picit többet is eszik mint egy kondi meg FET, és picit lassabb is. (4ms egy relé átkapcsolási ideje)
Ha nem lehet korszerűen (nem mechanikus elemekkel) megoldani, akkor még lehet, hogy végül ez lesz belőle.
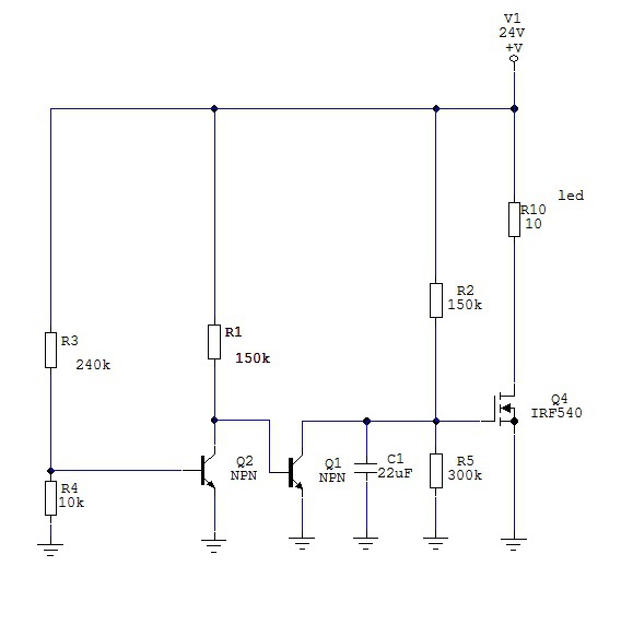
(#) tothbela válasza Fenyő hozzászólására (») Júl 24, 2024 /
 
Próbáld meg ezt. A kis NPN tranzisztorok bármilyenek lehetnek. Az első tranzisztor bázisosztó tagjaival lehet beállítani, hogy mekkora feszültség alatt induljon be a kisütés.
Működés: Az első tranzisztor jelen esetben kb 15V felett söntöli a második tranzisztor bázisát, tehát az nem tudja rövidrezárni a kondit. 15V alatt már a 240k/10k nem ad elég feszültséget az első tranzisztor bázisának, ezért az nem söntöli a második tranzisztor bázisát. Ezért annak bázisa a 150kOhmos ellenálláson keresztül áramot kap, így elindul a jóval nagyobb kollektoráram, tehát a kondi hamar kisül.

Egészségedre.

dimmer.jpg
    
(#) lalca válasza Fenyő hozzászólására (») Júl 24, 2024 /
 
Ne szimulátorban nézd, élesben próbáld ki a diódát. A tápon keresztül süt ki.
Ha mégsem, köss egy 10k-s ellenállást a tápra. (Jó, 2.5mA plusz.)
(#) Fenyő válasza lalca hozzászólására (») Júl 27, 2024 /
 
Kipróbáltam élesben, sajnos nem süt ki a tápon keresztül, de még a LEDeken keresztül sem, mert ugye 24V LED 19V alatt már nem szólal meg, olyan mint egy végtelen ellenállás.
10k-val a tápon esetleg jó lehet, de még ennek is kell kb 1 másodperc mire kisüti.
(#) Fenyő válasza tothbela hozzászólására (») Júl 27, 2024 /
 
Ezt kipróbáltam Orcad PSpice-ban, és úgy néz ki, hogy kikapcsoláskor a kondi kb 2.5 másodperc alatt szépen lassan merül kb 3.8V-ig, majd onnan hirtelen teljesen.
Aztán kipróbáltam a próbapanelen is élesben, ott pedig úgy néz ki, hogy kikapcsoláskor szépen lassan merül kb 9V-ig (másodpercenként 1V veszteséggel), és onnan hirtelen kiürül egészen 3mV-ig. (azaz teljesen)
Ez már egészen ígéretes, csak az első pár mp-et kéne vhogy lerövidíteni.

Próbáltam azzal, hogy kombinálom a másik ötlettel, azaz diódát rakok a kondi + lába és a +24VDC közé, szimulátorban ezzel jó is, azonnal kiüríti a kondit teljesen, próbapanelen viszont nincs hatással ez a dióda az egészre, 9V-ig változatlanul lassan ürül a kondi.

Sajnos nem volt kéznél BC182, csak BC337-40, meg 1N4148 sincs most kéznél csak 1N4001, de gondolom ezeknek nincs jelentősége.

Ha valahogy ezt a kapcsolást tudnánk még felfejleszteni úgy, hogy ne teljen több mp-be az ürítés első szakasza (amíg 9V-ig esik), az lehetne az igazán jó megoldás. Próbálkoztam szimulátorban minden félével, meg próbapanelen is, de egyelőre nem sikerült panelen.
(#) Fenyő válasza Fenyő hozzászólására (») Júl 27, 2024 /
 
Megvan miért merül lassan kikapcsolás után az első pár másodpercben.
A tápegység kimenetén bizonyára kondik vannak, és mivel a táp bemenetén a váltóáramot kapcsolom le, ezért a kimenetén lévő kondik szépen lassan még adagolnak áramot az elektronikámnak és a ledeknek.
Most kipróbáltam, hogy a tápegységet választom le a váltóáram kikapcsolása helyett, és így ez az áramkör szinte azonnal lemeríti a kondit.
Akkor tehát csak annyit kéne módosítanom ezen az áramkörön, hogy a táp kondijait is gyorsan lemerítse.
Ezzel csak az a baj, hogy honnan is tudhatná az elektronikám, hogy már megszűnt az áramellátás, és nem csak a táp kondijai hajtják. Azaz könnyen lehet, hogy akkor is ki akarja majd hajtani az elektronikám a táp kondijait amikor még nem szűnt meg az áramellátás, azaz állandóan zabálni fogja az áramot.
Ez így nem jó.
(#) Fenyő válasza Fenyő hozzászólására (») Júl 27, 2024 /
 
Vagy persze közelebb húzom a "kisütési-feszültség"-et, azaz megnövelem a 240k-t.
Most amúgy megmértem a multiméterrel a kikapcsolt táp kimenetét kapacitásra, és 3590 µF-t mértem!
Ez azért nem kevés, nem tudom minek raktak ekkora/ennyi kondit a kimenetére.
Kezdek azon gondolkodni, hogy szétbontsam ezt a tápot, pld csökkenteni a kondikat a kimenetén. Csak akkor elveszítem a garanciát rá.
(#) Bakman válasza Fenyő hozzászólására (») Júl 27, 2024 /
 
Nem lenne megoldás normális tápegységet venni?
(#) Fenyő válasza Bakman hozzászólására (») Júl 28, 2024 /
 
Valószínűleg jobb megoldás lehetne a végeredményt nézve.
Csak hát sajnos ebből a szempontból minden táp zsákbamacska.
Nem kérdezhetem meg az eladót, hogy vajon bekapcsoláskor kis vagy nagy fényerő mellett hullámzik-e a tápegység kimenete. Vagy nem fogja tudni, vagy nem akarja megmondani.
8 Helyiséghez csinálok világítást itthon, ezért 8 db ilyen tápot vettem még tavasszal:
https://www.amazon.de/-/en/gp/product/B08QYXFSJX/ref=ppx_od_dt_b_as...;psc=1
30EUR darabja, azaz ha most másik tápokat veszek, akkor kb 90 rongyom kárbavész. (már túl vagyok az elállási időn)
És akkor még ráadásul a falakban már ki van képezve akkora nyílás, ahová ez a tápegység befér (még a kiegészítő elektronikám talán odafér majd, remélem), méreteiben is ezzel kb azonos méretű tápot kéne kinézni a helyébe, 24VDC outputtal, 50W minimummal, és potméteres fényerő-szabályozási lehetőséggel (PWM alapon, nem ilyen triac-os AC valamivel). És akkor még azzal az elvárással, hogy ne hullámozzon a kimenete induláskor.
(#) lalca válasza Fenyő hozzászólására (») Júl 28, 2024 /
 
Egyébként tothbela rajza jó lehet, csak cseréld ki az R3-at egy pl. 22V-is zenerre+10k ellenállásra.
(#) proba válasza Fenyő hozzászólására (») Júl 28, 2024 /
 
Ha rendesen meg van építve a táp, akkor a primer oldali kondenzátorról áramkimaradás után nagyon sokáig elmegy a táp. A kondik redukálását nem javaslom, mert gyorsan a tápegység halálához vezet.
A hozzászólás módosítva: Júl 28, 2024
(#) Fenyő válasza lalca hozzászólására (») Júl 28, 2024 /
 
Jó is!
Most kikísérleteztem, hogy az R3 (240k) -t felemeltem 320k -ra, így már kb 18...19 V között van neki azaz érték, ami alatt kisüti a kondit.
A LED-ek kb 19V-nál adnak még ki picike fényt, és így most úgy látom, hogy kb olyan 0.2 sec kell, hogy kiürítse a kondit. Alacsony fényerő (19V) mellett is működik, és maximum fényerő (kb 23V) mellett is kb ennyi idő alatt üríti a kondit.
Azt hiszem ennél a verziónál maradok.
Már csak egy apróság zavar még, hogy bár a kezdeti nagy villanást ugyan ez az egész áramkör kivédi, de azért amikor a LEDek elkezdenek világítani, akkor azért az elején van még hullámzás a fényerőben, kb 3-4 alkalom kb 1-2 mp-ig.

Mindenesetre köszönöm mindenkinek a segítséget!
Következő: »»   1 / 1
Bejelentkezés

Belépés

Hirdetés
XDT.hu
Az oldalon sütiket használunk a helyes működéshez. Bővebb információt az adatvédelmi szabályzatban olvashatsz. Megértettem