Fórum témák
» Több friss téma |
Ha szkóp-képet teszel fel, legyen látható a kezelőszervek beállítása, vagy add meg a beállításokat!
C1-70a?.......nem szeretnék róla beszélni...
Szia! Pedig engem is érdekelne a történet. Nekem is van belőle kettő,évekkel ezelőtt üzemképesen lett lerakva,a múltkor kíyáncsiságból bekapcsoltam őket és egyiknél sincs sugár....
A topicban megtalálod a kálváriát, ha rákeresel a hozzászólásaimra. A továbbiakban a rossz emlékek miatt inkább nem szeretnék még rá gondolni se
Hello!
Volna itt nekem egy Leader LBO 325, a szépséghibája hogy hiányzik belőle a hálózati trafó.. Esetleg valaki meg tudná mondani hogy milyen trafó kell bele, ill hogy hol lehetne beszerezni?
Hello. Olyan trafó kell ami a következő szekunderekkel rendelkezik: 110-38-0-38-110 , 0-16 , 9-0-9 és kell egy 6.3v-os tekercs a fűtésnek. A trafó össz teljesitménye elméletbe 25W ha jól néztem az áramfelvételt a készülék hátulján a képek alapján.
A hozzászólás módosítva: Okt 18, 2014
Szia! Egy kis adalék.
Sziasztok!
Nemrég vettem egy LBO-552C sztereoszkópot. Több gond is akad vele, de kezdjük az elején: Mitől lehet az, hogy a fókusz és a fényerő potméterek változtatásával elmászik a kép? Magukat a potikat már kifújtam kontakt sprével. A szkóp trafóját átkötöttem 240V-os állásra. Sajnos nincs hozzá rajzom, így a nyákfeliratokra támaszkodtam. 3 feszültségmérési pont van megadva. +200V, -15V és 8V. Ezek körülbelül be is állnak a táppanelen, a kondikat egyesével kivettem, megmértem és látszólag mind jók.
A fényerő változtatásával a segédfeszültségek nem mászkálnak? (-15v, 8v) Azoknak atom stabilnak kell lenni minden esetben.
Úgy még nem mértem, hogy tekergessem és közben nézzem a feszültségeket. Meg fogom nézni. Majd készítek képet is, de jelenleg nem sok időm van vele foglalkozni.
Sziasztok!
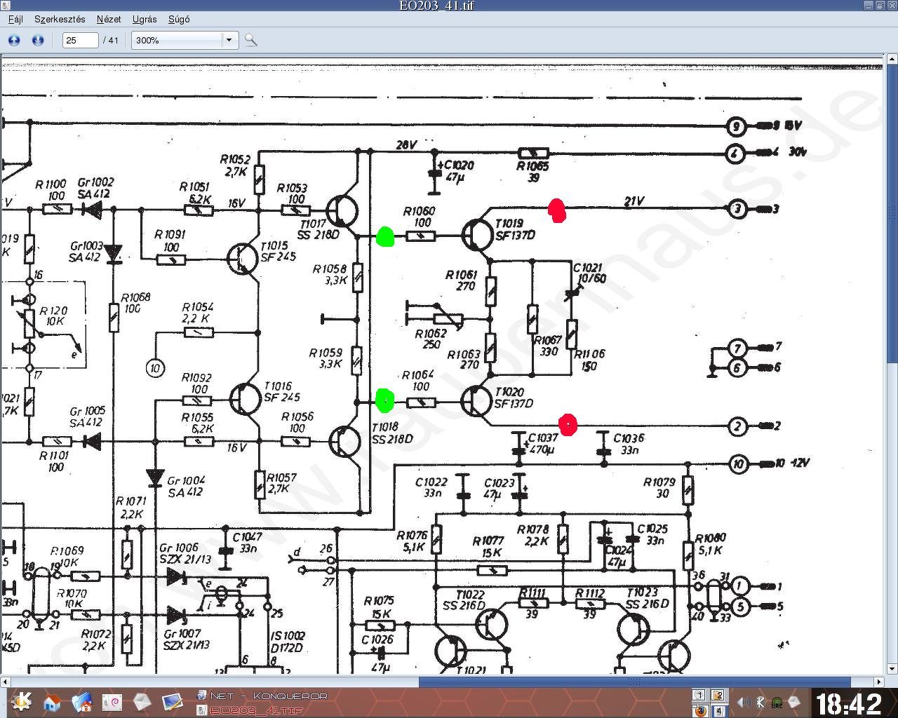
Küzdök az RFT EO 203-as szkópommal. A függőleges erősítő határol, nagyon veri a szinusz a fejét. A vízszintes rész rendben, tápfeszek rendben. Érintésre, piszkálásra érzékeny, kontaktos alkatrészt nem találtam. A képen láthatóan, a zöld pontokon mérve szépen, nagy amplitúdóval mérhető az erősített jel, 10 vpp körül kezd határolni. A piros pontokon mérve viszont 4 vpp-nél nagyobb amplitúdó nem jön ki a gépből, bárhogyan is próbálom kivezérelni. Mindkét tranzisztornál határolt a jel. Előre is köszönöm a tanácsokat.
Sziasztok!
Sikerült hozzájutnom egy RFT EO 213 szkóphoz. Olyan hibája van, hogy kép egyáltalán nincs, egy fénypont sem. A transzformátor kimenetein vannak mérhető feszültségek. A tápegység kimenetén a 31-es ponton nincs meg egyenlőre a -6V. Merre kezdjek el keresgélni kondenzátor vagy inkább tranzisztor hiba lehet? Mert meg van szórva a tápegység jó pár tranzisztorral. Mik szoktak a tipikus hibák lenni? Elvileg, ha a nagyfeszültség megvan és a fűtés is megy, akkor kellene-e lennie legalább egy fénypontnak?
Megnéztem, ezek a feszültségek stabilak. A +200V a valóságban olyan 184V a szűrés után (CRC szűrő van benne 2*47µF-al). Nézegettem a nagyfesz részt. Szerintem ott lesz hiba. Van olyan pont, ahol a multi érintésére jelentősen változik a feszültség, elrebben a kép. Ugyanakkor a táp egyszerűnek tűnik és a kondikat jónak mértem benne. 1000-1200V között változik, mérek majd pontosakat.
Én nem gondolom, hogy a 200v miatt ugrálna mivel az a sugárhoz kell, neked pedig eltérités problémád van. Annak a segéd feszültségeknek van köze inkább szerintem.
Az a gond, hogy az alaplapjához nehéz hozzáférni és kb. 15 csatlakozót kell feliratozzak, hogy honnan húztam ki őket. Ráadásul mérni szétszedve nem nagyon lehet, szóval ehhez hozzá kell készülnöm.
Húú, nekem ne mondd. Amikor Norbert 1568-as szkópját javitottam, az egyik táp rész rendetlenkedett. Pedig egyszerü 723-as ic-s megoldás volt egy tranyóval megfejelve. Az alkatrészek mind jók voltak, de néha magától elment a -15v. Valószinű panelhiba, vagy ilyesmi, ezt megállapitani úgy lehetett volt, hogy kibontom azt a panelt....... igen......persze.......SOHA!
Féltem, hogy károkat okozok, nem volt egyszerü a mutatvány. Kapott egy 7915-ös ic-t és azóta tökéletesen üzemel. Nem irigyellek.
Jelenleg ott tartok az RFT 213-asommal, hogy a tápfeszültségek megvannak, helyre raktam őket.
A képcső fűtés megy, látni, hogy világít. De kép továbbra sincs. Tud esetleg valaki, valamit mondani, mi lehet a gond?
Eltérítő erősítőket és a fűrészgenerátort kellene megszkópolni.
Arra gondoltam, hogy végignézem a rajz alapján a képcső végén a feszültségeket. Abból hátha kiderül valami. Szkópom sajnos nincsen, ez lenne az első.
Olyan 1000-1600V-ok vannak a rajzon, gondolom, ha sorba kötök egy 10M ellenállást az 1M/1000V-os műszeremmel akkor tudok vele méregetni.
Mikor rámértem a fűtésre és közben letesteltem a műszert, okkor 1000V+ volt rajta. Eszerint a -1600V valószínűleg megvan. A +1600V-ot egyenlőre nem tudom, hogy hol nézzem.
A hozzászólás módosítva: Okt 22, 2014
Feszültség-osztóra gondoltál úgy-e?! Egyelőre ahhoz elég 2db. 1M-os.
A hozzászólás módosítva: Okt 22, 2014
Nem, én az anódfeszültségre gondoltam, az olyan 7-8kV környékén van. Ha ez nincs meg, akkor semmiképp nem lesz zöld firka az ernyőn. Próbáld meg nagyon sötétbe bekapcsolni, majd ki, hátha látsz halvány zöld derengést, nekem amikor eltérités baj volt, látszódott, innen tudtam, hogy van nagyfesz.
A hozzászólás módosítva: Okt 22, 2014
A rajz szerint 1620V megy az anódhoz és -1620 a katód felé. Kb. annyira fluoreszkál sötétben mint egy éppen lekapcsolt kompakt fénycső.
Ez igy nem lesz jó. Módszeresen lehet szkópot (meg minden más gépet) javitani. Ellenőrizni kell a fokozatokat utána lehet tovább menni. Az 1600v-ha megvan az jó hir, de ez még nem a végleges anódfesz. A sokszorozó állitja elő a katód sugár cső anódfeszültségét ami 7500-8500V-os feszültséget jelent. Ezt kellene ellenőrizni adott módszerrel, hogy megvan e, ha nincs akkor kár is tovább kutakodni, ha megvan akkor érdemes tovább menni.
Ja, sorry, most lesem a rajzot. Ennek 1600 az anódfesze...
Akkor semmi.
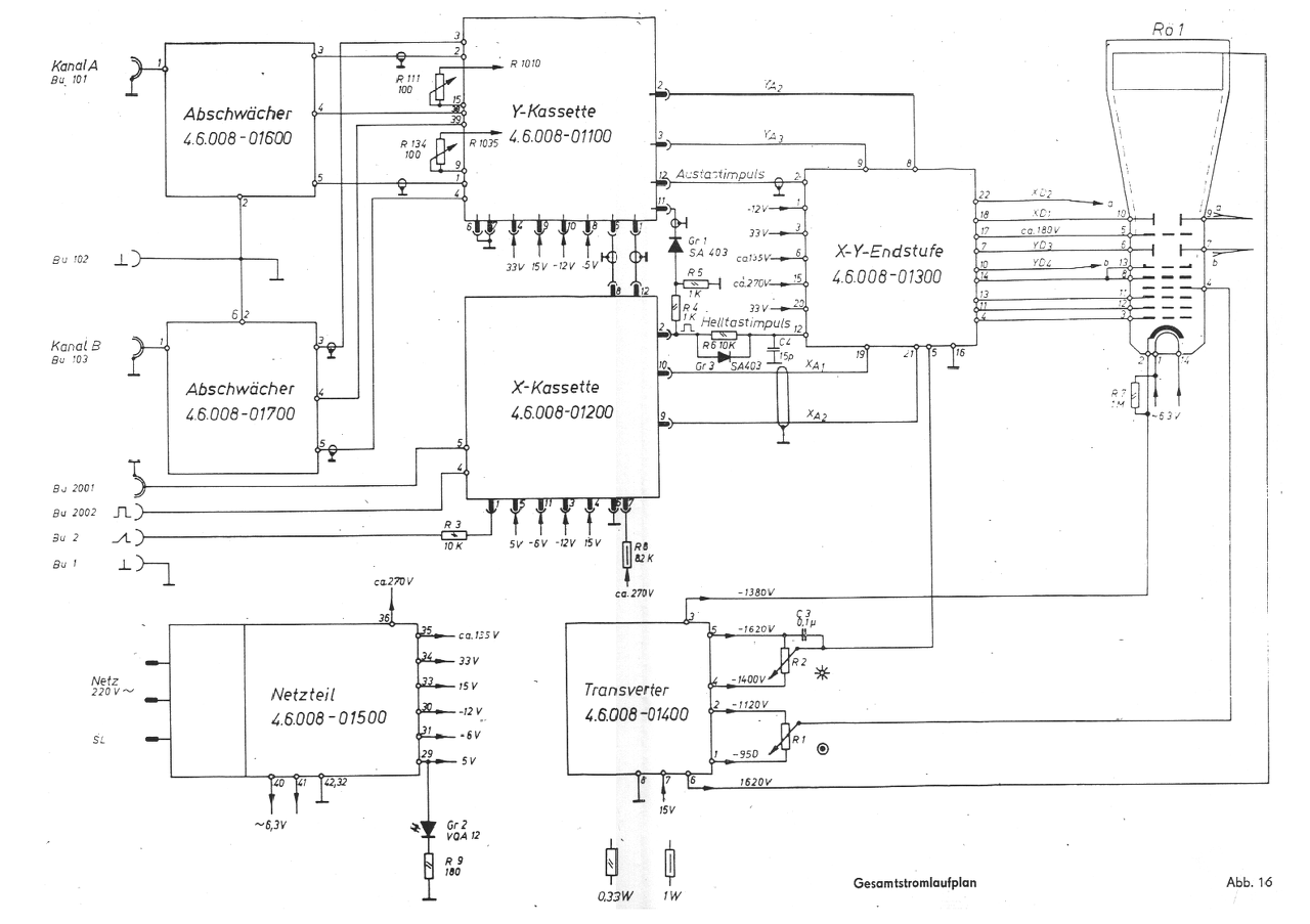
Beteszek egy rajzrészletet, így egyszerűbb lesz. Látható rajta, hogy 1620V az anódfeszültség és elvileg ennyi a vége. Felbontsam a nagyfeszültségű dobozt és megnézzem, hogy biztosan megvan-e, egy feszültségosztón keresztül?
Hát nézd, én meggyőződnék róla. 1600v még szerintem nem akkora nagy feszültség amit kellő elővigyázatossággal ne lehetne megmérni. Nagy M-ohmos ellenállás létrával megmérhető. Én meggyőződnék róla megvan é. És ha már ott vagy, akkor a transzverter többi kimenetét is ellenőrizd. Fényerő fesz stb.
A hozzászólás módosítva: Okt 22, 2014
|
Bejelentkezés
Hirdetés |







Akkor semmi. 
