Fórum témák
» Több friss téma |
Ha szkóp-képet teszel fel, legyen látható a kezelőszervek beállítása, vagy add meg a beállításokat!
Ha semmilyen eltérítés nincs, akkor a pont pont középen van. Az eltérítő lemezeken azonos, kb. 190 V feszültségnek kell lenni. Ha nincs, végfokokat átmérni.
Nanok: Oszcilloszkóp csak az eltérítő generátor, és a szinkronizálás ellenőrzéséhez kellhet. A többihez elég egy multi. A +1620 V ha nincs meg, attól még világítania kellene, ha halványan is. A tanszverter kimenetén, és a ks csövön is ellenőrizd a feszültségeket, lehet, hogy a kivilágosító áramkör lezárja a csövet, ezt a "Helltastimpuls" környékénkeresd.
A hibát a végfokban lévő C309-es elektrolit kondi okozta. Jót tett neki a csőnyak melege.
Átmértem mindent, anódfesz rendben van. Hellyel közzel mindegyik feszültség oks. Kivéve a 8-13-as érintkezőket. Ott 115V van és a rajz szerint 50V-nak kellene lennie.
Viszont, zongoráztam egyet a kapcsolókon és a fényerőn. Végül is megjelent az X-csatorna benyomása után a két fénypont. Ezek szerint a végfokozat jó, lehet le-föl, jobbra-balra pozicionálni a pontokat. Itt a fűrészjel generátor körül kellene szétnéznem. Tud valaki tippet adni, hogy hogyan tovább? Melyik alkatrészeket kellene átnéznem?
Ha már megvan a két fénypont az X gomb megnyomásával,és tudod terelgetni a pontokat,akkor valószínűleg a végfokok jók.Ha az AUTO feliratú gombot nyomod,nem jelenik meg a sugár?
Úgy néz ki, hogy a problémák nagy része megoldódott. Egészen banális volt a hiba. A panel hátsó részén lecsúszott egy vezeték a pöckéről és szépen elbújt másik vezetékek mellé. A panelen az a felirat, hogy +Y és +100V-ot ad a képcsőre közvetlenül.
Visszatoltam rá és helyreállt a szkóp lelki világa. Majd még kicsit dolgozni kell vele, de egészen biztató a dolog. A hozzászólás módosítva: Okt 23, 2014
Akkor már meg tudod nézni a függőleges erősítőt is.
Na szuper, örülök, akkor szépen alakul a dolog.
Átmozgattam az X-panel csatlakozóit, most már működik!
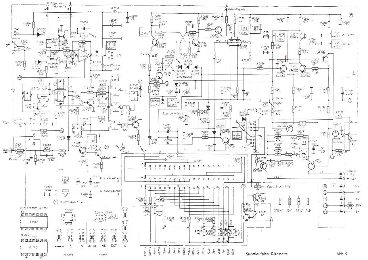
Négyszögjelet méregettem vele. De van még egy olyan problémája, hogy az egyik csatornán a négyszögjelet csak impulzusoknak méri. Az egyik feszültség állásban ha egy kicsit túlnyomom a kapcsolót, akkor javul a helyzet.Illetve az X-panel tetején két helyen is úgy látszik, mintha átvágták volna a nyákot. Lehet, hogy szándékosan? Holnap megnézem a rajzon, hogy ott mi lehet.
Betettem egy rajzot az X-panelről és pirossal bejelöltem, hogy hol van átvágva a nyák. Mit befolyásolhat ez? Szándékos lehet?
Nem akarok nagy hülyeséget mondani, hogy pontosan mi a szerepe a sávnak. Azt látom, hogy egy tranzisztor bázisára megy, ami a differenciál erősitő egyik tranyóját vezérli, és biztos, hogy az X eltéritéshez és az X kapcsolóhoz is van köze. Abban viszont biztos vagyok, hogy ha üzemszerű működést szeretnél, akkor mihez máshoz tudnál menni, ha nem a rajzhoz. Tehát ha az a szál a rajzon össze van kötve, akkor kösd össze. Ki tudja ki és miért vágta át.
Az X kapcsolód egyértelműen kontakt hibás, ezekkel az a baj, hogy szinte beláthatatlan és követhetetlenek azok a hibák amiket ezek a kontakt hibák okoznak. Én első körbe arra koncentrálnék, hogy ezt a kontakt hibát megszüntessem. De az jó hir, hogy van nagyfesz és sugár, mert a nagyfesz trafója eléggé beszerezhetetlen ahogy a KS cső is. Minden más szerintem javitható és cserélhető benne.
Ezeknél a régi gépeknél már sok kosz rárakódhatott az osztó kapcsolójára. Ez meglepően átalakíthatja a négyszögjelet. Ezen felül az én gépemnél, mindkét csatorna osztóján találtam törött ellenállást. Ha feszegettem a kapcsolót, akkor összeért, és valamit mutatott a műszer. Az osztók viszonylag könnyen kiszerelhetőek a gépből. A kapcsolókon műanyag porvédő sapka van, ami sajnos a kosz bejutását nem gátolta, de a takarítását igen.
Nem is annyira a kosz a gond hanem az oxidáció, ami látszik szabad szemmel is ha rendesen szét tudja az ember bontani. Ehhez még hozzájön a lemez "rugóerejének" elgyengülése is, és ilyenkor van az hogy a többszöri körbeforgatástól sem javul meg.
Felteszem okulásul. Ilyen amikor a "hozzáértő" javít szkópot. A második képen középen szépen látszik a bemeneti osztó oxidációja ami a kontakthibát okozta, mellette jobbról balról pedig hogy hogyan próbálták a hibát orvosolni. Gondolom rendesen telefújkálták valami kenőspray-vel, mert máshonnan nem kerülhetett oda annyi zsír (semennyi sem lehetne ott), vagy fene tudja mi az.
A második képet csatolom linkből is, mert a fórum kicsinyíti így a lényeg pont nem látszik.
Szia, Sikerült "valamivel" letakarítani? Alkohol, tiszta-benzin, etc..?Mert idővel 'beszívják', telítődik a /bakelit/ lemez, látszólag tiszta, mégsem jó.
Hát ez nagyon szép. Ki tudod valahogy tisztítani? Vagy ennek a szkópnak annyi?
Emberünk nem viccelt! Nyikorogni biztos nem fog. Remélem sikerül helyrehozni.
TUNER-600 spray vagy az említett izopropil alkohol tökéletesen tisztítja.
Egyébként a képekből úgy gondolom egy 10-20 MHz sávszélességű szkóp osztójáról készültek. Egy ilyen tisztítás nem okoz különösebb gondot a nagyfrekvenciás átvitelben. Gyors felfutású négyszögjel bemenetre kapcsolása után az alakhű négyszögjel beállítása az osztó trimer kapacitásaival beállítható.
Fújkálni semmivel sem szabad, és az izopropil nem szedi le az oxidréteget. Egyébként volt rá tervem hogy hogy fogom megcsinálni, de azért felhívtam előtte a Trubiánszki urat is hogy mondjon valami okosat.
Aztán abban egyeztünk meg amire én is gondoltam, egyébként az oxid nem volt olyan vészes, a trutyi ami oda lett fújva az inkább. Jó sötétre oxidálódott nyákdarabon egyébként bárki kipróbálhatja, az egyetlen dolog ami ezt leszedi az a rozsdaoldó (RO55). Rozsdaoldóba mártott fültisztítóval szépen lesikáltam az oxidréteget amennyire lehetett, majd egy finom sörtéjű fogkefével alaposan lemostam az egészet izopropil alkohollal. Azt mondják hogy az izopropil az egyetlen alkoholfajta aminek a használatát a Tektronix is megengedi ilyen célokra. Összeraktam, most olyan a szkóp mint újkorában.
Ő az, egy Owon-ba számoltam be. Kár lett volna nem megcsinálni, mert a külseje az szinte új, mintha sosem lett volna használva.
Köszönöm a képet, azért kértem hogy lássam jól gondoltam-e az osztó kapcsolóról készült képek alapján az oszcilloszkóp sávszélességét. 20 MHz-en még megfelel a bakelit anyagú
tárcsa, és a tisztítási módszered is megteszi. Sok sikert használatához, stabil jól szervizelhető műszer.
Ha megteszi ha nem, nem nagyon van más megoldás, leszámítva a mechanikus eltávolítást (csiszolást), de olyat egy kapcsolóval nem csinálunk.
Ezt legalább meg tudom javítani, az Owont meg dobhattam volna a kukába ha a gari idő után megy tönkre.
Tisztelt fórumtársak!
Rosszalkodik a szkópom tektronix 2225 . A hibajelenség: ugyan beállítható a fókusz élessége tűélesre, de folyamatosan elmászkál,valamint a fényerő változtatása is durván elállítja. Ebben szeretnék valamilyen segítséget kérni, illetve gépkönyvet, kapcsolási rajzot keresnék. (Ha " bemelegszik", némileg javul, de egy agyrém használni.) üdvözlettel: Foxi
Első mindig a tápfeszültségek ellenőrzése. Ha ezek jók, akkor a ks.cső áramköreiben kell tovább keresgélni. Nagyfeszültségek méréséhez nagyon nagy bemenő ellenállású műszer kell, azaz előtét multihoz. Sötétben látható, ha áthúzás, szikra van a nagyfeszültségű részek körül valahol. Ellenállások megszakadása jellemző nagyfeszültségeknél. Ennyit tudok iránymutatónak.
Szia!
Köszönöm, meglett időközben a rajz is. Hétvégén nekilátok.
Sziasztok!
Olvastam a topik elejét, trace rotation problémáról, de kicsit más jellegű problémával állok szemben. A szkópot (CS-4128), kb egy éve nem használtam, most elővettem megint, és az X és Y tengely sajnos nem merőleges egymásra. Készítettem egy videót a kalibrált jelével (2Vpp- 1kHz) hogy látható legyen a probléma. Még nem szedtem szét, de az előző hibákat olvasva, lehet hogy külön elfordulhatott a csövön az egyik eltérítő rendszer? Videó a hibás működésről Idézet: „és az X és Y tengely sajnos nem merőleges egymásra” Ilyen nem tud lenni. A szkópokban általában elektrosztatikus eltérítést használnak, aminek a belsejében az eltérítő lemezek merőlegesek egymásra, ezek elmozdulni nem tudnak. Belső raszteres csöveknél elektromosan, normál, és kerek csöveknél a cső forgatásával lehet az alapvonalat vízszintesre állítani. A videón láthatóan valami eltérítési probléma látható, mert a függ helyzet tekergetésével szinte minden változik. Első lépésként földeld le az Y erősítő bemenetét, a szinkront auto állásba, és úgy nézd meh, hogy merre a vonal. Azután külső jellel az Y erősítő bemenetére, és nézd meg a változásokat a függ helyzet állítgatásával. A belsőnél lehetnek más problémák is, így az nem mérvadó. |
Bejelentkezés
Hirdetés |




Négyszögjelet méregettem vele. De van még egy olyan problémája, hogy az egyik csatornán a négyszögjelet csak impulzusoknak méri. Az egyik feszültség állásban ha egy kicsit túlnyomom a kapcsolót, akkor javul a helyzet.



