Fórum témák
» Több friss téma |
Sikerült sztereóban beüzemelni. 2 áramkör, 2 tekercs, 400 wattos pc táp. Ha csak egy tekercs megy, akkor bírja a terhelést, de ha mind a 2 megy akkor egy idő után leáll a tápegység.
Probléma a következő: össze gerjednek. A FET-ek bezavarnak egymásnak. Ha az áramkör nullás vezetékébe a csomó pont elé mind a két ágba beépítek 1-1 zener diódát, az ki küszöbölheti ezt a gondot? A kapcsolás így néz ki:
Hát eleve a zenerek nyitóirányban vannak bekötve, tehát nem is működnek zener diódaként. Egyébként pedig szerintem simán csak túlterheled a tápot. A legegyszerűbb, ha külön tápegységet használsz hozzájuk, vagy 1 nagyobbat, egy jóval nagyobb pufferkondival, mondjuk 10.000uF. 200µF az csak dísznek jó.
A tekercs az külön vezetékről kapja az áramot, nem ugyan arról mint az IC. Ami most jobban foglalkoztat az az, hogy a primer oldalon vmekkora önindukció jön létre. Be építettem egy FR302-es típusú diódát, úgy hogy a tekercs primer bemenete felé nyisson. Ezzel a megoldással a tápegység stabilabban megy. A mély hangok lejátszásánál sem kapcsol ki, és bekapcsoláskor azonnal működteti a tekercset. Nem kell a kitöltési tényezőt újra hangolni.
A primer oldalt elektrolit kondival lehet pufferelni? Ha igen, akkor még miket kell beépíteni, hogy semmi ne menjen tönkre? Amit az előző hszben írtam megoldást, ki próbáltam. Még annyi, hogy a hang visszatérője is a diódák után van kötve. Üresjáratban nem gerjednek össze.
Igaz, az nem a primerköri puffer, a primerkörbe kéne tenni egy nagyobb puffert.
A zenert meg nem úgy rajzoltad, ahogy most leírtad. De ha a zavarérzékenységét akarod csökkenteni,akkor az IC táplábaira közvetlenül forrassz rá fóliakondit, + mehet az elkó mellé is egy.
Sikerült! Valódi sztereóban szól! Mivel nem akarom, hogy a kondi szétmenjen, ezért egy 470µF 200WV-os kondit építettem be pufferként; egyenlőre. A tekercs primer oldalánál beépítettem egy BY500 típusú 5 A-s diódát, és ez után van kötve a puffer kondi. Nagyon tisztán szól, és a mélyet is szépen adja. A prototípusom kész lett, már csak finomítani kell. MINDENKINEK KÖSZÖNÖM A SEGÍTSÉGET! A "ki mit épített" topicban van egy videó erről.
sziasztok
nekem egy ( FCM-20B022 ) nagyfesz trafóm van de nem tudom hogy melyik 2 vezetéken adja a szikrát. az egyik megvan a tetején és a másik az melyik?
Tartsd oda valamelyikhez a fentit, és ahol legjobban adja az lesz szerintem.
Haladás: beépítettem a primer tekercs elé a tápellátás felől nézve egy 47uH 5A-s tekercset (induktivitás), egy 5 A-s gyors diódát, 10 000 µF 26V-os elektrolit kondit, egy .33nF 250-275V-os fólia kondit. Ezzel így a tekercs energia felvétele stabil 50W lett. A mély hangot pedig nagyon tisztán adja le. Ha hirtelen kell mély hangot adni, akkor is csak 1 wattott nő a fogyasztás, utána vissza esik a stabil értékre.
És hová jutottál a témával?
A hozzászólás módosítva: Márc 16, 2014
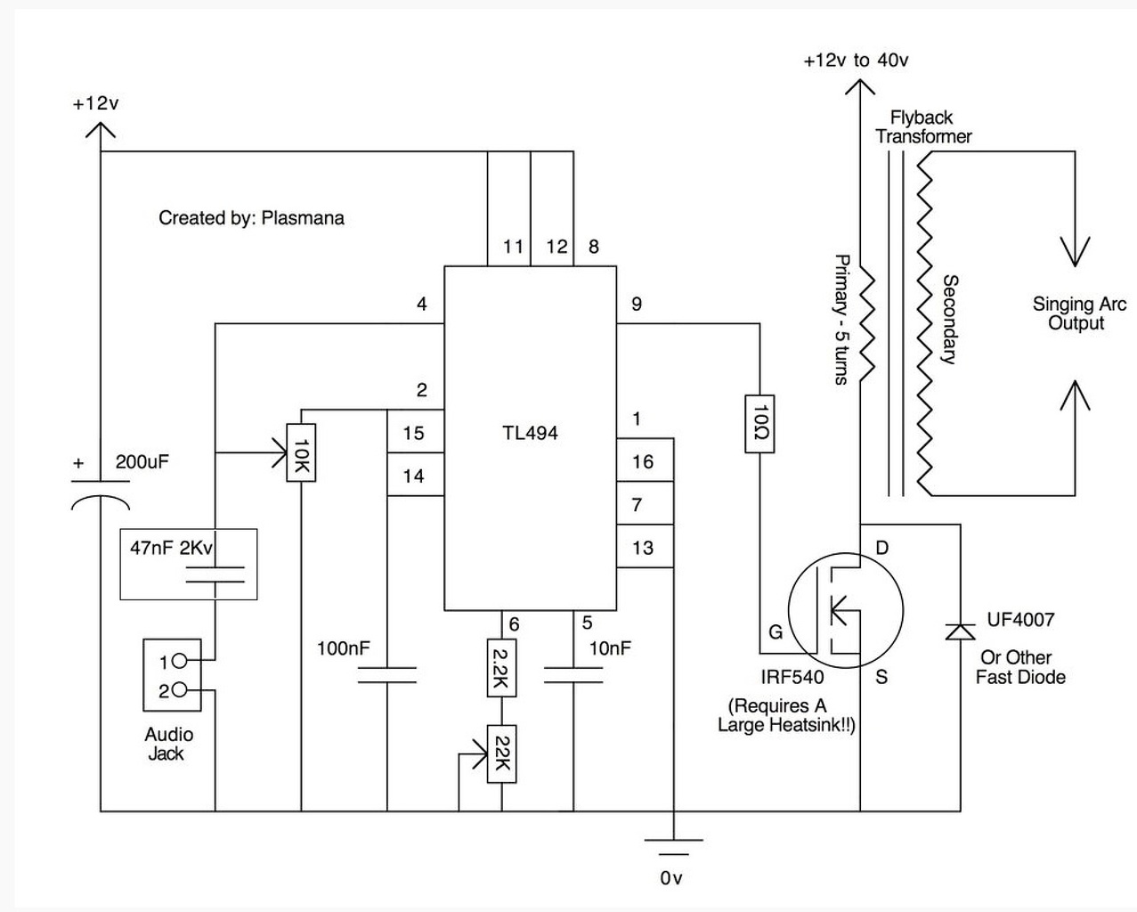
Elkészült az aránylag véglegesnek mondható kapcsolási rajz, a primer oldal pufferelésével együtt.
http://kepfeltoltes.hu/view/140517/357220764n_vtelen_www.kepfeltolt...u_.jpg
Helló!
A teszt készülék soha nem épült meg, és az az igazság hogy nem is szükséges ennyi moduláció, bőven elegendő lenne egy 200...250kHz-es PWM modulált meghajtás. Viszont ebben az esetben nem egy szimpla sorkimenő transzformátort kéne alkalmazni, hanem egy direkt erre a célra készített transzformátort. Ha a transzformátort rendesen megtudnám méretezni, akkor a hangminőség jelentősen javulna, de az ehhez szükséges mérnöki tapasztalattal sajnos nem rendelkezem.
Megépítettem a tl494 es kapcsolást(15V az ic-nek, 36V a sorkimenő primerre). Teszteltem hangszóróval. Sípolás van. Zene van. A potméterekre reagál. A feszültségértékek mindenhol rendben megjelennek. Feltekertem 5 menetet 1,6 os vezetékből a vasmagra (6174z-2001g típusú sorkimenőre) de erre már nem reagál. Se szikra, se semmi. A 7-es lábon próbáltam, illetve utána az összes többin de egyiknél se volt még egy szikra se. Mondjuk már sípolás sincs. Az lehet, hogy ilyen hamar meghal a tranzisztor?
A 100 voltos FET snubber nélkül még szép, hogy meghalhat 36 voltos tápnál... ha szkóppal megnéznéd, mekkora tüskék vannak, elcsodálkoznál. Tegyél be legalább IRF640-et ( 200 V max..), és/vagy P6KE75, ...82 szupresszort és a szokásos RCD tagokat ( flyback tápok mintájára..)
Tehát az RCD-tagot a primerrel párhuzamosan teszem (?), ahogy én néztem, az értékeket kiszámolom már amennyire értem az angol leírást. IRFP460 tranzisztor jó lehet? A szupresszor diódának a FET-tel párhozamosan van a helye? Illetve ha a primerrel ellenirányba rakok egy védődiódát (pl. UF4007) illetve 5 menet helyett 15 öt tekerek fel mert a feszültség is 3x-os ez mennyire helytálló?
Tönkremehetett egyúttal az IC-is (leválasztó híján)? Több kérdésem nem valószínű, hogy lesz.
Ezen a képen az a kapcsolási rajz szerepel, amit én építettem meg. Az alapja ugyan az amiről te is dolgoztál, csak annyi, hogy hang minőségben jelentősen javítva lett. A primer oldalnak pedig mindenképpen kell pufferelés a táp egység felől. Egy 10000mikroF-es kondi meg teszi. Bővebben: Link
Annyi, hogy MOSFET-tel van meghajtva, az IRFP150N-es típussal. 12 voltról üzemel az egész áramkör. Plusz a kapcsolási rajzon a hang bemenetnél van egy módosítás, amivel sokkal szebb hangzás érhető el. Ami lényeg, és csak most tudtam le tesztelni: az IC 9es láb felől van egy kapcsoló, azt nem jó oda, és ugyan azon a vezetéken csak a 10ohmos ellenállás legyen ott, nem szabad onnan a 0-ára le ágaztatni. Menetszámok: mivel egyenárammal van meghajtva a rendszer, az önidnukció nagyon le terheli a tápot. Eddig ez miatt 1 PC tápom már leégett. 5 menetnél a védő dióda 12Vnál elkezdett füstölni, 4 menetnél jobban bírja a terhelést. Nálam 12 V-nál a sorkimenővel 20-30 ezer voltot tudtam elérni, ami egy 2-2,5 cm-es szikra közt tesz lehetővé. Nagyjából 4-4,5 A-es árammal. A sorkimenő GND lába lesz a sorkimenőből kijövő vastag vezeték másik oldala. A FET-nek meg célszerű aktív hűtést csinálni. A hozzászólás módosítva: Nov 9, 2014
Amit írtál FET típus az jó. Annyi, hogy ha FET-et keresel a meghajtáshoz, akkor az Rds(on) ellenállása minél kisebb legyen. 36 V-nál az 5db-os menetszámnak elégnek kell lennie csak a kitöltési tényezőt az első indítás alkalmával 0-ról lassan tekerd fel, és egy ponton hirtelen lesz a szikra. Ha a hangszórós teszten beállított értéken hagyod, akkor lehet, hogy túl nagy érték lesz a FET felé, mint ami kellene. Elvileg annyi változás a 12V-hoz képest, hogy kevesebb áram kellhet a szikra létrehozásához. Gyakorlatilag meg nem tudtam ezt ki próbálni.
Egy P3-as processzorhoz használt hűtőborda méret elég. Jártam már úgy, hogy az IC-ben levő tranzisztor a táppal és a rákötött FET-tel együtt leéget. Sípolás: ha minden rendesen működik, akkor az oszcillátorhoz tartozó potméter 0-án van, akkor egy "mély" hangja lesz, ha maximumra van tekerve, akkor nem hallod, mert már a hallás tartományon kívül üzemel. Amiért még nem lehet szikra: hibás forrasztási pont, IC vagy FET megadta magát (megj.: ha most a hangszórós teszten ad hangot, akkor az IC működik, viszont a FET nem valószínű), vagy a sorkimenő trafó szekunder tekercse menetzárlatos, ami használt alkatrésznél előfordulhat.
IRFP460 nem oké, mert túl nagy az Rds(on)...az IRFP150 jó lenne, de meg kéne védeni a tüskéktől... a 250 az egy középút, mert picit ugyan nagyobb az Rds(on)-ja, viszont 200 voltos és nehezebben hal meg, ha nem véded szupresszorral.
Sima UF a primerrel párhuzamosan túl drasztikus talán... azzal kéne sorbarakni a táp felé egy RC tagot, azzal párhuzamosan pedig egy 10 ohm-varisztor tagot ...( ezt a kettőt egymással sorban és katódja az UF katóddal szemben).
Ma este újraépítem IRFP250-el és nagyobb hűtéssel. Melyik RCD tag kell nekem? Illetve a szupresszor diódának hol a helye? Köszi.
Meglett az ív az alapkapcsolással, IRFP250-es tranyóval. Kérdés, hogy jó lábat választottam-e a nagyfesz párjának mert több lábra áthúz. Köszi az eddigi segítséget. Megpróbálom még a snubbert is beiktatni.
A 250-es tranyó meghalt, 2db is, aktív hűtéssel. A 25A 600V Graetz forró, a test vezetékek is (15A-s biztosíték kipukkant). 4700µF elég puffernek? Ív már nincs. Ami van továbbra is: hangszóróteszttel sípoló hang. Valami ötlet?
Mellékelem a helyes bekötést.
A kitöltést vedd vissza, mert ki tudja, mennyi azok után és hány amper megy, ha forró minden. A graetz meg van hűtve? A 25 A az határérték! Ha kiment a 15 A-s bizti, lehet, hogy majdnem DC már a vezérlés a trafónak és nyista induktivitás. A 4700-at inkább 3-4 darabból rakd össze. Szkóppal nem ártana nézned a tüskét, mekkora a drainen, mert azt is tudnod kell, nem megy-e 160-180 volt fölé és közösen öli meg a túlfesz és az amper.. A varisztor is nagy áramtüskéket harapdál le, a soros 10 ohmot is figyeld, nem füstöl-e.. ha igen, esetleg 2-3 paralel is kéne és nagyobb wattos ellenállás..
Köszi, megpróbálom ezzel a plusz áramkörrel és graetz hűtéssel is, ha nem sikerül beviszem a suliba ránézni szkóppal.
Sikerült húzni 1 centis ívet kb. A zene is megszólalt rajta de az IRFP460-as tranzisztor 10 sec után elfüstölt.
1., Az IRFP460 az áram miatt füstölt el biztos.. hűtőbordát használsz egyáltalán???
2., az Rds(on) magas ennél, mert 500 voltos FET... én IRFP250, 200 voltost javasoltam, annak elégnek kéne lenni 36 voltos táppal és snubberrel.. ( ha 300 volton elég a 800 voltos FET snubberrel, akkor itt is jó a 200-as 36 voltról..). 3., ellenőrizted a kitöltést a meghajtásnál? Az átlagáramot azzal tudod szabályozni.. minimálisról indulj és elsődlegesen ne az ívet nézd, stb., hanem a bordát meg tudd fogni nyugiban, a snubber varisztor, soros ellenállás nem izzad-e nagyon. A paralel ellenállás mekkora? 4-5 kohm 2..5 watt elég. 4., a freki mennyi? Ha túl alacsony, akkor a primer tekercs igen kicsi impedanciát képvisel és csinálhatsz akármit... persze minimális kitöltéssel akkor se kéne elfüstölni a fetnek.. 5., ha eléred a még kézzelfogható bordahőfokot, esetleg hűtsd meg egy 4x4 vagy 5x5-ös pici ventivel és a trafón gondolkozz, jó-e úgy, nem kevés-e az 5 menet...
Tegnap módosítottam a legutóbbi hsz. -em de valamiért nem történt meg... Az IRFP460-al is ment de a melegtől lejött a drainről a forrasztás és letestelt/vagy a gatehez hozzáért(figyelmetlenség, kapkodás). A sorkimenő rossz lábát gondoltam a nagyfesz kimenet párjának. Megvan az ív kb. 1 cm, a zene is szól. Snubberrel teljesen jó az IRFP250-es tranzisztor ahogy javasoltad.
A tranyót P3-as aktívval hűtőm (eddig is ezt tettem). A greatz is hűtött. A frekit nem tudom, de a 10k-s lineáris poti fél állásban van majdnem, a 22k-s teljesen felcsavarva. De egy szó mint száz, a snubber és a 250-es FET együtt működik. Köszönöm a segítséget!
Hát a jótól messze van, de minden esetre tapasztalattal és élménnyel gazdagabb lettem
Elég zajos. Most valamelyest a piros végű wolfram elektródával lenyugodott de még mindig serceg. Próbáltam grafittal, azzal nagyon ugrált az ív. Amint szereztem nagyobb hűtést és 50A-s graetz hidat próbálgatok majd ezt azt. Vmi ötlet a hangminőség javítására? Egyelőre egy passzív felüláteresztő szűrőm van.
Üdv!
Bocsánat, hogy beleszólok de ha jól értelmezem a korábbiakat illetve a saját tapasztalataimat (kicsi ív, rengeteg zaj) akkor a zaj a meghajtó áramkör frekvenciájából adódik. Szerintem ha volna rá megoldás, hogy maga a fűrész vagy négyszög jel ami a szikrához szükséges energiát a trafóba pumpálja a hallható frekvencia tartományon jóval felül járassuk talán meg szűnne... Persze lehet, hogy rosszul gondolom. Ami pedig a teljesítményt illeti evvel az elrendezéssel nekem sem sikerült komoly ívet kicsikarni a tv sorkimenőből hang ide vagy oda. A zvs driver a legjobb de ahogy olvasgattam itt azt nem lehet összehozni úgy hogy zenéljen. Viszont a sima egy tranzisztoros osztó ellenállásos visszacsatoló tekerccsel készített kapcsolás (pl 2N3005) nálam 4-5 cm is át tudott húzni, és ami a legfontosabb nem volt más zaj csak egy alig hallható magas "fújás". Erre nem lehetne rátenni az audiomodulációt? |
Bejelentkezés
Hirdetés |











Elég zajos. Most valamelyest a piros végű wolfram elektródával lenyugodott de még mindig serceg. Próbáltam grafittal, azzal nagyon ugrált az ív. Amint szereztem nagyobb hűtést és 50A-s graetz hidat próbálgatok majd ezt azt. Vmi ötlet a hangminőség javítására? Egyelőre egy passzív felüláteresztő szűrőm van. 



