Fórum témák
» Több friss téma |
Fórum » Fényorgona
Működik! Végül is a hangkártya kimenetre kötöttem, mert így hangerőfüggetlen.
Nagyon szupi, tetszik! Viszont valami eszembe jutott: Hogy lehetne valamiféle AGC-t (jól értelmezem az AGC jelentését?) rakni az elejére, hogy a halkabb részeknél is villogjon? Potival ezt lehet persze korrigálni, de az macerás. Milyen lenne egy automatikus jelszint erősítő/gyengítővel? Vagy ez rossz ötlet?
Hello! Én azt szeretném kérdezni, hogy ennek mennyi a bemeneti feszültsége? Köthetem direktbe a hangkártyára? Köszi előre is!
Na jó, sikerült megcsinálni, működik is, de az a baj, hogy azt hiszem a középre villog, tulajdonképpen nem is villog, hanem majdnem folytonos és én azt szeretném, hogy csak a mélyre, a basszusra villogjon, mit kell kicseréljek hozzá ?
Senki sem tudja? :no: Tettem nagyobb kondit, javított a dolgon, viszont amikor feltöltődik akkor meg azért világít folyamatosan az égő.. Mit tegyek?
a mikrofontól árnyékolt kábellel vezetted a jelet???? Mert ha nemakkor az hiba lehet, mert összeszedi a zavaró jeleket és az elektronika azt is felhasználja
Nem mikrofonra kötöttem, hanem hangkártyára.. Mostmár rájöttem, hogy pont ez volt a hiba, mivel a hangkártya a mikrofonhoz képest túl nagy feszültséget ad, de egy potméterrel a bemeneten orvosolni lehet, és mostmár működik szépen
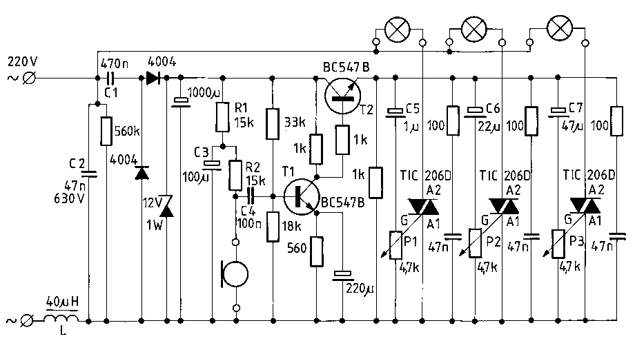
Még egy kérdés.. Ha tovább szeretném fejleszteni három sávosra (mély, magas, közép), akkor igaz nem kell mindenből 3at tegyek? Hogyan tudnám átrakni a szűrést a ledek elé, hogy csak kondiból kelljen három? És milyen értékűek kell legyenek? 1u 22u 47u? Ha valaki tudna segíteni, nagyon megköszönném!
Hello!
Az Urbán által tervezett fényorgonáról szeretnék kédezni,vagyis jobban mondva annak trafójáról ![]() Hogy mekkorák az értékei és ha megrendelem az egységcsomagot [doboz nélkül] akkor hozzá jár-e a trafó!!!??? Előre is köszi a segítséget!!! Üdv:.Szapor Viktor
Hali!
Várnám a véleményeteket, szerintetek fényorgona milyen LED es égővel????
Anno valami hasonlót csináltam csak 4 csatornást.
Igazán nem sokba van, bár nagyban függ attól hogy milyen alkatrészeket paszírozol bele. műveleti erősítő is, opto is és triak is van olcsó is és drága is. itt a műveleti erősítőkkel lehet spórolni, a triakon nem érdemes, az opto sem igazán kritikus. A szívás a szűrők belövésével lesz. Én anno szépen kisámolgattam az RC köröket, aztán a véga az lett hogy kísérleti úton kellett eldönteni a szűrőtegok értékét, de a végeredmény megéri. Valamikor 20 éve csináltam, a mai napig műxik, de a rajza az már sehol sincs.
ha 50cd-s ledeket használsz akkor jó lehet, de ez a 20 ledes lámpa nekem nem igazán jött be, kb. 5-10 W-os izzónak fele meg a fénye...
amit én építettem 3 csatornást ahhoz kb. 1500-1800 ft a panel, rajta van a triaknak is a helye, kivéve a trafó.
persze ha magad vasalózod, akkor attól nincs olcsóbb.
Megepitettem elso fenyorgonam, nagyon szepen mukodik ajanlom figyelmetekbe.
MFeri
A két kapcsolás között az a külömbség, hogy a triacoknál lévő 100 ohmos ellenállás máshova van kötve. Melyik a helyes?
Szerintem az első, amelyiken a triakokra van kötve.
Valoszinűleg az1-rajz a jó ,merta2.-nak nincs értelme!
ott a 100-ohmok és a kondik párhuzamosan vannak mig az elsőnél a triakokra vannak ( külön -külön) valószínüleg rádió frekis zavar szűrőnek! A kikapcsolási tranzienseket oltják!
Na okés, én is arra gondoltam, köszi nektek!
Nem tudom miért, nem akar működni a kapcsolás
Amikor méregettem a zehnert ki ki villantak az égők, de amúgy nem akartak égni. A T2 emitterén 7 voltot mértem, az úgy okés? Ja és bt139 triacokkal csináltam, de ugye ez nem lehet baj?
Ja és bc550 tranyókat használtam de az is szintén npn.
Megleltem a hibát, összecseréltem a tranyók kollektorait az emitterekkel
Hali! Tud valaki egy jól működő kapcsolást, ami hangfrekis jelből halál pontosan szűri ki a mély frekvenciás jeleket, majd utána ezt TTL szint keretein belül négyszögesíti?
Ezáltal egy "óra jelet" kapok, ami a zene ütemére vezérelne egy áramkört, ami a fényeket hajtaná!
hali
te valami olyat akarsz mint én. a probléma viszont nem a kiszüréssel meg a "négyszögesítéssel" van. hanem azzal hogy különböző hangerőkön jobban vagy kevésbé fog neked villogni, de ha jól sejtem te is azt szeretnéd hogy hangerőfüggetlen legyen a villogás basszusra. én is valami ilyet akarok összehozni. a jel utat a következőre tervezem: stereo jel bejön, az megy ugye alapból a subfilterre ami kever és vág. ez a jel egyrészt kimegy a subra, másrészt pedig bele megy egy másik áramkörbe ami áll egy AGC-ből, ez "hozza állandó szintre" a jelet úgymond, hangerő függetlenül. ennek a kimenetére csípőből rá éehet aggatni ledet vagy valamilyen meghajtással akár 20KW-os reflektort is. talátltam egy használhatónak tűnő AGC-t de van 1-2 érdekes alkatrész amit nem tudom hol lehet kapni! nézzétek meg: AGC és a rajz: Figure1 amit nem tudom hol lehet kapni: J176 ha valakinek van ötlete a helyettesítésre illetve hol kapni.. illetve még 1 dolog: nem ártana feljebb tornázni a kimeneti feszt, mondjuk 0-3V értékre és akkor direkt mehetne egy kék ledre. ötlet ? Edga'r
Most lehet én értettem félre, de az ábra, amit linkeltél az az AGC belső kapcsolási rajza! Vagy nem?
Ilyen AGC ről még nem hallottam, ez olyasmi mint a limiter! Az is egy szintre húzkodja a jeleket, ha hirtelen megugrik! Nekem nem az lenne a lényeg, hogy egyszinten maradjon! Buli elején egy potival beállítanám a beérkező jel leosztását, annyi nekem elég! Nekem olyasmi kellene, mint DJ pultokban a BPM mérő! Persze nem kell, hogy olyan komoly legyen, mert nem az értékére lennék kíváncsi, hanem, hogy szemmel láthatóan ütemre villogjanak a lámpák!
P-csatornás JFET. Aszem a leírás ezeket ajálotta: 2N5019 vagy 2N5116, ... 2N3993.
Egy hasonló egyszerű AGC (önműködő erősítésszabályzó) rajz van Király Andor - Ferenci Ödön által írt, elektronikai receptek II. 44. oldalán...
Amíg jobb nem lesz, talán ezek a rajzok is megteszik. Ez 10Hz-re lett méretezve. Remélem elég lesz. A kimenetéke egy csúcsegyenirányító (és ha szükséges még + DC erősítés) és egy schmitt-tiggeres jelformálás, PL: 40106 - 4584, 4093, vagy egyéb TTL áramkörrel. S Szinte kész is van...
de ez az AGC rajza pontosan.
a limiter az is hasonló de az ide nem jó és nem kell. ileltve használhatód de nem az igazi. a limitter az két érték közt tartja a jelet a negativ pozitiv csucsokat adott értékre vágja. viszont a közbenső jelet nem scalezi le. az agc meg pont azt csinálja h fogja a jelet és lescalezi. és az a jó. buli elején én is belönék 1 potit, csak akkor konkrétan minden szám elején is tekerheted, na meg szám közbe amikor a basszus halkul v hangosul. te azt füllel hallod .. de az áramkör nem reagál rá majd ugyanolyan érzékenyen. építs egyet agc néélkül és érteni fogod mit beszélek.. én is csináltam már pár fajtát. agc nélkül nem jó... illetve csinál valamit ami "olyan" de nem az igazi, naon nem. JANI: az link akart lenni ? nem lehet rákattintani....
elkészült a panel, van is mindjárt 8 darab, akit érdekel kérem magán levélbe írjon
Hali!
Én is megépitettem ezt a kapcsolást annyi különbséggel h a 220k -s poti helyett 250k-sat tudtam venni... Az első kérdésem az lenne, hogy ez mennyire befolyásolhatja a működést? A másik kérdésem az lenne, hogy az normális ha villog a zenére, de ugy h a 4 kis led mindig világít, csak amikor "villog" akkor erősebben...? A másik kérdésem: valahogy át lehetne ezt variálni úgy, hogy tényleg a mély hangokra ragáljon és ne világitsanak a ledek, csak amikor villaniuk kell? Előre is klöszi!!! Barbár
Üdv. Mindenkinek.
Én ezt a kapcsolást építettem meg eddig minden jól működik még csak a 12V-os részt próbáltam ki, tehát az otocsatolok LED-eit helyettesítettem sima LED-ekkel. Az lenne a kérdésem h a kapcsolásban található RC szűröket, hogy lehet ki számolni más frekvenciára? |
Bejelentkezés
Hirdetés |








Amikor méregettem a zehnert ki ki villantak az égők, de amúgy nem akartak égni. A T2 emitterén 7 voltot mértem, az úgy okés? Ja és









