Fórum témák
» Több friss téma |
Ne akassz ki. A 10V-10ohm-10menetet vagy hasonlót csak példának írtam, attól egy pici gyűrű már bőven telítésben van. Megint feszültségeket számolsz, mondtam hogy azt felejtsd el.
Hídról van szó, amivel a durván 300V-ból akarsz csinálni 1,5kW körüli teljesítményt. Nem voltam túl jó matekból, de ez 5A a primer oldalon ha jól számoltam. Tehát ha azt akarjuk hogy ennél az 5A-nél (amit maximálisan megengedünk) csináljon valamit a vezérlés, akkor erre kell méretezni az áramváltót. Az áramváltó szekunderén nem szeretnénk sem nagy feszültséget, sem nagy áramot (leírtam hogy miért), illetve azt sem szeretnénk hogy az áramváltónk magja telítésbe menjen, ezért lehetőleg nagy menetszámú szekundert kell használni. Miért? Mert úgy lesz kisebbre transzformálva az áram. Nem akarok most számolgatni mert számológéped neked is van, de a gyakorlatban nem nagyon szoktak ilyen helyekre 40 menetnél kevesebb szekundert tekerni az áramváltóra. Ha csak egy kicsit is érthető a dolog akkor jöhet a házi feladat ami szimplán matek, hogy mekkora ellenállással kell lezárni a 40 menetes szekundert, hogy az 5A-es primer áram hatására legyen rajta mondjuk 4V feszültség. Az áramváltó utáni megoldás már részletkérdés, mert akár közvetlenül is felhasználható a szekunder feszültség, de kapcsolhat egy tranyót is akár, és akkor már nem 4-5V kell az adott áramon hanem csak 0,6V. Az egészet természetesen tesztelgetheted nem éles körülmények között is, sőt célszerűbb úgy. Fogsz egy trafót ami tud 5A-t, és van legalább 30-40V-os, egyenirányítod és az lesz a főtrafód primer feszültsége. Le is lesz választva így megrázó élményben sem lesz részed ha benne turkálsz. Az IC mindenképpen ki-be fog kapcsolgatni, mert az a dolga. Sajnos egy egyszerű szabályozó hurokkal nem lehet azt megoldani hogy a kecske is jóllakjon és a káposzta is megmaradjon. Ha megnézel egy céláramkört (pl. TNY vagy hasonlók) ott ezt úgy oldják meg, hogy zárlat vagy túláram esetén az IC lekapcsol, és nem kapcsol vissza csak 0,5-1s elteltével. Ez az idő már elég arra (gondolom megtervezték a mérnökök a gyártás előtt), hogy a túláramot elviselt kapcsolóelemnek legyen ideje magához térni, és elviselni egy újabb ilyen impulzust, mert mondjuk még mindig fennáll a rövidzár. Ha megnézed egy FET adatlapját, ott meg van adva a folyamatos és az impulzus áram, amit az eszköz 1 impulzus erejéig elvisel, ez általában négyszerese-ötszöröse a folyamatosan megengedhető áramnak. A hagyományos vezérlőkben, pl. a 494-ben sincs ilyen opció, annál ha túláram vagy rövidzár van akkor a szabályozó kör beavatkozik, de az IC a szabályozó kör időálladójától függően újra be fog kapcsolni. Ez a gyakorlatban úgy néz ki hogy kikapcsol, kimarad néhány periódus (általában 4-10), majd újra bekapcsol és ez ismétlődik. Tehát nincs ideje a fetnek pihenni. Ezért kell kiegészíteni egy olyan áramkörrel ami ilyen esetben hosszabb időre lekapcsolja, ezáltal esélyt ad a feteknek az életben maradásra.
Tehát:
-teljes híd -nem szabályzott -1500W -mondjuk 70kHz (ha bírja)
Összegezve:
Tehát minél nagyobb menetszámot kanyarintok a szekunderre, annál kevesebb lesz rajta az áram -és ez attól függ én mit szeretnék vele meghajtani, IC, relé, műszer akármi-, majd ekkor jön a szorzó (az ellenállás) amivel lezárás után kinyerhetővé válik belőle a kívánt feszültség (a legmagasabb megengedett primer áram környékén). Alacsony menetszám esetén nagy, bumbszli lezáróellenállás szükséges mert több áram fog rajta esni már azelőtt is mielőtt egyáltanán működésbe léptetné azt a valamit ami utánna van kötve; relé, IC, stb, és csak feleslegesen forrósodna. Jelen példaként 1...4A között. Jól gondolom?
Kábé. Plusz ha kevés rajta a menetszám a feszültség meg nagy, akkor jól meg lesz gerjesztve amitől telítésbe megy és nem azt fogja csinálni amit kellene.
A kompaktfénycső elektronika (vagy Skori féle táp) működése részben ezen alapul, hogy a pici ferritgyűrű betelít mert menetenként kap kb. 1V-ot, ami ahhoz a vaskeresztmetszethez már nagyon sok.
Jó.
Akkor felejtsd el, hogy van áramváltó. Csak trafó van! Egy átlagos trafó két tekercsből áll, van egy primer- N1-, meg van egy szekunder-N2-. A primert talán azért nevezzük primernek, mert itt tápláljuk be az energiát, ami a szekunderen jön ki. De ez csak általában van így, mert vannak olyan esetek, amikor ez nem ilyen egyértelmű. Egyébként egy trafó általában teljesen szimmetrikus. A trafókra mindig igaz, hogy az N1 x I1 = N2 x I2, ahol I1 a primer áram, I2 a szekunder áram. Meg az is igaz, hogy N1/N2 = U1/U2 , ahol U1 a primerre kapcsolt feszültség, az U2 meg a szekunderen ébredő ( indukálódó ) feszültség. A fluxus arányos a tekercsre kapcsolt feszültséggel és azzal az idővel, amíg ez a feszültség rajta van a tekercsen. Fi = U x t. Ezt a mennyiséget feszültség-idő területnek nevezzük. Tulajdonképpen koordináta rendszerben ábrázolva pl. egy hálózati szinusz esetén a szinuszgörbe alatti területet jelenti, mondjuk 0-tó 10 ms-ig. Miután a függőleges tengelyen feszültség van, a vizszintesen meg az idő, a kettő szorzata Vs-ot ad (Voltszekundum ). Valójában, ezt a területet integrálással lehet kiszámolni. Az integrálás ebben az egyszerű esetben egy görbe alatti terület kiszámolását jelenti. Ha ez egy görbe alatti terület, akkor a végeredmény egy középérték lesz. Vagyis az adott szinuszhullámnak a görbe alatti területét kapjuk, ami a feszültség középértékével lesz egyenlő. Hogy ne kelljen sokat számolgatni, ez egy nevezetes érték, 2 x Umax / Pi, hálózati feszültség esetén ez 2 x 1,414 x 230 / 3.14 = 207 V. Ezt a feszültséget úgy kell elképzelni, hogy ez egy akkora területet ad 10 ms alatt, mint a hálózati félszinusz. A hálózati feszültség effektív értéke 230 V. Az effektív- és középérték viszonya 1,11. ( 230/207 = 1,11 ) Ezt formatényezőnek hívjuk. A transzformátorok általános képletében van használva, ha szinusz a feszültség. Az indukció és a fluxus között egy másik mennyiség, a mágneses keresztmetszet teremt kapcsolatot. A mágneses keresztmetszet többnyire a tekercsátmérőt jelent, vagyis a tekercs belsejét. Ott mennek az erővonalak, vagyis a fluxus. Fi = B x A, vagyis B = FI/A = U x t / A Egy tekercs menetszámát adott indukcióra az alábbiakból lehet kiszámolni: N = U x t / B / A ( a sorrend olyan, amit a szebszámológépbe kell bepötyögni.) Tehát a menetszám egyenesen arányos a rákapcsolt fesz-idő területtel, fordítottan arányos az indukcióval és fordítottan arányos a mágneses keresztmetszettel. Ez a képlet eléggé slendrián, mert megváltozásokról van szó, tehát nem ennyire egyszerű. A fluxus alatt fluxus megváltozást kell érteni, ami annyit jelent, hogy rákapcsolunk egy adott fesz-idő területet, akkor a fluxus egy kezdeti értékről egy adott nagysággal csökken, vagy nő. Tehát, a fluxus valahonnan elindult és valamekkora értéket ér el az adott fesz-idő terület mágnesező hatására. Ennek megfelelően az indukció is indukció megváltozást jelent, tehát valahol volt a bekapcsolás előtt és valahova eljutott a kikapcsolásig. Tehát ezeknek illik mondjuk egy delta prefixet adni, tehát dFi, meg dB. Tehát, kissé precizebben: N = U x t / dB / A Hogy néz ki ez a gyakorlatban? Egy teljes hidas topológiában egyszer az egyik átkló vezet, egyszer a másik. Tehát egyszer a primer kap ( mondjuk ) 300 V-ot, egyszer meg -300 V-ot. 100 kHZ esetén egy bekapcsoláskot a primerre jutó fesz-idő terület 300 x 5e-6 = 1,5 e-3, vagyis 1,5 mVs. Vagyis, ez a fesz-idő terület fogja mágnesezni a trafót. Egy ferrit esetében ez ( ha maradunk továbbra is a teljes hidas elrendezésnél ) mondjuk 0,4 Tesla indukció változást fog előidézni. Ehhez ki lehet számolni, hogy mekkora menetszám kell, az adott mágneses keresztmetszet esetén. Erre az esetre azt mondjuk, hogy minusz Bmax-tól, plusz Bmax-ig mágnesezzük a vasmagot. Egy aszimmetrikus félhídban csak egy irányba mágnesezzük a vasmagot, tehát felmágnesezzük Bmax-ig, aztán valami áramkör visszamágnesezi a kezdeti értékre. Ebből nyilván látszik, hogy ebben az esetben rosszabb a vasmag kihasználása, mert az összes indukcióváltozás nem két delta B, hanem csak egy! ( Mindjárt kétszer akkora vasmag kell.) Teljes híd esetében a kétszeres vátozás úgy történik, hogy minusz Bmax-ról plusz Bmax-ra mágneseződik a vasmag. A vasmagot a kezdeti értékre ( mondjuk a minusz Bmax-ra ) a másik átló bekapcsolása fogja létrehozni, hiszen ellenkező irányú fesz-idő területet kapcsol rá a primerre. Tehát neked egy olyan trafó kell, ami a szekunderén mondjuk le ad 4 V-ot és a primerén ehhez 5 A folyik. Az előbbi képlet alapján meg lehet határozni egy adott vasmaghoz azt, hogy mekkora menetszám kell ahhoz, hogy ha ezt a 4 V-ot rátesszük a szekunderre, akkor az ne akarjon betelíteni, vagy csak akkora indukció legyen benne, amit az elején meghatároztál. Kijön a számításból, hogy mondjuk 100 menet. Ha a primered 1 menet, akkor a primeren indukálódó feszültség a 4 V-nak a százada lesz. Az árama meg a 100-szorosa, megfelelő feltételek megléte esetén. Eddig ez egy normál tarfó volt, de most nézzük meg, hogy mi történik, ha ezt bekötjük áramváltónak. A normál trafó többnyire feszültséggenerátoros megtáplálást kap, tehát ráakasszuk egy olyan feszültségforrásra, aminek majdnem nulla a belső ellenállása, tehát, akármekkora áram ki tud belőle folyni. Tulajdonképpen az ilyen trafókat az erőművekben inkább feszültségváltónak hívják, mert ugye elég furán nézne ki, ha mondjuk beleeresztenénk a 10 kV-ot egy táblaműszerbe. Ezért betesznek egy sima trafót, ami ennek megfelelően van méretezve. Az áramváltó egy kicsit más, őt egy áramgenerátoros körbe tesszük, aminek az a lényege, hogy azon a dróton, amibe beiktajuk az áramváltót, nagyjából konstans áram folyik, illetve olyan, amit a mérendő áramkör határoz meg. Tehát az, hogy az előbbi trafónál esik 0,04 V a primeren, nem fogja befolyásolni az áramot. Tehát, az áramváltó primerén a megtápláló áramkör árama fog folyni. Egy trafónál ugye mindegy, hogy melyik a primer, melyik a szekunder, mint ahogy az első képletekből látszik is. Az áramváltónál az van kihasználva, hogy a menetszámok arányában csökken, vagy nő az áttételnek megfelelően a szekunder oldali áram. Ugye, ha azt akarjuk, hogy az áramváltó ne nagyon tudja megváltoztatni a viszonyokat az őket megtápláló körben, akkor a primer oldal felöl nagyon kicsi ellenállással ( impedanciával ) szabad csak rendelkeznie. Ebből az következik, hogy a szekunder oldalt le kell terhelni, különben a szekundern nem fog áram folyni ( ugye a százada a primernek ) így a primeren sem fog áram folyni, hiszen a primer oldal szakadást mutatna ( ideális esetben ) tehát, gondoskodni kell arról, hogy a szekunder oldalon tudjon áram folyni. Vagyis kell egy lezáróellenállás. Ha 4 V-ot akarsz és 1:100-as az áttétel, akkor a szekunderen fog folyni 50 mA. Ahhoz, hogy 4 V essen a lezáróellenálláson, ohm törvénye értelmében 4V / 50mA = 80 ohmos ellenállás kell. Mi történik, ha te egy 160 ohmos ellenállást tszel be? A primer áram ettől nem fog megváltozni, így a szekunder áram sem. Vagyis, 50 mA x 160 ohm = 8 V fog indukálódni. Ebből látható, hogy az ellenállás változtatásával szépen lehet változtatni azt a feszültséget, ami majd valahova beavatkozik. Azért ennyire nem egyszerű, mert a menetszám képletéből visszaszámolva az fog kijönni, hogy ehhez kétszeres Bmax, vagyis, kétszeres indukció fog tartozni. Tehát, célszerű pontosan méretezni. Innen már az is levezethető, hogyha nem terheled meg a szekunder oldalt, vagyis nem teszel lezáróellenállást, attól még valamennyi áram, valamennyi ideig fog folyni a primer oldalon. Ez azt fogja jelenteni, hogy vészesen nagyra nőhet a szekunder feszültség. Utánna betelít a vasmag és miután nincs fluxusváltozás, elvileg nulla lesz a szekunder feszültség. ( nem teljesen, mert ha betelít a vasmag, akkor légmagosként megy tovább, persze sokkal rosszabb paraméterekkel... ) Tehát, lezáróellenállás legyen benne, különben meg is rázhat úgy istenesen, meg átüti a szigeteléseket, stb... Az indukciót célszerű kis értéken tartani. A vasmag nem ideális, tehát van neki mágnesezőárama, ami nagyobb indukcióknál tetemes hibát okoz, ugyanis ez levonódik a szekunder áramból. Tehát, egyre nagyobb pontatlanságot okoz. Az indukció is folyamatosan nő egy átló vezetése folyamán, ennek megfelelően a mágnesezőáram is. Ha ez elég nagy, akkor a szekunder feszültségben is már látszik, hiába volt szép négyszögjel mondjuk 100 mT-nál, ez 200-nál esetleg úgy jelentkezik, hogy a szekunder feszültség elkezd lekonyulni, vagyis ilyen tetőesésféle fog megjelenni a feszültségben. Tehát, azt csinálhatod, hogy az eredeti lezáróellenállást a felére csökkented, ekkor csak a felére csökken az indukció a vasmagban, ez még nem akkora baj. Fordítva ne csináld. Persze, az sem jó, ha túl kicsi az indukció a vasmagban, ugyanis ezt csak úgy lehet megcsinálni, ha túl nagy a szekunder menetszám. Ez viszont nagyobb szórási induktivitást jelent, nagyobb tekercskapacitást, tehát sok hátránya van. Egy ilyen áramváltónak már helyből elég nagy a szórt induktivitása, hiszen a primer 1 menet, a szekunder meg 100, ráadásul az egy menet meg csak lötyög a lukban... még szerencse, hogy nincs különösebben nagy áram a szekunderen, mert akkor így meg sem lehetne csinálni a nagy szórás miatt. Használj olyan ferritet, aminek minél nagyobb az AL-je, ezeknek lesz kisebb a mágnesezőárama. Iron powder ( porvas ) szóba sem jöhet. Mondjuk egy 0,5...1 cm2 körüli, 20...30 mm átmérőjű gyűrű már nagyon jó, vagy ha nincs akkor mondjuk EF 25 is lehet, persze légrés nélkül. ( Lehet amorph vas is, de olyanod úgy sincs... )
Kis segítségre lenne szükségem.
Találtam egy kompakt fénycső nyákot, sajnos eléggé megviselt, de nagyjából visszahoztam az "életbe" viszont megakadtam, a lenti kapcsolásban levő 55uH tekercs trafója is hiányzott a nyákról. Bővebben: Link A kérdés az, hogy a képen látható ferritek, közül melyik felelne meg erre a célra? A bal szélső lemezes trafó az is megfelelő lehet? Előre is köszönöm a válaszokat!
A bal szélső hasonlít egy kompakt fénycső áramkör fojtótrafójára leginkább. Erre kb 1 sor menetet kell tekerni (vagy visszafejteni), de bármelyik ferrit talán jó, ha mérni tudod az indukciót. Ha segítene, ilyet már csináltam itt: Bővebben: Link
Szerintem szerezz még egy pár csövet, szelektív gyűjtőkben több is van
Szia!
Igen épp a te leírásod alapján próbálom után építeni! A bal legszélső lemezes kivitel nem ferrit az nem probléma? Mérni tudom LCM3-al.
Skori ezt írja a tekercsről:
"Az L4 tekercset légréses vasmagra kell elkészíteni. A skin hatás, és a légrés körüli szórás miatt célszerü több vékony párhuzamos szálból, vagy litze huzalból tekercselni. A gyakorlatban egy AL250-es, kb 20x30mm-es fazékvasmagra tekertem fel 14 menetet, 6db párhuzamos, 0,3mm-es zománcozott rézhuzalból. A boltban kapható kisméretü (gyári) induktivitások itt nem használhatók, a tekercs elkészítését sajna nem lehet elkerülni. A nem megfelelõen méretezett vagy elkészített tekercs melegedni fog, és rossz esetben az egész áramkör hibásan mûködhet miatta." Ha kisebb teljesítménnyel (nem többszáz Wattal) akarod használni, akkor egyszerűbb a dolog, és a lemezes kivitel is jó, mert eleve van benne egy kis légrés.
Köszönjük, katt, ez nagyon alapos írás!! Még átolvasom néhányszor
Értem, akkor megtekerem a kis trafót! Összesen nincs 30W amit ki akarnék sajtolni belőle (forrasztó állomás).
Nincs mit. Ha valami nem világos, akkor kérdezzetek, jó lenne, ha minél többet megértenétek a trafókból. Trafó mindenhova kell...
Szeretnék én is tanácsot kérni áramváltós témában. Pont mostanában foglalkozok vele én is.
Egyenlőre kísérleti tápot építek, és a túláramvédelmet szeretném megcsinálni rajta, hogy amíg a főtrafóval kísérletezek ne legyen probléma esetleg. Próbaképpen, a végfokot +-20 volttal hajtottam a főtrafó helyett pedig ellenállást tettem amivel beállítom az áram korlátozást. A problémám az, hogy amikor megjelenik az impulzus akkor az megjelenik az áramváltó szekunderén is, de az impulzus végén az áramváltón megjelenik egy ellentétes impulzus ami nagyobb az eredeti impulzusnál. Tehát nem a tényleges áramra tilt le a határolás, hanem az áramváltó önindukciós feszültséglökésére. Ezt hogyan lehetne kiküszöbölni?
Tegyél fel egy kapcsolási rajzot. Valószínű, hogy csak egyirányú mágnesezés van és a viszamágnesezést látod. Diódákkal meg lehet javítani.
Szia!
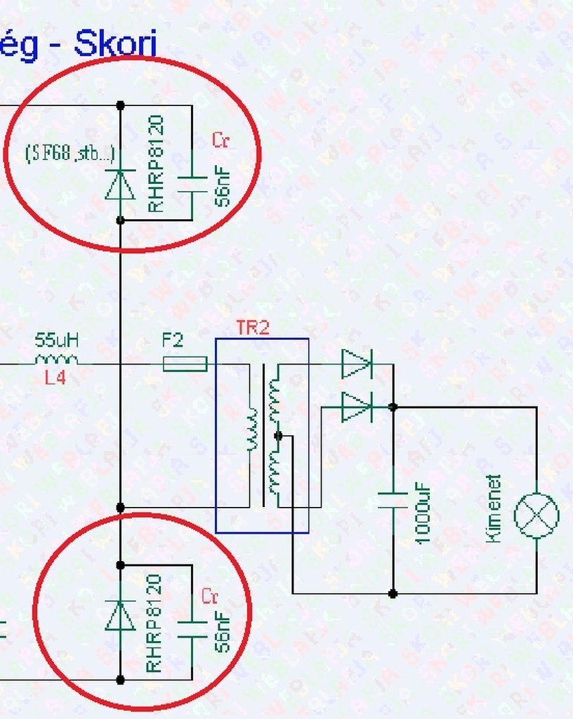
Kész lettem az 55uH tekercsel, kicseréltem a kis tranzistort, át tekertem a kis toroidot is. Már csak ez a rész nem világos. :S Idézet: „A kis teljesítmény miatt nem használok védődiódákat és védő Zenereket. Már csak két kondira van szükség a félhídhoz, meg a trafóra.” Kondis félhidas részt nem értem (nem tudom mi az a félhid ebben az esetben). Így nem tudom melyik kondiról és diódáról van szó. Találgatás útján oda jutottam, hogy a bejelölt 2-2diodát és kondik kellene még ráberhelni a kompakt fénycsőre? Ebböl a 2 dióda elhagyható? A hozzászólás módosítva: Nov 28, 2014
Van itt pár kompaktfénycső-rajz, a 2482S tranzisztoraiddal. Hátha segít. Bővebben: Link.
Itt van rajz. Körülbelül ilyesmi lenne az elképzelés.
Az áramváltó szekunderén biztosan nem jó a két 15 k-s ellenállás. Tegyél helyettük diódát, akkor graetz lesz. Ez egy félhidas elrendezés, vagyis mindkét irányban van mágnesezve az áramváltó vasmagja. A másik, hogy nincs lezáróellenállás a szekunderen. Lehet a graetz kimenetére is kötni. Az 1 k-s ellenállás nagyon sok lesz ide.
Kösz katt ! Remek összefoglaló!
15 ohm -os csak rosszul látszik. Ezek zárnák le elvileg a szekundert, pozitívnál az egyik, negatív impulzusnál a másik. De próbáltam úgy is, hogy a szekundert lekötöttem leterheltem egy 33 ohm -os ellenállással és szkóppal néztem. Az önindukciós fesz kb kétszerese volt a rendes impulzusénak. Lehet, hogy majd kipróbálom másfajta vasmaggal.
Igazság az, hogy a tekercsekkel nem igazán vagyok tisztában. Azon is filózok, hogy átvariálom a kapcsolást, hogy az alsó végfok tranyó source lábát átvezetem egy 0.1 ohm -os ellenálláson és azon figyelem a feszt így az áramot. Így nem kéne áramváltótrafó. Csak akkor a felső tranyó árama maradna őrizetlen. Kérdés az, hogy elég lenne ez egy esetleges kimeneti rövidzárlatnál?
Sziasztok!
Szeretnék egy kis segítséget kérni még hozzá olyanban hogy +-40V-ra lenne szükségem egy VF2-höz kapcsi táppal. Viszont nem értek ezekhez a tápokhoz és egy kis véleményt kérnék hogy milyet lenne érdemes csinálni neki?!
Sziasztok! Egész jó sikerrel megvalósultak a stabilizált tápjaim, ugyan még nem tökéletes, de gondoltam akkor már kísérletezgetek kicsit önrezgő téren, ami nekem mindig a gyenge pontom volt, sok kudarccal. (Éppen ezért zsigerből gyűlölöm őket
)A mellékelt ábra szerint készült, és a világért nem akar elkezdeni rezegni. A pici tekercsel kísérleteztem, de egyszerűen nem indul el. Egyik fetem hibás volt az elején, és akkor hallottam, hogy kapcsolgat nagyon alacsony frekin. Mikor kicseréltem a hibás fetet (át volt ütve) onnantól semmi. Lehetséges, hogy nem megy telítésbe a kis tekercs? Kompakt fénycsőből bontott kicsi toroidra tekertem. Mi okozhatná még a problémámat? A főtrafó Pc tápból van, a szekundert tekertem újra, 2x6 menet, kb 1 mm légréssel. Holnap még kísérletezgetek vele, ha lesz szabadidőm. Talán szerzek új pc táptrafót, amihez nincs hozzányúlva, hátha az a gond.
Szia!
Lehet, hogy csak a beírásban hibáztál, de a pc főtrafóban nincs, nem kell légrés.
Jogos, viszont ez már szét lett szedve, mert nem találtam egyben lévőt, csak gyári csévét. A szekundere lett megváltoztatva. Direktben nem tettem bele légrést, a kérdés az, hogy vajon össze tudtam-e rakni légrés nélkül (volt itt ott olvadt visszakötött gyanta, de próbáltam megcsiszolgatni hogy illeszkedjen) Próbáltam toroiddal próbaképpen, és nagyon gyatrán elkezd kapcsolgatni, de csak terheléssel. Alig emelkedik a szekunder fesz, igaz ez csak kísérlet volt, az a toroid sem jó erre.
Ha a trafón kívülről látod, hogy összeér mindkét oldalon, akkor tuti, hogy belül is... a gyantát pedig szedd le teljesen.
A toroidos próba mindenre nem jó, mert ha kevés a fesz, azért sem indulhat be. Csattanás ellen talán egy 150 wattos izzó sorosan a 230-ba, 10-20 wattnyi szekunder terheléssel és vagy menni fog, vagy nem ijeszt meg annyira...
Ráéreztél,
ez a két 56 nF-os kondi alkotja a félhidat (nekem 47 nF-ossal ment). Ha ezek elég nagy feszültségüek és kis teljesítményre használod, nem szükséges a védő dióda.Hajrá, mindjárt kész lesz, de azért olvasd Skori írásait
És mi a helyzet az induláskor a szekunder oldali kondik töltődésével?
Jogos, nem illik kihagyni a védelmeket, néhány filléres alkatrészért (bár nekem már évek óta anélkül megy). Abból indultam ki, hogy a nagyobb freki miatt kis szekunder oldali kondi is elég kis teljesítményre, így kevésbé van kitéve túllövéseknek.
Kis kodni is elég, ugyanis egy kapcsolási peródus alatt a szekunder oldali kondik nem töltődnek fel. A normál MKP kondik pedig (ilyen célra) nem feltételen jól viselik a túlfeszt.
Egy X vagy Y kondi is ugye legfeljebb szakadásba megy át, de nromál MKP kondinál az sme kizárt, hogy zárlatba... Vagy gondoskodni kell egyéb túláramérézekésről. Az LLC konverter esetén step-up módban a kondikon nagyobb fesz alakul ki, de pont ezért van az IC-kben áltlaában valami egyéb túláram érzékelés, hogy ekkor leállítsa a tápot, vagy a frekvencia növelésével csökkentse a kondik feszültségét.
Sorosan van 100 ohmos nagy ellenállásom, ezen át is feltöltődik 320V körülre a primer. Csináltam új fojtót, és szereztem bele egy gyári pc táp trafót, és tovább kísérleteztem a kicsi trafóval. Elindul ugyan, de nagyon alacsony frekvencián, és a szekunder kondik lassan kezdenek el feltöltődni (5-10 másodperc alatt 20-30 volt körülire) Hiába állítgatom a menetszámokat, nem változik a frekvencia.
|
Bejelentkezés
Hirdetés |







)

