Fórum témák
» Több friss téma |
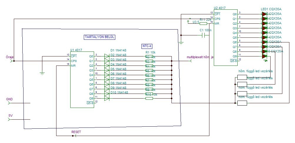
Esetleg egy ötlet multiplexelésre. Így sokkal kevesebb vezetéket kell a tartály belsejébe vezetni. A két 4017 szinkronban jár, a belső kiválasztja a szenzort, a külső meg az aktuális led et és vezérlését. Ahogy néztem a cd4017bc csak 85 fokig jó, de a bm végű 125 ig. A diódák elvileg 200 fokig bírják.
A hozzászólás módosítva: Aug 31, 2013
Ja, értem már. Szóval a tartályt nem kéne megbontani, max a szigetelést.
Amúgy pont azért írtam, hogy valakinek hátha ötletet ad valami sokkal jobbhoz.
Na ez szerintem nem is rossz ötlet. Akár diódával, akár NTC-vel mérnénk a hőmérsékletet, a multiplexeléshez tényleg nem feltétlenül kell analóg kapcsoló (mint ahogy az először élt a fejemben). Elég csak a "tápot" kapcsolgatni az egyes mérőelemekre, a komparálás már megoldható egy közös eszközzel. A kapcsolási rajzon amúgy van pár zavaros pont, de a lényeg érthető.
Úgy is lehetne csinálni, hogy a külső 4017-esnek az engedélyező bemenetére lenne kötve az aktuális mért érték kiértékelésekor keletkező jel (ami már csak annyit mondana, hogy hideg, vagy meleg az adott mérőpont). Így a második 4017-es a hideg pontok számának megfelelő pozícióban jelezne a kimeneten. Így viszont bármi más számláló is használható lenne, amivel mondjuk rögtön numerikus értéket kaphatnál. Persze a futófény-szerű megjelenítés nem éppen a terv része. Egyébként hogy őszinte legyek, túl nagy költséget nem jelent a külön-külön komaparálás, és a vezetékeken sem nagyon kell talán spórolni. Na mindegy. A megoldás legfontosabb részét már ismerjük. Innentől csak egyszerűsítések és bonyolítások jöhetnek. Én sajnos főleg az utóbbiban vagyok jó.
A küszöbszint állítás gondolattal csak annyit bonyolítanánk, hogy a rajzodon (4 tagos próbaverzió) ha már tagonként külön trimer kell, akkor annyi többlet jönne pluszba be, hogy megmaradhatna a mostani 1 db közös trimer értékhelyesen és körbevéve ellenállással (csak pár %-nyi állítási tartománnyal) egyből küszöbszint állításként működhetne. Ezzel másokra gondolnék, hisz vannak padlófűtéses pufferosok, nekik alacsonyabb a küszöbszintjük. Ez most utólag jutott eszembe, hisz én hirdetem itt, hogy nem csak magamra gondolnék, hanem univerzális, mindenhova felszerelhető ák-t csinálnék szívesen. Erről majd kérdezd meg az emberedet. Engem is érdekelne a véleménye, és az egész gondolatmenetünkkel kapocslatban is.
Nini, egy ember, akit a másik is érdekel... (utánam olvastál)
![]() Jó a multiplexes ötleted, örülök, hogy ebben a verzióban is maradhatunk az árral versenyben. mondjuk Bakman integrált szenzorára írtak jellemzők, hogy a bonyolultság miatt szűkül a karbantartani, vele dolgozni képesek köre. De lassan érdemes lehet két szálon két tervet készíteni. Egyszer az egyszerűség vonalán, másodszor a bonyolultén. Az a kétledes korábbi egyszerű kapcsolás jött valahonnan, vagy te karcoltad fel hirtelen?
Én nem nevezném rajznak, amolyan skiccféle. Kicsit el is b.tam mert így állandóan resetelnek a számlálók, az ellenállás megy a testre, a kondi pedig tápra.
A fejemből jött, (talán az eltérő nyitófeszen alapuló led kapcsolást valami tv vagy monitor előlapi led megoldásánál láttam régesrég ) de sajnos én nem vagyok rá képes, hogy rendesen megtervezzem, kiszámolgassam. Össze kéne dobni próbapanelen potikkal, és állítgatni, kísérletezni. Az oldalad már viszonylag régóta ismertem, nem most "olvastam utánad"
Azért azt gondolom érted, hogy ezek a rajzok csak vázlatok? Eddig működő rajzot csak tőlem kaptál. Tehetsz bele NTC-t is, azzal is működik, mint említettem. Aztán nehogy a nagy oltáron(mindenkinek jó legyen) elbukjál! Na cső.
Nekem is hasonló, 1000l-es pufferem van annyi különbséggel, hogy ebben 4db hőmérőnek van csonk kialakítva.Azt hittem, ez még sok is lesz, és elég lesz pl. két helyen mérni, és ebből már következtetni lehet a pufferben tárolt hőmennyiségre.De ezek szerint nem.
De hogy én is hozzátegyek valamit a feladathoz az jutott eszembe, hogy mi lenne, ha nem pontonként értékelnénk ki a hőmérsékletet, hanem az összes hőmérsékletfüggő elemet (ellenállást) sorba kötve, az eredő ellenállást néznénk, és abból következtetnénk a tárolt hőmennyiségre. Egyszerűsödne lényegesen a kapcsolás, kevesebb vezetékezés is kéne.Hátránya, hogy nem a hideg-meleg réteg pontos elkülönülési helyét indikálnánk, hanem a puffer falának átlaghőmérsékletét.Ebből következtetnénk a tárolt hőmennyiségre egy egyszerű algoritmus alapján.
Gond lehet a relatív kis ellenállásváltozáslépcsők kiértékelésével, ami nem egyszerű feladat. De az ötlet jó.
Hello! Azért nem "kicsi" az ellenállás változás, mert a keresett határértékpont alatt minden ellenállás magas, felette alacsony értékű. Vagy is az ellenállások összegzett értéke, a tartály hőmérsékletének, átlaghőmérséklete lesz. Azaz a soros NTC-k átlaghőmérsékletet fognak mutatni.
De én is hasonló gondolatra jutottam mint Mate, annyi különbséggel, hogy ha a skála minimumának a referenciaként a belépő csonk hőmérsékletét, maximumának a kilépőét vesszük, akkor az átlaghőmérséklet mutatni fogja (remélhetőleg) a határréteg helyét. Ráadásul, közelítően a tartályhőfoktól függetlenül, vagy is egyaránt jó lehet radiátoros és padlófűtéshez. Mert nem egy hőmérséklet abszolút értékét komparáljuk, hanem az arányt keressük. Persze figyelni kell, hogy a mérés csak akkor lehet elfogadható, ha van előremenő és visszatérő hőfokkülönbség. Vagy is csak ekkor szabad kijelezni.. Persze ez csak egy idea, a sok(k) közül. üdv!
Egyre olcsóbb a digitális megoldás is: lásd TCN75A I2C hőmérő 211 bruttó forintért: 0,5 mA fogyasztás, akár 12 bit felbontás, +- 3 fok pontosság (felbontástól függ), programozható küszöb kimenet (pl LED meghajtáshoz).
Digitálisan nyolcasával I2C buszon feldolgozható a pontos hőmérséklet, ekkor programozni kell viszont kevés vezeték szükséges és akár megrajzolható a teljes hőmérséklet eloszlási görbe. Analóg módon a küszöb kimenet mutatja pl 40 fok alatt vagy felett van a hőmérséklet, mint egy vonalkijelzőn, viszont egyszerű, de sok vezeték kell és csak a 40 fok alatti (és feletti) víz magassága tudható. Vannak ellenállásokkal beállítható küszöbű és hiszterézisű hőmérséklet kapcsolók is (pl TC620, 343 ft, NTC bemenettel TC621, ár nincs), ekkor is sok vezeték kell. Másik digitális megoldás sok AD bemenetű mikrovezérlő (sok van, pl 24 bemenetes: 18F44K22, PDIP tokozásban 787 forintért) és NTC-k használata. Itt is a fő gond a mechanikus megvalósítás. Vízálló, EGYBEN jó hőmérséklet csatolású legyen a szenzor a vízzel.
Véleményem szerint 10-12db-nál több mérési pont nem szükséges,így kb.15cm-enként lenne egy.Annak a tartálynak a fala kb. 3-as acéllemez, nem hinném hogy annyira számottevő hőmérséklet különbség alakulna ki ekkora távolságon.
Arra gondoltam, hogy arányosan kisebb lesz a változás, ha 12db NTC-ből csak egyen csökken a hőfok 40C-ot. Ezt detektálni, nehezebb, mint ha csak 1 NTC lenne a mérőkörben.
A többi magától értetődik.
Természetesen látom, értem. És nagyra értékelem, hogy elsők közt igyekeztél segíteni egy komplett rajzzal (ráadásul neked nem is érdeked talán megépíteni, így önzetlenségből...).
Én még várnék, látnék, informálódnék, tapasztalnék, aztán valami lesz... Megint csak köszönöm.
Te mint tartályhasználó nem úgy tapasztaltad, hogy a rétegződés miatt inkább élesen rajzolódik a hőkülönbség a -mondjuk- 15 cm-en? Mert aztán amilyen a víz hőkülönbsége, olyan lesz a vaslemezé is.
Amúgy lassan lesz egy digit kapcsolás is versenyképes árral. (ár-érték aránnyal: többletszolgáltatás) A kérdésedre: Lehetne, mérni/leolvasni a megmaradt hőmennyiséget is, hisz a két adatnak van köze egymáshoz. De nekem eredetileg azért lett érdekes a pontszerű hideg-meleg határ látása, mert az független más forrásoktól ad választ arra, hány percig kap még az asszony meleg radiátort (kikevert 60C-t), mikor megérkezem a melóból. Más forrásom meg van/lesz, és másoknak is lehet. Nekem van későbbi kísérletekre, meg eredetileg fagymentesítésből elektromos patronom, alul két alsó hőcserélőm későbbi napkolinak, és még egy tetszőleges forrásnak. Időközben alulról érkező hő esetén igaz lesz az átlaghő tartalom, de a pontszerűre már nagyon megtévesztő lehet. Nem? Egyébként ha már... , akkor nem érdemesebb esetleg mindkét adatot kivenni? Ennek a mérlegnek a másik oldalán a nagyobb bonyolultság a vele járókkal, és a több vezeték áll. Persze én maradok az eredeti tervemnél, az egyszerűségnél, viszont kidolgozni érdemes lehet a bonyolultabbat is. Jó elmélkedésre is.
Nincsen tapasztalatom, mert most lesz beüzemelve a puffertartályos rendszer,eddig nem volt tartály.(Házfelújítás volt, ami érintette a fűtési rendszert is). Egy-két hónap múlva kiderül.
Te hány mérési pontot látsz indokoltnak?
És abban már gondolkodtál, az érzékelő alkatrészeket (bármilyenek legyenek is azok) mihez, hogyan rögzíted? Mondjuk ez a kérdés Bakman-hoz is szólhatna. Hátha továbbadja a szakinak is.
Szerintem a rögzítésre nem kell olyan nagy hangsúlyt fektetni. A kifejezetten jó hőkontaktus akkor lenne fontos, ha a környezet hővezető anyag lenne, azaz elvonná a hőt a mérőelemtől, és ezt folyton pótolni kéne a tartály faláról.
A mérőelemek viszont itt a hőszigetelés alatt lesznek a tartály falához nyomva. Szóval a hőmérsékletük állandósult állapotban egyezni fog a tartály falának hőmérsékletével. A kérdés csak az, hogy mennyi idő alatt veszi fel a változást a mérőelem. Szerintem max pár perc alatt érik el a 98%-os közelséget sima érintkezés alapján is. De minek üssünk hasra, ha lehet mérni is? A hőforrás legyen mondjuk egy meleg cső. Kell egy kis darab hőszigetelés, amivel odafogod a mérőelemet, és mérni kell. Ha a mért értékeket felrajzolod az idő függvényében, máris megvan, hogy milyen időállandóval áll be. Nem baj, ha a cső hőmérséklete nem egyezik a gyakorlatban szükséges értékkel, csak legyen állandó. Az sem baj, ha a hőszigetelés rosszabb, mint amilyen majd élesben lesz. A hőszigetelés és a mérőelem a mérés kezdetén legyen nagyjából szobahőmérsékletű. A mérőelem nemlineáris viselkedésével azért még lehet gond, mert itt nekünk ténylegesen hőmérsékletet kéne mérni. Ha nehézkes a mért értékek hőfokra konvertálása, akkor kell egy alkalmas hőmérő (pl multiméterhez termoelemes fajta). A mérőelem és a szigetelés közé kell tenni a hőmérő szondát, és így kell az egészet hidegen a meleg csőhöz nyomni. Fontos, hogy a hőszonda tényleg csak a mérőelemen keresztül tudjon melegedni. A hőszonda által mért érték így egy kicsit mindig késni fog időben a mérőelem hőmérsékletéhez képest, azaz felső becslést kapsz vele az időállandóra, amiről tudhatod, hogy a gyakorlatban úgyis csak kedvezőbb lesz.
Miután hőfok különbséget dolgozunk fel, nem kell tudni, hogy mennyi valójában, ezért mindegy mekkora a veszteség a mérésnél, ha az mindegyik mérőponton azonos.
Tehát én gyorsragasztóval felpöttyinteném, majd szilikon ragasztóval(pl. FBS) véglegesen rögzíteném és akkor a hőellenállás se lesz rosz.
Ígértem, hogy beszámolok a tapasztalataimról....
Szóval szeptember óta üzemel a puffertartályos rendszerem,mostanra kezdi elérni a végleges formáját vezérlési oldalról.(A rendszer hidraulikai vázlat a csatolt képen látható.) Ez a rétegződés érdekes a pufferben....ha a hőcserélőn keresztül fűtöm a puffert, (ami alul van) akkor alig van rétegződés, mind a 4 mérési ponton 5-8 fokon belül van a hőmérséklet egymáshoz képest.Nyilván azért mert alulról fűtöm.Tehát közel egyszerre emelkedik a hőmérséklet a puffer minden pontján, így "lassú" a rendszer, az egész víztömeget fel kell fűtenem hogy legyen pl. 70 fok a bojlernek vagy a radiátornak. Viszont ha a pellet kazánnal fűtöm, ami közvetlenül fűti a puffer 1000L vizét, akkor jelentősen rétegződik. Pl. felül 75 fokos, egyel lejjebb meg 40. Ez a rétegződés egyébként jól jön nekem, mert nem kell az egész vizét felfűtenem a puffernek a pellettel, hanem elég csak a felső részét, mivel a hő kivét onnan történik. Tehát azonnal van meleg vizem a hő fogyasztóknak.Ez azért jó mert a pellet kazánt a lakás és bojler hőn tartásra használom,és így gyakorlatilag automatikusan "kizáródik" a puffer a rendszerből, mindenféle váltószelep nélkül. A puffer vízhőmérsékletet 4 hőmérő értékéből átlagolással kapom,erre az átlaghőmérsékletre történik a szabályozás. A hozzászólás módosítva: Dec 28, 2013
Hello! A hidraulikus vázlatot áttekintve, számomra nem meglepő a különböző rétegződés.
- Ha a hőcserélő fűt, akkor szilárdtüzelésű kazán vize közvetlen kering a hőcserélőben, és mivel ennek csőkígyója alul van, a tárolóban a gravitáció keringteti a vizet, alulról felfelé emeli. Így egyenletesebb a hőeloszlás. - Ha a pellet kazán fűt, akkor a háromutú szelep visszacsatolja a keringtetést, ha a visszatérő víz hőmérséklete alacsony. Az pedig a puffertároló legalsó és egyben leghidegebb pontjáról jön vissza. Vagy is a söntszelep a fűtési idő javában nyitva lesz. Vagy is a szelep re-cirkulációs ágán nagyobb lesz az áramlás, mint a pufferben. Valamint a pufferben az áramlás ekkor fentről lefelé irányú, a meleg víz "megreked" felül. Legalább is én így látom. üdv!
Szia!
Lehet nekem nem jött át, de melyik terv valosult meg?
Sziasztok!
HMV tárolóban szeretnék a mechanikus hőkapcsoló helyére egy hőmérő szondát rakni, amit mikrokontroller dolgozna fel, de nem tudom milyen néven és hol tudok ilyen szondát venni. Tudnátok segíteni? Köszönöm. Üdv, N
Pl. a HEStore-ban is kapható DS18B20 -as szenzor. Azonnal hőmérsékletet ad vissza 0,0625 °C-os felbontással, -55 °C -tól +125 °C -ig használható.
Ugyan egy éves hozzászólás, de hátha jól jön valakinek. Ebben a tervben alapvető hibák vannak. Visszacsapó és motoros szelepekkel meg lehet oldani viszonylag könnyen a puffertartály kikerülését akkor, amikor a lakás kér meleget (termosztáttal vezérelve), illetve amikor a lakás nem kér, a felesleget fentről belepumpálni a pufferbe. Ha egyik kazánban sem ég a tűz és a lakás kér meleget, a pufferben felhalmozódott melegvizet vissza lehet pörgetni. Egy normál, csőkígyó mentes tartály kell hozzá és némi vezérlés. Digitális termosztátokkal és pár relével megoldható.
A mechanikus változat egy hosszú réz alkatrész, ami jól illeszkedik a helyére, ha ezt a szenzort dugom be helyette, akkor nem tudom mennyire lesz pontos a mért érték. Van ilyen jellegű tapasztalatod?
Van. Bedugod a szenzort, majd finoman kitöltöd a rést valamilyen puha ronggyal, hogy az esetleges későbbi csere is lehetséges legyen, plusz kintről nem hűti a levegő, ezáltal hamisítva meg az értéket. Egy trükk van, nem szabad túl sűrűn lekérdezni a hőmérsékletet, mert a működés is felmelegíti a szenzort. Ez szobahőmérsékleten kb. + 1 °C -ot jelent. Ha a lekérdezések között eltelik kb. öt másodperc, a csalás nem érzékelhető.
Én a bojler hőmérsékletét a képen látható módon mérem. Palást kifúrva, szigetelés kipiszkálva majd visszatömve némi szivacs a szenzor rögzítését is megoldja. Az általad említett merülőhüvelyes megoldás csak jobb lehet, mint ez. Ez a szenzor sokkal pontosabb vezérlést tesz lehetővé, mint az analóg, merülőhüvelyes termosztát.
Tetszik a megoldásod, milyen magasan méred a hőmérsékletet? 5 percenként kérdezném le a hőmérsékletet, szóval remélhetőleg a szenzor saját melegedése nem befolyásolja a mérést.
Köszönöm a segítséget.
szia
így utólag tényleg lehetett volna más "kapcsolást" választani, annak idején sokat gondolkoztam is rajta, de ahány helyen néztem, ahány embert kérdeztem, annyi féle változat jött szóba.Mint mindennek, ennek is vannak előnyei és hátrányai.Az hogy alapvetően hibás, nézőpont kérdése. Pl. adott volt a puffertartály, a csőkígyókkal.Mivel a vegyes kazánt nyitott rendszerbe kell kötni, kézenfekvő volt hogy az alsó csőkígyón keresztül fűtse a puffert.Egy lemezes hőcserélőt, plusz egy szivattyút megspóroltam.Így viszont lassú lett a rendszer, kb. 2 óra eltelik mire felfűtöm a puffert,de megtanultam ezzel együtt élni.Ha meg gyorsan kell a meleg és kihűlt a puffer (ez elég ritka mert napi 1x be tudok gyújtani a vegyesbe az meg elég egy napra) akkor ott a pellet kazán, az egyből tolja a meleget mindenféle drága motoros szelepes hókuszpókusz nélkül, mert a pufferben szerencsés módon "magától" is megtörténik a puffer kikerülése. |
Bejelentkezés
Hirdetés |














