Fórum témák
» Több friss téma |
Fórum » SAS 6600 IC
Témaindító: Rendszer, idő: Márc 30, 2006
Témakörök:
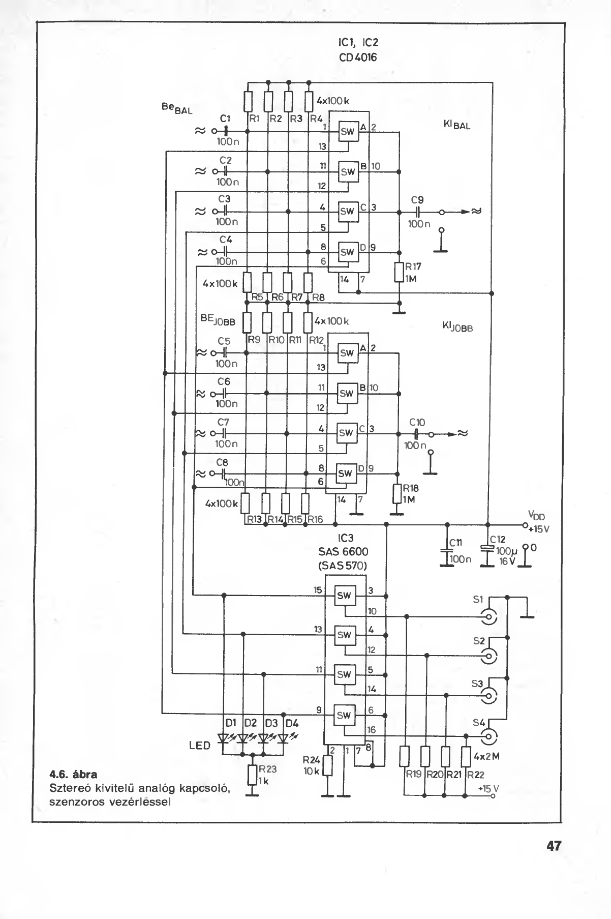
Észrevettem,hogy a régi Videoton tévékben van egy SAS 6600-val egy áramkör,amivel jó dolgokat lehet művelni.Nincs valakinek 1 rajza? Én sehol sem találtam.
Ez egy érintős bemenetkiválasztó. Ugye? Van rá rajzom csak meg kell találnom. Egyébként a HAM bazárból vettem potom áron.
szeretnék kérdezni, hassonló dologról..
itt a kapcs rajzon(csatolmány) cd4069 ic van, erre hányat lehet kötni? már mint kapcsolót hex inverter akkor gondolom..őőő hex=6 és a kapcson 1 gomb hoz kell 2-2 akkor pont 3-at tudok kapcsolni vele?nekem egy tda1029 van már megépítve, de 1 ák-s kapcsolóval kapcsolgatom hát az nekem nagyon nem bejövös ezért kellene ez a jobb megoldás:help::worship: ezzel meg pont meg lehetne oldani a kapcsolgatást, csak 3 -om szenzoros kellene...
Én a 4016(4066-os) variációt építeném meg. Bár duál reed relékket vezérelve kisebb lesz a torzítás. A TDA1029 -es verzió úgytűnik 3 stereo csatornát kapcsolgat.
A SAS6600 akár 7db. TTL ic-t is helyettesít. Legalábbis én ennyit használtam fel ugyanerre a funkcióra. Ha kis torzítást, áthallást a csatornák között akarsz, akkor használj dual reed reléket.
négy stereo -t kapcsolgat, csak 1 az alapból bevan lőve a kimenetre, akkor nem aktiv ha másik háromból az 1ik van kapcsolva.
akkor nekem jó ez amit csatoltam igaz ?
Pontosan ahogy mondod. A SAS6600 arra való hogy mindig csak egy csatornát kapcsol a 4-ből. És a HAM bazárban ráadásul nagyon olcsón még kapható. Asszem a 70-es évek technikája ez az IC.
Helló!
VAn egy SAS560-as és egy SAS570-es IC-m, amivel érintőkapcsolást szeretnék megvalósítani. relét szeretnék velük meghajtani, vannak is pici nyákreléim erre a célre; kétáramkörösek. (SAS560=SAS6600 és a SAS570=SAS6700) Azért szeretném kihagyni a sorból az analóg IC-t, mert már így is elég sokminden lesz már a hang útjában a végfok előtt (most készülő erősítőbe lenne összerakva.) Van valakinek valami ötlete ehhez a megoldáshoz? Sajnos hiába túrom a netet, sehol nem lehet erről valami jó kapcsolást találni. Köszi előre is: Arpy
Hello, ez segít, jól le lehet csupaszítani a kapcsolást, a reléket meghajtó tranyókat a LED-ekre lehetne kötni...
mindjárt megnézem, hogy megvan-e ez a 1976-os RT
köszi Medve. Nem tudod/tudjátok, hogy RT-ben hol lehet még róla szó? Kössz: Arpy szerk: gyorsan átfutottam az RT-ken, de a legrégebbi sajnos csak 77 májusi volt. aztán megnéztem a gépemn is, de ott sincs ez a szám.
Remélem ez segít.
Köszönöm mindenkinek a rajzokat, de sajnos nem tudom, hogy hogyan induljak el. ez müködőképes megoldás lenne, ha a led mellé párhuzamosan tranyó, amit Medve tanácsolt?
Arpy
Itt is van még szó róla, nincsenek nagy variálások, a relék vezérlésére a 3,4,5,6, is jó ezen gondolom megjelenik a nagyobb pozitív táp. Indulj el egy próbapanelen, egy csatornával, s kiderül, hogy melyik kimenet alkalmasabb erre. Az adatlapján megvan, hogy melyik kimenet mennyire terhelhető, de a LED áramából párszáz uA-t lecsípve meghajtható egy darlington pl.
De itt a leírás:
Sziasztok!
A téma címe lehet, hogy nem fedi a valóságot, de más nem jutott eszembe hirtelen ![]() Szóval adott 6db mikrokapcsoló, mellettük 6db LED-el. Valamelyik gomb(pillanatnyi) megnyomásakor folyamatosan kellene világítani a mellette lévő LED-nek. Ha valamelyik másik gombot nyomom meg, akkor az előző LED elalszik, és a megnyomott gomb melletti világít, és így tovább... A legalsó gomb pedig törölné az összes világító LED-et. Ehhez kérném a segítségeteket, lehetőség szerint PIC nélkül, ha megoldható. Előre is köszi!
Szia. Erre van egy IC a típusa SAS6600. Van még az SAS560, és az SAS570-es típus is, ezek nagyjából ugyanazt tudják. A régi érintőgombos Mátra TV-kben használták a csatornaváltáshoz ez az IC-t egyszerre 4 csatornát (LED-et) tudsz vele kezelni. Egyébként mihez kellene?
Köszönöm a gyors válaszod!
Ez egy számítógépes program vezérléséhez kellene, de csak azért kell, hogy tudjam, épp melyik megnyomott gomb aktív. Utánanézek az IC-knek, de elég kezdő vagyok a témában. Rákerestem, de használható rajzot nem nagyon találtam ![]() Esetleg valami rajz?
Nagyon szívesen! Nagyon egyszerű nem kell hozzá sok alkatrész.
Köszönöm az áthelyezést:S
Valami más megoldást tudna mondani valaki, ami nem erre az IC-re épül? És ha már ezt az IC-t javasoltátok, akkor a reset gombra megoldás? És ha ezzel az IC-vel építeném meg a kapcsolást, akkor hogy lehetne 4 sávnál többet kezelni(2db IC-t összekötni)?
Hello, ez is jó lehet...
|
Bejelentkezés
Hirdetés |






hex inverter akkor gondolom..őőő hex=6 és a kapcson 1 gomb hoz kell 2-2 akkor pont 3-at tudok kapcsolni vele?


















