Fórum témák
» Több friss téma |
Szia!
Köszönöm szépen a gyors és pontos választ vagy épp az útbaigazítást, hogy nem ide kellet volna írnod. Hátha a dupla hozzászólás is ilyen sok segítőkész embert fog ide vonzani. Még egyszer köszi a segítséget Előre is köszön a dupla hozzászólásért járó figyelmeztetést
Sziasztok!
A segítségeteket szeretném kérni! Akkutöltöt szeretnék készíteni hajóba. Az lenne a fontos, hogy akár több napig is az akun maradhasson és ne töltsön túl, illetve a fogyasztókat is el kellene látnia amik az akkura vannak kötve: lámpák, tv, melegítés, ventilátorok.... 0,5A - 30Amper. Nem tudom, szerintetek megfelel e erre a célra egy sima nagyteljesítményü automata akkutöltö? Esetleg valakinek nincs valami jó kapcsirajza ilyen célra? Az inditáshoz külön akku van, azt nem kell tölteni. Köszönöm elöre is a segítségeteket!
Sziasztok!
Szeretném a segítségeteket kérni: egy olyan kapcsolást keresek, ami pl. egy mobil töltőt (vagy a lakásban ezer más kisfogyasztót) áramtalanít ha nem használom. Magyarul: ha a táp egyik oldalán nincs felvett teljesítmény, automatikusan kikapcsolja azt, egészen addig, amíg kézzel (pl.: nyomógomb) újra nem indítom. Köszönöm előre is.
Sziasztok
kéne nekem egy aksi töltő kapcsolás van egy 6v 12amperos savas aksim, és egy 6v 7amperos zselés, egy olyan kapcsolás, kéne amivel, mind a kettőt, lehetne tölteni köszi előre is
Sziasztok! Szeretnék csinálni a telómhoz egy mobilizált töltőt. Amit úgy képzeltem el hogy 4 db góliát tölthető elemet össze kötök és azt dugom rá a telefonra. A a telefonnak 5V 1A kell a töltéséhez az akus elemek 10000 mAh -os darabonként. Fel töltené nekem rendesen a telefont vagy inkább rakjak be egy feszültség szabályozót? ami 5V 1A -os? Vagy a Bővítsem még egy akuval hogy 6V legyen? És úgy a fesz. szab.?
A hozzászólás módosítva: Jún 17, 2013
sziasztok.
segitséget szeretnék kérni ebből az adapterből hogy lehetne 12v-os akumlátor töltöt késziteni.
Lehetni lehet, de mekkora akkut szeretnel vele tolteni? (hany A/h-s?)
Mi lenne a celja ennek? Minden ami keszenleti allapotban pihen, szinte nullaval egyenlo a fogyasztasa, masszoval meg ha sok ilyen fogyasztod is van, olyan csekely lesz a fogyasztasuk, hogy elhanyagolhato a koltseg. A "boldog bekeidokben" kapcsoloval oldottak meg.
Mindezektol fuggetlenul megoldhato, mert nem kell mas csak figyelni az atfolyo aramot amit az eszkoz hasznal es egy bizonyos limit alatt kiold pl 1., egy mukodes kozben meghuzott relet 2., (hasonlo mint az 1-es pont) felvezetos relet vagyis SSR-t Ilyen megoldasoknal vagy le kell merned az eszkoz altal uresjaratban atfolyo aramot, vagy allithatora kell kesziteni, de meg igy is problemas lehet pl egy telefontoltonel ahol a felvett aram a toltes vegere all be a minimumra, vagyis mindig eltalalni azt a pontot, ahol mar nem eppen toltes tortenik, hanem csak "pihen", szinte lehetetlen. A hozzászólás módosítva: Dec 14, 2013
SZIASZTOK
Szeretnék építeni egy Akumlátor töltőt de olyat,hogy traktor akuját is fel tudjam tölteni gyorsan és bírja is a terhelést nem tudom hogy valaki tud e itt ez olyan linket küldeni vagy leírást ahol ezt megtalálhatom teljes mértékbe ! aki tudna segíteni írjun privatba* mert még lenne pár kérdésem! köszönöm! *A fórumon fórumozunk, privátban a magánügyeiteket intézhetitek![i][/i] A hozzászólás módosítva: Márc 8, 2014
Sziasztok!
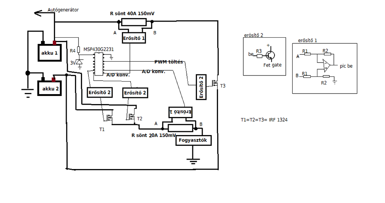
Most ismerkedek az MSP430 mikrovezérlőkkel, és a lent látott kapcsolást szeretném megvalósítani vele. Amit kigondoltam az valószínű hogy sok sebből vérzik, de szeretnék véleményt kérni hogy teljesen rossz e a koncepció, vagy megvalósítható e. A lényeg hogy két akkumulátor van az autóba(100Ah-ás ólomakkumulátorok), az egyik idító, a másik pedig álló motornál látja el a fogyasztókat. Vagyis ha jár a motor akkor töltődik a 2. akksi, a fogyasztók pedig át vannak kapcsolva az 1. akksira. Álló motornál le van választva a 2. akksi, és csak az merül. Na most a 2. akksi töltését szabályozni kéne mondjuk max 15 Amper -a. Arra gondoltam hogy a pic kapcsolgatna egy fet-et pwm módban, mondjuk 100HZ -en, a 40A es söntön pedig mérném az áramot egy erősítő és a pic-be bevezetve D/A konverter segítségével. A töltés indulásakor addig növelném a kitöltési tényezőt amíg el nem érem a 10 Ampert, majd ahogy csökkenne az amper szintén a kitöltési tényező növelésével tartanám fenn az áramerősséget. A MOSFET adatlapja 353A-t ír, ami nekem iszonyú soknak tűnik. Képes pwm módban ellátni a feladatát? bírja a 100hz es frekvenciát? vagy jobb lenne mással megvalósítani, ha egyáltalán működőképes e így?. Ugyanilyen fet kapcsolná a két áramkört, ahol 20 amper a max áram, amit szintén nem tudok hogy jó e erre a feladatra. Ráadásul a T2 fet a gate feszt az 1. akksiról kapná, viszont a 2. akksit kellene leválasztania. A testük közös. Okozhat ez problémát? A pic -hez lenne egy lcd kijelző is, amin töltés közben % ba írná a töltöttség állapotát, amit először a kitöltési tényezőből, majd az áram csökkenéséből kalkulálnék ki. 0 Ampernél lenne 100% a töltöttség. Álló akkunál mikor használva van a 2. akku akkor is a töltöttségi szintet írná ki, a 2. ábrából próbáltam kikalkulálni hogy is alakul az ólomakkumulátorok terhelés/feszültségesés viszonya. Eszerint üresjáratban 12,7V nál van teljesen feltöltve üresjáraton, 40A es terhelésnél pedig 12.5 voltra csökken a feszültség. Lemerült állapotban üresjáraton 10,8V a fesz, 40A nél pedig kb 10,1. A közte levő értékeket a pic segítségével lineárisan interporálnám, (ami csak közelítés, de nekem megfelel) Mégpedig úgy, hogy mérném a fogyasztók áramát a 20A os söntön keresztül, és a kettes akksi kapocsfeszültségét is, a pic A/D bemenete segítségével, majd az így kalkulált értéket kiíratnám az lcd kijelzőre. Nem tudom mennyire megvalósítható ez így, és mit kéne módosítani, előre is köszi minden segítséget.
Szia!
Ha MSP, akkor miért írsz PIC-et?
Most hogyan van megoldva az akkuk töltése?
Mert úgy hittem hogy a programozható mikrokontrollerek gyűjtőneve a pic, és a cikkeknél is a pic témakörben szerepel az MSP430 leírása, de akkor elnézést kérek.
Az autógenerátor tölti az 1. akksin keresztül, ezt kéne a fetnek pwm módban kapcsolgatnia(ha egyáltalán lehet így, és bírja). Jelenleg járó motornál csak össze van kötve közvetlenül, vagy egy izzón keresztül, de ha nincs izzó akkor nagyon sok áram tud folyni, ha van akkor pedig nagyon kevés.
Hello! Elsőként meg kellene ismerkedned a Fet működésével, kapcsolásaival, tulajdonságaival, vezérlésével. Mert így sem az NFet, sem annak meghajtása nem jó. Egy PWM így, csak az átlagáramot szabályozza, a csúcsáramot nem. Két aksi között az akár tetemes is lehet..
Szia, eszerint a fet nem jó erre? vagy csak ez a típus, és a vezérlését bénáztam el? Igen, nagyon nagy áramok tudnak folyni, én 50-60A t is mértem lemerült akksinál. Azért gondoltam ezen a módon megvalósítani, hogy ne kelljen 40A -t eldisszipálni, mert az nagyon sok hő. primer oldalon nem is baj az amperugrás, csak a 2. akksinál, esetleg szűrőkondi, vagy hasonló ami ki tudná átlagolni. Mert ha 15 Amperra korlátozom a csúcsáramot, akkor ugyanott vagyok mint egy sima áramgenerátoros töltőnél. Van erre megoldás, vagy felejtsem el ezt a fajta töltési módot?
Hello! A töltéssel kapcsolatban nem szeretnék (és nem is tudok) tanácsokat adni. Mindössze figyelmeztetni szeretnélek, hogy a Fet és annak vezérlése nem jó, mert ezt valahogy elsikkadni láttam a témában.
- Itt N-Fet-ek vannak követő kapcsolásban. De így vezérelni csak akkor lehet, ha a Gate-t vezérlő feszültsége magasabb mint a tápfeszültség. Tehát azt vagy elő kell állítani és a meghajtónak azt kell kapcsolnia, vagy cél IC. De azzal szerintem nem lehet 100% kitöltést elérni, pont a meghajtó feszültség belső előállítása miatt. - A vezérlés szempontjából célszerűbb megoldás a P-Fet lenne közös Source kapcsolásban, de azok Rds(on) ellenállása általában sokkal gyengébb. De a lerajzolt "erősítő" vagy is meghajtó fokozat kapcsolása sem lehet ilyen, mert az is emitterkövető kapcsolású. - Szerintem amíg nem érted az áramkörök működését, addig az a feladat meghaladja a képességeidet, és csak alkatrésztemető gyártása lesz. Egyébiránt is nagyáramú gyors PWM készítése számtalan buktatót rejt magában, amire még nem is gondolsz. De olvass bele a nagyáramú DC motor vezérlések topikjaiba, és meg fogod látni kb. miket javasolnak a hozzá értő kollégák. - Egy szűrőkondinak cseppet más a szerepe, itt inkább gondot okoz, mint hasznot.
Szia,
Köszi az észrevételeket, igen sajnos nem vagyok ennyire jártas az elektronikában, tanulgatom de szerintem az egyik legnehezebb szakma. Szóval venni nem tudok ilyen töltőt, megépíteni sem, B tervnek esetleg működhetne hogy a fet gate feszültségével szabályzom a töltőáramot? max 15 amperral töltene, az aksit a "pic" nem engedné 10 volt alá, a generátor 14,4V ot termel, szóval maximum 4,4 voltot kéne "elnyelnie" a fet-nek 15 amperral, ami 66W. Ha ezt mondjuk szétosztanám 3 fet között, hűtőbordára szerelve, akkor megépíthető lenne ésszerű méretekben? Viszont az msp be nincs D/A konverter, csak A/D, ezért a fet gate feszültségét szintén pwm be kéne szabályozni, ic vagy tranzisztorral, de így már csak kisáramot kéne "kapcsolgatni". Ez működhet? Ami még érdekelne, hogy a rajzon "erősítő1" nek nevezett kapcsolással a sönt ellenálláson eső feszültséget fel tudom e erősíteni az MSP analóg/digital konvertere számára, hogy ampert tudjak számolni vele. És az utolsó dolog, hogy a két áramkör szétválasztása megoldható e fet-el, 20 ampert kellene maximum ki vagy be kapcsolni. Köszi előre is!
Két dolgot nem értek. Az egyik, hogy ha az akkuk negatívja közös akkor eleve csak párhuzamosan köthetők. Miért nem lehetnek párhuzamosan, és akkor mindkettő indíthat és mindkettőt ugyanúgy töltheti a generátor?
A másik, hogy minek ehhez mikrovezérlő. Azért, hogy legyen ami tönkremegy?
Szia
Azért kell így megoldani, mert ez egy nemzetközi fuvarozást végző furgonba kell, és ha megáll valahol, közbe megy az állófűtés, hűtő, laptop, telefontöltő, stb akkor ha le is merül a 2. akkumulátor az autót még mindig el lehet indítani. És ez a világ végén, egy olyan parkolóban ahol a madár se jár nagyon nagy szó. Mert hiába van párhuzamba kötve két akksi, igaz hogy a kapacításuk megduplázódik, de ettől még ugyanúgy lemerülhetnek. Ezért kell leválasztani álló helyzetbe az akksikat. Hogy miért kell mikrovezérlő? Mert így negyed annyi alkatrész, és máskülönben hogy írod ki egy LCD kijelzőre, hogy mennyire van lemerülve, vagy feltöltődve az akksi? Ráadásul a programozáshoz sokkal jobban értek mint az elektrónikához. De miért menne tönkre??
Egyrészt egy ekkora savas akku esetén semmivel sem írod ki az LCD-re a töltöttségi szintet, mert annak a pillanatnyi feszültséghez nem sok köze van. Egy olyan akkun még mindig lehet mérni 12-12,3V-ot ami már egy önindítót nem fog meghajtani. És feltöltött állapotban sem több a pihent feszültsége 12,8V-nál, vagy még annyi sincs.
A mikrovezérlővel olyan helyen ahol több tíz meg száz amperek rohangálnak csak szívni fogsz, és a mérésbe is belekavarnak a zavarok. Ha ez a helyzet akkor meg elég egy mágneskapcsoló amivel szét van választva a két akku, járó motornál meg összekötve, hogy töltse mindkettőt. A merült akku csak egy ideig vesz csak fel nagy áramot, ahogy töltődik úgy a töltőáram is csökken. Mivel a másikat tekinthetjük feltöltöttnek, így nagy áram csak a lemerültbe fog folyni, azt meg el kell bírni a generátornak. Amit ugye nem ismerek, de egy zsiguliban is 70A-es diódák voltak, gondolom ebben nagyobbak vannak. Ha nem bírná akkor már régen megadta volna magát a generátor. Tölteni egyébként sem tudnál úgy ahogy elképzelted, mert a töltőáramkörön (fajtájától függetlenül) feszültség fog esni, így csak minimális töltésed lesz, vagy éppen semennyi. Ez akkor működne egyszerűen pwm-ben, ha mondjuk lenne egy nagyobb egyenirányított feszültség a generátorból (pl. 18-20V körül), és azzal már lehetne tölteni. Ha jól emlékszem valaki küzdött már hasonlóval, ott úgy lett megoldva hogy az egyik akkuról egy inverterrel csinált 24V-ot, és arról töltötte a másikat egy kapcsolóüzemű feszültségszabályozott áramgenerátoros táppal.
Pont ezt akarom, mérné a mikrokontroller a felvett áramot, és a feszültségesést az akku kapcsain, ebből kalkulálná az akku töltöttségi állapotát. Az se baj ha nem pontos, csak legyen egy adat amiből ki lehet indulni. 10%+- simán belefér. De az eredeti kapcsolásba ezt le is írtam, bár lehet a kapcsolás nem jó de az elv ez lenne. Murphy törvényéhez meg annyi hogy Ge Lee hozzászólására reagáltam, mert úgy vettem ki a szavaiból, hogyha mikrokontroller akkor 100% hogy egyből tönkremegy.
A generátor bírja, nem is ez a gond, 185A-t tud leadni, de egy 100Ah-s akksira 10A töltőáramot írnak ideálisnak, ha simán összekötöm akkor ennek 10X-ese is folyhat
Akkor a probléma megoldva. Az akkuba akkora áram fog folyni amennyit az felvesz, teljesen mindegy hogy mit írtak rá. Ha az éppen 50A akkor annyi. Annyi úgy sem fog folyni csak 1-2 percig, vagy még addig sem.
Ha csak 10A-el lehetne tölteni akkor nem sokáig lenne használatban egy városi autó, mert sosem töltődne fel a rövid utakon és a sok indítózás után az akku.
Dióda a 2. akku töltésére és egy áramkorlátozó izzólámpa.
Lehet több amperral tölteni, csak épp az akku előbb tönkremegy, nagyon nem mindegy hogy félévente, vagy évente cserélek akksit
most így van megoldva, de a legerősebb 12V izzóval amit találtam(kb200w), is csak a töltési ciklus elején van 10A körül a töltőáram, ami ahogy az akksi töltődik elkezd rohamosan csökkenni, és 2 nap lesz a töltési idő kb 10 óra helyett, ami nagyon sok.
Hello!
- Egy 15A-es "áramkorlátot" meg lehet építeni, de vannak hátulütői is. A kocsiban szélsőséges hőmérsékleti viszonyok lesznek. Másik, hogy a Fet-ben található egy parazita dióda, ami a gépkocsi indításakor kinyitna. Így viszáram folyna a 2-es aksiból az 1-es felé. Ezt kivédeni, csak félvezetővel lehetne, ami újabb veszteséget okozna töltéskor és meggátolná az 2-es aksi teljes feltöltését. (Hiszen a generátor az 1-es miatt a feszültséget limitálja.) - A kivonóáramkörrel működne a Shunt erősítése, de Rail-toRail erősítővel, és párba válogatott alkatrészekkel. Különben a különbségképzés hibáját is felerősíti az áramkör. De ezt egy mezei "áramtükörrel" is megoldható. Pld. így.
Sziasztok!
Van egy 100 VA-s trafóm, ebből szeretnék egy akkutöltőt csinálni. A feszültséget szeretném beállítani állandó 14 voltra, hogy magára lehessen hagyni, az áramot pedig jó lenne fokozatmentesen 0-6 amperig állítani. Ha jól értem ennyi még kivehető a trafóból. A kérdésem, hogy milyen IC-t használhatok errea célra, ami nem fog elfüstölni?
Ha megfelel az analóg áteresztős szabályozó akkor csinálsz valami hasonlót. Ha stabilabb feszültség kell akkor a potit egy előtét ellenállásos zénerre kötöd, az már elég.
Ha kapcsolóüzemű megoldás kell, akkor meg a legegyszerűbb venni egy ilyet, ezen van feszültség és áram állítási lehetőség is, és ki is jelzi mindkettőt a LED kijelzőn. A rajzát itt találod, a műszer nélkül. Mondjuk ez max. 5A-t tud. |
Bejelentkezés
Hirdetés |













