Fórum témák

» Több friss téma
Fórum » Csöves erősítő készítése
 
Témaindító: seedz, idő: Márc 31, 2006
Témakörök:
Ne feledd betartani a fórum viselkedési szabályait, és a topik megmaradásának feltételeit. [link]
A téma átmenetileg fagyasztva lett, hozzászólni nem tudsz!
Lapozás: OK   1703 / 2208
(#) granpa válasza tyraw hozzászólására (») Jan 10, 2015
L.d: téma képei stb!
(#) q765 hozzászólása Jan 10, 2015
Sziasztok!

EL41 mennyire számít megfelelőnek audió felhasználásra? Szereztem 3 darabot.
Valahol régebben olvastam, hogy lehet valahogyan 2-3 végcsövel is építeni erősítőt, megcsapolás nélküli primmerrel (mono).

Kerestem kapcsolásokat, de nagyon szűkösen áll googli EL41 terén.
Említettétek, hogy régebben ezt hívták PP-nek. Ellenben azzal amit ma neveznek.
Ugyanehhez az EL41-hez van SE kimenőm is. Nem egy termetes darab..
(#) q765 válasza granpa hozzászólására (») Jan 10, 2015
Régebben említettem neked, hogy van egy régi beag 100V -os kimenőm. Te jobban értessz hozzá.
Nagy hókuszpók lenne áttekerni ehhez az EL41 csőhöz? (nem kifejezetten a tekerésre gondolok.)
Ha lenne rajz, gondolom nem. Ezért kérdezlek.
(#) pucuka válasza q765 hozzászólására (») Jan 10, 2015
Audió felhasználásra készült. Én nem terveznék vele erősítőt, hacsak nincs belőle jó sok példányod. Könnyű letörni a dudort az oldaláról, és vége.
Kádár könyvekben találhatsz rádiókat, (nem túl sokat) amikben a végfok ilyen.
(#) q765 válasza pucuka hozzászólására (») Jan 10, 2015
Melyik dudorra gondolsz? A foglalat tájolóról? 3 darabom van mindösszesen.
Tegnap válogattam a csöveimet, és a kezembe akadtak. 2 sima üveg, 1 alufoglalatban.
Van egy Orion 420a -m amiben ilyen végfok van.
Gondoltam összedobnék belőlük egy monót.
(#) pucuka válasza q765 hozzászólására (») Jan 10, 2015
Az üvegről szokott letörni, ha építesz, az alust hagyd tartalékba.
(#) granpa válasza q765 hozzászólására (») Jan 10, 2015
Nem rajz kell (hacsak nem kapcsolásira gondolsz), számolni kell. Mindenképpen át kell tekercselni (nem nagy 'etvasz'). PP-hez elég lenne. Ha 2×SE-t (sztereó) csinálsz, 2 kimenő kell (azaz csak egy, ezek szerint). Épp a minap tette fel egy kolléga a Kádár könyveket (is), mazsolázz.
(#) numeroflip hozzászólása Jan 10, 2015
Üdv!
Egy kis segítséget kérnék...
Megrajzoltam egy erősítőt, amihez a napokban kaptam innen is segítséget, ezúton is köszönöm.
Bővebben: Link
Innen a végfokot ollóztam át, de az a kérdésem, hogy innen a C8 és a C9 kondit még elé kellene rakni, vagy mást is esetleg? Illetve az az R27-es ellenállás mennyire fontos ott, kihagyható? Vagy a végére még oda kéne kötni a GND-hez, meg a Jack-re? A Táp kör szerintem jó, de azért valaki meg tudná nézni, hogy jó lesz-e így?
Bővebben: Link Ez pedig az előfok része
A végén a kimenő trafónál a CP1 CP2 CP3 Mire utalnak? Kell ott valamit csinálni velük?
Köszönöm
(#) q765 válasza granpa hozzászólására (») Jan 11, 2015
Már elvetettem az ötletet. Igen, ilyen gyorsan. Inkább félrerakom ezeket a csöveket javításra.
Hálózatit, kimenőt, stb. ugyanúgy tekernem kellett volna hozzá, mint egy "300b" -hez. Akkormeg inkább ahhoz tekerek, és félrerakom.
Visszatérve a merész elmélkedésemhez, már régóta nézegetem a 2a3 / 300b kapcsolásokat.
Akármikor belefognék egy ECl, EL építésébe a vége mindíg az, hogy már a gondolatnál feladom.

Van a kezemben egy M100 as, 3,5cm pakettvastagságú trafó ( takarólemezekkel ), illetve egy Py500a.
Szerintetek elbírna egy 300b se párost?, vagy nagyon tágan fogalmazok.
Zoli.
(#) mark.budai válasza q765 hozzászólására (») Jan 11, 2015
Ha már 300b, akkor oldalanként külön hálótrafó, az anód tápba fojtó, egy teljesen csöves táp (kétutas egyenirányítás, mondjuk GZ34, vagy 5U4G-vel), de arról ne feledkezz meg, hogy a 300b köré nagyon jó körítés dukál, nem elég a sarkon levő lomtalanításból összeszedett trafó anyag kimenőnek, jó csatolókondik, de még ellenállásból se a 30Ft-os 2W-osakat tenném. (Abból is inkább Vishay Dale cuccokat, kondiból meg mondjuk Audio Note-ot)
Mert ha nem raksz köré profi cuccokat, felesleges a 300b, egy GU-50 is ugyanazt tudja.
Ez egyébként fordítva is igaz, jó cuccokkal a GU-50 is gyönyörűen szól, nagyon közel a 300b-hez, de olyan drága az erősítő többi része, hogy a cső ára már nem ad hozzá olyan sokat.
A hozzászólás módosítva: Jan 11, 2015
(#) q765 válasza mark.budai hozzászólására (») Jan 11, 2015
Éppen bontom szét a hálózatit, irkálom az adatait.
Létezik olyan etalon, amihez megtekerhetem a hálózatit ( pl: 2*350V + 1*6,3V + 2*5V +.. )
amit később többféle végcsőhöz fel tudok használni? ( "Gu50", 2a3, 300b)
Már nem szeretnék kapkodni nem sürgős, hogy szóljon. Ha időt szánok rá, érdekes dolgot szeretnék. Ezért írtam az előbb, hogy ugyanannyi időm lenne kisebbet is építeni.
Körítéssel meg vagyok álldva. Ohmite cuccok, mög egyöbök.

Itt akadtam meg.
A hozzászólás módosítva: Jan 11, 2015
(#) q765 válasza q765 hozzászólására (») Jan 11, 2015
Elég hosszadalmas folyamat volt kilemezelni a trafót. Mondhatni szívás. Miközben húzogattam a csévéből a lemezeket, arra gondoltam mi lenne, ha illesztőtrafó lenne belőle. A lemezvastagsága mikroval mérve 0,25mm.
Már régóta szeretnék egy egyszerű gitárkombót építeni, amin csak hangerőszabályzó van.
Említette Mark, a GU50 -et.

Ekkor jött a megvilágosodás, hogy mi lenne a következő projektem.
GU50 pp. Erősítsetek meg benne, hogy ez a trafólemez jó lenne kimenőnek.
Kapcsolásokat is nézegetek már, de ismét nemjutok dűlőre.
ECC8x -ből van itthon egy pár darab, egyenirányítóm is van egy bödönnel.
Hálózatit ugyanúgy tekernem kellene.

Találtam EZT az egyszerű kapcsolást. Igaz ez nem ellenütemű. Tudom mindíg jártatom a szám, hogy mi a különbség a hangszer és a hifi között (frekvenziák nélkül), de most tényleg megkérdezném.
Melyik az a részlete a kapcsolásnak, ahol eldől - milyen felhasználásra szánták?

(kicsit sötétek a képek.
Pakettméret: 95*95*34
Vasmag : 30*34 - 10,2cm2 )
(#) Orbán József válasza q765 hozzászólására (») Jan 11, 2015
Én ilyen keresztmetszetű és jó minőségű vassal 10W-os erősítőt építek.
A lemezvestagság alapján a vasad jónak ígérkezik egyébként...
(#) q765 válasza Orbán József hozzászólására (») Jan 11, 2015
Elképzelésem egyáltalán nincs. Csak tarangálok, érződik is a mondataimból.
(ÉN) Mint a hobbisták általában nemigazán tudják, mit szeretnének építeni, csak van egykét dolguk amiből szívesen, időt rááldozva faragnának valamit.
A legjobb azlenne, ha feltöltenék pár fotót, miből gazdálkodnék a következő projekthez. Hátha ti látnátok melyik az a terv, amihez a legjobb cuccok kerülnének a fiókból bele.
Butaság?
(#) mark.budai válasza q765 hozzászólására (») Jan 11, 2015
Ezt 300b-hez hálózati trafónak felejtsd el, oda bőven túlméretezett trafó kellene. Egy EL84PP-hez tökéletes lenne gitárerősítőbe kimenő trafónak.
A gitárerősítőnek nem kell olyan szélet frekvencia tartomány. Most nem írogatom végig, de ha zenélsz, tudod hogy a gitár E húrja 82Hz-en rezeg. 70Hz-től jó vagy gitárerősítőnél, míg a hifihez 20Hz a maximum, de inkább az alá kell menni.
Nem mellesleg a gitárerősítőnél direkt túlvezérlünk, ami miatt torzítani fog, ez egy hifi erősítőnél szóba sem jöhet.
Mondjuk CHZ-féle EL84PP, meg elé egy ECC82-vel épített előfok, és kész is a gitárerősítő.
(#) q765 válasza mark.budai hozzászólására (») Jan 11, 2015
Egyáltalán nemzenélek semmilyen hangszeren. Bátyám zenél. Talán őt lepném meg áprilisra.
GU50 kimenőnek felejtsem el? Lenne egy darabom. PP hez két darab kell - tudom. Már lebeszéltem két darabot foglalattal.

El84 -ből egy darabom van. El 40 1db, El41 3 db.

Direkt ne vezéreljünk túl. Hol hallottad ezt? Erősítőt szeretnék, nem effektet.
Mindenképp ezt a csövet ajánlod?
A hozzászólás módosítva: Jan 11, 2015
(#) CIROKL válasza q765 hozzászólására (») Jan 11, 2015
GU50pp hez is rendben van , kb 20-30 Watt -ig jó lesz
(#) q765 válasza CIROKL hozzászólására (») Jan 11, 2015
Sohasem tekertem még illesztőtrafót.
Hogyha megadom minden paramétereit a vasnak, tudtok segíteni a számításban?
Igaz kapcsolásom sincs még...

Leledzik valamelyikőtöknél? ( akár ECC előfokkal )
A hozzászólás módosítva: Jan 11, 2015
(#) mark.budai válasza q765 hozzászólására (») Jan 11, 2015
Értem. Az, hogy mennyi csöved van, csak egy dolog, a GU50 és az EL84 sem egy drága csövi.
Én speciel gitározom, és basszusgitározom is. Minden valamire való erősítőben van torzítási lehetőség is, persze ott a tiszta csatorna. Aki szerint nem való egy széttorzított gitárszóló mondjuk zongora mellé, vagy komolyzenéhez, az még nem hallott ilyet. Nem pont ugyan az, de Gary Moore-t szívesen ajánlom az efféle stílus demonstrációjaként.
Ugyan ez a véleményem a hangszínről is, a hifiben egy elítélt dolog, de gitárhoz egyszerűen kell, annyiféle lehetősége lesz vele a zenésznek, hogy egy laikus számára hihetetlen, amekkora különbségeket tudnak 3 potméter tekergetésével előállítani hang és hang között.
(#) ngyzoli válasza tyraw hozzászólására (») Jan 11, 2015
Helló! Az egy csőhöz megadott menetszámot szorozd meg 0.733-mal,és ennyi.A felére csökkentés már túl sok,bár a merev logika ezt diktálná.
(#) FordPrefect válasza Gránátalma hozzászólására (») Jan 11, 2015
Gitár/hangszererősítő.
A hozzászólás módosítva: Jan 11, 2015
(#) messius válasza q765 hozzászólására (») Jan 11, 2015
Üdv! Ha jól értem még nem döntötted el, hogy milyen kapcsolást valósítasz meg. Szerintem fontos szempont, (ha ajándékba szánod a bátyádnak aki zenél) hogy milyen stílust játszanak! A másik lényeges szempont , hogy hol használná az erősítőt! (Otthoni célra, próbateremben, koncerten!?) Ha ezeket tudod akkor már könnyebb a megfelelő kapcsolást felkutatni.
Én most fejeztem be egy itthoni célra szánt EL84 SE-t, ECC83 előfokkal. Ez kb. 5wattot tud, de itthonra BŐVEN elég, de talán még próbákra is jó lesz. Nagyjából a Fender Champ 5F1 és az Epiphone Valve junior alapján készült.
Remélem tudtam segíteni.
(Amúgy egyetértek mark.budai és Gránátalma utóbbi hozzászólásával!)
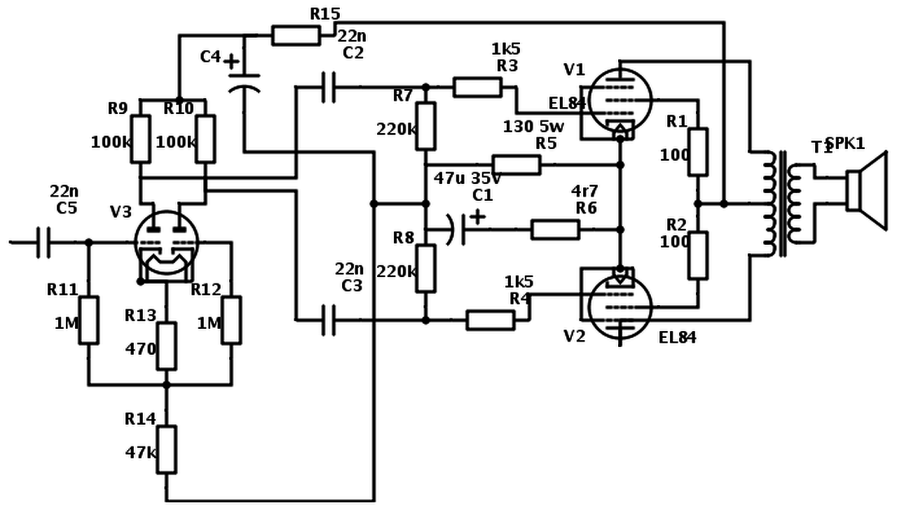
(#) konyak6 hozzászólása Jan 11, 2015
Sziasztok!
Segítséget kérnék. Összeraktam ezt az EL84 PP-t. Működik, csak nagyon halk. Az előfok tökéletes, de a vég halk, Halkabb mint egy Ecl86. Csak az előfok van panelon. a végfok légszerelve van. Dobjam ki, és rakjak össze egy másikat? Tudtok ajánlani valamit? Vagy mi lehet a hiba?

Köszönöm!
A hozzászólás módosítva: Jan 11, 2015

el84+6n1p.png
    
(#) pisti89 hozzászólása Jan 12, 2015
Sziasztok.
Most jutottam el odáig, hogy belekezdjek a csöves erősítőmbe.
Ez volna az elképzelésem, már minden megvan hozzá csak a tráp trafót kell megtekertetnem.
Mivel a kimenőket is "fleta" készítette ezért a táp trafót is vele tekertetem. (szépen dolgozik és jó áron- na de ez nem a reklám helye)
És ez volna a táp amit csinálnék hozzá, annyi különbséggel, hogy az anódtáp egyenirányítása csővel lenne megoldva. (PV200/600, 1cső 2 anódját közösíteném , így 2db lenne a középleágazásos tekercsre-remélem érthető, ha nem leskiccelem)
De sajnos sehol sem találok adatokat, mekkora váltófeszültség kell a csőhöz.
A táp kimenete majd 455V-ot szolgáltat, ezen lesz egy stabilizátor fokozat és egy CRC szűrés, mint a kapcsolásban.
Ha esetleg valaki használt már PV200/600 csövet egyenirányításra megoszthatná velem tapasztalatát, hány voltra tekertessem a trafót.
Aki tud adatlappal vagy számítási móddal is segíthet, mindennek örülök.

Köszönöm
A hozzászólás módosítva: Jan 12, 2015
(#) tyraw válasza konyak6 hozzászólására (») Jan 12, 2015
Mivel próbáltad kivezérelni?
(#) ha4023 válasza pisti89 hozzászólására (») Jan 12, 2015
Szia

PV200/600-al kapcsolatban írj neki, hátha tud segíteni benne.
jenei.laszlo66@gmail.com

Üdv Gyula
(#) konyak6 válasza tyraw hozzászólására (») Jan 12, 2015
Egy Soldano előfok van elötte. A master potméter után van egy effekt loop. Így csak az előfokot ki tudtam próbálni. Egy Fender 5F6A erősítőre kötöttem. Ecl 86 a vége, és nagyon jól szolt, mind a torz, mind a tiszta csatorna. A rajzon megadott feszültségek megvannak. Az alkatrészeket többször ellenőriztem. Idáig csak előerősítőket(gitár) és Ecl 86 SE-kett építettem. Ez az első EL84 PP erősítőm. Valószínű én rontottam el valamit(kicsit brummog, vezetékezési probléma). Valószínűleg szétkapom, és újra kezdem. Esetleg egy másik kapcsolással(ECC85, 6N2P,stb.) Abból is tanulok. Amit nem tudok, hogy én hibáztam, vagy a kapcsolás rossz?
(#) tyraw válasza konyak6 hozzászólására (») Jan 12, 2015
Szerintem a 0,47µF-os kondiktól jobbra levő részt megtarthatod. Ez ~17W kimenő teljesítményt produkáló végfokozat, ~10VRMS kivezérlés kell neki. Előle kidobnám a DC csatolt katodint, és egy AC hosszúfarkút raknék be. Mellékeltem rajzot. Én erre építeném át. (8k Raa-ra van méretezve)
Amit küldtem, ott 1Vpp bemenő jelre ~30-30Vpp ellenfázisú kimeneted van a fáisfordítón, tehát bőven túl tudja vezérelni a végfokozatot, a 200k-s ellenállások csökkenthetők, feltétlen 25V nál több nem kéne oda...
A rajz félkész, GND-t a megfelelő helyre képzeld bele... Illetve, a kettőstriódája 6n2p
A hozzászólás módosítva: Jan 12, 2015
(#) gkari válasza pisti89 hozzászólására (») Jan 12, 2015
Anódfesz:2x500V eff. max. 230mA, max. 16uF, fűtés: 4V/3,4 A.
(#) Orbán József válasza gkari hozzászólására (») Jan 12, 2015
Szia!
A kollégát és engem is az érdekelne - is - hog mennyi a feszültségesés a csövön, azt nem tudod véletlenül? Valamelyik régi EAG csöves rajzáról le lehetne lesni talán...
Következő: »»   1703 / 2208
Bejelentkezés

Belépés

Hirdetés
XDT.hu
Az oldalon sütiket használunk a helyes működéshez. Bővebb információt az adatvédelmi szabályzatban olvashatsz. Megértettem