Fórum témák
» Több friss téma |
Sziasztok!
Nem rég kaptam 3 DB fordból számazó hangszórót (25W 4 Ohm) a hangfalrendszer már készül, de az erősítő még sehogy sem áll. Ha tudtok segiteni, akkor nyáktervet és beültetési rajzot küldjetek! (Már több topicban is kérdezgettem de nem jött válasz mielött kommentár érkezne!!!!!! )
Jah és mi kell a sub-woofer-hez hogy sub-wooferes hangjalegyen hogy a magas hangok ne hallatszódjanak?
XW7F-18808-AB
A hangszórók neve..... (ez az a képen látható ebből van nekem 3 DB)
nézz körül gyüjtemény ben kapcsolások meg hasonlók
és hangváltónak hívják "sub-woofer-hez hogy sub-wooferes hangjalegyen hogy a magas hangok ne hallatszódjanak"-t
Én Subwoofer Filter-ként találtam képet sőt még volt is nekem csak kidobtam de most amikor kellene....
Hova, milyen alkalmazásra akarsz 2.1-es rendszert ezekből? PC-hez?
Szia
lenne neked egy két ötletem
És melyik TDA IC-re gondoltál ezekkel a sémákkal?
Szia a TDA2030-at javaslom.
Olcsó (HAM-bazár) 2db 490 huf ha jól emlékszem. Én quad-405 öt használok 100w 8ohm.
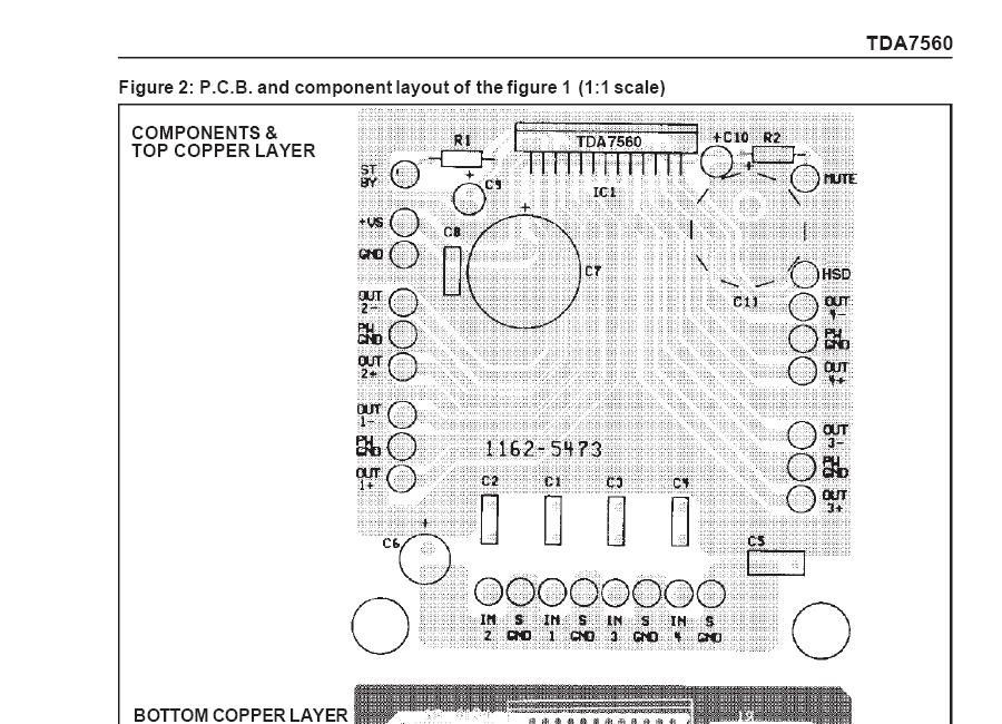
Éppen van egy elfekvő ic-m csak éppen ez (ST) TDA7560 METÁL
EGY 4X45WATTOS ERŐSÍTŐBE SZÁNTUK VOLNA DE A BÁTTYÁM BEFEJEZTE..... szerintetek ez jó lenne?
Szeintem ez megfelelő lesz.Csatolom az adatlapját.
Sajna nem tok pdf-et megnyitni legfeljebb txt-t vagy doc-t
na a microsoft office 2003 megnyitja
És ha lehet mostmár nyáktervet küldjetek vagy egy jó progit mivel át tom alakítani a kapcsrajzot..... köszi
Nezd meg a tda 2052 adatlapjan kb 11-es oldal ott van egy rajz es nem is bonyolult,az erositok helyet tehetsz mast is te a jelelosztas megfelel.
Bocsi, hogy bele szólok de szerintem ezzel a 3 hangszoroval sokra nem mész... Max a két front hangfalba jó de subwooferbe tuti nem. Ezek szélessávú hangszórók nem? Sub ként nem fog neked érni semmit még az is jobb ha megcsinálod az erősítőt és a subrészt kiváltod valami olcsó mnc vel.
Egy sztereó erősitőt szeretnék épiteni.Kb 2x 10w at Tudna valaki segiteni,hogy mik szükségesek hozzá?Meg hogy hogyan kell megépiteni?Előre is kössz!
Udv,
Sztem kezdesnek egy TDA2030 v. 2040-es erosito tokeletesen megfelel. Azt ajanlom ha meg nem epitettel erositot, akkor vegyel egy KIT-et, abban minden alkatresz benne van + NYÁK is. Hogy hogyan kell megepiteni az erositot, hogy kell eleszteni az mar mas kerdes, talan nezz at a TDA2030-as topikba. Ha soha nem csinaltal meg ilyesmit akkor elkelne egy segito kez, hogy megmutassa mi fan terem az egesz.
Sziasztok!
Nincs valakinek használható nyákterve a TDA7560-as IC-hez, mert ami az adatlapjában szerepel, az használhatatlan?! Van 2db ilyen IC-m, jó lenne kezdeni velük vmit! Köszi
Hello!
Nem tudtam hova irjam le a kérdésemet ez áll a legközelebb a témához!Szeretnék építeni egy 2* min 50W-os erősítőt! Van egy tápom 2*24V-2*2.06A ezt lehetne használni? Zenét akarok rajta hallgatni fontos lenne, hogy ne legyen nagy torzítás.A legjobb lenne valami kit csak nem tudom, hogy honnan meiket lenne érdemesebb megvenni ![]() Segítségeteket előre is köszönöm!
Hat ez nem epp a legalkalmasabb topik a kerdesednek, de azert elmegy. Ha tovabb kerestel volna akkor megtalaltad volna az "Erosito mindig es mindig" topikot
A kerdesedre valaszolva visszakerdezek: 1. hany ohmos hangfalaid vannak? 2. amit irtal tapfeszultseg az egy trafonak a szekunder feszultsege? Jo lenne ezeket tudni mert ennek fenyeben lehetne valamit ajanlani neked. Egyebkent pedig TDA7294 KIT-ben a D-audiotol.
Hangfalak nincsenek még meg..igen egy trafo secunderére vonatkozó adatok egyenirányítás elött...A tda 7294 jónak bizonyosul
Köszönöm! Az lm1036 mien lenne előfoknak?Ha jólemléxem stereo..??
szerintem ha meg van tda7560 ic-d akkor azért érdemes megcsinálni.
Hello!
http://www.hqvideo.hu/info/hu/trafo_24vx2_100.html Ez a trafó lenne használva hozzá! Ha jól nézem pont elbir 2 db erősítőt.. Hogy kéne ezt bekötni h legyen +- és föld?ez valahogy nem tiszta... És ezt az ic-t lehet valamiféle foglalatba tenni?ha jólemléxem volt nekem valahol sok pici foglalat 1 láb fért bele bár nem biztos h foglalat...megkeresem és megvizsgálom!
it van egy szimetrikustáp rajza.akondik2*4700µF elkok és 2*100nF kerámia a dioda hid legalább 5Amperes legyen. Melyik végfok ic-ről beszélsz?
köszönöm!
TDA 7294-röl beszélek ![]() Lm1036 os előfokot szeretnék még 2 kiv jelzővel! Ehez mien tápot vegyek még? Hello! |
Bejelentkezés
Hirdetés |




)
*fejetleharap* 













