Fórum témák
» Több friss téma |
Se a rajzon se a panelen.
De a 2030 bemenetén van, ha adatlapi a kapcsolás.
A fokozat után egy TDA2030 végfok következik, annak a bemenetén van egy 2,2µF-os kondi.
Gondolom az elegendő leválasztás gyanánt.
Az R11-et melyik rajzról olvasod?
Sajnos már van annyi pozicio számozású rajz. Elkészítem a teljes kapcsolás rajzát, ahogy azt megépítettem. Pár perc és felteszem! A hozzászólás módosítva: Feb 28, 2019
Szia! Én itt nem látok R11-el párhuzamosan kondenzátort.
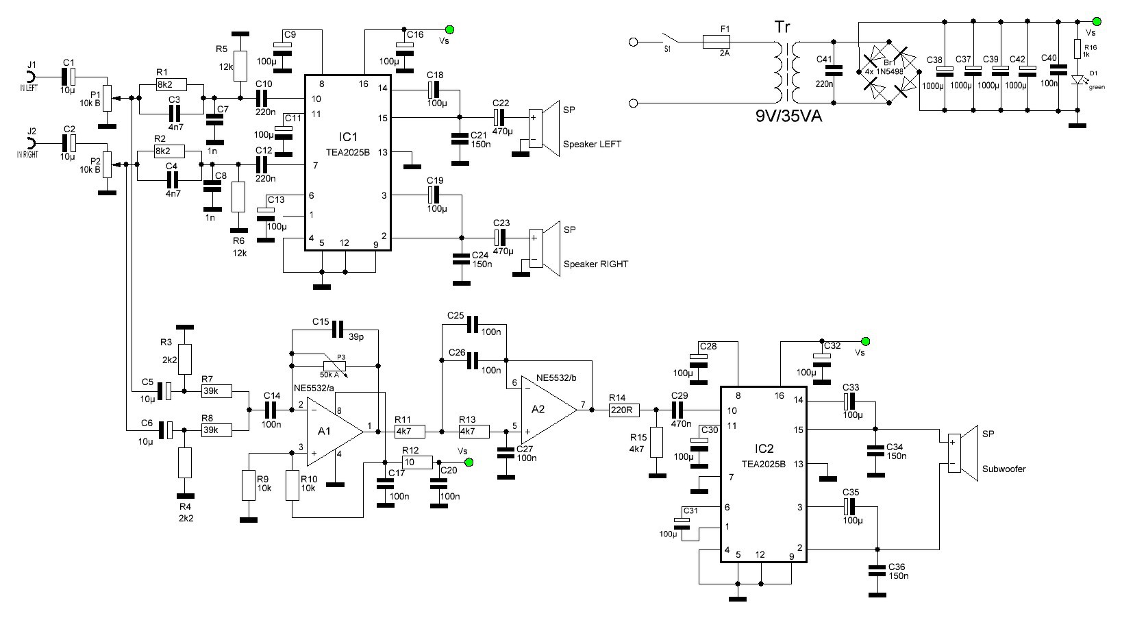
Felrakom a kapcsolás egészét, amit próbálok, innentől ez kellene legyen a hivatkozási alap. A kapcsolás a gyakorlatban e szerint van kivitelezve. nagyon sokszor átnéztem, nem vétettem-e hibát, de nem találok elkötést. A problémám pedig ITT. A hozzászólás módosítva: Feb 28, 2019
Eszerint meg R3.
És még mindig: Idézet: „és nézd meg fokozatonként, külön is. Először próbáld működésre bírni az elsőt. Egyébként egyszerűbb lenne a 2*19V-ból 2*12-15-öt csinálni.” A hozzászólás módosítva: Feb 28, 2019
Sajna továbbra sem tudom milyen kondenzátort hiányolsz az új rajz szerint R3-al párhuzamosan. Lehet illene oda egy 1-4,7µF körüli kondi, ami simítaná a fél tápfeszt, de eredetileg ott nincs semmi.
A fokozatok vizsgálata fog következni szkóppal, csak le kellene szednem a szekrény tetejéről és helyet csinálni neki az asztalon. A szimmetrikus táplálás kézenfekvő, de én még nem tettem le arról, hogy rájöjjek a problémára. A hozzászólás módosítva: Feb 28, 2019
A rajzról hiányzik.
És nem csak a simítás miatt.Nem kell szkóp feltétlenül. Elválasztod egymástól a két fokozatot, és megnézed működik-e az első. Aztán folytatod a másodikkal, persze akkor Uref hiányozni fog, arra figyelj. ![]() Egyébként, single táp mellett biztonságsabb lenne egy ilyen elrendezés: Bővebben: Link A hozzászólás módosítva: Feb 28, 2019
Nos feladtam, nem jöttem rá a problémára, nem igazán értem.
Most kap 2x9V-ot és teszi a dolgát. Köszönöm a hozzászólásokat!
Sziasztok!
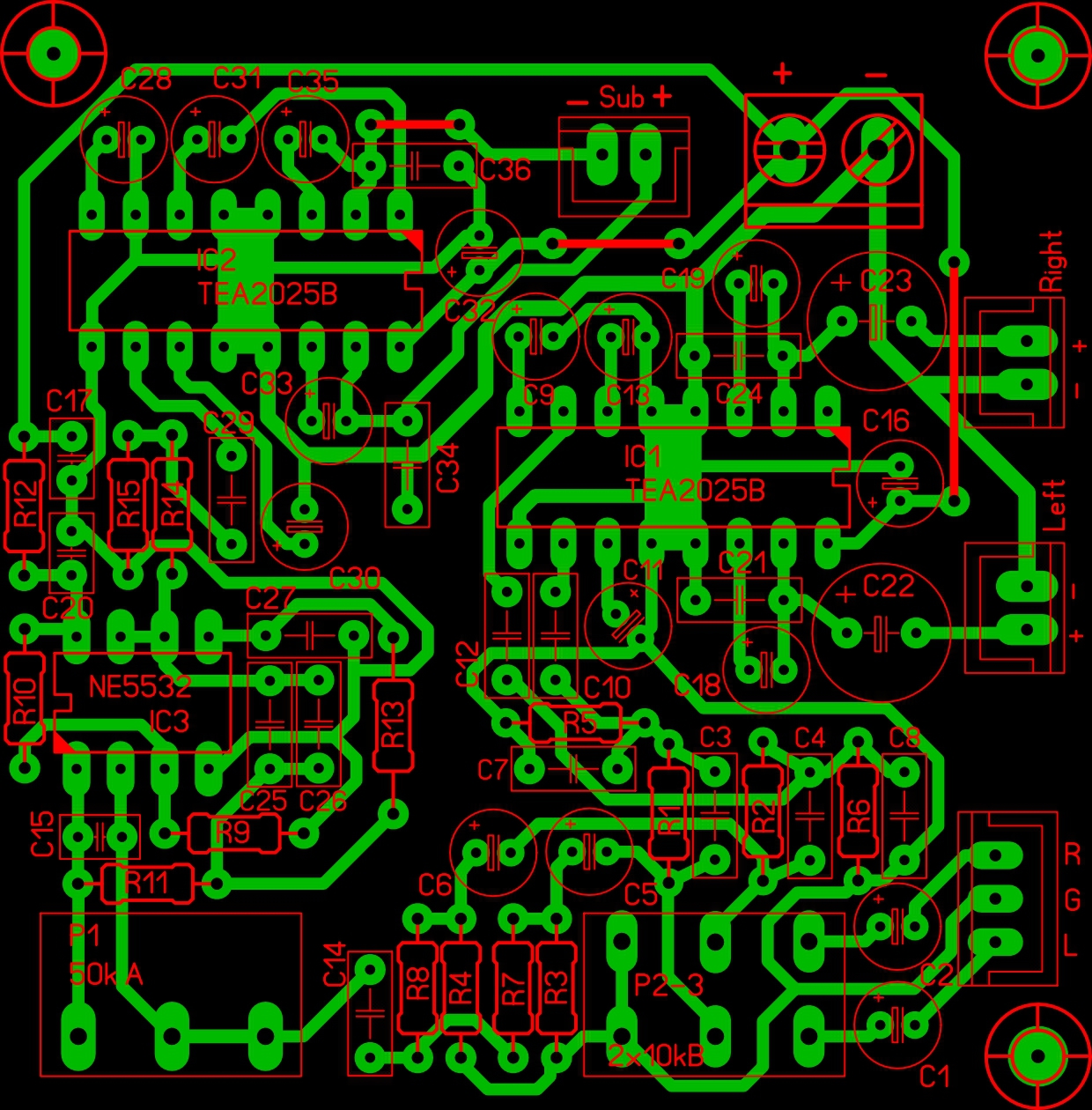
Találtam a fiók mélyén 2db TEA2025b IC-t. Gondoltam készítek belőle egy 2.1-es rendszert a PC-hez. Összeollóztam a neten ezzel az IC-vel kapcsolatban fellelhető kapcsolási rajzokból egy rajzot. Terveztem hozzá PCB-t is. A tápot egy 9V/35VA szolgáltatja. A problémám az, hogy a mély sugárzó nem ad ki hangot, hanem iszonyatosan búg. A subwoofer filter potit tekergetve hol erősödik, hol elhalkul a búgás, de hallható. A "magas" oldal az viszont jól szól. Mit ronthattam el?
Emeld fel az R14-et, és az R7,R8 közös pontját kösd rá az R14,R15 közös pontjára. Ezzel kikerülöd a sub szűrőt, és látod, hogy a híd végfok önmagában jó-e. Ha úgy jó, akkor a szűrőben kavartál el valamit. Ha úgy sem jó, akkor még az is lehet hogy az IC hibás.
Köszönöm, kipróbáltam. Így nincs az a búgás. Minimális van, de csak akkora amekkora a magas oldalon is hallható.
Átmegyek a Subwoofer szűrő topicba, mert akkor ez annak a hibája lesz.
Röviden el van baltázva az egész..
Megoldás |
Bejelentkezés
Hirdetés |




De a 2030 bemenetén van, ha adatlapi a kapcsolás. 








