Fórum témák
» Több friss téma |
Ha szkóp-képet teszel fel, legyen látható a kezelőszervek beállítása, vagy add meg a beállításokat!
Ilyen érzékeny kontaktokat mi korábban a következő módon tisztítottuk( Videoton tv taszt érintkezők pl.): Egy sima A4-s lapból tépett csíkot kettéhajtva,kicsit megfújva kontaktsprayvel (a papírt,nem a tasztot(belemosta volna a port a csúszórészek közé) ). A lapot bedugva az érintkezők közé azzal "csiszoltuk" meg.Ez nem vitte le csak az oxidokat.
A hozzászólás módosítva: Jan 21, 2015
Tetszik az ötlet, fogom alkalmazni. Egyébként szerintem a Yaxley tárcsás kapcsolók érintkezője
akármivel van bevonva a súrlódástól idővel úgyis lekopik. Jobb megoldás az a típusú osztó amelyiknek az érintkezőit egy bülyköstárcsa nyomja egymáshoz.
Ne aggódj, azok is dörzsölődnek egymáshoz. Amikor a mozgó érintkezőt megnyomja a bütykös tárcsa, (relénél a kalapács) maga a gömb felületű érintkező pogácsa enyhe bólintó mozgást végez, ezzel némi dörzsölődés keletkezik ami tisztítja az érintkező felületet. A kontaktus élettartamánál meg is adják az üzembiztos kapcsolások számát.
Üdvözletem mindenkinek!Szereztem egy orosz OML2M tipusu oszcilloszkópot,ami ks-cső hibás.
A ks-cső meghibásodásához az vezetett,hogy valami oknál fogva a fűtőfeszültsége 7.3 voltra emelkedett.Tulajdonkeppen az volna a kérdésem,hogy megoldas-e az ha az új KS-cső fűtésével sorbakötök egy ellenállást,hogy beáljon a fűtés 6,3 voltra?Mire kell még odafigyelnem a ks-csővel kapcsolatban,hogy ne nyírjam ki ?Gondolok itt az üzemi feszültségekre,áramokra. Válaszotokat előreis megköszönnem!
Biztos hogy nem szakadt a fűtőszál? Izzik? Ha nem, szerezd be az új csövet. Nyugodtan rákötheted a 7.3 V-ot addig, amig leméred a terhelt fűtőfeszültséget. A fűtőtekercs elég vékony huzal, lehet, hogy éppen beáll majd a 6.3 V terhelt feszültség. (Egy alkalommal 30 percig járattam ilyen csövet 10 V feszültséggel, hogy az egyébként megsüketült katódból a felületre diffundálódjon a katódcsőben lévő maradék thorium. Közben világított mint egy skálaizzó, de nem lett semmi baja. Az emisszió javulása látványos volt, de csak pár óráig tartott, és lassan ujra elsötétedett ) Arra kell vigyázni ennél a szkópnál, hogy az elkókon a tápban nincs kisütőellenállás, és napokig megtartja az anódfeszültséget. Ha kikapcsolt állapotban valami zárlatot csinálsz, akkor nyugodtan elszállhat a nagyfesz stabilizátor áramköre és a negatív 10V-os táp. Minden elkóra kellene kb 470 kOhm vagy 1 Mohm. Azt hiszem 5 db ilyen ellenállást raktam be, amikor meguntam a félvezetők ismételt cseréjét. A 270 V-ba is kell! A kisütőellenállások megoldják a fényerő poti és a váz közötti áthúzási hajlamot is, ami bekapcsoláskor jelentkezik. Emiatt kellett a potit műanyag dobozba szerelni a tervezőnek. Nehéz kinyírni egy szkópcsövet. Ha a nagyfesz táp stabilizátor áramköre elszáll, akkor is működik, de fényerő függő a képméret. Ha az " üzemi " feszültségek rosszak, akkor nincs fény a képernyőn, -vagy le van tekerve. A fénypontból vagy csíkból látszik hogy jók az elektróda áramok. Sok sikert!
Üdv!A fűtoszál a régi csövön nem szakadt izzik és mőködik is csak a fénypont ojan fura patkószerű,fókuszálhatatlan,kell neki pár perc mire bemelegszik,mindezek a tünetek az új csővel eltüntek,mivel beszereztem az új csövet csak valahogy nemigazán mertem még betenni...Vegülis a tesztüzem alatt sorbakötöttem egy 3.3 ohmos ellenállast a ks csövel ettol szépen beállt a 6.3 volt fűtés.
Sziasztok. Hozzám került egy TR-4655/2A oszcilloszkóp. Nem tudom, hogy meghibásodás-e, vagy én csinálok valamit rosszul, de a következő jelenséget tapasztaltam. Mikor beállítok két különböző időt az A és B időlapon, és megnyomom a MIXED gombot, nem látszik semmi. Ha a jobb oldali triggert állítgatom, előtűnik két nagyon fényes pont, és ennyi. A saját kalibrálójelét vezettem belé, az szépen látszik. Gépkönyvem is van hozzá, sorra vettem a lépéseket amiket az első üzembe helyezésnél ír, de ugyanazt tapasztalom. Arra gyanakszom(reménykedem), hogy mivel minden foglalatban van, a kora miatt valamelyik alkatrész kontakthibás. Találkozott-e valaki hasonlóval?
Olvasgattam, talán a B fűrészgenerátorral van gond. De még nem szedtem szét, nem tudom biztosan.
Üdv Mindenkinek!
Kaptam egy EMG 1568/2A szkópot amin nincs kép. Az összes biztosíték jó, a katódsugárcső fűtése megvan. A tápfeszültségek: +15V, -15V, -40V megvan. A +110 V helyett +180V körüli értéket mértem. A BU806-os tranzisztor rossz volt, ezt újra cseréltem (előtte a +110V helyett kb. +30V-ot mértem). Segítséget szeretnék kérni a szkóp javításához. Mellékeltem pdf-ben a tápegység kapcsolási rajzát. Előre is köszi.
Ha a C1 -en hirtelen lecsökken a feszültség (átütés miatt) +110V alá és a C3 -on pedig megvan a +110V, akkor a "repülő" üzemmódú 723 -nek megszünik a tápfeszültsége, nem tud szabályozni. Eredményül a TR1 teljesen kinyit, a kimeneten a buffer feszültsége (170 .. 180V) mérhető. Ebből az állapotból akkor sem tud kijönni, ha a C1 -en újra megjelenik a feszültség.
A hozzászólás módosítva: Feb 8, 2015
Köszi a gyors választ. Hétfőn megyek alkatrészért, és majd beszámolok a fejleményekről.
Szegény 723 ne repüljön, inkább csak "lebegjen"..
Sziasztok.
Adott egy TESLA BM556-os kétcsatornás oszcilloszkóp. A B csatorna hibás. Ide tettem fel képet róla, hogy mit látok akkor amikor 600mV-os négyszögjelet mérek. Van valakinek valami ötlete? A hozzászólás módosítva: Feb 16, 2015
Az Y-osztó kontakthibája is szokott ilyen indokolatlan torzítást okozni. Ebből a képből az derül ki, hogy a kisfrekvenciás átvitellel vannak bajok.
Milyen frekvenciájú az a négyszögjel? Talán a bemeneti AC-DC átkapcsoló hibás, nyomogasd meg sokszor, hátha kontakthiba, és "bekopik". Kapcsolj egyenfeszültséget pld. elemet a bemenetre. Ha elmozdul a feszültségnek megfelelően a sugár, akkor jó az AC-DC átkapcsoló, DC állásban van.
Lehet továbbmenni, mint kadarist említette, bemeneti osztó. De jó lenne tudni, mekkora egyenfeszültségre mekkora elmozdulás van. A hozzászólás módosítva: Feb 16, 2015
Szia !
Nálam is volt ugyanez a hiba. Az AC csatoló kondenzátor csere segített.
Elképzelhető a kapcsoló hiba. A körkapcsoló ugyanis a másik csatornáéval ellentétben nem kattog, bár kapcsolni kapcsol, mert láthatóan változik a felosztás. Most kipróbáltam 3V-os gombelemmel. A sugár az A csatornán 3V-ot mozdul (1V/díl állásban 3 osztást), a B csatornán viszont 120mV-ot mozdul csak a vonal a 3V-os elemmel (DC állásban, AC-ben természetesen semennyit). 1:1-es szondával végeztem a méréseket.
A hozzászólás módosítva: Feb 16, 2015
Ha van valamekkora DC elmozdulás az egyenfeszültségre, akkor AC-DC átkapcsoló jó lehet. A körkapcsolót és környékét ha rendellenesen viselkedik, meg kellene nézni. Szétszedés. Minden tárcsa együtt megy-e, kontaktok, többi mechanikai elem szemrevételezése.
A hozzászólás módosítva: Feb 16, 2015
A tárcsák együtt mozognak. Itt szerintem minden rendben, mert ha átkapcsolok 2V/DÍL állásból 1V/DÍL állásba akkor kétszer akkora lesz az a fura jelalak. Valahol az elektronikában lesz a hiba ezután a fokozat után.
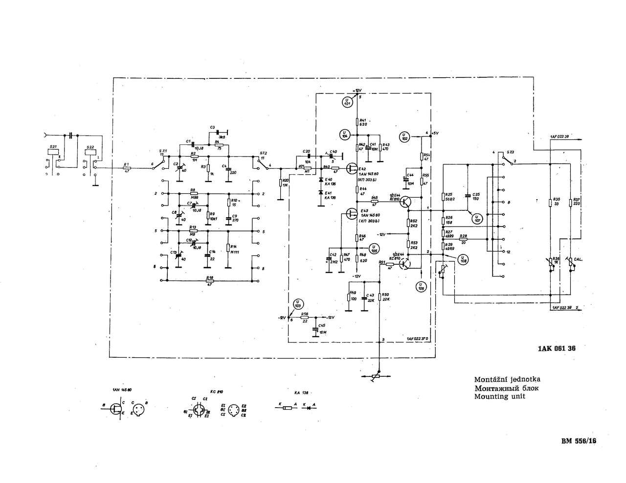
Melléklem ennek a fokozatnak a rajzát.
Minden bemeneti osztó állásban ugyanez a jelalak?
Szerencsés helyzet, hogy van két csatorna, és az egyik jó. Talán elég lehet egy multiméter, és fokozatonként végig lehet menni a jelúton, összehasonlítva a jó csatorna azonos pontján mért értékekkel. Először úgy, hogy mindkét csatorna bemenete GND-re kötve a kapcsolójával. És lehet úgy is, hogy mindkét bemenet ugyanazt az egyenfeszültséget kapja, pld. elem. Ahol a függőleges pozíció potméter bekapcsolódik az áramkörbe, ott beleszól ez a poti is a mért egyenszintbe, ezt a potit kiegyenlített állapotba próbáld hozni. Pld. sugár ernyő közepén mindkét csatornánál. Ez a vizsgálat eredménye valami lesz. Tehát csak egyenfeszültség mérésről van szó. A hozzászólás módosítva: Feb 16, 2015
Ellenőrizd azokat az ellenállásokat, amelyek kondenzátorral vannak párhuzamosítva!
Csináltam egy kis képet, itt látszik melyik állásban milyen a jelalak. Amúgy tökéletes négyszögjel valójában. Amit leírtál, azt majd megcsinálom, most már nem. Késő is van és beteg is vagyok. Nem akarom elrontani.
Kadarist: Amelyiket tudtam lemértem. Sajnos az árnyékolóbúra miatt nem lehet hozzáférni rendesen a kapcsolóhoz, pedig arra van a baloldali rajzrész felépítve. U.i.:Elrontottam a feliratokat. A 0,5V-os a 0,2V-os. Az 1V-os a 0,5V-os. A 2V-os az 1V-os. 0,2V-os a 0,1V-os. A 0,1V-os pedig az 50mV-os. A hozzászólás módosítva: Feb 16, 2015
A FET gate-jén meg a kimeneten is van ilyen átblokkolt ellenállás, nem csak az osztóban.
Nekiálltam átmérni. Eredmény:
R43-236ohm R47-244ohm Ezek térnek el az adott értéktől. Beforrasztva mértem, mert nem lehet hozzáférni a forrasztási oldalhoz. A hozzászólás módosítva: Feb 17, 2015
Közben átmértem az osztót (igaz csak kívülről), de az is jónak látszik, már ami az ellenállásokat illeti. Egyre jobban félek, hogy a függőleges erősítőben lesz a hiba.
Ha a függőleges erősítőben lenne a hiba, akkor a másik csatorna is rossz lenne. Gondolom nem kettős eltérítőrendszerrel van felszerelve a katódsugárcső.
Meg merném kockáztatni, hogy a jó csatornával belemérek a rossz csatorna osztójába.
De, egy ideig két külön fokozat:
A bal felső műv. erősítők a bemenetek. A hozzászólás módosítva: Feb 17, 2015
Gondoltam rá, de nem lehet baja? Belemérni saját magába..., kicsit idegenkedek tőle.
A hozzászólás módosítva: Feb 17, 2015
Valahonnan keríts egy másik szkópot és tapogasd végig a jel útját! Valahol biztosan megtalálod a kisfrekvencia megszűnésének helyét.
|
Bejelentkezés
Hirdetés |












