Fórum témák

» Több friss téma
Fórum » Potméter gyártás ellenállásokkal
Lapozás: OK   1 / 2
(#) attila26 hozzászólása Jún 14, 2007 /
 
Sziasztok.
Berakok egy linket ezt megnézve látni fogjátok mit szeretnék létre hozni.

http://www.platenspeler.com/background/attenuator/uk_attenuator_1.html

Szóval hol lehetne ehhezt az alkatrészeket beszerezni vagy kinek mi ötlete van?

Ebböl ugyebár egy jó minőségű potmétert lehet gyártani?
Vagyis nem fog recsegni.
És még olcsó is.
(#) potyo válasza attila26 hozzászólására (») Jún 14, 2007 /
 
Alkatrészeket szinte az összes elektronikai boltban be tudsz szerezni, ahogy a képeket elnézem.

Hogy a minősége milyen lesz, nemtudom, de nekem nem tetszik, hogy csak ilyen kevés fokozat van (bár attól függ, mihez kell a cucc). Digitás potmétereket nézted már?
(#) Stanford válasza attila26 hozzászólására (») Jún 14, 2007 /
 
Szia!

Nem akarlk elkeseríteni, de ez egy fokozatkapcsoló és nem lehet belőle potmétert gyártani.

A potméter folyamatos állítást tesz lehetővé (tehát akár 10254 Ohmot is beállíthatsz ha akarsz), míg a fokozatkapcsolóval csak meghatározott értékű ellenállásokat lehet egymás után kapcsolgatni.

Bocs, hogy lelomboztalak.
(#) Blint válasza attila26 hozzászólására (») Jún 14, 2007 / 4
 
Szia!

Ez egy jaxlie kapcsoló (Asszem így írják) rajta az ellenllások. a belső (fekete) vezeték a "potméter" csúszkája, a két végállásban pedig két maradék kivezetése (ezeket ne kösdd össze!). Minél több állása van a kapcsolónak annál finomabb a beállítása. előnye, hogy neked tetsző ellenállásort tudsz összerakni (mondjuk fele lineáris fele exponenciális de ennek nincs túl sok értleme, csak példaként mondtam

Blint
(#) (Felhasználó 1947) válasza attila26 hozzászólására (») Jún 14, 2007 /
 
Szia !

Régebben épitgettem csöves cuccokat, és egyik előfokba én is ilyet raktam.Ez végül is nem potméter, hanem
"léptethető csillapitó" hangfrekire.
Én egy 32 állású yaxley kapcsolót,és 0,5%-os remix
R 534 műszerellenállásokat használtam.
Szépen meg lehet vele oldani a hangerőszabályzást.
Az ellenállások tűrése az együttfutás miatt szükséges hogy minél jobb legyen,
a kapcsoló pedig jó minőségű, aranyozott érintkezős kivitel legyen.(Asszem az enyémben Siemens tipusú volt,
valamelyik amatőr börzén vettem)
Szóval csak ajánlani tudom,minősége és élettartama folytán.
Ki kell ábránditsalak,olcsó nem lesz.

:no:

Üdv ! Luki
(#) attila26 hozzászólása Jún 14, 2007 /
 
De potmétert akkor most lehet igy csinálni?

Mert itt elvileg ezt egy gain clon erősitőben használták.

Mint potméter,de javitsatok ki ha nem igy van.

De én nem értek ehhez ezért esetleg tervet kérnék ha van valakinek.
(#) (Felhasználó 1947) válasza attila26 hozzászólására (») Jún 14, 2007 /
 
Szia !

Mint előttem is irták, potit nem lehet belőle gyártani, de hangerőszabályzót lehet.Csak itt nem tudsz folyamatosan szabályozni,hanem az ellenállásosztó megfelelő pontjára tekerve a kapcsoló csuszkáját,fokozatonként tudod
szabályozni a hangerőt.Mint léptethető csillapitó működik.
De ahogy mondták a szaktársak, minél több fokozata legyen,igy megoldható a finom szabályzás.
Thát 4 állású yaxley felejtős.


Üdv ! Luki
(#) ciw hozzászólása Jún 14, 2007 /
 
Üdv !

Láttam már ilyet, alkatrész mindenhol kapható, ugyhogy hajrá !.

Az élettartama a fokozatkapcsoló minőségétől függ.

Egyébként (remélem nem írok nagy marhaságot) a potméterek nem nagyon szoktak már recsegni.

A potirecsegés jelensége akkor figyelhető meg, ha valami oknál fogva (kondi hiba) egyenáram kerül a potira, ettől aztán szépen tud recsegni, még a zsírúj potik is.
(#) (Felhasználó 1947) válasza ciw hozzászólására (») Jún 14, 2007 /
 
Szia !

Csak óvatosan az alkatrészekkel!
Ilyen célra nem jó a kinai 20%-os szénréteg ellenállás.
Minimum elvárás a fémréteg kivitel, lehetőleg indukciómentes,és minél kisebb tűrésű ellenállás.
A belinkelt cikket jobban átnézve, gyakorlatilag minden
benne van,ahogy a paraszt-angol tudásommal kivettem.12,és 24 állású verzió leirása van a cikkben, én a 24-es megépitését ajánlom.


Üdv ! Luki
(#) Frankye válasza ciw hozzászólására (») Jún 14, 2007 /
 
Idézet:
„...a potméterek nem nagyon szoktak már recsegni.”

Azért előfordulhat, hogy recsegőssé válik. Főként a gagyi távolkeleti szörnyedelmek válnak recsegőssé, ha poros, vagy zsíros (pl.: konyha) levegőjű helyen használják.
(#) pet hozzászólása Jún 21, 2007 /
 
Sziasztok!
Azt szeretném kérdezni, hogy a potmetereknek a megadott ellenállásuk, az a minimum, maximum, átlag, vagy milyen értékük szokott lenni?
(#) KTobi válasza pet hozzászólására (») Jún 21, 2007 /
 
A maximum értéküket szokták megadni, és az, hogy lineáris, logaritmus, vagy fordított logaritmus.
(#) pet válasza KTobi hozzászólására (») Jún 22, 2007 /
 
Kösz!
(#) liman hozzászólása Feb 19, 2008 /
 
Sziasztok elolvastam a fentebb linkelt oldalon a leirast de van ami nem teljesen tiszta.
Mi alapjan kell megvalasztani azt hogy hany db-ig lehessen szabalyozni a hangerot?Az oldalon irja hogy 12 allasu kapcsolonal 48 db korul 24 allasunal pedig legalabb 60db.Illetve mi alapjan kell meghatarozni hogy az egyes fokozatok kozott hany db legyen?
Ha tudna valaki segiteni azt megkoszonnem.
Üdv Marci
(#) vendelkiraly hozzászólása Dec 8, 2009 /
 
Sziasztok!

Lerajzoltam a kétféle lehetőséget, amit hangerőszabályozásra szoktak alkalmazni ellenállások alkalmazásával, potméter helyett.
Kérdéseim a következőek: Melyik változat miért jobb? Ti melyiket alkalmaztátok, és mik a tapasztalatok?
Minden véleményt és tapasztalatot szívesen fogadok, legyen az tudományos megközelítés, vagy egyszerű ötletelés.
(#) vendelkiraly válasza vendelkiraly hozzászólására (») Dec 8, 2009 /
 
Némileg pontosítanék, ez a két fő irány, amit alkalmazni szoktak. Ha van más kapcsolási rajzotok tegyétek fel. Pl itt van egy rajz, amit szamóca egy másik HE topikban közölt, és meg is épített. Ha erre jársz szamóca légyszíves írd le a tapasztalataidat!
(#) (Felhasználó 1947) válasza (Felhasználó 1947) hozzászólására (») Ápr 13, 2011 /
 
Valahogy igy néz ki élőben:
(#) bence192 hozzászólása Jún 23, 2011 / 1
 
Mi a meglátásotok erről a két tárcsás verzióba /képen/
ezen értékek jöttek ki 68K-s hangerőszabályzóhoz.

Csillapítás és a többi érték a másik képen. várom hogy látjátok beletaláltam vagy elhibáztam?
(#) zsozso72 hozzászólása Feb 28, 2015 /
 
Sziasztok!
Ahogy látom ebben a témában nem mostanában volt az utolsó hozzászólás,azért remélem még van aki figyeli.Hangerő szabályzót szeretnék készíteni tárcsás kapcsolóból 100Kohm logaritmusú-ra volna szükségem,a kapcsolót beszereztem egy KT1211-1 személyében,viszont az ellenállások megválasztásában és sorrendjében kérném a segítségeteket,a válaszokat és az építő jellegű hozzászólásokat előre is köszönöm.
Tisztelettel:Kolozsvári Zsolt
(#) zolika60 válasza zsozso72 hozzászólására (») Feb 28, 2015 /
 
Az eggyel előtted lévő hozzászólásban lévő értékek szerintem jók neked is. Esetleg rajzold fel és keress pontos értékeket.
(#) zsozso72 válasza zolika60 hozzászólására (») Feb 28, 2015 /
 
Szia!
A bence192 hozászolásában 68K log-os potméter felépítését mutatja.Én egy 100K log-os potmétert szeretnék építeni.A vendelkiraly hozzászólásában említett 1 séma alapján.Lehet hogy némi kép volna hasonlóság de max az első pár ellenállás.Hogyan tudom kiszámolni,esetleg ebben ha kérhetném a segítséged.Az világos hogy kirajzolom a logaritmikus ív pályát,de mik alapján adom meg a helyi értékeket.
(#) dokidoki válasza zsozso72 hozzászólására (») Feb 28, 2015 /
 
Szia.
A lentebbi táblázatban rejlik a képlet az átszámításhoz. Az első sora a alapsor, az Au oszlop a erősítési tényező ami most ugyebár gyengítés. Ezzel szorzod a kezdő alapértéket, és kapod a megfelelő értékét az Ra-nak, az Rb, meg az alapértékből kivonva az Ra előbbi értéke. A többi meg így tovább. Vagyis az első sor Ra - Rb értéke -4 dB értéknél 100Kohm alapnál a következő: 63.09Kohm, 36.91Kohm ... Bár szerintem a kapott értékeket, illetve a szorzót elég egy tizedesig használni... ezeket az értéketek, meg több darab összerakásából illetve kiválogatással lehet bizgetni.
(#) etilalkohol hozzászólása Okt 20, 2020 /
 
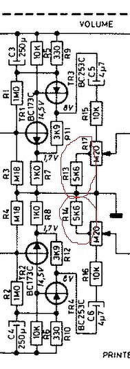
Sziasztok, adva van egy potméter (200Kohm) aminek van egy leágazása 33Kohm-nál, ezt szeretném kiváltani ellenálláshálóval (kép mellékelve, leágazás bekarikázva).
Kérdésem, hogy a bekarikázott 200Kohm-os ellenállást osszam fel egy 33Kohm és egy 127Kohm-os ra és ott legyen a leágazás, vagy hogyan lehetne/kellene megoldani (kép mellékelve, ellenállás bekarikázva)?
(#) proli007 válasza etilalkohol hozzászólására (») Okt 20, 2020 / 2
 
Hello! Nem vagyok egy "szakértő", de ennek nem sok értelme van, ha a leágazáson csak egy ellenállás van. Mert az csak a szabályozás karakterisztikáját változtatja meg. Lehet az eredeti poti, nem volt "elég log-os". Egy fiziológiai hangerőszabályozásnál más lenne a dolga a leágazásnak..
(#) Joe_001 válasza proli007 hozzászólására (») Okt 20, 2020 /
 
Üdv !
Anno belefutottam, a Rádió csöves keverő pultjaiba. Az egyik a GAMFon volt, a Másik a Várban a villamoskari Kolesz stúdiójában. Ezekben a 20 centis keverő tolópoti ami 2DB-re volt skálázva az tulajdonképp a forgópoti volt. A lényeg, hogy a forgó részben volt az igazi rész. Ellenálláslétra leágazásai voltak kivezetve egy tengelyen lévő csúszkához. Belépés külön jelezve. A forgás mozgása skálahúrral volt kiegyenesítve egyenes, "tolópoti" mozgássá. Ez jó régi volt, a 80-as évek legelején volt. Azokat akkoriban vetette le a Magyar Rádió.
Tehát ezt akarjátok újra kitalálni.
Igaz, oly régi, hogy a neten semmilyen képet nem találtam róla.
A hozzászólás módosítva: Okt 20, 2020
(#) proli007 válasza Joe_001 hozzászólására (») Okt 21, 2020 /
 
Hello!
Én semmit nem akarok kitalálni, csak arra reagáltam, hogy a Dansk képen látható megoldás értelmét nem látom. Amúgy nekem is volt két ilyen kapcsolgatós "stúdió potim". Eleve tolópoti volt sztereó aranyozott kontaktusokkal és ha jól emlékszem 32 állása volt. Mondjuk nem használtam semmire, csak a fém tokját, abba szereltem az előfokomat anno.
(#) Gafly válasza etilalkohol hozzászólására (») Okt 21, 2020 / 1
 
Sok más értelmes lehetőséged nincsen, mint átszámolni az egészet.
(#) rectamas válasza etilalkohol hozzászólására (») Okt 21, 2020 / 2
 
Szia,
proli007 jól mondja, ez csak a szabályozás karakterisztikáját változtatja meg.
Valószínünek tartom, hogy a jobb együttfutás miatt lineáris potit használtak és így csináltak belőle logaritmikushoz hasonló karakterisztikájút.
Én az 5,6k ellenállást kihagyva betennék helyette egy logaritmikus karaktarisztikájú fokozatkapcsolós csillapítót (poti).
(#) etilalkohol hozzászólása Okt 21, 2020 /
 
Köszönöm a válaszokat!
Akkor ha jól értem ne foglalkozzak a leágazással és a logaritmikus ellenálláshálót használjam úgy ahogy van (amit kiszámoltattam fentebb)?!
200K-a számítva jó az illesztés vagy a legágazásos kb. 17x K-s ra számoltassam?
(#) rectamas válasza etilalkohol hozzászólására (») Okt 22, 2020 / 1
 
Jó lesz, viszont amit számoltál az nem fokozatkapcsolós, hanem relés, célszerűen mikrovezérlős vezérléssel. Fölötted vendelkiraly első rajza a klasszikus fokozatkapcsolós, a második a szebb megoldás (csak két ellenállás van a jelútban), de két kapcsolótárcsa kell egy csatornára.
Következő: »»   1 / 2
Bejelentkezés

Belépés

Hirdetés
XDT.hu
Az oldalon sütiket használunk a helyes működéshez. Bővebb információt az adatvédelmi szabályzatban olvashatsz. Megértettem