Fórum témák
» Több friss téma |
Fórum » TV hiba, mi a megoldás?
és hogy ne irodalmi leírás legyen a képhiba milyensége, inkább csináltam 2 képet. tehát nem csak a TV tuner által közvetített képek ilyenek, hanem minden, ha nincs adás az is.
Sziasztok!
Egy Grundig Lenaro 19-7711 típusú eszközzel van bajom. Az a hibajelenség, hogy kb 10-20 másodperces üzem után kikapcsol standby- ba. A tápegységben az összes pufferelkót kicseréltem. Ezek után járattam, de video jel nélkül (hangyaháború) és úgy megy rendesen, amint bármilyen video jelet kötök rá (most éppen scartról) 10-20 másodperc után megint csak kikapcsol. Sípoló hangot hallok utána rövid ideig. Go
Sziasztok
Van egy HIBACHI Tv RECOR RC4021A-1 es alaplap van benne, a gond az lenne, hogy nincs hang csak sistereg , AV-rol tökéletes. Már egy rakás kondit cseréltem de a hiba még mindig fentáll. Valaki találkozott már eféle hibával ?
Szia!
Valamit lehet tudni az előéletéről, már ilyen volt vagy csak nálad jelentkezett ez a hiba? Antennabemenetről jó a kép?
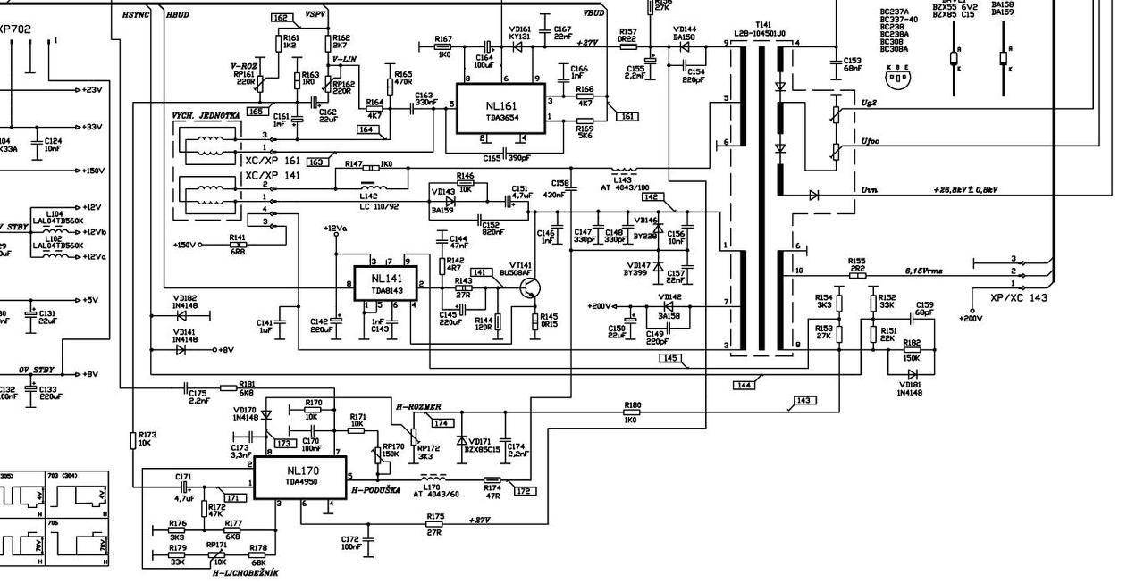
Jó lenne egy rajz hozzá Vestel középképernyős Tv !Fogalmam nincs hol mérjek így hogy nem tudom hol is kéne mérnem!Hol mérjek 200 V -ot
Valaki írja meg hogy Vestel középképernyős tv hang van kép nincs csak szürke csikok visszintesen ! Rajza nincs hogy mérjek ill hol!Azthiszem kuka lessz a vége!
Szia!
Nem rég szó volt erről: Bővebben: Link.
Köszi a válaszod ez egy vestel 51 cm es tv nincs rajzod vagy hol kell mérni a 200V -ot amit írtál is ,mert jó lenne ha segítenél ha tudsz!Köszi előre is! vagy a képcső melyik vezetékein kell mérni?
A sortrafó 9-es lábáról indul a 200V, és egy diódán, tekercsen keresztül megy fel a képcsőpanelre.
Rajz.
Szia nagyon rendes vagy biztos sokat segít amit küldtél rajzot is, majd megnézem de sok dolgom is van !De majd megírom mire jutottam!Addig is nagyon köszi !szia!
Szevasztok. Tudna valaki tippet adni, vagy meg tudná mondani valaki, miért nem kapja meg a képcsőpanel azt a 6Vot, amit a sortrafó 10es lábáról kellene kapnia? Egyenesen a sorvég lábán mérem, akkor sincs feszültség.
Az a 6V váltakozófeszültség, ráadásul impulzusszerű, tehát hagyományos multiméterrel nem igazán mérhető.
Már jó 2 hete itt ez a TV, de nem tudom a hibáját. Mindig előveszem kicsit, próbálgatom, de nem jön össze. Ha Te sem tudsz segíteni, akkor marad szétszedésre.
Kis 12V, 1W-os izzólámpával tapints rá sortrafó kivezetésére, ne multiméterrel. Éppen most segítek, tehát ne szedd még szét. Az a baj, hogy nincs képcsőfűtés?
üdv falba ütköztem segitséget szeretnék kérni van egy Funai TV
ha bekapcsolom a nagyfesz csak katog mi lehet a probléma ?
Szia!
Zárlat van valahol. A sortápfeszültség hogy alakul? A többi tápfeszültség hogy alakul a tápegység kimenetén?
kadarist Szia nagyfesz csak nyögdécsel nem inditja a tv az a gond mértem diodákat azok jók lehet a tranyok vannak meghalva sorkimenönél
Akkor cseréld ki a sortranzisztort, ha meg van halva!
kadarist tranyora gondoltam de nem voltam bisztos benne de köszi szépen a segitséget
ha valakit érdekel van egy 72 cm siképernyőm eladó samsung
Nincs szerencsém, senki sem tud segíteni? Atneztem a kondikat, van 4 1000mF 16v -os azok láthatóan fel vannak puposodva, ezeket mindenképp kicserelem, de hátha valakinek konkrétabb elképzelése van a képek láttán?
Fűtés van, mert hát izzik a cső.
Bővebben: Link
Akkor miért kérdezted a fűtés kimérését?
Ha a képcsőpanel megkapja a feszültségeit és az ott lévő összes alkatrész jó, akkor vagy durva képcsőzárlat van, vagy elégtelen a vezérlés (R, G, B), ami az alaplapról jön.
Ha van púpos elkó, akkor azok cseréje után kell folytatni a javítást és az értekezést.
Sziasztok!
Nincs senkinek ötlete a problémámra? Nem akarom beszúrni mégegyszer, nehogy moderálják. Előre is kössz!
Gondoltam, hogy nem elég,.. vagy én mit tudom már...
Képcsőpanelen ott a 12V. Katódokon a 200V. R G B bemeneteken is akkor mértem még, 2,5V volt... Holnap még megnézem a képernyőt. Csak nincs hozzá egyértelmű rajzom. 9-10es láb között az ellenállás 0, hisz ott a fűtés. De a 9 és 2es lűb között is 0R. Nem tudom mi az a 2es láb.. |
Bejelentkezés
Hirdetés |








