Fórum témák
» Több friss téma |
- Ez a felület kizárólag, az elektronikában kezdők kérdéseinek van fenntartva és nem elfelejtve, hogy hobbielektronika a fórumunk!
- Ami tehát azt jelenti, hogy a nagymama bevásárlását nem itt beszéljük meg, ill. ez nem üzenőfal! - Kerülendő az olyan kérdés, amit egy másik meglévő (több mint 17000 van), témában kellene kitárgyalni! - És végül büntetés terhe mellett kerülendő az MSN és egyéb szleng, a magyar helyesírás mellőzése, beleértve a mondateleji nagybetűket is!
Igen, jól gondolod, közvetlen AC -t is kaphat.
Köszönöm! ULN van itthon, UDN-t beszerzek
Sziasztok. Segítség kellene,tapasztalt emberektől. 2db megbízható jó fajta tranzisztorra van szükségem. Nincs meghatározva az értékük csak a tokozása és a lábkiosztása.
BJT NPN TO92-CBE BJT PNP TO92-EBC Forrasztóállomásba kerül ami 24v-os.
Bocsánat azon átsiklottam ahogy olvastam!,mindjárt ki is próbálom.,ha kuka a mikrofon, a telefonokban használt mikrofonok megfelelnek erre a célra? ,az van egy pár belőle. Üdv!
Egy kérdést, csak egy helyen!
Amott kaptál választ!
Ahogy a panelt nézegetem, van benne graetz. Ezért azt gondolnám igen. Ja írják is:
Idézet: „Module Size: 62x35mm Input: DC:5-35v or AC:6-24V” A hozzászólás módosítva: Feb 9, 2016
A földelés helyességét, általában próbávallehet eldönteni, mert másik egységek huzalozása is befolyásolja. De ha az árnyékoló házat az erősítő közös pontjára kötöd, akkor nem szabad azt egyúttal a korrektor GND-jével összekötni. Vagy ha a korrektor GND-jére kötöd az árnyékolóházat, akkor azt szigetelten célszerű felszerelni a dobozba, hogy máshoz már ne érjen hozzá.
De olvasd el mit írnak a kollégák a földhurokról az erősítős topikokban.
Nem tudom milyen mikrofonok vannak a telefonban és milyen telefonra gondolsz. De várhatóan az is elektret.
"Csináltam egy áramkört " Abba biztos megfelelő lesz! Mert a gondolat olvasás még nem az erősségem..
Köszi! Akkor rendelek egy ilyet, és azzal a kis trafóval, amit segítettél "megfejteni", összeállítok egy kis állítható feszültségű tápegységet.
Sziasztok!
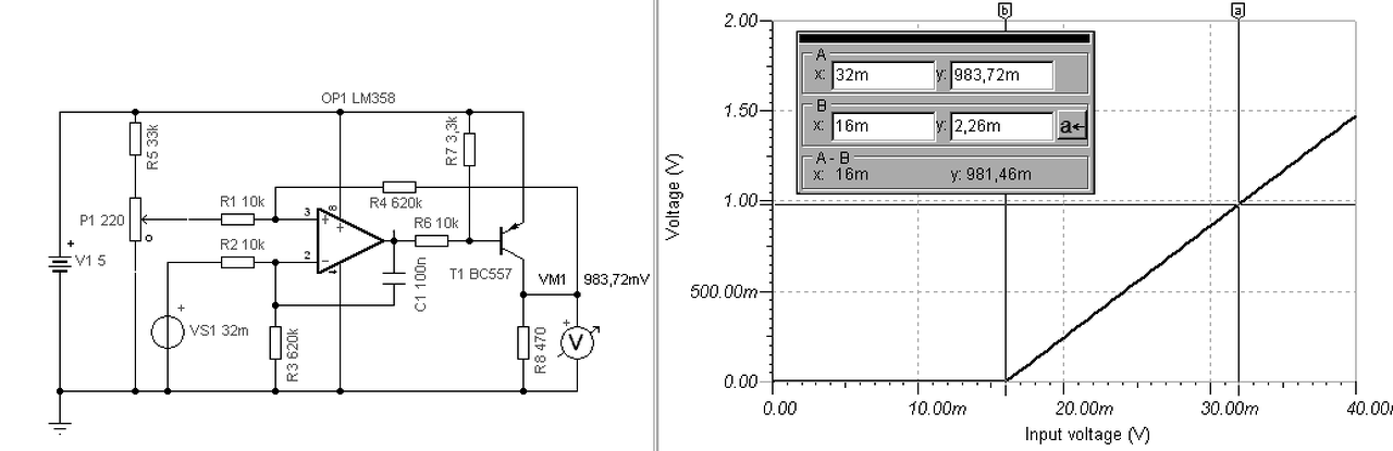
Van egy elmozdulásmérő cellám, és 0 elmozdulásnál a kimeneten 16 mV jelenik meg, a másik végállásban pedig 32 mV. Ezt erősítem fel egy LM358 műveleti erősítővel, és az értékét mikrokontrollerrel rögzítem. Hogyan lehetne elektronikával lenullázni, hogy 0 mm esetén 0V jelenjen meg a kimeneten? Köszi!
Hello! Kivonóáramkörrel. De ez a feladat nem éppen egy mezei LM358-nak való, mert annak offset hibafeszültsége kb. 3..5mV tartományba esik. Amúgy ha tudod mérni ezt a mV értéket a mikrokontrollerrel, akkor akár le is vonathatod vele a 16mV kezdeti értéket, még automatikusan is..
A hozzászólás módosítva: Feb 10, 2016
Köszönöm! És milyen műveleti erősítőt javasolnál?
Azt neked kell kiválasztani. Mert függ a megkövetelt pontosságtól. Vagy is az offset feszültség hibája legyen kisebb, mint amekkora pontosságot elvársz a bementi feszültségtől. pld. ha 32mV-ot dolgozol fel, és 1%-nál pontosabb mérést szeretnél, akkor 0,32mV-nál kisebb offset hibának szabad minimum lenni. De mivel Te még 16mV-ot le is vonsz belőle, így még ennek felénél is jobbnak kell lenni.
A másik a tápfeszültség. Ha csak 5V tápfesz van, akkor Rail-to-Rail műveleti erősítőre van szükséged. (Az LM358 bemenete megközelítheti a GND-t, így a bement alkalmazható, a kimenet viszont elvileg tudja a GND-t, csak épp terheletlenül. A kivonó terhelése meg visszahat a kimenetre. Ezért a tranyós kiegészítés.) Tehát pontosság terén egy OP07 megfelelő lenne, de annak +-5V kell, mert nem Rail-to-Rail és a kimenti feszültsége sem érhetné el az 5V-ot.) Vagy is pontossági igénytől függően egy sokkal drágább híderősítőt lehetne használni, amilyent pld. az erőmérő celláknál alkalmaznak. Analog Devices vagy MAXIM kínálatában találsz ilyen erősítőket. De a referenciát is át kell gondolni, milyen pontosságú legyen mert jelenleg egyszerűen csak a tápfesz van leosztva. A kérdés viszont rég nem ide való, hanem a műveleti erősítők topikjába..
Sziasztok!
A segítségeteket szeretném kérni, mert nagyon nem értem ennek az optocsatolónak és inverternek a működését (ltv847, illetve cd4069) Az optocsatolóval az a problémám, hogy a fenti 15-16-os lábakon állandóan folyik az áram, tehát a led ég, függetlenül az alsó 3v-os körtöl (nem csak akkor kéne a felső 6v-os áramkört zárnia, ha az alsó 3v-os feszültség alatt van?). Hogy lehet ez? A másik pedig, hogy ha az inverterre ha rákötöm a 6v os feszültséget (7. láb: gnd; 14. láb: 6V), akkor az összes lábon ez lesz a feszültség, és semmit nem befolyásol az egyes lábakra kötött feszültség (szintén 6v). Próbáltam már mindent mindenhova kötni, de sehogy nem akar jó lenni. Elég zavaros nekem, kezd nagyon bosszantani. Kérlek ha tudtok segítsetek! Előre is köszi. képek: Link
Szia! Feltéve, hogy a mindent mindenhova kötéssel nem tetted tönkre az ic-ket, és bár a képen nem látszik de van az optónál is előtétje a lednek, akkor annak csak akkor kellene világítania, ha az 1-2 lábon kapja a feszt. Nincs zárlat a forrasztási oldalon? Az inverter bemeneti lábai nem lebeghetnek, vagy H vagy L szintet kell nekik adni és ennek megfelelően lesz L vagy H a kimenet.
A hozzászólás módosítva: Feb 10, 2016
Sziasztok! Egy olyan kérdésem lenne, hogy rendelkezem egy vermona regent 600h erősítővel, a gyári rugós zengető mellé szereltem egy Fuzzface pedált oly módon, hogy a bemenet-hez tettem egy kapcsolót ami egyik állásban a torzító felé nyit a másikban pedig ezt zárja és tiszta jelet küld.
A kérdésem a következő: Megldható lenne esetleg a gyári equalazer részét átépíteni egy kicsit finmabbra úgy hogy az eddigieket ne kelljen megbontanom? Előre is köszönöm!
Sziasztok! segítséget kérnék tőletek. építek egy TDA 2030 erősítőt van két db 220nf MKS2 kondi a rajzon azt szeretném kérdezni hogy nekem van 2db 2A224J feliratú kerámia kondi,lehet helyettesíteni?
rajz csatolva üdv
Valószínűleg 22x(10 a negyediken) pF az értéke, ezt a 224-ből gondolom. 1000pF -> 1nF. Az eltérés (ha van) befolyásolja a kimeneti snubbert!
Sziasztok.
Ha párhuzamosan kötök 3 ellenállást akkor mennyi lehet a maximális áram és az egyes ellenállásokon ekkor mekkkora teljesítmény fog esni? Hogyan kell kiszámolni? Az ellenállások 0.1ohm 0.25w, 2.7ohm 0.0625w, 2 .7ohm 0.0625w. Köszi.
10n, 100n, 220n, kondenzátor, 5K heli trimer poti.
A hozzászólás módosítva: Feb 10, 2016
Ugye jól tudom, hogy ez egy egységes kódjel miszerint az első két szám az értéket
(kondenzátornál pF -ban, ellenállásnál Ω -ban) jelzi, a harmadik pedig az utánuk áló nullák számát jelzi? Ez alapján gyorsan ki tudja számolni mindenki, mennyi is az annyi... A hozzászólás módosítva: Feb 10, 2016
Szabad guglit használni, az egyik találat például a HE-ra mutat, Bővebben: Link
A megengedett terhelésekből kiszámolod egyenként, hogy az ellenállások mekkora feszültséget kaphatnak. Mivel párhuzamosan vannak kötve, a lekissebb feszültség lesz a maximum, amit az ellenállásokra köthetsz. A kapott feszültségből kiszámolod, mekkora áram fog folyni egyenként a három ellenálláson, ezeket összeadod és megkapod, hogy a maximális feszültségnél mekkora áram folyik át a rendszeren.
Szia!
U= gyök(P*R) U= gyök(0.0625*2.7)=0.41V és U= gyök(0.25*0.1)=0.158V A legkisebb feszültség a 0.158V. I=(U/R) I=(0.158/2.7)=0.058A és I=(0.158/0.1)=1.58A Összeadva 0.058+0.058+1.58= 1.696A Tehát max. 1.696A áram mehet át a 3 ellenálláson? A három ellenálláson eső teljesítmény: 2.7 ohm = 0.0092w (max 0.0625), 0.1 ohm = 0.2496w (max 0.25) Ekkor a 0.1 ohmos ellenállás fog a legjobban melegedni, mert azon fog a legtöbb hő fejlődni. Tehát ha nagyobb áramerősséget akarok akkor a 0.1 ohmos ellenállást kell nagyobb teljesítményűre cserélni, mert max. áramnál már tűzforró lesz, míg a 2db 2.7 ohmos hideg. Jól gondolkodtam és jól számoltam?
Hello! Szerintem egy rajz nélkül (legalább vázlatos) senki nem érti miről van szó. Én legalább is nem..
Sziasztok!
Van két tekercsem ezeket szeretném egy kapcsolóval kapcsolni sorosan ill párhuzamosan. Ez egy hangváltóba kell.
Ezt hogyan határoztad meg ,vagyis gondolom hogy a rajtuk lévő számokból és betűkből. Szeretném tudni hogy mit jelentenek a számok és a betűk?köszönöm a választ
|
Bejelentkezés
Hirdetés |




Amott kaptál választ!









