Fórum témák
» Több friss téma |
Szia!
A teljesítményt meg nem mondom, pedig egyszer már erdgab leírta. Karám hossza kb.: 1,5-2km hosszú lehet, de függ a vezeték sorainak számától és a talaj nedvességétől is.
Azt tudom mitől függ hasonlókat én is csináltam már, de a mostani gy.trafók közel nem tudnak már annyit mint 15-20 éve. Nekem az ilyen jellegű invertereseknek a tudománya megállt kb 500 méter után.
Én zsír új Lada Samara trafókat veszek és azzal pakolom össze. Eddig ami legnagyobb karámhoz használták, az 2,6km volt durván és a végén is bele haraptál a fűbe ha hozzányúltál.
A trafók között is van különbség, az "inverter trafó"-k között is van különbség, így amikor összerakom a panelt, akkor bemérek mindent rajta. Nem sokszor volt olyan, hogy 2-3db egyforma alkatrész értékű panel lett volna, szinte mindig változtatni kell kicsit.
Mik azok amiken változtatni kellett? Vettem anno pár házi pásztort azokba egy műanyag csőre volt tekerve a huzal és az igazán oda b...szott az közel 12 km karámon mértem és még 9 KV volt a végén.
Nekem egy ilyen tekercs paraméterei kellenének, épp a gyújtótrafó "gyengesége" miatt.
A meghajtásnál kellett beállítani a kimenőfeszt, hogy meglegyen 350VDC körül. megmaradtam mindig a 2-300mA-es fogyasztás mellett és a kimenő fesz. is jó lett. általában elég a kitöltésen picit változtatni, de volt amikor a frekin is kellett, hogy meglegyen a kimenőm. Érdekes a trafód, nem láttam még ilyet, biztos jó. Sajnos én nem értek a tekercseléshez és a környékemen sincs, aki tudna csinálni nekem, pedig az volna a jó ehhez az inverteres pásztorhoz, egy ütős trafó.
És ezek a változtatások miben állnak? egy kis leírást tudsz adni?
A panel része bonyolultabb kicsit! Igen a cső belsejében vannak trafo lemezek kb 10 db. Szét szedni én sem mertem hogy meg nézzem a mente számot stb mert az itt lelhető elektronikákkal nem igazán ment a trafó! Igaz csak egy fajtával próbáltam meg én is!
De ez tuti izmosabb bármely gyárinál. Ha az előzőt össze rakom amit pár hozzá szólásnál láttam fent azzal ki próbálom a trafot is. Ha megy szét szedek egy ilyet és lemérem a meneteket bár ez nem mostanában lesz. A panel meg csak ennyi benne
Írj rám este nemem megvannak a folyóiratok, ha még kell.
Szia!
Kisebb kísérletezés után egy kis infó. A 6,8 k ellenállást söntöltem egy 4,7k ellenállással így erősebb lett a szikraköz a gyújtótrafón. Ugyanez az 1k ellenálláson párhuzamosan kötve egy 220n kondival szintén feljebb lehetett tornázni a szikra erejét. Ezt pusztán kísérleti jelleggel csináltam. Ekkor már viszont az invertertrafó elég hangosan sípolt, és a gyújtótrafó két csavarján a házra is áthúzott a szikra.
BT151 tirisztor helyett mit lehet még berakni?
pl TIC126D, BT152,
Üdv!12v-os villanypásztort építek és találtam bele egy 230/9 voltos trafót az az egy baja, hogy a szekunder kivezetésen 3 drót jön ki és a középső ki van szakadva, a kérdésem az lenne hogy ennek ellenére még használható-e?
Ha 2 szélső vég közt ~18V-ot mérsz, használható; tehát a tekercs maga nem szakadt.Amúgy csak 2 , 1 végű tekercs.
megépítettem ezt a fajta villanypásztort és úgy ahogy a leírásban is olvasható bekapcsolom(kondi, földelés és gyújtótrafó nélkül) és halk sípoló hangot hallok tehát a trafó működik, de viszont ha rámérek R6-ra akkor nem 150-200 voltot mérek hanem 60-at
.Valaki esetleg tudja, hogy mi lehet az oka ennek? A hozzászólás módosítva: Júl 13, 2015
Kösd be a kondit is, a gyújtótrafót kihagyhatod, vagyis a Cx trafóra menő lábát kösd a testre, és úgy mérj.
Úgy csináltam ahogy mondtad és most 65volt az R6-ra eső feszültség
A P1 -változtatásával sem növekszik a feszültség? A Cx testre menő lábát forraszd le, huzamosabb ideig nem jó ha áramkorlátozás nélkül süti ki a tirisztor.
Én kivenném a D1 diódát és úgy mérném a feszültséget. Előszőr az inverter trafó kimenetén az Ac feszültséget, utána az egyenirányító után a Dc-t. De nem írtad milyen inverter trafót használsz.
A D1-et ha kiveszem akkor 150v feszültség esik az R6-ra ez így jó is lenne de akkor nem nagy baj ha a kitöltési tényezö nagyobb lessz, nem fogja hamarbb lemeríteni az aksit?
És köszönöm szépen a gyors válaszokat! A hozzászólás módosítva: Júl 13, 2015
Csereld le az R1 es R2 elenallasokat ahogy ergdab mester javasolta: R1=530-560 Ω,R2=2,2k. Sok sikert!
Köszönöm a tanácsot meg is csinálom, és még azt szeretném kérdezni hogy a negativ bemenetet le földeljem-e?
Nem! Csak a gyujtotrafot foldeled. (a rajzon is fel van tuntetve) Az 1n4148-as diodat is szedd ki ahogy fentebb tanacsoltak. Kellemes napot!
Sziasztok!
Abban kérném a segítségetek, hogy villanypásztorhoz szeretnék, olyan állapotjelző - vagyis inkább visszajelző - áramkört összerakni, mely a vezető és a föld közé kapcsolva jelzi az impulzusok áramlását. Maga az áramkör kialakításával nincs problémám, inkább az ellenállások teljesítménye miatt aggódom. 75mA áramfelvételű, 2.2V nyitófeszültségű vörös LED-eket használnék, de eddigi tapasztalatom szerint, a feszültség szabályozó ellenállások hosszú távon nem bírják a 10kV-os terhelést. Várom ötleteiteket, észrevételeiteket. Előre is köszönöm!
1-2W-os ellenállásokból összekötve 5-6 darab már jó, de mi fog 75mA-t adni neki? Tegyél inkább glimmet rá, az való oda.
Hello egy kis segítséget kérnék egy villanypásztort készítek ami 9V-ról működik 4 kV-os impulzus csomagokat állít elő amik 1 másodpercenként 70ms-ra 150 Hz-es impulzus csomagot ad le és egy olyan kérdés fogalmazódott meg bennem és nem hagy nyugodni hogy ez veszélyes lehet-e az emberi szívre vagy az adott állatéra ?
A hozzászólás módosítva: Aug 4, 2015
Szia!
Van már ilyen topik...Villanypásztor Körülnézhettél volna 2 éves regivel. Ahogy elnézem, a kérdésed nem is technikai, hanem életvédelemmel kapcsolatos inkább. Az " adott állat" bármi lehet és van biztos sok olyan ember, akiét megállíthatja.
Hello !
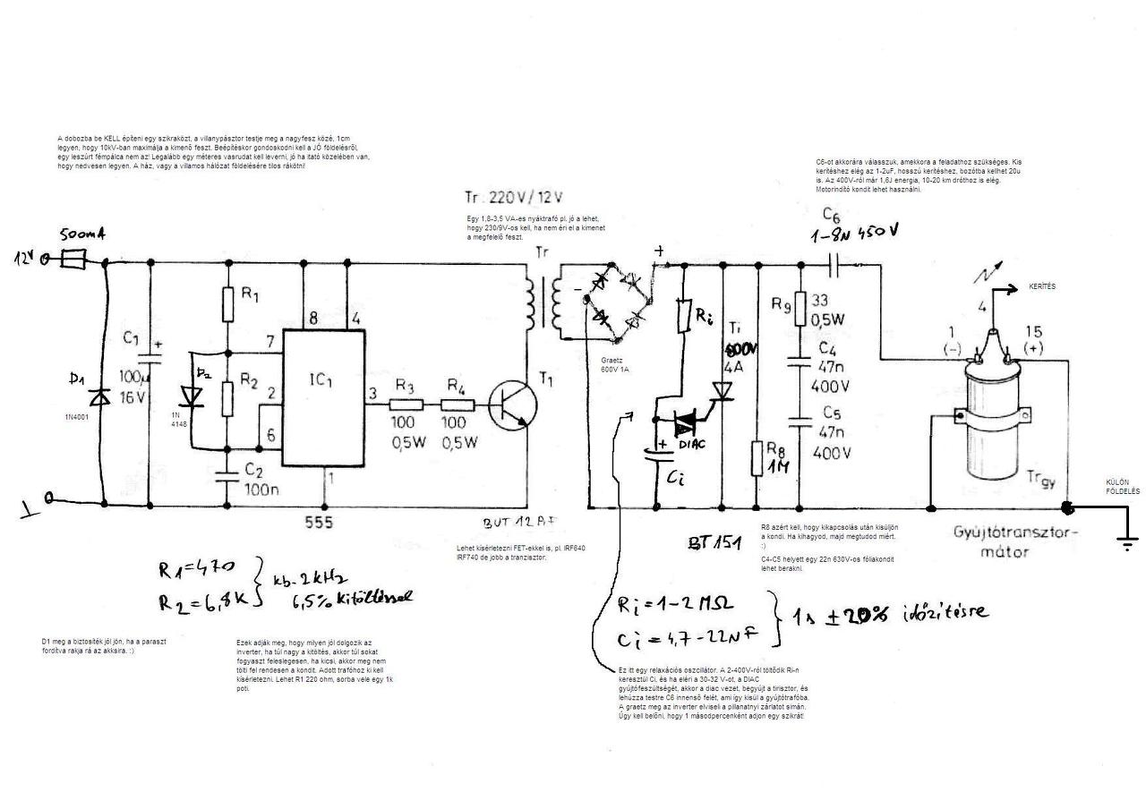
először is köszi a választ. igazából az nem tiszta hogy ugye a szívre a legveszélyesebb frekvencia tartomány a 12Hz-100Hz és az lenne a kérdés hogy a 70ms-ra leadott impulzus csomag ami 150Hz-es az tartogathat e bármi veszélyt vagy feleslegesen aggódok ? ha segít bár mit is mellékeltem a kapcsolási rajzot |
Bejelentkezés
Hirdetés |




A trafók között is van különbség, az "inverter trafó"-k között is van különbség, így amikor összerakom a panelt, akkor bemérek mindent rajta. Nem sokszor volt olyan, hogy 2-3db egyforma alkatrész értékű panel lett volna, szinte mindig változtatni kell kicsit. 


.Valaki esetleg tudja, hogy mi lehet az oka ennek?







