Fórum témák
» Több friss téma |
- Ez a felület kizárólag, az elektronikában kezdők kérdéseinek van fenntartva és nem elfelejtve, hogy hobbielektronika a fórumunk!
- Ami tehát azt jelenti, hogy a nagymama bevásárlását nem itt beszéljük meg, ill. ez nem üzenőfal! - Kerülendő az olyan kérdés, amit egy másik meglévő (több mint 17000 van), témában kellene kitárgyalni! - És végül büntetés terhe mellett kerülendő az MSN és egyéb szleng, a magyar helyesírás mellőzése, beleértve a mondateleji nagybetűket is!
Ezt nem lehet megvilàgitani, akkora(vagy olyan?)...
Akkor jól gondoltam...
Feligazsag. Van benne ugyan valami, hiszen a kapcsuzemu tapok poenja eppen az, hogy - tervezestol fuggoen - elegge tag feszultseghatarok kozott is leadja a masik oldalon a szukseges teljesitmenyt. Ha a bemeno fesz kicsi, nagyobb aramot sziv, igy pl. a vezetekek elektromagneses "sugarzasra" nezve igaz (nem mindig ugyanannyi a felvetel, ezert pulzal is, amit a kapacitasok igyekeznek kisimitani azert).
Azt viszont bolcsen elhallgatjak, hogy ezek merteke igen alacsony, tavolsaggal negyzetesen csokken es emberre nezve veszelytelen is, legalabbis naponta sokkal erosebb hatasoknak vagyunk kiteve. Ja, es szazszoros semmikeppen nem lehet, meg igen kis idointervallumban vizsgalva sem A hozzászólás módosítva: Júl 12, 2015
Valaki hallott valamit, felét sem értette, aztán kikombinálta belőle az ellenkezőjét...
Ha a bázisállomások sűrűn vannak, akkor a telefonnak kis teljesítménnyel kell adnia, különben zavarná a távolabb lévő, ugyanolyan frekvencián működő további bázisállomásokat. Ha a bázisállomás messze van (vagy kicsi a térerő valami más miatt) nagy teljesítménnyel kell adnia. Ha nagy teljesítménnyel kell adnia (akkor is ellenőrzi a kapcsolatot időnként, ha nem beszélünk), akkor hamarabb lemerül az akkuja. (A telefon teljesítményét a térerő függvényében a rendszer szabályozza.) Vagyis úgy lenne igaz a kijelentés, hogy: Ha erősebben sugároz a telefonod (nagyobb teljesítménnyel ad), akkor (előbb-utóbb) alacsony töltöttségű lesz az akkumulátorod...
Rengeteg technikai marhaság van azon az oldalon, nem kell vele foglalkozni.
Ebben igazad van, így még értelme is van. Ez az oldal már csak ilyen.
Sziasztok!
Ezt az alkatrészt hogyan tudom tesztelni, hogy jó-e?
Helló,
Nem találtam még neten választ a kérdésemre, melyik smd alkatrészt jelölik D-vel??
A kapcsolási rajza benne van az adatlapban, egyszerű ellenállásméréssel kideríthető. 2-4 lábak között kb. 9 Ohm-ot, a 2-1 és 2-3 lábak között pedig kb. 0 Ohm-ot kell mérj.
A hozzászólás módosítva: Júl 13, 2015
sziasztok,
érdeklődnék hogy egy gombelemnél mi számít merült elemnek. 3V van ráírva, az új ami nálam van 3,3Voltot mutat, amit kivetem a ketyerémből 2,6 ot. Érdemes kicserélni, tehát már kimerült elemről beszélünk? Vagy máshol keresendő a probléma? A 3,3V nem sok? beletehetem a gépbe?
Sziasztok!
Van egy Samsung multi nyomtatom, amire sűrgősen szükségem lenne, viszomlnt nem kapcsolt be, szétszedtem és a táp panelon egy kondi kiment. Viszont ilyenem nincs jelenleg. Ami eredetileg volt benne: 1500µF/10V Ami nekem van 1500µF/6,3V Vagy 2200µF/10V Ezek közül be szabadna rakni valamelyiket? Vagy mindenképp csak megegyező jó? Mert tönkretenni nem szeretném. Köszi a segítséget.
Helló! Valószínűleg puffer célt szolgált. 10V-nál lehet nagyobb, kisebb nem. az 1500µF jobb lenne, de ha tényleg puffer, és nem valami kritikus eleme a tápnak, mainek pont annyinak kell lennie (nem hiszem) akkor mehet bele a 2200µF is.
Helló!
-Mikrofon2 (mivel a hátlapi az 1.) bal oldala, -GND=test, -Mikrofon2 jobb oldala, -Valószínűleg jelzi, hogy be van-e dugva valami (DET=detect=érzékel), -Vonalszint jobb, -Front Audio_?? (nem tudom mi lehet a JD), -Vonalszint bal.
Sziasztok, 12v 60w tápegséghez milyen biztosító kell? (12v biztosíték kell)
Én úgy tudom a V mindegy, vagyis több lehet, kevesebb nem. Itt az amper számit. 60W:12V=5A Javítsatok ki ha hülyeséget irtam.
Ha meghaladja az 5A akkor ki old?
Fázisra kell kötni?
Az már döglött, csere. Az új, igen, lehet 3,3 V.
Most a 12 V-os vagy 230 V-os ágba kell? 12 V-on nincs fázis, hacsak önkényesen ki nem nevezed az egyik ágát annak. Nem, nem biztos, hogy 5 A terhelésre leold/kiég. Ez elsősorban a biztosító karakterisztikájától függ.
Illik nem a testre kötni, ha fázis alatt a + vagy a - tápágat érted. A másik, a biztosíték szinte csak tűz/panel olvadás ellen véd, elektromos hiba esetén maximum kárenyhítő hatása van, ami tönkre akar menni az tönkre megy.
Ok, köszi a segítséget. Sikerült megoldani ismerősnél, úgyhogy inkább holnap veszek egy pontosan belevalót és azt teszem bele. Remélem csak ennyi a gondja.
Klíma szenzor kérdésem lenne, és jobb híjján ide írom (nem találtam célirányos topic-ot). Barkács klíma vezérlést terveznék, és megbízható szenzorok kellenének hőmérséklet, páratartalom, környezeti gázok mérésére (a normális szenzor legyen meg a többivel elboldogulok). Aki csinált már hasonlót, és tapasztalta, melyik szenzor működik tényleg hitelesen az adott feladatra a gyári adatlapok alapján, egy tippet szívesen vennék. Vannak szenzorok nagyon olcsón, és nagyon drágán is, jó lenne eligazodnom közöttük. Bármilyen tippet köszönök.
Sziasztok.
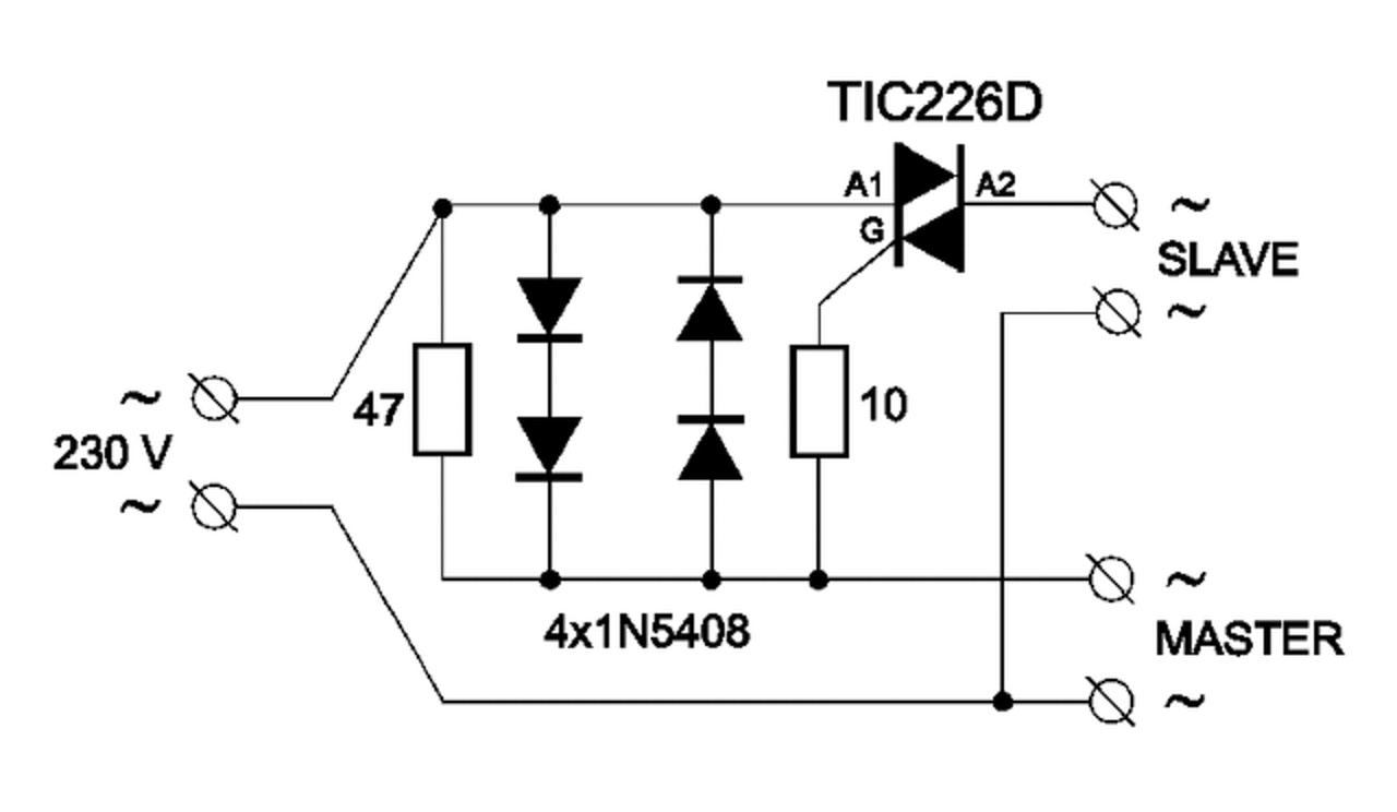
Segitséget szetetnék kérni,szerintetek melyik kapcsolás a jobb? Gondolom azt látjátok hogy mi ez,egy olyan kapcsolás konektorhoz amibe ha bedugunk egy porelszivót és pl mellé egy csiszoló gépet akkor a csiszológép inditásakor mindig inditani fogj a porelszivást. Remélem van aki tud ebbe segiteni mert birnia kellene egy 1800w os porszivót és melette egy egy gépt is ami max 1800w egy körfűrész személyében. köszönöm a segitségeket előre is.
Igazság szerint egyik sem (mindkettő megegyezik, csak az egyiken van némi szűrőtag is). Kell valamilyen késleltetés bekapcsoláskor, különben akkor fog indulni a porszívó is, amikor a körfűrész. Egyszerre pedig tuti, hogy annyi áramot vesznek fel induláskor a hálózatból, amit a kismegszakító már nem fog engedélyezni. Gondolom mobil gépekhez kell, helyszíni munkára.
A hozzászólás módosítva: Júl 14, 2015
Köszi válaszod,csakis itthoni munkára lesz,itthon pedig indul egyszerre a két gép,az a késleltetés amúgy nem hangzik rosszul csak nem tudom mennyire bonyolitaná meg az elkészitését egy kezdő számára.
Elvileg a 2. rajz lenne jó, viszont a diódák egy villanás alatt elmennének mindkét rajzon.
A master készülék árama azon folyik át állandóan, ami 1800 wattnál 8-9 amper.. Az 1N5408 is kevés ide. A triacra az RC tag kell, az nem szűrő, a kioltás miatt van. A 226D-t is kevesellem mind áramra, mind feszre.
Tehát igy sz@r mindkettő ahogy van?Az egyik kapcsolás működött egy illetőnél de maga is bevallota hogy a barátjával aki ért az ilyenekhez azzal csinálták és a diódákat izmosabbra cserélték.
Te ki tudnád javitani ezt az áramkört olyanra ami tuti birni fogja és jó lesz?Nem szeretnék olyannal bajlódani/megcsinálni ami ideig óráig tart.
Keress bele adatlap szerint olyan diódákat, amik bírják a 15 ampert legalább, esetleg kis hűtőn, akkor nem lesz meglepi. A triacot szintén hűteni kell - ez nem varrógép és BT139 -800 kell legalább.
Kondi min. 630 voltos, a 100 ohm lehet 47...68 is, 3-5 wattos. A hozzászólás módosítva: Júl 14, 2015
Rendben,köszi,akkor a másodikat csináljam meg csak BT 139-el és nagyobb diódákkal.A triakra rakok akkor egy kis hűtőbordát az legyen a legkevesbb.Légyszi nézzél már nekrm diódákat amik megfelelnének.köszi.
Tehát a kondi min 630 v os legyen és az ellenállás lehet kicsit kisebb 47-68 ohm os is de az se baj ha marad 100 ohm-os.
Inkább kisebb legyen az ellenállás, de a watt meglegyen.
Ha magamnak csinálnám, betennék 2 db KBU1001...1007 közül 2-t, ami van és örök életű lenne. Hűteni könnyű, mert műanyag házasok, akármihez lefogathatod, pasztázva. Remélem, bekötni be tudod, ellenpárhuzamosan, a váltó kivezetések maradnak üresen. Feszre nem érdekes, mert egyik "söntöli" a másikat. A hozzászólás módosítva: Júl 14, 2015
|
Bejelentkezés
Hirdetés |












