Fórum témák
» Több friss téma |
- Ez a felület kizárólag, az elektronikában kezdők kérdéseinek van fenntartva és nem elfelejtve, hogy hobbielektronika a fórumunk!
- Ami tehát azt jelenti, hogy a nagymama bevásárlását nem itt beszéljük meg, ill. ez nem üzenőfal! - Kerülendő az olyan kérdés, amit egy másik meglévő (több mint 17000 van), témában kellene kitárgyalni! - És végül büntetés terhe mellett kerülendő az MSN és egyéb szleng, a magyar helyesírás mellőzése, beleértve a mondateleji nagybetűket is!
Sziasztok.
Autó 14v-ról kellene 5v-t. Szerintetek feszültség osztóval oldjam meg?
Inkább ne. Áramfüggő, de a megoldás DC/DC konverter, és viszonylag olcsón beszerezhető mobil autós töltő, 5V/2,1 A -ig.
Az ellenállás osztónak az a legnagyobb baja, hogy sokat disszipál, és a bemeneti feszültsége 11 - 14 V között változik, ezért a kimeneti feszültsége sem lesz pontosan 5 V. A hozzászólás módosítva: Okt 12, 2016
Köszi az infót.
Igazad van,veszek pár 100ft-ért egy dc-dc konvertert és kész. Mondjuk itt se hiszem hogy teljesen stabilan be lehet állítani 5v-ot, de ez annyira nem is szükséges.
Mindenesetre 100 -szor stabilabb, mint egy feszültség osztó...
Sziasztok!
Az alábbi módon kellene bekötnöm két diódát. Melyik 1Nxxxx dióda alkalmas ide, ami elbírna ugyebár 12, de inkább 14V-t és olyan 10 A-t üzemszerűen? Így a kapcsolt 12V nem zavarná az autó (CAN-buszos) indexvezérlőjének reléjét, ami alapestben testre húzza az izzókat.
Egy 21W -os izzónak minek 10 A-es dióda? Elég oda 2-3 A is szerintem...
1N54xx sorozatból elég neked bármelyík szerintem...
Köszönöm a gyors választ!
Ugyebár egy autón egy oldalon 3 izzó van. 21W + 5W + 21W = 47W E szerint 3,35A az áram. Igazad van, nem kell a 10A-es dióda, de azért egy 5A-essel biztonságban érezném a technikát.
Ja én azt hittem, mindegyik izzóra külön akarsz rakni diódát.
Ezt is a HeStore -ból néztem ki, de akkor keress 5A -es típust helyette... A hozzászólás módosítva: Okt 12, 2016
Azt azért ne feletsük el, hogy az izzó hodegen sokkal nagyobb áramot vesz fel mint melegen. A névleges teljesitmény melegen értendő. Tehát ha lehet, méretezzük túl a diódát...
Rendben. 6A-es diódákat találtam hirtelen, amit be is tudok szerezni most.
Egyébként a HE Store keresője nagyon jó. Nem tudom, miért nem erre gondoltam először. Köszönöm a segítséget!
Ha elég 1A akkor lm2575-5 jó neked, ha nem, akkor lm2576-5 kell neked, előbbbu1, utóbbi 3A-t tud-persze megfelelő hűtéssel.
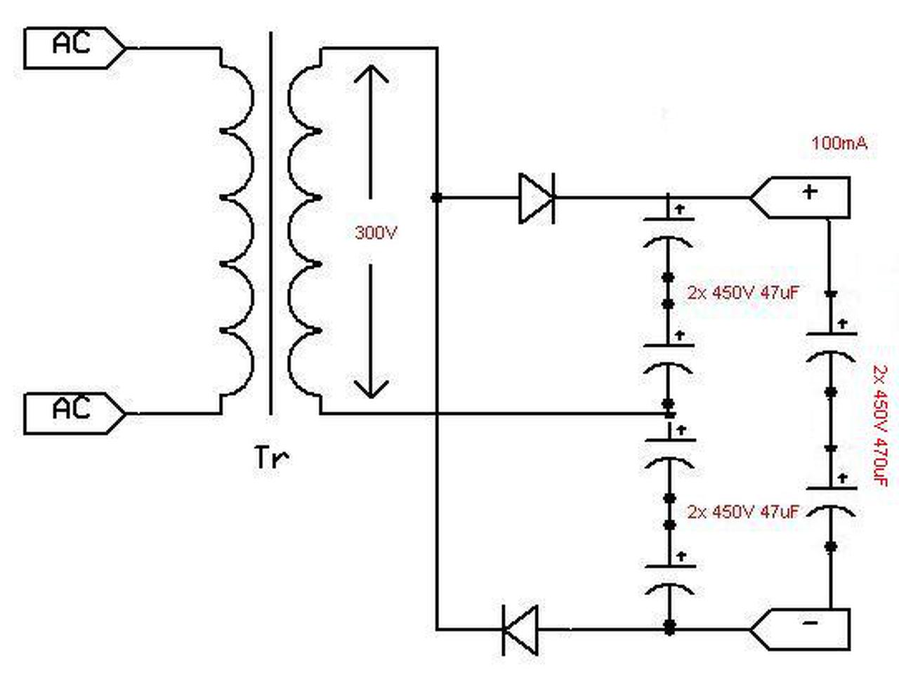
Szia. Köszönöm, hogy többen válaszoltatok. Lerajzoltam. Mégegyszer, elég lehet 47uF?
Reális a 800VDC a kimeneten? A hozzászólás módosítva: Okt 12, 2016
Egy elég érdekes kérdésem lenne. Hogyan lehetne egy glimmlámpát egy ledről (vagyis annak az áramával) "megvezérelni"?
Itt a két sorba kötött kondenzátor eredője: 47/2= 23,5 µF !
Sziasztok!
Szeretnék építeni egy fázishasításos teljesítményszabályozót, amivel fűtőszálat vezérelnék. Kell elé EMI filter, hogy ne küldjön zavarokat vissza a hálózatba? Illetve jó-e hozzá olyan szűrő is amiben nincs induktivitás? Mert a legtöbb nagyobb áramú szűrő hálózati feszültségre amiket találok "megfizethető" árban csak kondenzátorokat tartalmaz.
Egy glimm alapvetően pár mA fogyasztással már világít, viszont a gyújtási feszültsége 100 V feletti, míg egy LED 1-2 V-ról vígan működik (nagyságrendileg, sacc/kb. értékek).
Igazad van. A négy darab helyigényéből adódólag maximum 25mm átmérőjű elkó fér be. Szerinted mekkora kapacitásokkal kivitelezhető?
Fűtőszálat nem vezérelünk fázishasítással! A fűtőszálak nagy időállandóval (hőtehetetlenséggel) rendelkeznek, elég őket ki-be kapcsolgatni. Mivel jobbára ohmos terhelésként viselkednek egy nullátmenetnél kapcsoló optotriac vezérelte triac tökéletes megoldást ad és nem termel felesleges zajt.
Csak becslésként mondok egy módszert, fejben is elintézhető. A váltófesz értékéhez hozzáadod a felét (tulajdonképpen 1,41 -el szorozni kéne) megkapod a csúcsértékét, ha ezt megszorzod kettővel, akkor az ugye 900 V Tehát a 800 V reális lehet. Ha pontosan akarod, akkor ki kell számolni.
A két kondi nem sorban van, mert a közös pontjuk földön van. Sorban akkor lenne, ha a közös pontot nem kötöd sehova. Ez a kapcsolás minden látszat ellenére két külön egyenirányító, aminél az egyenirányított egyenfeszültség van sorbakötve. Mivel egyutas egyenirányításról van szó, elég nagy lesz a brum feszültség, úgyhogy minél nagyobb kapacitású, megfelelő feszültségű pufferkondit használj. A trafó feszültségét egyszer egyutasan egyenirányítod úgy, hogy pozitív egyenfeszültséget, és egyszer úgy, hogy negatív egyenfeszültséget kapjál. A trafó másik végének földre kötése automatikusan adja az egyutasan egyenirányított feszültségek sorbakapcsolását. A hozzászólás módosítva: Okt 12, 2016
2 db 100 µF sorba kapcsolása 50 µF eredőt ad.
A 2 darab 47 µF miért nincs sorba kötve?
Ledről meghajtasz egy tranzisztort, és azzal kapcsolod glimmet.
Már miért is lenne? A hozzászólásomban leírtam. A közös pontjuk földön van. Akkor lennének sorban, ha a közös pontjuk nem csatlakozna sehova.
Sorba kötött elektrolit kondenzátoroknál kell használni mindegyikkel párhuzamos azonos (nagy) értékű ellenállást, mert enélkül a feszültség egyenlőtlenül oszlana meg, a kisebb kapacitásúra nagyobb feszültség jut. (két teljesen azonos alkatrész pedig nemigen van) A hozzászólás módosítva: Okt 12, 2016
Pucuka; VArgaF. Akkor most mivan. Én sem értettem, ezért kérdeztem. Egyszerűnek tűnik, de nekem mégis bonyolult.
Hogyan vannak kötve a képen a két alsó és a két felső kondenzátor?
Az valóban sorban van, én az előző képet néztem, ahol csak két, és nem négy (ill öt) kondenzátor volt.
Így viszont szükséges a sorbakötött kondikkal a párhuzamos ellenállás. A hozzászólás módosítva: Okt 12, 2016
Módositottad a hozzászólásod. Igymár értem. Életembe most csinálok másodszor így anódfeszt. Elsőnek igaz egy ECL volt, de zajtalan. Mostsem próbáltam még, csak ültetem a nyákot. Elrontottam a tervezésnél. Sokkal nagyobb kondiból van még több darab, de azmár nemfér be. SAjnos.
Akkor elég 4 darab 100µF erre az áramra?
220k? A hozzászólás módosítva: Okt 12, 2016
Akkor be kellene szerezned nagyobb feszültségű típust, mondjuk 500 V -osat.
220 k - 1 M között minden jó Csöves egyenirányítóknál nem ritka a 60 µF -os pufferkondi korlát. A végfok amúgy sem kényes a szűrésre a nagy jelszint miatt, a többi fokozat pedig aműgy is további szűrés után kapja a tápfeszt. A hozzászólás módosítva: Okt 12, 2016
|
Bejelentkezés
Hirdetés |













