Fórum témák
» Több friss téma |
Logikusnak tűnik a gombot egy relével zárni, de mint írtam lehet, hogy nem fog ìgy menni. Gallz megoldása lehet, hogy működőképesebb a gyakorlatban. Feszültségcsökentésre elég sok módszer van, mekkora feszültség kell?
Ha nagyon precízkedni akarsz, akkor egy 3,6V-os zener egy előtétellenállással, és sorba nyitóirányba még egy sima dióda, meg egy pufferkondi + 100nF.
De a saját eleméről is mehet, csak megszakítod a tápját egy relén keresztül és azt kapcsolja a kaputelefon, persze a gombot is rövidre kell zárni. Ezt nem lehet elrontani...
Például itt van egy fix 3V-os stabilizátor: TS2950CT-3.0_Bővebben: Link
Ha ezt bekötöd, akkor jó is lehet, de ha az elemet nem kell amúgy gyakran cserélni, akkor Ihnouse megoldása meg lehet egyszerűbb...
Belenéztem a "nyomógomb" hasába. A nyomógomb az elemesben is csak a tápot adja. Legalábbis az enyémben, de gondolom másikaknál is így működik az elem spórolás.
Régen mintha lett volna olyan távirányító, ahol a standard 4 lábú gomb mindkét független érintkezőjével mást kapcsoltak.
Az biztos, hogy sok cucc nem szereti, ha egy cm vezetékkel is ki van vezetve a gomb...
Ha a tápot kapcsolja, akkor mindegynek kéne lenni. Legfeljebb a panel csatlakozására rátenni egy 10 nF kondit, utána már mindegy milyen hosszú a vezeték. Az is igaz, hogy az antennának két fele van, az egyik a beépített antenna, a másik fele, az "ellensúly" maga az áramkör. Ha ezt az ellensúlyt megváltoztatod, az antenna is elhangolódik.
Valószínűleg ez lehet a probléma oka. De nem mindnél ilyen érzékeny a cucc. Mint írtam, pont egy Somogyis egészen jól átalakítható volt, motorriasztó pager készült belőle bérházba.
Megvettem. Hogy kössem be a stabilizátort? Köszi!
Szia!
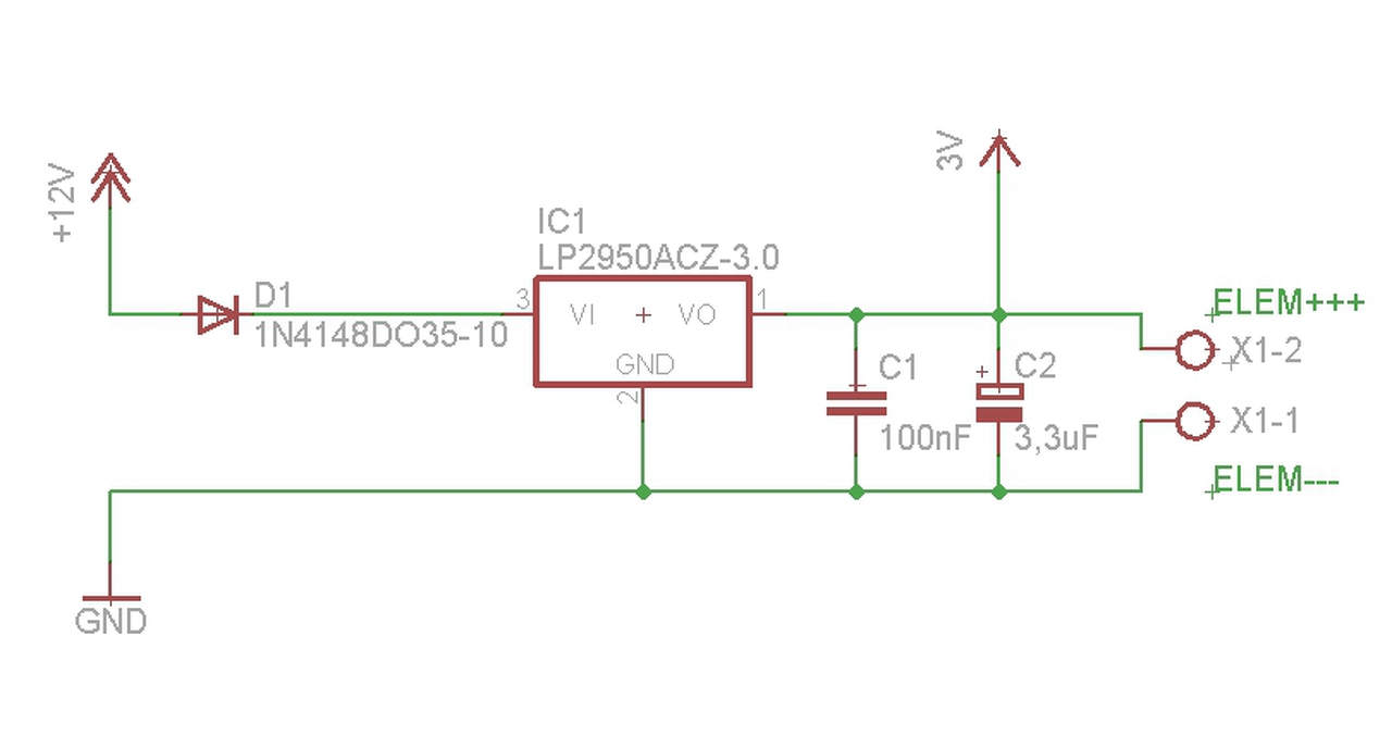
Ez egyszerű, egy dolog van, amire figyelni kell, hogy az adatlapon: adatlap: LP2950ACZ-3.0_Bővebben: Link a 2. oldal legtetején lévő rajz alapján beazonosítsd, hogy melyik láb melyik! Egy dologra kell nagyon odafigyelni, hogy az ott lévő RAJZ, ahogy a felirat is mondja, az ALULNÉZETI képet ábrázolja! Tehát, megfogod a kezedbe a tokot, és a rajz alapján megkeresed a kimeneti lábat -ide kötöd a készüléked elemcsatlakozójának a POZITÍV sarkát Ezután megkeresed a GND lábat (ez a középső), és ezt az elemtartó NEGATÍV sarkához kötöd. Ezzel a kimeneti oldal kész. Ezután a stabilizátor bemeneti oldalát kell bekötni. A bemeneti lábra ráforrasztod a 12V-os (vagy egyéb >3V) tápodat, és a táp negatív oldalát a GND-hez szintén, ami az elemtartó negatív oldalához is ment, ugyanis a GND közös. És ennyi, ezzel kész is vagy esetleg a kimenetre (kimenet és a GND közé) lehet tenni 100nF kerámiakondit, esetleg kis 1-2-3mikrós elkót, bár ezek lehet a készülékedben már beépítve ott vannak...Amire figyelj még, hogy esetleg ha hosszabb lábat hagysz a stabilizátornak a beépítéskor, esetleg kis zsugorcsövet, vagy valamit húzz rá, hogy beépített állapotban ha esetleg valamitől elhajlana, nehogy zárlatot csináljon valamivel... legfőképpen a bemenettel, tehát valahogy úgy próbáld meg megcsinálni, hogy a bemeneti 12V biztosan csak a bemeneti lábhoz tudjon hozzáérni, semmi máshoz az áramkörben... Sok sikert! ![]() mod: a bemenet elszigeteléséhez talán az a legjobb megoldás, ha előre egy zsugorcsövet húzol a bemenő 12V-os drótra, akkora darabot, ami a stabilizátor teljes lábát, és a tápvezetékből lecsupaszolt teljes hosszat lefedi, és ha kész vagy, rámelegíted, így talán a legbiztosabb, hogy a 12V-os táp nem ér a 3V-os áramkörön belül, így légszerelten sem semmihez... A hozzászólás módosítva: Ápr 29, 2015
Még egy dolog, ami esetleg jól jöhet, főleg, ha most még előfordulhat, hogy próbálgatáshoz többször szétszeded, aztán újra összerakod a "rendszert", hogy a bemeneti lábbal sorosan egy diódát forrassz be (pl 1N4148 vagy 1N400x), mert így, ha esetleg a tápod olyan, hogy a vezetéket véletlenül meg lehet cserélni a kimenetén, akkor egy fordított bekötéssel tönkreteheted a csengőt...
Ha ott a dióda, akkor viszont ilyenkor nem folyik áram a csengő felé, így azt veszed észre csak, hogy nem működik, viszont a csere után újra hibátlanul megy ha nincs ott a dióda, akkor lehet le is füstölt az egész, amire észreveszed, hogy fordított tápot kapott... (hacsak nem esetleg a csengőbe eleve van beépítve védődióda...) A hozzászólás módosítva: Ápr 29, 2015
Tehát rajzban, valahogy így néz ki (melléklet), a kondik persze nem kötelezőek, viszont, ha be akarod őket rakni, akkor a rajz szerinti helyre kell bekötni őket...
A gombot meg a teljes megoldáshoz persze rövidre kell rázni, valami vékony dróttal, próbaképp meg lehet nézni azt is, hogy legelőször a gombot zárod csak rövidre, és kipróbálod, hogyha így kiveszed az elemet, és újra beteszed, akkor rögtön elkezd-e csengetni...
Elnézést, hogy ennyi idő után reagálok, nagyon köszönöm a kimerítő, részletes leírásokat. Most volt időm kipróbálni, sajnos azzal a megoldással nem megy a dolog, hogy csak az elemet illesztem az elemtartóba. Tehát ez nem kapcsolja a csengőt.
Csak akkor szólal meg, ha a kis gombot megnyomom. Ennek fényében tudom használni a LP2950-t? Vagy az csak az elemes megoldásnál lett volna jó?
Szia! Azt a részt akkor figyelmen kívül hagytad szerintem az írásomból, hogy:
Idézet: „legelőször a gombot zárod csak rövidre, és kipróbálod, hogyha így kiveszed az elemet, és újra beteszed, akkor rögtön elkezd-e csengetni...” Vagyis a rövidre zárod részt... Az azt "szimulálná", hogy a gomb folyamatosan meg van nyomva... Attól, hogyha tápot kap valószínű azért, hogy nem kéne csengetnie ![]() Ami a lényeg lenne, hogy ki kéne próbálni az az, hogyha a gomb folyamatosan nyomva van tartva (avagy a panelen egy kis vezetékkel rövidre van zárva az a két pont, amit a gomb a megnyomásakor rövidrezár, mert ugye ha ez be van kötve nem lesz senki bezárva a csengő dobozába, azzal a felkiáltással, hogy "te itt maradsz és nyomod a gombot" tehát ezt egy kis darab dróttal kell megoldani) és így ha tápot kap, akkor csenget-e...Vagy esetleg ilyenkor, ha tápot kap nem csenget, hanem csak akkor, hogyha felengeded a gombot, és újra megnyomod? Mert utóbbi esetben van az, hogy akkor valami mást kell kitalálni...
Köszi, az valóban elkerülte a figyelmemet, sorry.
![]() Hamarosan megnézem a dolgot, csak most már mindenki alszik.
Sziasztok!
Adott egy Ilyen típusú csengő ! 100m hatótáv van ráírva. 12v-os elemmel működik. A vevő meg konnektoros. Na nekem kb. csak 10m.-ig működik. Hogyan lehetne a jelerősségét megnövelni? Egy sima meghajlított vastagabb rézdrót az antennája. Kb. 30m-ig kellene nekem. Van valakinek valami épkézláb ötlete?
Mivel ez ránézésre nem a legolcsóbb kínai adó (felépítésre), így az elhangolódás esélye csekély (és a vevô is igényesebb ezeknél).
Vagy valami a közelben zavarjelet sugároz (vidd el egy haverhoz hogy nála mûködik-e, ha igen akkor meg kell szüntetned a felhasználási helyen a zavarforrást, ami lehet egy hômérô vagy hasonló), vagy gyári hibás (akkor garanciálisan cserélteted). Feltételezzük az elemet megmérted az adóban, és az jó. A hozzászólás módosítva: Dec 13, 2015
Szia! Hol használod az adó részét és milyen fedéllel van ellátva? A vevő rész mennyire van vasbeton szerkezeti vagy térhálós fémrács árnyékolásának?
Igen ez német termék. Nem gagyi. Egy acél ajtó előtt van, de ha nyitva volt az ajtó akkor sem ment. Most egy másik ilyen csengő antennáját ami csavart ráforrasztottam ezek mellé és úgynézki most jó. Meglátjuk pár nap múlva...
Lehet most zöldséget mondok, de próbáld meg árnyékolt vezetékkel felvinni az antenna jelet a kapu tetejére, mint ahogyan a távvezérelt kapu nyitóknál is szokták ezt tenni hatótáv növelés céljából. Lehet, hogy csak a kapu másik oldalára kellene átvinni az antenna jelét, ahhoz pedig rövid árnyékolt vezeték is elég volna. Ez persze csak ötlet. Nekem egy alulemezes esővédő dobozka levette a hatótávot néhány méterre.
Ennek a készüléknek az antennája egyben a kollektor kör rezgőkörének a tekercse. Ha ráforrasztással változott, akkor talán csak az elhangolódás a probléma. Ez megtörténhet fémtárgy közelsége miatt is. A jobb felső sarkban az Ant1 mellett látható egy trimmer kondenzátor, avval óvatosan megpróbálhatnád hangolni.
Egy irányított antenna félén gondolkozok. Van ötletetek rá?
Nem nagyon kéne sztem eltekerni, mert az életben nem állítom vissza. Vagy nyugodtan próbálkozzak?
És mivel lehet bemérni a jel erősségét?
Ha másik antennát forrasztok rá azzal elkúrom nem? Valami irányított antenna kéne nekem.
Nem kapu, valamiért átrakták ide a topicomat, holott nem kapucsengő. Sima ajtócsengő panel házban, csak rács van a folyosó elején. De a rácson belül van a csengő...
Funkcióját tekintve, a Tied is kapucsengő. Annyival rosszabb helyzetben, hogy míg egy kapucsengő és a vevője között viszonylag szabad tér van, nálad viszont nem. A rádióhullámok meg valamiért "szeretnek" szabad térben, akadálytalanul terjedni.
Külső antennát pedig ha nincs gyárilag lehetőség rá, meglehetősen problematikus rákapcsolni, egyszerű ráforrasztással csak elrontani lehet még jobban. A problémádon valószínűleg egy irányított antenna sem fog segíteni, ha mindez beltérben egy ajtó mögött van. Ha a bejárati ajtó nem valami hiper szuper biztonsági fém ajtó, javíthatsz a helyzeten, ha a vevőt az ajtó közelében szereled fel.
Amúgy full fém az ajtó de amikor nyitva volt sem javult a helyzet.
Egy dolog még eszembejutott, hogy mellette van a hűtő 10 centire, ugyan nem az adó irányában, de talán zavarhatja. Ezt még letesztelem este...
Ne az antennát próbáld odább vinni, hanem a komplett elektronikát, és csak a kapcsolót (ami a tápfeszültséget kapcsolja amúgy) vidd egy kommersz kapcsolóra. Így nem hangolod el az adókört, de nem zavarja a nagy fémtárgy sem.
|
Bejelentkezés
Hirdetés |





esetleg a kimenetre (kimenet és a GND közé) lehet tenni 100nF kerámiakondit, esetleg kis 1-2-3mikrós elkót, bár ezek lehet a készülékedben már beépítve ott vannak...
tehát ezt egy kis darab dróttal kell megoldani) és így ha tápot kap, akkor csenget-e...






