Fórum témák
» Több friss téma |
Helló Zsozsóó!
Köszi a választ, igen, többen is hangszóróvédőt javasoltak. Ha csinálnál nekem egy ilyet, nagyon megköszönném! A Vaterán láttam párat, de azok sztereók, nekem egyenlőre egy mono is jó lenne. Megmondod, mennyi lesz a "vége", a többit akkor privben megbeszéljük. /genius89 kukac citromail pötty hu/ Mégegyszer köszi: Várnai Ferenc
Sziasztok!
Nem tudom, felvetődött-e már a kérdés, engem régóta foglalkoztat.... Ha ismeritek Bikki János: Ujjgyakorlatok hangfrekvenciás kapcsolásokon című '80-as évek közepe tájáról származó könyvét, no abban van egy komplett gitárerősítő (ill. előerősítő) kapcsolás. Kérdésem, hogy van esetleg köztetek, aki foglalkozott ezzel, ill. megépítette? Ha igen, mik a tapasztalatok vele. Kissé fura felépítésű, ezért is érdekelne (amiket eddig csináltam, azok más filozófiát követtek). Érzésem szerint van sajtóhiba is abban a rajzban, szerintem így nem egészen OK, ezért is a felvetés. Előre is köszönök minden választ, üdv.: Peti
Tedd be a kapcsolási rajzot, mert könyv nem mindenkinek (senkinek?) van meg.
Khm... Nevem Senki...
A hozzászólás módosítva: Dec 10, 2015
Nagy siker volt. Én meg nem mondom, mit nem talált 'patentnak' a rajzban, de jönnek hozzáértők, és megmondják a 'frankót'.
Nem néztem át tüzetesen, de az A8 körében kapásból furcsa dolgok vannak... A spirál zengetőről elmenő jel pl. nem megy sehova, csak egy változtatható ellenállásnak bekötött potira, ami söntöli a jelet GND felé.
A hozzászólás módosítva: Dec 10, 2015
Hm, igen, a reverb így nem sokat csinál, a P12 csúszkájának valahova A8 bemenetére kéne mennie, valahogy keverőként, hogy lehessen állítani a zengetés szintjét, keverni a natúr jellel.
De "illene" a zengetőről is közvetlen egy erősítővel levenni a jelet, és azután keverni. Szerintem nem éri meg ez a kapcsolás a munkát, meg az elpocsékolt forrasztóónt. Vannak jól bevált kapcsolások, egy olyan tudású, amilyet ez ígér, még csövekkel se bonyolult, és legalább jól is szólna.
Igaz-igaz, elnézést, valóban mellékelnem kellett volna a kapcsirajzot is (én is beszkenneltem végül, de már minek:o)...
Szóval....köszönöm a hozzászólásokat. Mostanában utánaolvasgatva, érte azért kritika a Bikki-könyvet, hogy volt benne jópár elírás/hiba. Ha jól emlékszem pl. az STK077-es végfok rajzánál nem stimmel a Gratz-híd "állása", néhol hiányosak a rajzok feliratai (alkatrészek típusa pl.), meg igen, a gitárerősítőnél sem értek pár dolgot - ezért kértem nálam okosabb emberek segítségét - meglátásait. Számomra, akinek tizenéves korában ezek a könyvek jelentették a hobbi elektronikát (talán még a Sipos-féle Rádiós-erősítős könyv volt, és az Elektronikai receptek...meg a Rádiótechnikák és slussz...), szóval elég kiábrándító, hogy ezek a könyvek ennyire túlhaladottak legyenek. Oké, ma már tele a Net ilyen dolgokkal, de engem azért valamiért foglakoztat ez a kapcsolás. No igen, a rugós zengetőnél látom én is butaságnak a P12 bekötését (mindkét fele a földön?), illetve magának az erőlködőnek a filozófiája nem világos.... Eddig amolyan "lineáris" felépítésű kapcsolásokat csináltam meg mint pl. a Marshall MG15-é, bejön a jel, aztán vagy clean vagy rá az overdrive-ra, aztán 2-3-sávos hangszín, opcionális spring-reverb mellékút, meg line-in hozzákeverési lehetőség, kavics egyszerű ICs végfok (TDA 20x0), ennyi. Itt valahogy másmilyen az elv, keverőkkel akar mindent megoldani. Van ugye 2 eltérő szintű bemenet (akkor már miért nem keverhetők ezek is?), bemeneti fokozat, majd 3 sávos EQ, közép parametriával?, ez így mondjuk nem lenne eddig rossz. A szűrők kimenetei keverőre mennek, meg ehhez jön hozzá a torzítóból jövő jel is (?), ez viszont már érdekes. Olyan, mintha kicsatolná a bemenetről a jelet egy torzító fokozatra (ill, a magas szűrőről?), hogy aztán hozzákeverje a hangszínszabályzókról összegzettel...???? Még ha az egyik bemente lenne a Clean a másik a Lead csatorna (ez menne a torzítóra), de akkor meg a torzított jel nem halad át az EQn. Nagyon furcsa, nem tudom ez így hogyan szólhat. Összekeveredik az EQ-zott tiszta jel meg a torzított? Jól értem én ezt? Amúgy a torzító megoldása érdekes (számomra legalábbis, lehet ki kéne külön is próbálni), mert 2 tranyót és hat diódát tartalmaz (én 1-1 vagy max. 2-2 szembekapcsolttal találkoztam eddig), ez nagyot vághat elméletileg. Mi lehet itt a tranyók ill. a diódák típusa? Talán utóbbira jó az 1N4148 a és mondjuk BC107-557 pár? Aztán a Reverb....oké hogy egyszerű IC-s végfok (386-tal meghajtva), de nem látok komolyabb vevő-részt sem és ott ugye egyáltalán hova keveredik vissza a zengetett jel az eredetihez, tuti rossz helyre rajzolták a poti egyik végét. További aggályom, hogy elvileg két 4-es TL074-nel meg a 386-tal megoldható lenne az egész kapcsolás, de vajon nem lenne-e jobb szimpla 071-ekből megcsinálni (áthallások, hagminőség, stb. végett)? – így max. a tápfeszt kellene több helyre elvinni…. Hirtelen ezek vetődtek fel bennem, várom a további ötleteiteket, észrevételeket, érdemes-e vajon ezzel ezeknek a tükrében foglalkozni. Tulajdonképpen egy más jellegű hangzást/megszólalást keresek illetve várok ettől a konstrukciótól, ezért az egyért érdekelne csak…
Hahó, köszönöm, ezt így kellett volna nekem is beillesztenem, tök jó...
Kezdőként sokat forgattam azokat a könyveket, de kevés sikerélményt adtak, pont az ilyen hibák miatt. Aki régóta foglalkozik vele, észrevesz egy elkötést, mondjuk ez a poti nyilvánvaló, de pl. ha egy osztó rosszul van megcsinálva, vagy felcserélve a műv.erősítő két bemenete, attól még szólni fog, csak nem úgy, ahogy kéne. Szóval inkább emléknek, asztalláb alá, vagy gyújtósnak jók..
Inkább a Hood könyvet ajánlom, vagy az Ágoston félét, vagy angolul a Morgan Jones-okat.
Hello, most azért betetted ezzel a bogarat a fülembe...
Őszinte leszek: nekem a csöves egyelőre "medzsik", értem én hogy mit és hogy csinál, de száz-nemtudoménhány voltok, meg fűtés, meg kimono trafó....ehhhhh. Majd talán egyszer, ha less időm jól megérteni-kipróbálni... Addig is félvezető. ICs dolgokat már csinálgattam (TL-es előfokok, hangszínek, etc.), meg TDA-s végfokok...talán egy ősrégi STK077 is, de az is ma már túlhaladott, TDA2050 vagy ha jobb kell esetleg 30W-ig az LM1875... Ami érdekelne, tranzisztoros, vagy még inkább FET-es előfok-végfok. Előfokban azt hallottam, hogy FET-tel, megközelíthető (?) a csövek szaturációja (megintcsak ?), ha esetleg megcáfolnátok, vagy volna valami ilyesmi kapcsolás. Végfokokból 1-gyel jobb a helyzet, bár ott sem mennék nagyon 50-60W fölé, minek egy kombóhoz. Hmmmm.
Köszönöm szépen a tippeket, utána fogok nézni ezeknek!
Elgondolkodtató, amiket írsz - érdekes, hogy zöldfülüként a '80-as években ezekből a könyvekből sikerült az első sikerélménynek nevezhető működő egyszerű áramköröket összehozni, és "Nagy Fehér Hittérítő"-ként tekintettem ezek íróira... Aztán valóban, később - pedig egyre jobban kellett volna menni a dolgoknak - mégsem muzsikált sok kapcsolás úgy, ahogyan azt vártam volna....lehet, pont ezekért. Modjuk az vesse rank az első követ, aki a '70-es '80-as évek cucilizmusában akkoriban ezektől különb (nyugati?) kapcsolásokat tudott mutatni (még sokszor alkatrész nem volt rendesen, ha a rajz meg is lett valahogy.... emlékszem mikor közelharcot vívtunk egy-egy TDA2030-ért, ma meg pár száz Ft, utánadvágják....) Szóval megnézem az általad ajánlott irodalmat, köszi!
Tudom, kicsit sárga, kicsit savanyú, stb...
De ilyen könyveket ennyi hibával kiadni... Gondolom papíron ledokumentálták, aztán valaki nyomdai formára hozta, aki talán nem is értett a kapcsolási rajzokhoz. Mielőtt kiadták volna, meg kellett volna építeniük újra mindent a könyv alapján, vagy legalább nagyon-nagyon átnézni. Építettem én is sokmindent, ami működött, úgy-ahogy, meg volt amikor nagyon jól, de sok bukta is volt, utólag már látom, hogy lehet, hogy jó része nem is az én hibámból. A csöves nem atomfizika, két 230/6V-os trafó a 6V-os részeivel egymásnak fordítva, és megvan a fűtésed, anódfeszed egy előfokhoz, lehet játszani vele. Kicsit oda kell figyelni, mit taperol az ember, ennyi. Érdemes előfokkal kezdeni, végfoknak kezdetben jó a FET-es is, TDA vagy STK cucc is. Ha már jól megy az előfok, akkor lehet összedobni hozzá egy csöves véget, külön az se bonyolult. Vagy akár egy videoton rádiót szétbontva megvan a hálótrafód, kimenőd, veszel hozzá rendes kerámia foglalatokat, pár ecc83-at vagy 6n2p-t, meg egy 6p6sz-t végfoknak és lehet egy 5W-osod. (ami inkább 3, de azért jól szól. )
Én is ezeken a könyveken nőttem fel, akkoriban más nem volt. Internet sem... Úgy kellett vadászni a könyvesboltokban az elektronikai könyveket, mert ahogy megérkezett, el is kapkodták...
Visszatérve a rajzra: Idézet: Attól, hogy nem ugyanarra a bemenetre megy a két jel, még keverve vannak. Viszont kérdéses, hogy tényleg az -e a nagyjelű bemenet, amire ráírták? A kisjelűvel sorban ott van egy 470k...„Van ugye 2 eltérő szintű bemenet (akkor már miért nem keverhetők ezek is?)” Idézet: Igen, úgy oldotta meg a tervező, hogy a szűrők kimenetei egy összegző erősítőre mennek, és szintén oda van becsatlakozva a torzított jelútból jövő jel. Elég bonyolult lett a szűrő fokozat, van jóval egyszerűbb is.„A szűrők kimenetei keverőre mennek, meg ehhez jön hozzá a torzítóból jövő jel is (?), ez viszont már érdekes.” Idézet: Igen, ezek szerint itt az a koncepció, hogy az összegző erősítőbe bemegy minden. Vagyis, ha torzítózni szeretnél, tekerd le a hangszíneket. Ebből látszik, hogy a kapcsolás tervezője messze állt a gyakorlattól. Ez így nem életszerű és nehezen használható. Kapcsolóval válthatóvá kellett volna tenni a torz és a direkt jelet. A kapcsolás kiagyalója ráadásul nem gondolt arra sem, hogy esetleg a torzított jelet is kellene hangszinelni, ezért csak a direkt jelútba tervezett hangszín kört. Még egy rossz pont....„Összekeveredik az EQ-zott tiszta jel meg a torzított?” Idézet: Igen, pontosan. "Érdekes" hangja lehet, mikor a magas szűrőről hajtja a torzítót... De a K1 a normál/torz kapcsoló, úgyhogy a dolog még érdekesebb ezáltal, mivel elvileg a magas szűrő kimenetéről hajtva torzít (a leírás és az előlap terv alapján), amúgy meg nem...„Olyan, mintha kicsatolná a bemenetről a jelet egy torzító fokozatra (ill, a magas szűrőről?)...” Idézet: Igen, ezt érdemes lenne külön kipróbálni. A tranzisztorok nem jelútban vannak, csak referencia feszültséget szolgáltatnak a diódás vágóhoz, úgyhogy a típusuk nem kritikus. Diódát meg ki lehet próbálni több fajtát. Valószínű, hogy Si diódákat szántak bele.„Amúgy a torzító megoldása érdekes ...” Idézet: Most javítok egy Fender kombót (Roc Pro 1000), abban nem is végfok, hanem egy "mezei" 072 hajtja a zengetőt (rajz részlet mellékelve). Viszont a kitárgyalt rajzról hiányzik tényleg egy fokozat a zengető kimenetéről kapott jel fogadásához. Egyből megy (menne) a jel a keverő fokozatba.„Aztán a Reverb....oké hogy egyszerű IC-s végfok (386-tal meghajtva)...” De.. a most pont nálam lévő kombó hibáját alapul véve, lehet, hogy ez a jobb megoldás. A nálam lévő Fendernek ugyanis nagyon brummos a zengetője. A doboz alján lévő rúgós zengető kimenete egy hosszú, vékony árnyékolt kábellel megy fel a panelra. A jel egy kb. 300 -szoros erősítésű fokozatra megy, aminek a kimenetén a rajz szerint 10mV körüli jel van (minimum). Szóval, nagyon nagy az érzékenysége és összeszedi a brummot. Gyanítom, hogy azért kell ekkorát erősíteni, mert a 072 jobban nem tudja meghajtani a zengetőt. A fentebb kivesézett rajzon viszont a 386 valószínűleg jobban meghajtja a zengetőt, úgyhogy nem kell akkorát erősíteni a kapott jelen. Kisebb zaj, kevesebb brumm... Vannak ettől jobb, bevált, sikerrel utánépített kapcsolások, inkább olyat válassz szerintem. A hozzászólás módosítva: Dec 11, 2015
Oké, meg vagyok győzve nagyjából....
Már meg is rendeltem a "Csöves és tranzisztoros hangerősítők"-et, valamint mindkét Ágoston Lajos audiofil erősítős könyvet... a Morga Jones-féle csöves csodák az meg majd külföldről - hátha. Csöves cuccot már javítgattam, lehet nem is olyan mágia. A trafóktól tartottam főleg. Lehet, kéne egy jó kis tekercselőgép hozzá, és meg lehetne mindent pontosan csinálni. Vagy, ahogy írtad, bontottból dolgozni kezdetben. 12AX7-et meg ECC83-at pl. tudok szerezni, esetleg oroszt is. Most elsősorban az előfokok érdekelnének, a híres-neves "csöves, meleg, szaturált" gitárhangzás. Mint már utaltam rá, láttam hasonló dolgok megvalósítására kísérletet FET-alapon is, nem tudom tudja-e hozni bárhogyan is ezt a fajta hangzást a félvezető. És igen, úgy hírlik pár wattal (egy jó, érzékeny hangszóróval) már elég nagyot szól egy csöves végfok.
A félvezetős is nagyot szól pár wattal. A hangszóró a bevezetett villamos energiát mozgási energiává alakítja, aztán abból lesz a hangnyomás. Hogy ezt az energiát félvezető vagy elektroncső, ne adj isten gőzgép adja, arról a hangszórónak lövése sincs. Amiben a csöves más, hogy általában nagyobb kimeneti ellenállásról hajtja a hangszórót, így az jobban együtt él az erősítővel, meg a torzítása nem hirtelen szökik ez egekbe, hanem jóval lágyabban, ez pl a félvezetősök esetében az általában irtózatosan nagy negatív visszacsatolásnak tudható be. Magyarán ha olyan félvezetős véget faragsz, ami relatív kevés alkatrészből- egyszerű kapcsolástechnikával- minimális vagy semennyi átfogó visszacsatolásból áll, kihasználva az alkatrészek torzítását a megfelelő munkaponton járatva a fokozatokat, relatív nagy kimeneti ellenállással, ami nem csak ebben nyilvánul meg, hanem visszahat az egész cuccra, a munkapontot és a torzítást is variálva akkor eljutsz oda, hogy nem csöves cuccod lesz, de egy irtó izgalmas átmenet a félvezetős és a csöves között. Ha most nem a házammal lennék elfoglalva, már menne nagyban is egy ilyen ,egyelőre csak egy 1-2W os teszt állapotban leledzik...Talán tavasszal meg tudom majd mutatni Nektek. De pl a Peavey Banditok végfokozatában is van egy könnyen utánépíthető egész jó ötlet, ott diódákkal meg műveleti erősítőkkel modelleznek torzítást és azt vonják be egy végfok visszacsatoló körébe. Azért nem tetszik csak, mert szerintem ahhoz képest bonyolult, de pl egy egyszerű TDA vagy LM végfok IC-vel is működne a dolog kisebb teljesítményeken, ha valakinek van kedve kísérletezni és akkor nem kell diszkrét végfokot építeni...vagy ha már csöves, akkor egy kettőstriódával pl a Randall ötlete sem rossz, földelt katódos - katódkövető - mosfetes(jópár mosfet, nehogy ne legyen elég az a pár száz W) komplementer source követő, a source követőknek DC szervo, esetleg egy minimális átfogó negatív visszacsatolás a triódára és kész a faék egyszerűségű hibrid végfokozat. A tápfesz variálásával meg a mosfetekkel tetszőleges teljesítmény kinyerhető. Akár a triódákból long tailes fázis fordítót is lehet csinálni és úgy a mosfetekre, ott max a bias belövése lehet kcisit kellemetlen, de arra is könnyen ki lehet találni valamit...a lehetőségek szerintem határtalanok! Szép napot mindenkinek! Zs.
A hozzászólás módosítva: Dec 12, 2015
Ha eddig abban a hitben ringattam magam, hogy konyítok az erőlködőkhöz, hát most feladtad a leckét...itt olyan részleteket feszegetsz, ami erősen túlmutat a szintemen. Remélem, ha kiépítkezted magad (mint idén én is...
közkinccsé tehetsz egy-két kapcsolástechnikai trükköt, meg általad megfejtett gyári megoldást.... Bevallom, én csak alap szintű cuccokat veséztem eddig ki (pl. Marshall MG15R vagy Fender Frontman 15, meg a saját Hohner 50W-osomat). A belépő szintet már megépítettem, ezt hívom én ICs-nek. Tehát pl. TL071, NE5532 stb.-ből előfok, hangszínek, torzító, és szintén ICs (TDA vagy LM, esetleg STK) végfok. Korrekt, gyakorolni a gyereknek jó, de semmi izgalom. A koreai Hohner-em már tranyós a '90-es évek elejéről való, eggyel komolyabb és nagyot is szól, de kéri a multieffektet maga elé... Most nézegettem Peavey Bandit-ot meg Studio Pro-t, számomra ezek voltak a félvezetős megfizethető kombók krémje (csőszimulációra irányuló megoldások pl.). Érdekel továbbra is a FET-es vonal, talán még mindig kevesebb macera, mint a cső. De mint írtam - és kedves Fórumtársunk javaslatára már beszerzés alatt van - próbálok némi szakirodalomból tovább okulni. Most épp A-osztályú tranyós "hőerőmű" végfok a terv, érzékeny tölcséres 1-utasokat hajtva - ez kicsit más projekt, de nagyon érdekel a hangzásvilága. Amatőr gitárosként pedig célom hosszabb távon, egy gyári Marshall/Vox, stb. csöves hangzásvilágú-minőségű kombó vagy fej megépítése, de a "custom made" izgalmával és egyedi megjelenéssel....és persze a hype megfizetése nélkül...szerintem így sem lesz olcsó mulatság, de legalább egyedi és az enyém.
Köszönöm a részletes és kimerítő írásodat, a dolog vége az lett (mostmár eldöntöttem), hogy így ebben a formában nem fogok foglalkozni ezzel a rajzzal, mert valószínűleg nem lenne jól használható a végeredmény a gyakorlatban (lásd pl. a torzító hülye megoldása).
Viszont továbbra is izgat egy-két részmegoldás, hátha máshogy szólna, mint az eddigiek. 1. Bemenő fokozat. Ezt a kis- meg nagyszintű macerát nem is igazán értem itt, hogy miért jó, meg lehet ezt is elírták a szerzők, szóval ehelyett jobb lenne egy külön tiszta meg egy torzított csatorna. (eddig átkapcsolós csináltam csak, vagy símán továbbment a jel, vagy rá a szembediódás od-ra, kapcsolótól függően). 2. Torzító. Ez a Bikki-féle tranyós, 6-diódás megoldás akkor érdekes lehet...ez mehetne a Lead-csatornába a bement után egyből (?) van 2 poti, egy erősítés ("karakter"t ír) meg egy szint. 3. EQ - Nekem tetszik a közép-parametria, csak én is bonyásnak tartom ezt a részét. Eddig sima magas-mélyet, meg egy 3-utasat csináltam, de nem voltam megelégedve a szabályzási tartományukkal - nem hozták azt a beállítást/hangzást, amit vártam. Jobb lenne egy effektív magas-mély (metal hangzáshoz), meg egy parametrikus közép rész, csak egyszerűbben....még esetleg a Boss MT-2 Metal Zone ezen része lehetne jó, ott szénné lehet EQ-zni a torzított hangzást, ettől volt olyan jó az a pedál. Tudnál esetleg egy jobb EQ-szekciót javasolni ennél? Még a "keverős" kialakítás sem fontos, amúgy is aggályaim voltak ezzel. 4. Zengető. A Hohneremben pl. 2 kisebb telj. komplementer tranyós végfokocska hajtja 2-rugós tankot, ezt meg előfok fogadja, de szerintem zajos a cucc (Zsozsóó-féle probléma lehet), nem szól szépen, rezonanciákra is érzékeny. Ez a reverb még primitívebb a 386-tal (ami szintén ab ovo zajos, legalábbis fülesvégfokként én annak hallottam), de esetleg érdemes volna kipróbálni. Csak persze másképp (rendesen) bekötve a Dry/Wet potit... Na eddig az alapelemek, mit tennétek még ebbe bele? Persze ma már ott a Net (én is bújom ötletekért), de nyilván ott sem minden ellenőrzött meg frankó. Jó lenne Bikki mester könyvének emlékezetére valami használhatót összehozni a kapcsolásából...:o) - ez esetleg sok kezdőbbnek is sikerélményt adhat, és vetekedik az általam is (után?)épített mai kis 15W-osok kapcsolástechnikájával, minőségével.
1.:
Idézet: Nem életszerű és nem praktikus. Ha szám közben át kell váltanod torzítóra, meg vissza tiszta hangra, akkor át kell dugdosni mindig a másik bemenetbe a madzagot...„..jobb lenne egy külön tiszta meg egy torzított csatorna...” 2.: Én kapcsolhatóra csinálnám meg, ugyanabba a jelútba. 3.: mellékeltem egy parametrikus EQ rajzot. 4.:Kipróbálhatod sima OPA meghajtással. Ha a Fenderéknek jó... csak az elmenő jelet már közvetlenül ott, a zengetőnél fogadni (erősíteni) kell. A hozzászólás módosítva: Dec 13, 2015
Tök igazad van...külön csatorna elvetve.
Akkor marad a kapcsolható clean/od opció. Na, ez egy nagyon frankó kis parametrikus EQ, mivel itt ugye mindhárom sáv parametrizálható! Ezzel aztán lehet már variálni, elég komplex módon bele lehet nyúlni a hangzásba... Még az is felvetődött bennem, hogy nem lenne-e érdemes betenni egy 5 vagy esetleg 10-sávos grafikus EQ-t (mint pl. régebbi Ampeg basszus erőlködőkön láttam) - de létezik ilyen külön kis pedálban is. A zengetővel kapcsolatban találtam én is egy jó kis rajzot, hátha jól működne. Elliot-osnak tűnik, azok a srácok egészen jó kis dolgokat csinálnak...de közben lett még 2-3 jó rajz, mind nagyon hasonlóak, szóval valószínűleg beválnának.... Nos, ha sikerül összehoznom ezekből az építőkockákból valamit, és az használhatónak is fog hangzani, akkor berajzolom, és megosztom veletek, hátha kezdésnek jó lesz másnak is. Köszönöm a sok építő hozzászólást!
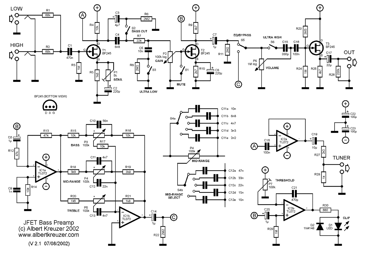
FET-témában (kissé visszaolvasva a fórumban) lettem figyelmes erre a rajzra (lásd lentebb)...
Ez továbbra is az Albert Kreuzer-féle lecsupaszított FET-es basszus-előerősítő. Tetszik benne, a kevesebb-néha-több minimál alkatrészes koncepció, valamint a hanyagoljuk-a-műveleti erősítőket (már ahol lehet) is. Az lenne a felvetés, hogy vajon lehetne-e tényleg megúszni az opa-kat, és FET-tel vagy tranyóval megépíteni kizárólag. Én az AK-t jó kiindulási alapnak tartom, de a hangszínt pl. a lentebbi módon gondolnám....egy szem FET, nem tudom mennyire lehet ez jó.... Vagy további mellékletként a Fender Blackface preamp, 4 FET, elég szimplának néz ki az is. Próbált már valaki ilyet építeni? Ha igen, mik a tapasztalatok vele? Lehet ezeknek bármi köze a "csöves hangzáshoz", vagy ez még közelebb van a tranzisztoroshoz? Esetleg az AK-t lehetne úgy modifikálni, hogy ne kimondottan basszushoz illeszkedjen (ráadásul nála úgy rémlik felmerül az aktív/passzív pickupos hangszerek miatti bemeneti érzékenység különbség kérdése is). Egyéb változtatásban még az EQ-sávok frekvenciáinak átvariálását gondolnám (hogy pontosan meddig is érdemes egy gitár hangjába belenyúlkálni...olyan 100Hz, - 1k, és mondjuk 6-8k mint High? ) vagy mik a bevált tartományok? Van egy marék BF245C-m idehaza, hátha lehetne ebből valami extrábbat kihozni...
Időközben néztem az eredeti, '64-'67 közti Fender Blackface csöves kapcsolást, és rendesen elolvasva a redcircuits.com-on az írást, ez egy FET-es replikája az eredeti 12AX7-ekkel felépülő csöves kapcsolásnak (ha jól értem, (közel) azonos be- és kimeneti adatokkal, szabályzókkal, stb.)
Kicsit fából-vaskarika, kérdés, hogy füllel is hasonlóan kellemes-e a végeredmény, mint az elektromos karakterisztikák egyezése...vagy legalábbis hasonlósága.
Üdv
Szeretnék a csöves technikában egy kicsit előrelépni. A végső cél majd egy erősítő építése lesz, de egyelőre szeretnék egy csöves torzítópedált csinálni, tanulni a dolgokat. Nem szeretnék 9-12 voltos kapcsolásokkal foglalkozni, 100-200 V előállítása nem gond. Fűtésekkel, táppal sincs gond. Csövekkel is el vagyok látva, 6N2P is van, illetve egy csomó rádiócső. Szeretnék építeni egy kipróbált, jó hangú kapcsolást, ehhez kérném a tanácsotokat, mit érdemes megépíteni. Elsőre próbanyákon. A kívánt hang természetesen a szokásos meleg csöves OD hang ![]() Előre is köszönöm.
Én megépíteném a soldano slo-100 clean-crunch csatornáját, 6n2p-vel jó lesz az. (kb. 300V anódról)
Üdv mindenkinek! Nekem egy olyan problémám volna, hogy adott egy Peavey Mark IV Series 400BH basszus erősítő fej! Azt szeretném megoldani hogy az erősítő bemenetén ugy illesszem az impedanciát, hogy pl egy telefonról vagy PC ről tudjak neki adni bemeneti jelet, ugy hogy ne menjen tönkre semmi! Korábbi bekötés azt eredményezte hogy a telefonom kimenete tönkrement! Jöhet tipp, tanács, kapcsolási rajz, bármi ami hasznos lehet a cél elérésében! Minden segítséget nagyon köszönöm!
Szia,
Arról nem írtál semmit mitől ment tönkre, pl a telefon töltőn volt-e az összekapcsolásnál vagy sem, illetve hogy kötötted össze az erősítővel. Egy hasonló áramkörben gondolkoznák.
Én ezt megépítettem. A kis fesz miatt, inkább csak Boost, de jól szól. Eredetileg 12AU7.
A hozzászólás módosítva: Jan 31, 2016
Azoknak, akik a csövekben gondolkodnak. Én egy rádió belsejéből építettem előfokot. Fender, Marshall, Soldano.
Kezdésnek elég egy régi rádió. Én egy Vidi rádióból, meg egy HB-20g kombóból csináltam Fender Bassmannt. Az ECL86 bőven elég otthonra, és igazi csöves hangja van.
Bocsi, hogy ide teszem fel a kérdésemet, de a gitáros topicok közül itt van a legnagyobb forgalom. Szóval van egy SG gitárom (2 humbuckerrel) és a nyaki hangszedő eszméletlenül zúg, míg a hídi abszolút nem... Mi lehet a gond? Itt egy kép az elektronikáról.
http://i.imgur.com/maNXApK.jpg
Ha egy humbuckerből úgy jön zaj, hogy mellette van jel is, akkor az nem feltétlenül bekötési probléma. Esetleg singleként lehet bekötve, de az itt kevésbé esélyes (kétvezetékes - variálás csak a hangszedőnél lehetséges). Esetleg a humbucker egyik fele menetzárlatos, vagy a tekercs kivezetésénél lehet zárlat, ekkor is singleként működik..
Ugyan nem látszik minden rendesen a képen, de a bekötésnél látok problémákat. Ha jól látom a hangszedők vezetéke (meleg ér) megy a hangerő potik csúszkáira, azoknak nem oda kellene menni. (emiatt még nem lesz erős zaj) Bővebben: Link Itt egy rajz, ilyennek kellene lennie a bekötésnek. Az elemértékeket ne nézd, csak a bekötést. |
Bejelentkezés
Hirdetés |










Érdemes előfokkal kezdeni, végfoknak kezdetben jó a FET-es is, TDA vagy STK cucc is. Ha már jól megy az előfok, akkor lehet összedobni hozzá egy csöves véget, külön az se bonyolult. Vagy akár egy videoton rádiót szétbontva megvan a hálótrafód, kimenőd, veszel hozzá rendes kerámia foglalatokat, pár ecc83-at vagy 6n2p-t, meg egy 6p6sz-t végfoknak és lehet egy 5W-osod. (ami inkább 3, de azért jól szól. 


















