Fórum témák
» Több friss téma |
Az IRF740-et még magában is meghajt az IC, ha több darab van, akkor kell csak a meghajtást erősíteni. Ha IRF740-et használsz, akkár egy pár ilyen tranyó elég 2-3 darabrra. Ha IRFP460, akkor FEETenként kell egy pár.
Optimális darabszám attól függ, hogy milyen frekin akarod üzemelni, illetve beállítasz -e ZVS működést. Ha nem, és 40-70kHz között vagy, akkor szerintem 2 darab, és jó nagy borda kell majd. Ha a freki marad, és beállítasz szép rezonáns működést, meg ZVS-et, akkor köthetsz 3-4 darabot is párba, és cserébe alig fog majd borda kelleni. Nem azért de kérdezd patkany-t. Elsőnek nagyon mumus ez a rezonáns működés, meg minden. De aztán jönnek a részletek, és kiderül, hogy a lehető legegyszerűbb megoldás a legtöbb bajra! Ha áramváltót tudsz tekerni, akkor trafót is át tudsz tekerni. Cserébe "jobbra" tekerheted, mint az eredetit. A hozzászólás módosítva: Jan 4, 2016
A triak egy baromi lassú dolog, indulásnál jó lesz, de ha kimeneten rövidzár van, és nincs normális áramkorlát, akkor szerintem lazán FET halál a dolog. (Ge Lee által előbb említett 4-5uH az kW-oknál korlátozna)
A Ct láb zárás jobb dolog, csak az meg ki-be kapcsolgatna. 0 -> totál zárlat -> 0 és így tovább.
Miért lenne lassú? Olyan triakot kell használni amit én is. Kb 25Ft. Gyors.
Jönnek a videók mindjárt. Tessék elemezni.
Ha pontosan meg akarod tervezni a rezonáns részt akkor javaslom a mellékelt képletekkel tedd.
Ahol a Vn1 a fele a hídra jövő egyenfeszülségnek( Vd/2) (én 150V-tal számolok, ha PFC-d van előtte akkor 200V-t). A (Vn1-Vd) szintén Vd/2-re adódik. Az Fs működési ferkvencia az Fo pedig a rezonáns frekvencia. Ha Fs/Fo=1-re tervezel nem követsz el nagy hibát. Ha mélyebben érdekel a téma akkor így keress rá a neten: "puklus teljesítményelektronika" első találat A rezonáns részt a 124 oldalon találod, de a többi is hasznos. A Pc táp trafónak nagyon alacson a szórt induktivitása. (párhuzamosan kapcsolva különösen) Így a kiszámolt induktivitást sorba kötöd a két párhuzamosan kapcsolt trafóval, de ezt itt a fórumon már többen leírták (szerintem egyszerűbb mint újra tekercselni a trafókat)
Annyira, hogy le kellett lassítani, hogy induláskor ne szóljon bele.
Már bocsi, de tegyük fel:
- van egy IRF740-es táp, egyzserűség kedvéért 400W-ra méretezve (<3A normál áram) - rövidrezárod, PC trafó, szórt induktivitás 4-5uH, 70kHz-re beállítve (2x470nF) - ekkor ugye a rövidre zárási áram kb 100A Az IRF740 40A-t tud impulzusban (100us - kb 6 periódusidő) Melyik triak tud mondjuk előbb megszakítani, mondjuk mielőtt az áram 40A-re kúszna fel?
Ezt is érdemes átgondolni. Egy másik fórumon olvastam erről. Ott mérések alapján arra jutottak, hogy a Ct láb ilyen jellegű használata esetén, ha nem elég gyors a GND-re történő kapcsolás, akkor szálltak a Fet-ek, így ott a tápfesz kapcsolgatása mellett döntöttek.
(ott nem rezonáns környezetet vizsgáltak, hanem hardswitching-et) A hozzászólás módosítva: Jan 4, 2016
Az első verziós táp nézegetése:
1 Ohm söntön méregetés Hosszabb videó, amikor menet közben is szkópozzuk a primer áramot, ...or is. Primer elkó töltődése, és 100W terhelésnél a búgófesz. Táp félhíd jelalak. Zavarok. Mik ezek a nagy áramimpulzusok? Folyamatosan ott vannak az átváltáskor, a holtidőnél? Ezt a trafó szórná be a mérésbe? Nem tudom mi van ezzel.
Tessék megnézni, lazán tudja.
Véletlen műve lenne? Video 500W terhelésnél, szintén ez az elrontott táp verzió.
Van szekunder oldali fojtó, ami lassítja az áram felfutását!
Gerleimarcinál arról volt szó, hogy a PC tápot egy-az-egyben felhasználja, úgy hogy az adott szórt indukvitiásra számol rezonáns működést.
Ha kiveszem a fojtót a szekunderoldalon, és megduplázom a pufferek számát, akkor se durran szét.
Pedig már imádkoztam, amikor ezt is megfejeltük, és 10000µF x 2db is rákerült a szekunderre. Mondom ez tuti viszi a FET-eket. És semmi. Talán akkora a fet RDSon-ja, hogy túléli ezt az áramimpulzust is.
Rövidzárnál mi a helyzet? Bont a triak, mielőtt FET robbanna?
Ez volt a fő kérdés. Az indulást értettem, oda jó lehet egy triak. Persze rövidzárra továbbra is jó a áramváltó. De pl ugyanúgy lehetne soros kondin is feszültséget mérni. A hozzászólás módosítva: Jan 4, 2016
Szóval, az első videón 120 A-es csúcs van bekapcsoláskor. Viszonylag rövid ideig tart,de nagyon kevés a pufferkondi a kimeneten. Mi lenne, mondjuk 5-ször ennyi kondival? Csak éppen hogy belenéztem a videókba, majd holnap tüzetesebben.
Azért van ekkora zavar mert ilyen méréseknél illik levenni csipeszt a fejről és ha van rá mód csinálni egy olyan csíptetős GND vezetéket ami egész rövid épp hogy csak odaér a GND-pontkra és közvetlen a mérőfej legelejére csípteted. Persze ilyenkor le kell venni a kampós fogót róla. Max 1cm, minél kevesebb annál kevesebb zaj lesz.
Rövidzárlat esetén az IC tápját zárjuk rövidre. Így nincs minek vezérelni a FETeket. Egyből leáll.
Ezt a soros kondis dolgot próbáltam mérni. Valóban megnő terhelés hatására a fesz rajta. De ezt egyelőre még nem tudom egyenirányítani és a negatív oldalra valahogy egy védelmet alkotni. Jó lenne valami rajz. Egy elképzelés. Tesztelni. Szeretem ezt a tápos témát. Van sok minden amit lehet tanulni.
Mellékelek egy IC adatlpot, ez ugye LLC konvertere van tervezve. LLC kovnerternél előfordulat 1-nél nagyobb áttét is, így a rezonáns kondin (ami ugye a soros kondin) eső feszültség nagyobb lehet a tápfesznél, így nincs korlátozó dióda. (különben nem lenne 1-nél nagyobb átviteli tényező sem). Itt most félutasan érzékelnek, de lehet egész utasan is érzékelni, ízlés kérdése.
Sokféle megoldás létezik, kezdetben nézd a 12. oldalát a doksinak. Ott van a trafó alatt a rezonáns kondi (én kétfelé szoktam mindig osztani szinte). Van egy Cb és egy Csense, ami egy feszültségosztót alkot. Van egy 100 ohm dióda, ami csak zavarszűr elsősorban, és van egy dióda. Alatta ott vannak szépen a hullámformák. Ugye a rezonáns kondin kondin dU/dt=I/C. Ezt ugye ha leosztod, akkor az árammal arányos jelet kapsz. Aztán nem kell áramváltó.
Az előző hozzászolásomban említett fórumban a "borysgo2" nevű fórumozó ezt így oldotta meg:
Ezt Skori oldalán találtam a soros tekercsről
Idézet: „Az L4 tekercset légréses vasmagra kell elkészíteni. A skin hatás, és a légrés körüli szórás miatt célszerü több vékony párhuzamos szálból, vagy litze huzalból tekercselni. A gyakorlatban egy AL250-es, kb 20x30mm-es fazékvasmagra tekertem fel 14 menetet, 6db párhuzamos, 0,3mm-es zománcozott rézhuzalból. A boltban kapható kisméretü (gyári) induktivitások itt nem használhatók, a tekercs elkészítését sajna nem lehet elkerülni. A nem megfelelõen méretezett vagy elkészített tekercs melegedni fog, és rossz esetben az egész áramkör hibásan mûködhet miatta.” A képen látható mag jó hozzá? Egy hálózati zavarszűrő volt.
Sziasztok!
Összeraktam ma a tápot, és pöccre indult. 2*25V 2*2,4A.Ez az első ilyen tápom, szóval ez egy nagy kő gördült re rólam. Köszönöm annak aki segített benne.
Neked biztos jó lesz, ha be tudsz tekerni megfelelő "litzét" és menetszámot a szükséges induktivitás eléréséhez.
Tetszik ez a blankolás (meg a cica is), néha nekem is sikerül így ha nem vigyázok.
Mondjuk itt van kb. 2mm a szabadon lévő erek között, így talán nem érnek össze. Egyszer indítottam ugyanígy tápot, a nyák a papíron, ami tele volt írogatva ceruzával. Bekapcsoláskor olyat szisszent a papír hogy nem tudtam hirtelen mi van. Megnéztem, átmászott a delej a primer puffer lábai között a papíron keresztül, némi nyomot hagyva maga után.
"Együttható" ez a mai na legjobb célzása!
A hozzászólás módosítva: Jan 5, 2016
Hát igen, a blankolás nem lett valami jó.
Be kell szereznem egy új tesztkábelt ![]() Esetleg van valami ötleted mivel terheljem le teljesen?Eddig 5A amit ki tudtam hozni belőle. Van még benne több szufla? 8ohm/160W műterheléssel próbálkozok.
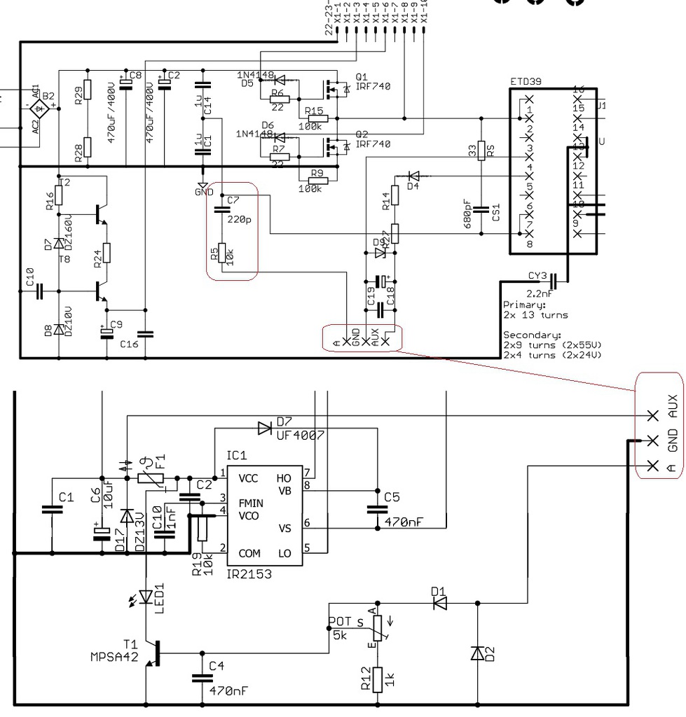
Melyik kapcsolásról is van szó ?
Teljesen? Egy darab drót, két végén csipesszel. Annál nagyobbat nem tudok.
Nekem vannak gofri meg szendvicssütőből bontott fűtőszálaim amiknek 39ohm darabja, azokat szoktam sorban vagy párhuzamosan kötni, attól függően mihez kell. Ha nem elég akkor előveszem még a vasalót meg a hajszárítót is.
Nekem azért ennyi minden nincs
![]() A teljes rövidzártól félek hogy lesz valami baja.
Szia Vipera! Ez melyik nyák terv alapján készül? Bocs de nem találom a korábbi hozzászólásod.
Ha hálózati zavarszűrő, akkor nem az igazi. Valószínűleg nagyon melegedni fog. De mivel nincs adatlap, vagy mérés, ezért pontosat nem tudok róla mondani.
|
Bejelentkezés
Hirdetés |





Véletlen műve lenne? 






Nekem vannak gofri meg szendvicssütőből bontott fűtőszálaim amiknek 39ohm darabja, azokat szoktam sorban vagy párhuzamosan kötni, attól függően mihez kell. Ha nem elég akkor előveszem még a vasalót meg a hajszárítót is.





