Fórum témák

» Több friss téma
Fórum » TV hiba, mi a megoldás?
Lapozás: OK   1112 / 1282
(#) kadarist válasza Mircsof hozzászólására (») Jan 12, 2016 /
 
Ha a képcsőcímke meg van, akkor arról leolvashatod az átmérőt.
(#) Mircsof válasza kadarist hozzászólására (») Jan 12, 2016 /
 
A fentebb csatolt képen nem az van? Csak azért kérdezem, mert azon én nem találtam meg az átmérőt, csak azt, hogy Thomson a típusa.
(#) IQNUKU válasza Mircsof hozzászólására (») Jan 12, 2016 /
 
Szia!

Pedig ott virít nagy számokkal. 66 cm
Egy kis okosság a képcsövek jelölési rendszereiről: Link
(#) Mircsof válasza IQNUKU hozzászólására (») Jan 12, 2016 /
 
Az a 66 megint felvet egy kérdést... Méghozzá azt, hogy kapcsolási rajza szerint akkor mégis melyik feszültségre kell beállítani? Mivel itt nincs 66cm átmerőjű egy sem, nem hogy Thomson Bővebben: Link
(#) kadarist válasza Mircsof hozzászólására (») Jan 12, 2016 /
 
A függőleges eltérítés tápja mennyi? Állítsd be ahhoz a tápegységet, ha nem találsz 66-os képcsőhöz illő sortápfeszt.
(#) jdani válasza eyess hozzászólására (») Jan 12, 2016 /
 
A 37es lábon ha ki van kapcsolva 0v van, ha be van kapcsolva, akkor 1,3V van..
(#) Mircsof válasza kadarist hozzászólására (») Jan 12, 2016 /
 
Nincs sehol szó 66cm átmérőről.
Szerintem beállítom 150V-ra azzal nem nagyon lövök mellé szerintem...
Mi változik, ha túl magasra van állítva az érték, vagy ha túl alacsonyra?

tv.jpg
    
(#) kadarist válasza Mircsof hozzászólására (») Jan 12, 2016 /
 
A képcső meg a sortrafó sérül, ha túl nagy a feszültség. Ha kicsi, akkor azt a képcső-katódok sínylik meg. Azért jó a függ. végfok tápját belőni, mert az általában állandó és a függ. végfok IC-nek sem tesz jót a túl nagy tápfeszültség.
(#) IQNUKU válasza Mircsof hozzászólására (») Jan 12, 2016 /
 
És a táblázat 3. sora?

Idézet:
„Mi változik, ha túl magasra van állítva az érték, vagy ha túl alacsonyra?”

Sok minden. Pl. a geometria, a képcső anódfeszültsége, de a legveszélyesebb a képcső fűtése.
Célszerű lenne ez alapján leellenőrizni, hogy helyes-e a sortáp értéke.
Ehhez viszont "true RMS" mérő kellene...
Én sem látok a szememtől!

A táblázatban alulról a 3. a Thomson A66-os cső!
Ez alapján 155 V a rendszerfeszültség.
A hozzászólás módosítva: Jan 12, 2016
(#) Mircsof válasza IQNUKU hozzászólására (») Jan 12, 2016 /
 
kadarist: Köszönöm ettől is okosabb lettem.

És neked is köszönöm, én csak a cm értéket néztem nem esett le, hogy a 2. a típusokat mutatja. és igen egyezik a képcsőn levő irománnyal így kiderült, hogy 155V kell neki. Szerencsére pont erre az értékre állítottam be, így nem kell megint babrálni, bár még nincs fent a hátulja.
Köszönöm mindenkinek a segítséget! Ezzel ez a TV is késznek tekinthető!
(#) stevepapa válasza Mircsof hozzászólására (») Jan 12, 2016 /
 
Örülök, hogy elindult, viszont el nem kalandoztunk! A sortáp a fő tápról megy, tehát annak minden hibája kihat, minden feszültségre. Így a tápban előforduló hibák, kihatnak a sortápra is! Az most mellékes, hogy a sortáp a szekunder oldal szakadása miatt nem volt szabályozható. Ezért írták itt, már 100 x, hogy a tápra akasztunk, egy 75-100w körüli kürtét, úgy teszteljük
(#) Mircsof válasza stevepapa hozzászólására (») Jan 12, 2016 /
 
Lássuk jól értem-e esetemben a 155V-ra kellett volna egy fentebb említett értékű izzót akasztani? És ennek folyamatosan izzania kellene? Még nem olvastam ezt a módszert :S
A hozzászólás módosítva: Jan 12, 2016
(#) stevepapa válasza Mircsof hozzászólására (») Jan 12, 2016 /
 
Igen, nem minden készülék esetében folyamatos a dolog. Viszont a mérést el lehet végezni, ha akkor a megfelelő adatokat méred a táp jónak tekinthető, általában. Van jó néhány készülék aminek a védelme bizonyos idő után leáll, ha nem teljesülnek bizonyos feltételek. Vert eltérítés, pl ami csak a horizontális megléte után lehetséges, stb. Ezekben az esetekben, csak néhány mp áll rendelkezésre a mérésre.
(#) bogumil13 hozzászólása Jan 12, 2016 /
 
Sziasztok!
11Ak30A14 tv csak pittyeg led villogás kiséri.Gyanus kondik cseréje meg volt de semmi változás.
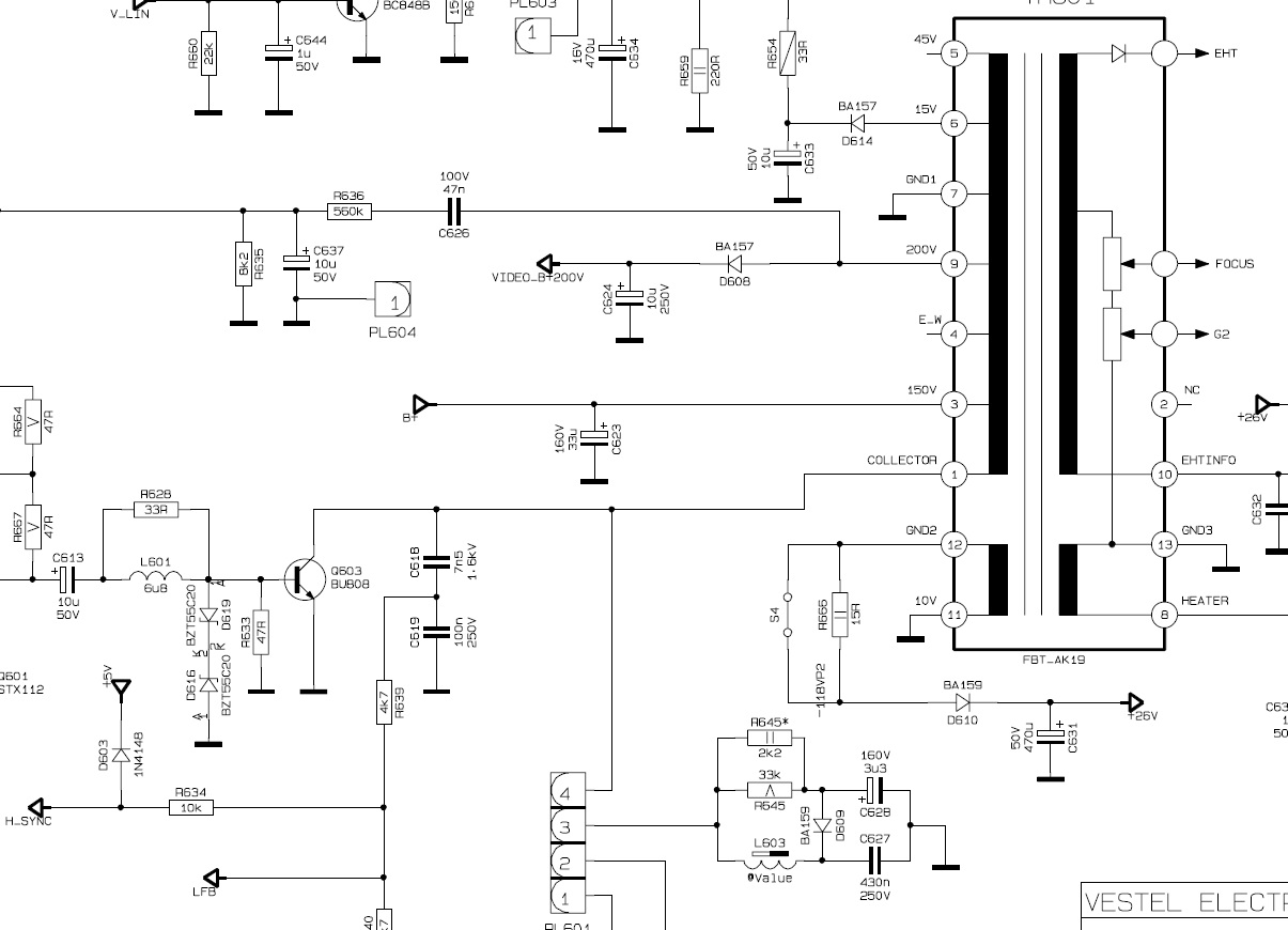
A D808 dióda pozitiv lábát ki forrasztva nem pittyeg,ha visszarakom és a Bu808 bázist le kötöm akkor viszont pittyeg.Lehet a trafó ment tönkre?
A BU-t h kell kimérni müszerrel jó e?
(#) kadarist válasza Mircsof hozzászólására (») Jan 12, 2016 /
 
Mert ugye a 70 az valójában 66 lenne a típusszám szerint.
(#) kadarist válasza bogumil13 hozzászólására (») Jan 12, 2016 /
 
A BU808 lesz C-E zárlatos. Helyettesítése: Bővebben: Link. Az ON-t helyettesítheted más dióda nélküli BU-val is. A C613-at mindenképpen cseréld ki nagyobb kapacitású és feszültségtűrésű példányra (pl.: 22uF, 100V).
(#) bogumil13 válasza kadarist hozzászólására (») Jan 12, 2016 /
 
A BU426A jó lehet?Rendben a kondit cserélem!
(#) kadarist válasza bogumil13 hozzászólására (») Jan 12, 2016 /
 
Sajnos nem lesz jó.
(#) bogumil13 hozzászólása Jan 12, 2016 /
 
Igen köszi közben már néztem az adatlapját.Egyenlöre megáll a dolog nincs ide valo itthon vételeznem kell,aztán jelentkezek jó lett e.
(#) meszaros válasza kadarist hozzászólására (») Jan 12, 2016 /
 
Bocsi mindenkitől a külső táppal kapcsolatban,azt hittem hogy ez az strw ic csak sima tápfeszt állít elő de megvan a belső kapcsolási rajza,amiben sok minden van,nekem így kínai,tehát maradok az ic cserénél!
(#) eyess válasza jdani hozzászólására (») Jan 12, 2016 /
 
Akkor az ic vélhetően ad ki vezérlő jelet kérdés , hogy milyet .
(#) jdani válasza eyess hozzászólására (») Jan 12, 2016 /
 
Érdekes, már elég sok mindenen átfutottam... eleve miért kisebb a feszültségek?..
Nem annyi amennyit ír a doksiban..
Már nincs is elkó a tápban, amit nem cseréltem.
(#) biff hozzászólása Jan 14, 2016 /
 
Sziasztok! A fent említett tv-nek az a hibája, hogy nem frissíti az epg adatokat. Arra a következtetésre jutottunk egy másik kollégával, hogy vsz. szoftverhiba lesz.Tudtok olyan oldalt, ahonnan le tudnék tölteni firmware-t hozzá? Végső esetben a magyar szervíz elérhetősége is megfelel, egyenlőre nem találom sehol.
Üdv.
(#) Massawa hozzászólása Jan 14, 2016 /
 
Egyes TV-ken külön kell beállitani az EPG jel forrását. ( nem irtad milyen uton jut el hozzád a jel - kabel, mühold, antenna).
(#) biff hozzászólása Jan 14, 2016 /
 
A Diginél vagyok, kábelen jön a digitális adás.A másik tv-n jön az epg, ennél a bekapcsolás pillanatában van, jelzi az aktuális műsort, de utána nem frissít.
A hozzászólás módosítva: Jan 14, 2016
(#) bando válasza jdani hozzászólására (») Jan 14, 2016 /
 
A csere az egy dolog, de az új kondik ESR illetve értékben rendben vannak?
(#) bogumil13 válasza kadarist hozzászólására (») Jan 14, 2016 /
 
szia!
Ott tartok a 11AK30-al,megcsináltam az átalakitást kondi csere meg volt,sipolás megszünt.Gondoltam akkor elö a távir. be is jött a kép kb. 2 percre aztán jött a sipolás na ennek aztán örültem rendesen!Kivettem az on-t és full zárlatos,a diodák jók.Most hogyan tovább?Hogyan tudom kiszürni mi miatt történt ez mi lehet rossz még?Nem szeretném a következöt is ellöni ha majd lesz.Ráadásul pillanatnyilag nincs másik ez az 1 volt ahonnan vettem.Amit kivettem BU ahogy irtad C-E zárlatos.
Ami van most itthon:
S2000AF
S2055N
S2055AF Ezekböl esetleg használható valamelyik?
(#) kadarist válasza bogumil13 hozzászólására (») Jan 14, 2016 /
 
Az ON4923-at építetted be? Nem melegedett? Sortápfeszültség az előírt értékű?
(#) bogumil13 válasza kadarist hozzászólására (») Jan 14, 2016 /
 
Igen azt épitettem be nem melegedett.A sortápfeszt hogyan tudom kimérni?Bocsánat a tudatlanságomért!
(#) kadarist válasza bogumil13 hozzászólására (») Jan 14, 2016 /
 
A B+ feszültség az, de ez változhat a képcső típusától. A szervizdoksi segít. Ha a sortrafó átüt vagy időszakosan bezárlatosodik, akkor is tönkremehet a sortranzisztor. Bővebben: Link.
Következő: »»   1112 / 1282
Bejelentkezés

Belépés

Hirdetés
XDT.hu
Az oldalon sütiket használunk a helyes működéshez. Bővebb információt az adatvédelmi szabályzatban olvashatsz. Megértettem