Fórum témák

» Több friss téma
Fórum » Erősítőhöz való hangsugárzó védelem (koppanásgátló)
Lapozás: OK   149 / 196
(#) nagysasy válasza Alkotó hozzászólására (») Jan 15, 2016 /
 
Erre a V3-ra gondoltam.
Bővebben: Link

Meg azért lenne jó egy lay formátum mert egy Finder reléhez kellene igazítani a panelt.
A hozzászólás módosítva: Jan 15, 2016
(#) nagysasy válasza nagysasy hozzászólására (») Jan 15, 2016 /
 
Az Acrobat Reader nem hajlandó invertben nyomtatni. A képernyőn oké minden de nyomtatni nem nyomtatja invertben.
A hozzászólás módosítva: Jan 15, 2016
(#) Alkotó válasza nagysasy hozzászólására (») Jan 15, 2016 /
 
Lay formátumot nem adok ki. Ha megadod milyen a relé, akkor mérlegelem annak berajzolási lehetőségét.
Az általam javasolt relé nem találomra került bele. Olcsó, jól terhelhető, megbízható.
A jelenlegi formájában, akár azonnal tudok inverz képet generálni.
(#) nagysasy válasza Alkotó hozzászólására (») Jan 15, 2016 /
 
Finder 40.52 lenne a relé. Köszönöm.
(#) nagysasy válasza nagysasy hozzászólására (») Jan 15, 2016 /
 
És ha megkérhetnélek ehhez is kellene egy inverz rajz.

Bővebben: Link
(#) Alkotó válasza nagysasy hozzászólására (») Jan 15, 2016 /
 
A relé feszültségét és a tekercs ellenállását nem tudjuk. Az előtét ellenállást ehhez kell igazítani. Ha most veszed a relét, akkor továbbra is javaslom az eredeti típust.
A másik tervet is feltettem erre a filmre.
(#) nagysasy válasza Alkotó hozzászólására (») Jan 16, 2016 /
 
A relé 24V-os a tekercs ellenállása adatlap szerint 1200 Ohm. Néztem egyet valóságban olyan 860 és 960 Ohm között van.
Köszi addig is.
A hozzászólás módosítva: Jan 16, 2016
(#) nagysasy válasza nagysasy hozzászólására (») Jan 18, 2016 /
 
Jól számolom hogyha a táp 60V,a relé 24V és a tekercsellenállás 1200 Ohm akkor kell hozzá egy 3k 2W-os ellenállás?
(#) reloop válasza nagysasy hozzászólására (») Jan 18, 2016 /
 
Szia! 1k8 5W. Mekkora reléárammal számoltál?
(#) nagysasy válasza reloop hozzászólására (») Jan 18, 2016 /
 
Így számoltam. Re = Rr * (Ut/Ur - 1)
(#) reloop válasza nagysasy hozzászólására (») Jan 18, 2016 /
 
Mit helyettesítettél be? A képlet az jó.
(#) nagysasy válasza reloop hozzászólására (») Jan 18, 2016 /
 
Bocs én tévedtem a számolással. Mert ugye a zárójelben lévőt végezzük előbb?

Matematika 5. osztály.
(#) Alkotó válasza reloop hozzászólására (») Jan 18, 2016 /
 
Ha a reléáram 20 mA (24/1200=0,02), akkor ugyanez folyik a soros ellenálláson is. Ha 60 V a tápfeszültség, és mondjuk semmi nem esik a kapcsoló elemen, akkor 60-24=36V esik az ellenálláson. Ezt szorozva a körben folyó 20 mA-el, 0,72W hőteljesítmény adódik.
Indokolt ehhez 5W-os ellenállás?
Célszerű lehet ilyen magas tápfeszültséghez 48V-os relét választani (ha venni kell mindegy). Ez nagyjából fele áram szokott lenni, így kb. (60-48)x0,01, ami már csak 0,12 W hőt jelente. Az ellenállás 1,2 kR/0,6W lehet hozzá.
(#) nagysasy válasza Alkotó hozzászólására (») Jan 18, 2016 /
 
Nekem is ennyi jött ki. Ebből a fajta relémből van kb 50 darab. Ezért kértem Alkotó kollégát hogy modosítsa ehhez a nyákrajzot.
A hozzászólás módosítva: Jan 18, 2016
(#) Alkotó válasza nagysasy hozzászólására (») Jan 18, 2016 /
 
Várjuk meg Reloop gondolatát.
Valójában az ellenállások terhelhetősége számomra fura adat, mert tapasztalatom szerint, már a névleges érték felénél is jelentősen melegszenek. Pl. ez indokolhatja a nagyobb terhelhetőséget.
De az is igaz, hogy a kerámiaházas ellenállások (pl. 5-10 W) akár annyira is felmelegedhetnek, hogy megolvad a lábukon a forrasztóón -a felső végükön- (ezek belül huzalellenállások).
(#) nagysasy válasza Alkotó hozzászólására (») Jan 18, 2016 /
 
Persze egyetértek ezzel én is. Szeretném megérteni miért kell 5W-os ellenállás. Nem azon a pár forinton múlik.
(#) Alkotó válasza nagysasy hozzászólására (») Jan 18, 2016 /
 
Ha 5W-os lesz, akkor a paneltervhez is hozzá kell nyúlni, mert most csak 2W-osnak csináltam helyet. De mivel kisebb a relé, kényelmesen oda fér az 5 W-os is. Ha indokolt lesz, átrajzolom.
(#) reloop válasza Alkotó hozzászólására (») Jan 18, 2016 /
 
A 2W-os ellenállás a névleges teljesítményén 70°C-os (Royal Ohm katalógus). Egyszerű aránypárral számolva a 720mW-tól kb. 40°C-ra melegszik. A kézzel melegnek tapintott ellenállás zavaró.
(#) reloop válasza Alkotó hozzászólására (») Jan 18, 2016 /
 
Ennyire azért nem tragikus a helyzet, hosszú lábbal beültetve el fog az menni.
A változóan sikeres készülékház-hűtések miatt gyári áramköröknél is látható ellenállástól megpörkölődött panel, azok is a tervezőasztalon még bizonyára megfeleltek.
(#) nagysasy válasza Alkotó hozzászólására (») Jan 18, 2016 /
 
A 60V-os tápfeszhez jók az 50V-os értékek vagy inkább a 65V-os értékeket tegyem bele?
(#) VoltsAnimations hozzászólása Jan 21, 2016 /
 
Hali!
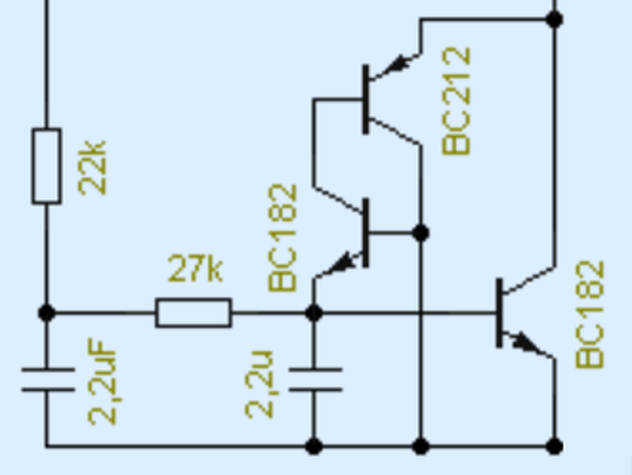
Éppen egy hangfalvédőn dolgozom, a nyáktervet készítem a kérdésem az lenne, hogy a képen látható részhez jó-e ez a nyákterv, csak mert én készítettem és nem vagyok 100%-ig biztos. Főként a tranzisztorok lábai aggasztanak.
(#) proli007 válasza VoltsAnimations hozzászólására (») Jan 21, 2016 /
 
Utolsó BC182-nek fordítva van a C-E lába.
(#) VoltsAnimations válasza proli007 hozzászólására (») Jan 21, 2016 /
 
Aha köszönöm szépen kijavítottam, most jó?
(#) steelbird válasza VoltsAnimations hozzászólására (») Jan 21, 2016 /
 
A lábai helyesen vannak, de rosszul van bekötve. Nem a kollektorra kell mennie a GND -nek, hanem az Emitterre. Az alkatrész értékeket pedig tedd át másik rétegre, mert ott a C2-n gondod lesz vele.
(#) VoltsAnimations válasza steelbird hozzászólására (») Jan 21, 2016 /
 
Igen, megnéztem megint, láttam, hogy a rajz fordítva a tranzisztor de jól van bekötve, ugyan úgy ahogyan az első BC182
A hozzászólás módosítva: Jan 21, 2016
(#) steelbird válasza VoltsAnimations hozzászólására (») Jan 21, 2016 /
 
Így már jó. De ennyi alkatrészt még átkötés nélkül is meg lehet tervezni.
Az alkatrész értékek rossz rétegen vannak, a teleföldet pedig szerintem kapcsold ki.
De ennek már inkább itt van a helye.
(#) reloop válasza VoltsAnimations hozzászólására (») Jan 21, 2016 /
 
Alkotó tervét nézted már?
(#) scooby_ válasza feccus hozzászólására (») Jan 26, 2016 /
 
Próbáld visszarajzolni a kapcsolási rajzát. Nem nagy áramkör...
(#) frissadam hozzászólása Feb 6, 2016 /
 
Sziasztok!

Az alábbi Link - en található kapcsolást szeretném megépíteni. A kérdésem az lenne, hogy az alul áteresztő szűrőrészen képesek e a tranzisztorok megbirkózni a negatív és pozitív egyenfesszel is a kimeneten? Ha igen hogyan?
(#) steelbird válasza frissadam hozzászólására (») Feb 6, 2016 /
 
Szia. Ott van a leírás is az általad linkelt oldalon. A kapcsolási rajz alatt megtalálod a működését.
Idézet:
„A szûrõ után megjelenõ feszültséget egy-egy 3 transzisztorból álló kapcsolás érzékeli. Pozitiv elõjelû hibafeszültség esetén T1 vagy T4 nyit ki, negatív elõjelû hibafeszültség esetén pedig T2 / T5, amelyek azután T3 / T6 nyitását okozzák. Ez az érzékelõ rész hiba esetén nyitja T7 tranzisztort, ami megszünteti T8 nyitóüfeszültégét. T8 lezárása pedifg a relé elengedését okozza”
Következő: »»   149 / 196
Bejelentkezés

Belépés

Hirdetés
XDT.hu
Az oldalon sütiket használunk a helyes működéshez. Bővebb információt az adatvédelmi szabályzatban olvashatsz. Megértettem