Fórum témák
» Több friss téma |
Meg kell nézni az öniditót , mert azzal van baj.Ha gyenge volna az aksi tekerni sem tekeri .Illetve mit kell érteni tekerésen , azt , hogy a motor forgatja vagy? Csak hallasz egy forgó hangot viszont a motort nem forgatja . Melyik is ?,
Hali
Hol és hogyan kell hogy testelve legyen a Malagutti 12. Köszi
Tiszteletem Uraim.
Keeway Focus 100.-as robogóm van. Két nappal ez előtt egy útról megérkeztem, /útközben semmiféle hiba nem volt/ motort leállítottam garázsba tettem. Másnap nem indult be. Gyújtást ellenőriztem, nincs szikra. Gyertya, gyertyapipa csere után sincs szikra. Vagyis álló motornál vállt üzemképtelenné valamelyik alkatrész. Az akku az önindítót működteti, tehát ezekkel nincs baj. Kérdésem az lenne, hogy ilyen esetben mely alkatrész hibásodhat meg nagyobb eséllyel, az elektronika a trafó vagy az alaplap, s ezt hogyan tudom megállapítani? A választ, vagy válaszokat előre is köszönöm.
Üdvözletem.
Szeretnék segítséget kérni tőletek.A robogóm (CPI Hussar) bemondta az unalmast.A kipufogó kétszer vissza durrogott egy 14km-es menet után,aztán már nem vitt haza.Kicseréltem a gyertyát,nem volt változás.Beleraktam a pipába egy kis csavarhúzót és elég gyenge ütést éreztem,önindítózva és rúgásra is és a szikra sincs mindig.Gondoltam,akkor a gyújtáselektronika a hibás,mivel már volt egyszer cserélve,így rendeltem trafóval együtt egy-egy újat,hogy ha véletlen nem az a hiba,ne keljen 2x rendelni.Az új trafót és CDI-t lecseréltem de így sincs változás.Annyi még,hogy a test vezetékeket átnézegettem,de nem találtam hibát,legalább is amennyire én értek hozzá.(Multiméter sípol nem sípol,vezeték szakadt,hibás-e) A gyújtás alaplapról vagy a fesz.szabályzóról nem tudom megállapítani,hogy működik-e rendesen.Tudtok nekem ez ügyben,segíteni? A válaszokat előre is köszönöm szépen!
A mai nap meg is oldódott a gond.Amire nem is gondoltam volna.A gyújtás elektronikáról le lett húzva a fekete kábel,és rögtön indult a motor.Tovább haladva kiderült,hogy a gyújtáskapcsoló a hibás,cserélni kell.
Sziasztok érdeklődni szeretnék hogy .van egy CPI1280 gyújtó trafóm, az érdekelne a legjobban hogy a robogóra rákötném. Hogy működne e vele és menyivel lenne hatékonyabb a gyújtása és a motorja ?
De hogyan kötnéd rá? Ez egy megszakítós gyújtású autóba szerelhető elektronikus gyújtásmodullal egybeépített trafó. Köszönőviszonyban sincs egy robogó gyújtásával. Ha van egy Ladád, vagy hasonló régi autód, ami megszakítós gyújtású, abba beépíthető.
szia és ha bele építem a 2ütemü Wartburga akkor a 3db kondenzátort ki kell kötni az alap lapból és miért kellene kikötni mert azt mondták
Wartburgba 3db ilyen trafó kellene, mivel minden hengernek külön trafója van. A kondenzátorra már nincs szükség elektronikus gyújtás esetén.
Üdv mindenkinek! Gondom a következő. Egy Keeway hurricanon cdi-t cseréltem.Azóta csak úgy indul,ha a gyújtáskapcsoló KI állásba van.Ha bekapcsolom akkor leáll. Öt vezetékes a CDI és rajz szerint lett feldugva,nekem ötletem sincs.Remélem valaki tud segíteni,köszi!
Sziasztok vettem egy yamaha 1yu-t de lógnak belőle kábelek és nem tudom melyik micsoda pont
A hozzászólás módosítva: Okt 16, 2015
Bővebben: Link Hátha segít,egyebet nem találtam.
Ebből nemcsak a kábelek lógnak...
Mikor elhoztam úgy nézett ki
de szerintem hiányzik más is belőle pont A hozzászólás módosítva: Okt 16, 2015
A gyújtás elektronikának hol kéne rajta lenni? (trafot, lenkerék, alaplapot tudom) meg minek kéne még rajta lennie?
A hozzászólás módosítva: Okt 16, 2015
Úgy vásároltál egy ilyen "motort, hogy össze szeretted volna rakni? Tanulni akartál belőle?
Ha tanulni, akkor nézz utána mi lehet még egy motoron ezen a három dolgon kívül - is. Milyen dugeszok vannak meg? Kell ott lennie még egy 6-10 pólusú "valaminek is..
Sziasztok.Segítséget szeretnék kérni tőletek.Robogómon menet közben megszűnt működni az index csak a relé kattogását hallottam,de már az is eltűnt,azután leálláskor észrevettem önindító sem működik és a duda sem....Viszont elöl és hátul van világításom.A biztosítékot megnéztem rendben van.Szeretném kérdezni,hogy hol kezdjem el keresni a hibát?Előre is köszönöm a segítséget!
Sziasztok
hozzám került egy suzuki address fesszabályzó problémával. A helyi motoros boltba vetem egy ugyan olyat de ahogy be inditatóm egyből lefüstölt. Érdekes módon a boltos azt se tudja milyen motorhoz való. Szerintem a szálkiosztás nem stimmelt hogyan lehetne kimérni? bal felső GND (fekete) bal alsó Sense (sárga) jobb felső akksi (Piros) jobb alsó Regler (fehér-piros)
Üdv. Kérdések vetődtek fel a robogómmal kapcsolatban.
Van egy Peugeot Jetforce TSDI robogóm. Ennek a világítása projectoros, 35W-os HS1 izzó egyik szála a tompított. Viszont ez botrányosan kevés és sokat megyek ki nem világított településközi utakon. Van egy Xenon szettem, de a projectort ki kell cserélni, mert a Jetforce-é műanyag (a foncsor is) és nem bírná a hőt. Ez megoldódik, tehát nem ez a probléma. Jelenleg a világításban a következők amik folyamatosan világítanak: 35W fényszóró (refi, vagy tompított), 5W hátsó helyzetjelző és 2X1,5W (vagy 2db 5W, már nem emlékszem) első helyzetjelző. A világítási rendszer és minden más egyenáramú. Tehát be szeretném tenni a xenont. Alapjáraton kissé esik a feszültség, de fordulaton 14,4V. 7Ah-akksi van benne. Arra gondoltam, hogy minden helyzetjelzőt, indexeket (2x10W oldalanként) és a féklámpát (21W) lecserélem ledre. Ez így gondolom rendben lenne a xenonnal, mivel egyenáramú a rendszer, így feltételezem, hogy az akksin kívül nem kell más terhelés a generátornak lévén, hogy itt nincs külön világítótekercs és minden úgy működik, mint egy autónál. Tehát akkor ennek így működnie kell gondolom? A másik gond a világítás kapcsolásával van. Gyárilag a világítást nem lehet kapcsolni. Nincs kapcsoló. Amint ráadom a gyújtást, azonnal világít mindhárom helyzetjelző és a tompított is. Csak addig kapcsol le egy relé által, amíg indítózok. Ez több szempontból is hátrányos: Alapból azért, mert jön a hideg és kár az akksit meríteni, amíg nincs beindítva. Injektoros lévén a gyújtás ráadása után szoktam várni pár másodpercet, míg az AC csinál egy kis benzinnyomást és addig a lámpák is világítanak fölöslegesen. Tehát itt az egyik gond ezzel, hogy addig is merül az akksi, és, ha már kicsit gyengélkedik szegény, akkor ez a vílágítás drasztikusan rontja az esélyeket a beindításra. A másik gond ezzel a xenon miatt van, hogy nem szereti, ha hidegen a felkapcsolás után 2-3 másodperccel lekapcsolják, majd 1-2mp után újra vissza. Tehát azt szeretném megoldani, hogy a tompítottat le lehessen kapcsolni. A helyzetjelzőkkel nem lesz gond, pláne, ha már ledesek lesznek. Betettem ugyan egy kapcsolót, amivvel a tompítottat le lehet kapcsolni, de sokszor elfeledkeztem róla. Ugyan be lehetne kötni öntartósra egy relét, és akkor a gyújtás levétele után biztosan kikapcsolná a fényszórót, így a gyújtás újbóli ráadásakor nem világítana, míg be nem kapcsolom. Viszont a hátulütője is ez, hogy csak gyújtás levétellel lehet kikapcsolni. De, ha a motort nem akarom leállítani?
Kétszer elolvastam, hogy mit szeretnél, de nem jöttem rá a lényegre. Azt írod szeretnéd, ha lekapcsolható lenne. De már van bent egy kapcsoló, amivel le tudod kapcsolni. Tehát akkor mi a kérdés?
Én még esetleg egy olyat tudok elképzelni, hogy csak járó motor esetén menjen, gyújtás ráadásra nem. Pl generátorról levenni a jelet, ha mondjuk 12V-ot eléri a generátor feszültsége, akkor kapcsolja be a tompítottat.
Bocsánat. Ahogy átolvastam az irományomat lehet, hogy tényleg nem egyértelmű.
Egy kapcsolót már raktam rá, de sokszor ezt is elfelejtem lekapcsolni, mert ugye nem úgy van, mint egy autónál, hogy leállítom, kiveszem a kulcsot, aztán konstatálom, hogy nem kapcsoltam le a lámpát, mert ugye akkor is világít. A robogómnál viszont a gyújtás levétele után a lámpát is leoltja. Ha elfelejtem lekapcsolni a kapcsolót és ráadom a gyújtást, akkor világít a lámpa (helyzetjelző+tompított). Ez esetemben két dolog miatt is baj: 1. Nem olyan túl nagy az akksi és csak önindító van. Most pedig jönnek a hidegebb idők és nem szeretném, ha pont az a kevés szufla hiányozna az akksiból az indításhoz, amit a lámpa elvisz a gyújtás ráadása és az indítózás között. 2. Most teszem bele a xenont és az nem szereti, ha hidegen kis időre felkapcsolják, majd le - mivel a lámpát az önindító relé lekapcsolja az indítózás idejére -, majd újra vissza. Ezért gondoltam öntartó relére, hogy egy gombbal kapcsolom a 12V-ot a relére, ami utána a lámpának és saját magának adja a tápfeszt. Így az a gyújtás levételéig világít. Ha leveszem a gyújtást, akkor a relé elenged és a gyújtás újbóli ráadásakor nem világít a lámpa, mig meg nem nyomom a gombot. Hátránya viszont, hogy nem lehet lekapcsolni ugyanazzal a gombbal, ha már be lett kapcsolva, tehát megállás után, ha járatni akarom a motort, de nem akarom, hogy a lámpa világítson, akkor le kell állítanom a motort. Ez utóbbit kellene megoldani, hogy ki is lehessen kapcsolni, de még egy kapcsolót nem tudok feltenni. Ehhez gondoltam, hátha van valami ötlet egy pici elektronika, ami egy gombnyomásosra megoldja a ki-be kapcsolást. A hozzászólás módosítva: Nov 8, 2015
Ohh. A harmadik problémát nem is említette. Az ülés elektromosan nyílik. Ehhez rá kell adni a gyújtást és tovább kell tekerni a kulcsót az ülés nyitásához.
Üdv! Lenne egy problémám. Mégpedig, hogy egy DT 80-as, léghűtéses blokkot tettem át egy másik vázba. Az alaplapból kijövő vezetékek közül a gyújtást bekötöttem, viszont maradt szabadon 3 vezeték. Ebből kettőn van áram a motor működése közben, egy pedig test. A világítást szeretném bekötni, nem tudom milyen rendszerű. akksis, vagy nem.....Szóval ha valaki leírná hogy mi az a 3 vezeték, és hogy hogyan csináljak világítást, azt megköszönném!
Üdv mindenkinek!Generic ideo robogómmal van egy kis elektromos hiba.Tölteni tölti az akkumulátort 14Vegyenárammal,de az izzókat nagy fordulaton kiveri.Felmegy 30V-ig is,ráadásul váltóáram.Van valakinek valami ötlete?Volt amikor napokig nem verte ki az izzókat.Már átnéztem az egészet de nem találtam semmit.Esetleg Debreceni elektromos szerelő.Köszi!
A testelési pontokat vizsgáld meg, mert ha a fesz szab. hibás, okozhatta test probléma is a halálát és az új sem biztos, hogy hosszú életű lesz.
Szabályzó hiba. Ugyanis a világítás és töltés külön van. Egy tokban van a szabályzó, de két külön áramkör. A töltés természetesen egyenirányított szabályzott fesz, a világítás pedig szabályzott váltófesz.
A hozzászólás módosítva: Feb 24, 2016
Sziasztok,
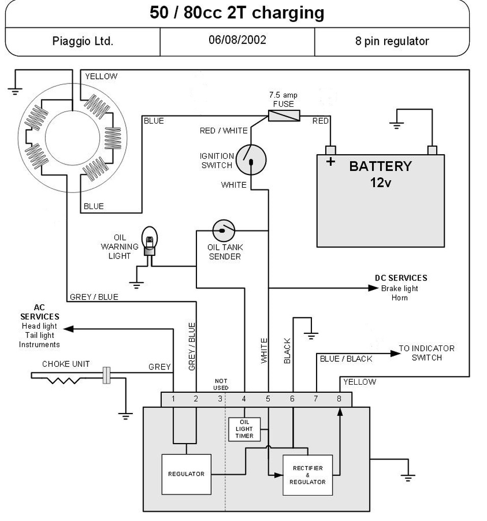
Egy kis segítséget szeretnék kérni, van egy piaggio blokkos 50-es robogóm és szeretném a váltóáram körét egyenirányítani, de lehetőleg úgy hogy az akkus egyenáramú körbe legyen illesztve. Csatolok képet a diagramról. AZ egyenirányítóm meg van, de már ott elakadok hogy azt hogy kötöm be. (saját kútfőből azt gondolnám hogy a szürke (1-es) vezetéket megszakítom ott lesz egy bemenet és utána már a pozitív kimenet, de akkor a másik válóáram bemenet a test lesz és az egyenáram kimenet is?) Bocsánat ha nem szakszerűen fogalmazok, de remélem értitek a lényeget. Ha ez megvolna utána hogy kötöm be a meglévő egyenáram körbe? Köszi előre is a segítséget! Üdv Balázs A hozzászólás módosítva: Feb 25, 2016
Amit én kikövetkeztettem az ez az újabb csatolt diagrammom. Erősitsétek vsgy cáfoljátok meg hogy jól gondolkodtam-e
Viszont az nem fér a fejembe hogy az egyenáram negatív pólusán (test) fut válóáram is? Ezek megférnek 1 "vezetéken"? A kérdés lehet hogy amatőr, ezért elnézést kérek.Ledesítés miatt szeretném az egyenirányítást és a két külön áramkör összekötését. Ezzel a kondit is elhagyhatnám mert a ballaszt szerepét az akksi venné át, és ha jól gondolom egy egyszerűbb led vezérő is elég a viszonlag stabil feszültség miatt. Korábban már teszteltem olcsóbb led izzókat és midenfelé világított csak az útra nem, most gyártok magamnak egy megfelelőt amit már az útra fókuszál a reflektor tányér. A hozzászólás módosítva: Feb 26, 2016
|
Bejelentkezés
Hirdetés |




A gyújtás alaplapról vagy a fesz.szabályzóról nem tudom megállapítani,hogy működik-e rendesen.







de szerintem hiányzik más is bel




Viszont az nem fér a fejembe hogy az egyenáram negatív pólusán (test) fut válóáram is? Ezek megférnek 1 "vezetéken"? A kérdés lehet hogy amatőr, ezért elnézést kérek.
