Fórum témák
» Több friss téma |
Fórum » Áram- és feszültségmérés mikroprocesszorral
Témaindító: tibiiii00, idő: Ápr 6, 2009
Témakörök:
Igen, mérni akarom az áramfelvételt is. Szimulátorban megcsináltam csak hát nem vagyok elektromos szakember. Nem igazán tudom, hogy van -e valami szabvány vagy hasonló az ilyen mérésekre.
A hozzászólás módosítva: Dec 27, 2015
Tud valaki segíteni?
LTS6 NP szenzorral akarok AC áramot mérni, ADS1115-l Raspi-val. Igazából az árammérő szenzor okoz gondot, nem igazán értem. Kimenetén a 2,5V nem változik az átfolyó áram hatására. Tud valaki konkrét rajzot a megoldásra? vagy esetleg egyéb megoldást? DC áram mérésre ACS 712-t használok, de AC esetén nem működik.
Működik az szerintem, csak AC áram esetén a kimenete is AC jellegű. Ezt közvetlenül nem tudod megetetni az MCU-val.
A hozzászólás módosítva: Márc 15, 2016
Azt hogy érted hogy AC jellegű? nem DC a kimenet?
Mivel mérted az LTS6 kimenetét? Ha egyszerű multiméterrel DC állásban, és az mérendő áram pedig 50Hz-es, akkor a műszer kiátlagolása miatt mérsz 2,5V-ot. Ha oszcilloszkóppal, akkor rossz az LTS6.
Egyébként funkcionálisan az ACS712 ugyanúgy jó lett volna az LTS6 helyett is, de pontosságra mind a kettő elég gyenge egy 16 bites ADC-hez képest. Dokidoki-nak igaza van abban, hogy az ADC-vel mért jelek nem a mért áram effektív értékét fogják tükrözni, hanem az éppen aktuális pillanatértéket. Ha kihasználod a 16 bitet, és több jelet mérsz, elég alacsony lesz a mintavételezésed. Nem lesz könnyű pontos eredményre jutni.
Köszi Nektek a hasznos tanácsokat. Az ACS712 működik, egyutas egyenirányítás után használható jelet ad az ADS 1115 bemenetére. Az LTS-t félre tettem, majd azt is kipróbálom.
Milyen eszközzel, módszerrel lehet ilyen környezetben pontosabban AC áramot mérni?
Pl áramváltóval?
Áramváltó működése... Mondjuk a HALL elemes ACS712 megfelelő egyenirányítás és pufferelés után miért nem lehet elég jó? (Bár a jobb pontosság kérdéses lehet, szerintem az már nem a hobbi kategória.) A hozzászólás módosítva: Márc 18, 2016
Lehet jó, csak próbaként pakoltam össze még. Peter65 véleménye miatt kérdeztem rá, "nem lesz könnyű pontos eredményre jutni".
Köszi, az áramváltót ismerem. Szerintem amatőr felhasználásra nincs egyszerűbb mint az ACS712 (vagy az LTS)
Sziasztok.
ADE7753-al szeretnék mérni, és itt a témában _vl_ mutatott is egy nagyon jó linket, ahol egy 16 csatornás ilyen mérő volt. Az árammérés természetesen áramváltóval van kivitelezve. Így a hálózattal galvanikus kapcsoltba nem kerül. A kérdésem az lenne, hogy a szakember aki tervezte a kapcsolást úgy oldotta meg a feszültség mérését az ADE ic-knek, hogy azok galvanikusan le vannak a hálózatról választva, mivel egy kis transzformátor szekunderén méri a feszültséget. Ilyenkor mennyire csökkenhet a pontossága a műszernek? A link
Az áram, és feszültség váltók műszerek, illetve mérőműszerek részei (ahogy egy 0,5 % -os ellenállás is). Ugyanúgy van osztálypontossága, mint bármely mérésre alkalmas műszernek.
Ahogy látom az oldalon lévő kapcsolásból egy sima trafó van ide rakva, ami egyben táplálja is a mérőáramköröket. Ezért is kérdeztem, mert egy normál trafóról van szó.
Nem tudom, nem látom a kapcsolást.
Az áram, és feszültségváltók csak kivitelezésükben térnek el a közönséges trafóktól. Azért elég barbár dolog egy ilyet táplálásra is használni, biztos nem tesz jót a pontosságnak.
A linkelt oldalon a legfelső pdf a kapcsolás.
Ezért is vagyok gondolkódóban emiatt. Lehet ezt a részt módosítanom kellene, de nem vagyok biztos benne, mert nem laborpontosság kellene, de azért legyen pontos.
Te döntésed. A baj az, hogy a táp terhelése nem állandó, a digitális áramkörök miatt. A közönséges trafó paramétereinek időbeni változásai is olyanok, amilyenek.A szó szoros értelmében vett mérésre nem véletlen használnak pontos, időben stabil, ezért jóval drágább trafókat. De saccolásra közönséges trafó is megteszi.
Akkor sokat javítana a pontosságán, hogyha az elektronikát akkor nem erről a transzformátorról táplálnám? Mert ennyit megérhet a dolog.
Azért írtam, azt, hogy "nem lesz könnyű pontos eredményre jutni", mert az ACS712-nek elég nagy a hibája (max. 1,5%) és drifftje, amihez képest túlzó egy 16 bites ADC. Ráadásul a választott ADC-nek elég lassú a mérése, ezért nagyon okosan kell mérned, hogy a pillanat értékekből pontosan tudd meghatározni az effektív értéket.
Ha megmaradsz az ACS712 mellett, akkor jobban jársz egy gyorsabb ADC-vel, amivel legalább 3-4 nagyságrenddel gyorsabban tudsz mérni mint a mérendő jel frekvenciája, és az sem baj, ha csak 10 bites. 50Hz esetén ez kb. 50kHz-es mintavételezést jelentene. Ezt általában a mikrovezérlőkbe beépített ADC is tudják. A mintavételezett jel feldolgozásánál kettő dolgot kell folyamatosan számolnod; a mért jelekből szűréssel folyamatosan számolod a középértéket. Mivel váltakozó feszültséget mérsz, az így kapott érték a nullának fog megfelelni, ami már az áramérzékelő hibáját is magába foglalja. Az így kapott középértéket kivonod minden egyes mért mintából (esetleg a számítási teljesítmény mérséklése érdekében néhányat átlagolhatsz), és az így kapott előjeles számokból négyzetes középértéket számolsz. Ez lesz az effektív érték, és sokkal pontosabb lesz így. Lehet más utakon is járni: A sönt és sönterősítő + ADC még mindig az egyik legpontosabb mérést adja, de galvanikus leválasztást itt külön még meg kell oldani. A hagyományos áramváltó pontosabb lehet, mint az ACS712. Sok mérő távadóban is áramváltót használnak, és az áttétel és szöghibát a mérő készülék szoftverében kompenzálják ki, amit a bemérés során állítanak be.
Igen, már az is jobb.
A mérést a transzformátor mágnesező árama zavarja meg legjobban, ezért ezt kellene a legkisebb értéken tartani. Kommersz trafókkal egy megoldás lehet, ha kettőt sorba kötsz; a primert és a szekundert egyaránt (a szekundert lehetne párhuzamosan is, de akkor változik az áttétel). Toroid trafók még jobbak lennének. Vagy ha 400V-os primert 230V-hoz használsz. Max. a névleges teljesítmény 1/10-vel terheld le.
Lehet szigetelt erősítőt használni, vagy készíteni, de az megint ront a pontosságon. Jobb, ha a sönt potenciálján van az ADC, és annak a kimeneti jelét választod le, célszerűen valamilyen soros csatornán. A digitális jelek átvitele optocsatolóval (pl.:6N137), vagy digitális izolátorral (pl.: az AD ADuM családja) lehetséges széles sávszélességgel.
Persze kell leválaszott tápegység is az áramkörök működéséhez.
Sziasztok!
Mi a legjobb módja egy túlfeszültség védelemnek? Egy feszültségosztóról 10K soros ellenállás után mérném a feszültséget, de mivel több méréshatárra is lesz feszültség osztó, így normál körülmények között is megjelenik a tápnál nagyobb feszültség a fesz. osztón. A referencia feszültsége az ADC-nek 2.5V lesz, a tápja pedig 5V. Két lehetőség jutott eszembe: 5V-os zener dióda. Probléma: kis mértékű áram mindig folyik, és ilyen kis áramnál a nyitófeszültség bárhol lehet. LED is szóba jöhetne, de szerintem ott is folyik egy kis áram még 1V esetén is. Második: dióda az 5V felé. Itt pedig mindig lesz egy kis visszáram. Hogyan szokták ezt megoldani? Köszönöm.
Fesz.osztó utáni soros ellenállás rontja a mérési eredményt, nehezebben töltődik fel a bemeneti kondenzátor.
Hello! Ezt láttad már?
A hozzászólás módosítva: Ápr 17, 2016
Helló. Ez nem okoz gondot, kivárom azt az időt, ha marad a soros ellenállás.
Proli007: köszi, most már láttam. Akkor rakok egy 4148-at az 5V-os táp felé. Mondjuk ezt a mikrovezérlő is tartalmazza, lehet csak az áramot korlátozom minimális értékre. Köszönöm.
Sziasztok!
Áram mérésnél is szeretnék legalább két méréshatárt készíteni. Arra gondoltam, hogy a műveleti erősítő erősítését változtatnám AVR-rel. Meg lehet ezt oldani valami korrekt módon, vagy itt is duplán kell kiépítenem a mérő részt? Szeretnék spórolni az OP07-tel. A feszültség mérésnél két külön feszültség osztót alkalmazok, az egyik 40V-ig, a másik 100V-ig tud mérni, és amelyiken nagyobb a feszültség, mint 3.1V (2.5V+dióda nyitófeszültsége), az el lesz vezetve a +2.5V felé, így nem befolyásolja a két osztó egymást. Számolgatom a felbontást, és 40V-nál a 40mV-os lépés nem valami biztató... Még ha átlagolok, javul a helyzet, de akkor is csak elkenem a hibát. Lehet be kell illeszteni egy harmadik méréshatárt is, főleg az 5-6V körüli feszültségekhez... Köszönöm.
Hello! A műveleti erősítő erősítésének átváltása nem egyszerű dolog. Ahhoz megfelelő analóg kapcsoló is szükséges. (Természetesen a pontossági igény nem mindegy.) Vagy is ha csak néhány méréshatár kell, és a kontrollernek van szabad bemenete, nem fogsz nagyon "spórolni" a 07-el, mert más kell. Vannak programozható erősítők (BB) de azok ipari felhasználásra készültek és az áruk is ennek megfelelő.
De méréshatárt pld. itt megnézheted mit ajánlanak a 70106-hoz. (Bár a rajzukon egy-két felesleges pötty is van. De megfejtheted, ha értelmezed a 2c ábrát. És differenciális bement kell.)
Köszönöm a dokumentumot.
Ahogy látom, tényleg nem sokat tudnék spórolni, szerintem maradok a több műveleti erősítős megoldásnál.
Miért nem csinálsz 1 változtatható osztást a bemeneten és azt erősíted a műveletivel fel.
Ha a bemenő fesz az ADC-n meghaladja a maximumot akkor egy kimenettel bekapcsolsz egy vagy ha kell további még egy mosfetet ami még inkább földre húzza egy ellenálláson keresztül a bemeneti feszültségosztót ezáltal magasabb feszültség is mérhetővé válik. A hozzászólás módosítva: Máj 10, 2016
Vagy az A/D referencia feszültségét változtatod meg.
Cimopata: Nincs nagy tapasztalatom ilyen téren, félek, hogy valami hibát vinne be a FET, pl. a diódájáról olvastam, hogy gondot okozhat. Igazából ki kellene próbálni, meg is ejtem. Plusz ha ennyire egyszerű lenne, akkor miért nem találtam volna erről rengeteg cikket?
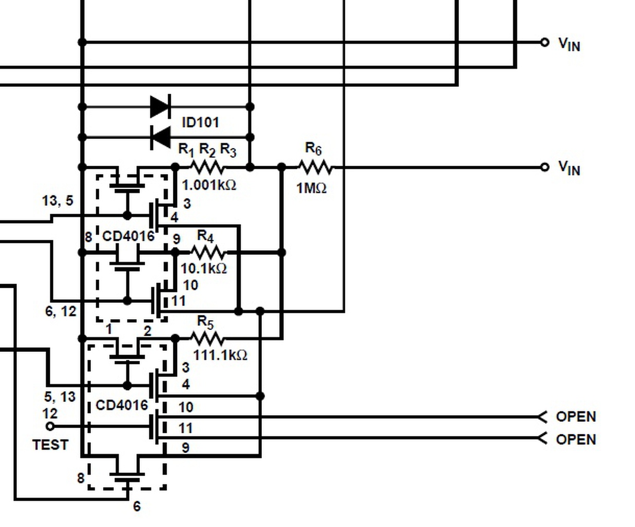
Bújom már egy ideje a google-t, a multiméterekben inkább a kapcsolóval váltják a méréshatárokat, az auto ranging multiknál pedig 4016-ot használnak, vagy hasonló kapcsolókat. Pl: Bővebben: Link uA meter, itt sima P-FET-et használ. De tényleg nincs róla sok cikk a neten, nem is értem, miért... A clipboard.jpg pedig az, amit Proli007 linkelt nekem. Hm. Akkor csak működnie kell a FET-es kapcsolásnak! ![]() Ktamas66: Ez is jó ötlet, viszont nekem nagyobb átfogás kellene. 1.1V a legkisebb ref. feszültség, és 4V-nál többet nem adnék az AVR-nek. Ez csak 4X-es váltás, tehát 10A és 2.5A a másik méréshatár. Ide még kellene egy harmadik, 500-600mA-es is. Három váltást meg már nem tudok megoldani ilyen módon.
Attól hogy nem találtál ilyet az még nem azt jelenti hogy nem működik. A neten sok minden fent van természetesen a nem mindenki ugyan úgy gondolkodik nem kell mindig a megszokott utat járni.
Az alsó műveleti csak egy diff erősítő nem muszáj betenni. H aszeretnél 0V ot is mérni akkor táptól tápig működő műveleti kell, vagy használhaszt -5V tápot a műveletinek pl egy ICL7660al. A hozzászólás módosítva: Máj 10, 2016
|
Bejelentkezés
Hirdetés |













