Fórum témák
» Több friss téma |
Ehhez annyi segítségre lenne szükségem,hogy megtudnátok mondani,hogy hol találom meg ezen a típuson a szénkeféket?
A motorban, de ha ezt kérdezed, akkor inkább ne álljál neki a javításnak.
Szénkefék A hozzászólás módosítva: Ápr 27, 2016
Akkor a motort kellene először megmérni, hogy minden rendben van e az állórésszel, valamint s forgórésszel, nincs e zárlat. Ha minden ok, a motort kapcsoló reléket megvizsgálni, hogy nincs e leragadva valamelyik. Volt olyan esetem, hogy a relé összeragadt, aztán ahogy rákapcsolt nagyobb fordulatra, ott zárlatot csinált.
ÖÖÖÖÖÖ szerintem is hívjál szerelőt. Minden rosszindulat nélkül ez nem legó, ez akár életveszélyes is lehet!!!!!
Vagy a motor vagy a triac ja lesz zárlatos.
Sziasztok!
Elfüstölt a Whirlpool (AWM8125) mosógépem ajtókapcsolója, és ezáltal a vezérlőpanelen az ide kapcsolódó részek. Valaki már javított ilyen vezérlőpanelt (Timer SC1 (EI,PW,IR,RH) ? Száma a panelen : 461974480671 és a katalógusban pedig: 481228218868 Előre is köszi, ha tudtok segíteni.
Szia! Az ajtókapcsoló termisztort általában ergy triak vagy relé engedélyezi. Hibás TO92 tokozásu alkatrészt kell keresni ilyen esetben. Nyomáskapcsoló úgyszint ellenőrizendő
A hozzászólás módosítva: Ápr 28, 2016
Szia! Köszi a segítséget. Nagy a baj a panelen....
Dip 8-as tokban lakik a ?triak? VIPer20a névre hallgat. ez az IC is kipukkant. Ismered ezt a panelt? Hol keressem a nyomáskapcsolót? köszi
Szia! cseréld azt a VIPer20a alkatrészt (pár száz Ft) és az ajtó kapcsolót (na ez már több ezer ft)Előtte nézd meg azt a kőrt amit vezérel.,mert valamitől kiégett.Kép a panelről sokat segítene.
Ha nem találod a nyomáskapcsolót és ennyire nem tudod mit keress vigyázz nehogy baleset legyen ! A nyomáskapcsoló hoz egy vékony cső megy a légsűrítőből. A légsűrítőt a dob alján találod . Egy vékony cső (5-8mm vastag) jön ki belőle. A nyomáskapcsoló (vízszint kapcsoló) ra keress rá a googlén és ott vannak képek is.
Sziasztok!
Ismét nyűgöm van,ismerősöm gépe(Zanussi TL 803V) beengedi a vizet mos de utána megakad(nem szivattyúzik és centrizni sem akar).Lenne tippetek? Köszi előre is!
Helló lenne egy kis gondom adott egy indesit wd105tx mosógép amely azt produkalja h beengedi a vizet meg leis engedi a kapcsoló forog körbe körbe a lampa kettőt villan es enyi milehet a gond erdemes meg foglalkozni vele!!?? Hol keressem a hibát?
sziasztok lenne egy Aeg mosógép és se kép se hang mint ha nem kapna áramot a táp IC jó az ellenállások jók mi okozhat még ilyen jelenséget
Induljunk a kályhától. A 230V megérkezik a panelra?
Helló levettem a hatuljat és át néztem az összes csatit és észrevettem hogy eléggé szikrázik a motor szenkeféje lehet az az oka?
Szia!
Igen, biztosan a kefékkel van a gond. Csere és működni fog újra a gép. Üdv, Palkó.
Sziasztok!
Fentebb kérdeztem már,hátha most.... Ismerősöm gépe(Zanussi TL 803V) beengedi a vizet mos de utána megakad(nem szivattyúzik és centrizni sem akar).Lenne tippetek? Köszi előre is!
Köszönöm a választ!!
Tisztelt segítők!
Egy Whirlpool AWT 7125/1 felültöltős mosógéphez kérek segítséget. A centrifugázást félig megcsinálta aztán megadta magát sehova. F 06 a kód. Erről a kódról egy szót sem említ a leírása. A segítséget előre is köszönöm. Üdv.: MISKA
Tacho generátor,szénkefe,csatik átnézése!
Szia!
Egyet sem öblít? Ha külön centrire rakod akkor szivvatyúzik e, centrizik e!? Üdv, Palkó.
Szia!
Nem csinál semmit csak mos. Üdv.!
Elképzelhető akkor, hogy nem lép a programkapcsoló. Hallgasd meg, hogy ketyeg e a programkapcsoló.
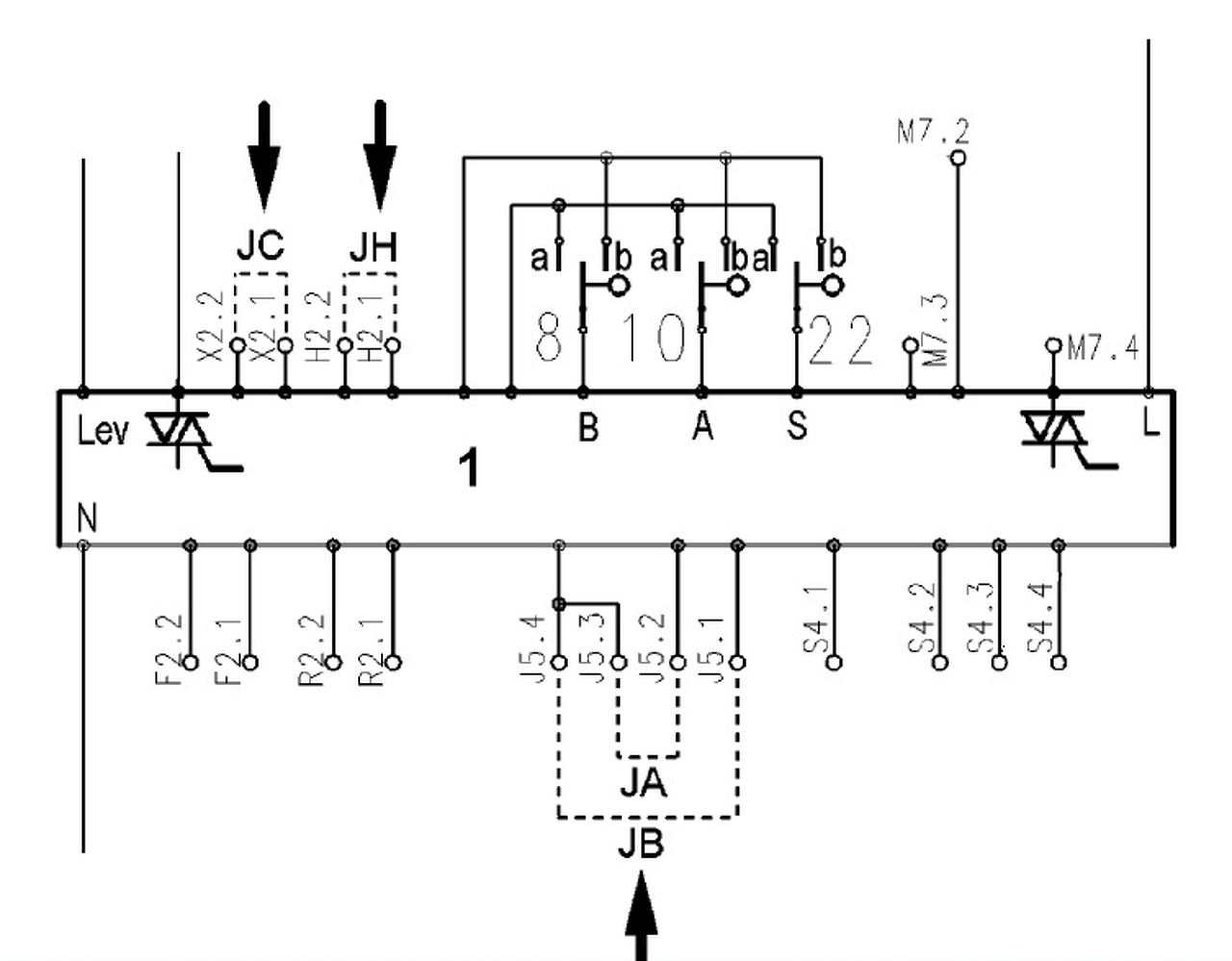
Szia! A ketyegés az nem biztos, hogy hallatszik mert a programkapcsolót forgató motor elég csendes. A szivattyút kellene megnézni, hogy nem tekeredett-e fel valami textilszál, hajszálak a tengelyre esetleg valami más ruháról lesodródott kiegészítő odakerült a lapátkerék terébe. A szűrőfedelet kell levenni és belátni a szivattyúhoz. A tengelyre esetlegesen feltekeredett szálak nehezen távolíthatók el és türelmet igényel. Ha a szivattyú tengelyének nagy a holtjátéka, kopott akkor valószínű, hogy esetleg ezért nem tud megfelelő fordulattal szivattyúzni. A centrifuga fordulat a panelen a képen látható jumperrrel van megoldva, talán nem érintkezik jól .... JA, JB
A hozzászólás módosítva: Máj 2, 2016
Üdvözlet.
Whirlpool AWO/D mosógép F08 hibakód mit takarhat? Más tipusoknál fűtőszál hibát, itt is helytálló lehet? Zoli
Most továbbment és csinálja a dolgát,de azt mondják ha megakad akkor csak búg a motor mintha fogná valami(csapágy,szénkefe?).
Sziasztok!
Indesit IWD 7125 tipusu mosogephez keresnek panelrajzot. Zarlatos lett a mosogep az ajtozar meghibasodasa miatt, es az alaplapon elpattant az egyik tranzisztor, csak sajnos nem latom, hogy milyen tipusu pontosan. Vagy ha valaki esetleg tudja, hogy ez milyen tranzisztor, azt is megkoszonom. Elore is koszonom a segitseget. Udv, Alfonz |
Bejelentkezés
Hirdetés |









