Fórum témák
» Több friss téma |
Mielőtt kérdezel, a következő két dolgot ellenőrizd!
I. A helyes tápfeszültségek megléte.
II. A kimeneten van-e egyenfeszültség.
Élesztés.
Ha bemenetválasztáshoz használnék egy 4 állású 3 áramkörös forgó kapcsolót. A két jelt kapcsolná. Ha a 3. áramkör visszajelző ledeket kapcsolna, az okozhat bármi problémát?
Ha kisszintű jeleket kapcsolsz nagy impedancián és a ledet direktben kapcsolod, akkor elektromosan zavarhatja jelet, pattoghat. De próbáld ki és kiderül.
A hozzászólás módosítva: Máj 18, 2016
Tehát jobb lehet, ha egy tranzisztorral kapcsolom őket?
Zavar szempontjából az a legjobb, ha minél kisebb áramot kapcsol a kapcsoló, de lehet, hogy annál a pár 10 mA -nél még nem fog áthallatszani, ki kell próbálni. Kis áramokat akkor tudsz kapcsolni, ha minden ledhez teszel még egy tranzisztort, amit a kapcsolóval vezérelsz.
Bármelyik megoldást választod, a ledes áramkörnek ne legyen kapcsolata a jelút áramköreivel. GND -t is, meg tápfeszt is teljesen a tápegységtől vigyél a ledes áramkörnek.
Sziasztok beszereztem egy dynacord eminent 2 est működött szépen de egyszer csak fűstölni kezdett és a bisztositék is kiment .
A bisztositékot kicseréltem de már a hang nem ment a csővek világitonak de hőt csak minimálisan nem tudom mi lehet a probléma kérem ha valaki találkozott evvel a problémával vagy ha tudná hogy mi lehet kérem irjon Köszonöm előreis
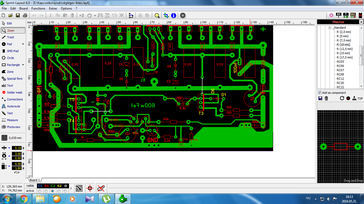
Sziasztok .kicsit újra lett, gondolva a nyák terv. Kérlek titeket pillancsatok rá. És ha valamit észrevesztek ,vagy változtatnátok még. Kérlek jelezétek . Köszönöm .
Szia!
A BD139 nem fért volna a bordára? A nagyjelű erősítő nagyon szét van húzva, félő sok zavart szedhet így össze. Egyszerűbb volna bevinni a tápot. A test miért nem csillagpontos? Előbb legyen a szűrőkondi a vezetősávon mint a fogyasztó!
Az a gáz, hogy maga a kondi is megrángathatja a földet, én is így szoktam kötni a nyákon a kondikat és ez így rendben van.
Pont azért kell előbb a kondi, hogy a rángatás ne vezérelje az előtte levő fokozatokat.
Az egyetlen ami rossz helyen van itt, az a bemenet földpontja, azt ugyanúgy középre kellene rakni és rendben lenne.
Csak most nézem, hogy a tápot fentről kapná a tranzisztorok felöl és a tápág végén lennének a kondik. Így viszont már brummgenerátor lesz az biztos. A hozzászólás módosítva: Máj 19, 2016
Bár a csatolt NYÁK-terv bipoláris végtranzisztorokhoz készült, számtalan tervezési fogást elleshetsz belőle, érdemes tanulmányozni!
Egyúttal ide rakom valamennyi kapcsolódó ábrát, mert sokan érdeklődnek ebben a teljesítmény kategóriában és legyen már alternatívája az ST151-nek.
A kimeneti ZOBEL tag nagyon furcsán van benne a kimenet 150nF-al közvetlenül földelve? Ebben sincs túláramvédelem sajnos
Pedig olyan szép doksi A hozzászólás módosítva: Máj 19, 2016
Kimeneti LR tag sorba kapcsolása a müködésnek nem feltétele, de mindenképp előny. Én dobnék rá egyet...
A hozzászólás módosítva: Máj 19, 2016
Az induktivitás után elmegy így a kondi.
A 4 db MJL nullátmeneti rövidzárnál is különösebb megrázkódtatás nélkül roppantja el az 5A-es biztosítékot - gondolhatta a költő
Vegyes érzelmekel írok neked. Ez az erősítő annyira egyszerű, hogy ha nincs trafózárlat, akkor elvileg nem nagy falat megjavítani. Viszont a közel 800 V-os anódtáp miatt egy tescós multival nem is ajánlom hogy belenyúlj. Legvalószínűbb, hogy összeroskadt benne valamelyik cső, ezért lett zárlatos. Csak akkor érdemes felújítani, ha tényleg kötődsz hozzá. Csak a csőcsere 15000. Ha rászánsz ennyit, még mindig érdemes rábízni egy tapasztaltabbra. Ez a tápfesz, több mint életveszélyes!
KB a zene is elmegy az induktivitásba és kondiba. Ha ennyire le kell "folytani" azt az áramkör, nagyon stabil lehet.
Szia! Szépen alakul. Az általam leírt többi szempont is megvalósításra vár.
szia igen én imádom az erősitőmet de a csövek világitanak 3 van benne 2x EL 34 és 1x ECC81 es az erősitom bekapcsol de hang nincs
Szia. "Alkotó" rakott fel képeket új szerzeményéről. Kicsit hasonlít a "D" osztályú fóliavezetésre. A két hidegítő elkó közös pontja majdnem egy helyen van. Szerintem sem hátrány, ha nem méteres vezetősáv köti össze a szűrőkondikat. A szememnek bár jobban tetszik ez az "in line" elrendezés, viszont a "quadkopter" forma lehetővé teszi a táp, a föld és az emitter (source) ellenállások csillagpontos elrendezését. Jelzem kicsit csúnyának tartom, de sok előnye lehet. Akár az is, hogy nyák gyártatáskor 10X10 cm alatt sok helyen hatalmas kedvezményt adnak.
1. Szerintem, ha nincs értelme akkor akkor ne használjunk potyára 17.5-ös lábkiosztást a pici ellenállásoknál. Csomó helyen ez végett növekednek meg a vezetősávok és kell még nagyobb kanyarokat tenni.
2. Raknék a tápágakba egy-egy üvegbiztosítékot. (Persze amennyiben, ha lesz a puffer-parknál, akkor ide rakni felesleges). 3. Source lábaknál is azt a rövid sávot kb ugyan olyan vastagra húznám, mint amilyen a kimeneti gyűjtősáv. (Súg: illetve az egyiknék be sincs húzva) A hozzászólás módosítva: Máj 20, 2016
Nyákot magamnak gyártom
így a méret nem érdekes .
Szia!
Először is nagyon ügyes vagy, ezt meg kell hagyni! Tényleg látni, hogy a dolog nincs össze csapva, többszörösen átgondolt, és kivitelezett gépről van szó. Röviden: jó ránézni! Tetszik ez a moduláris elrendezés, viszont éppen csak az előnyét nem tudod érvényesíteni. Azt látom, hogy sacc 70-80mm magas ha nem több így bordástúl... Amihez pedig szerintem feleslegesen szellős (nagy) lenne egy 3U gépház. Gondoljunk bele, a levegőt el is kell tudni hajtani közüle. Majd éles tesztnél rájövünk, hogy nem is olyan könnyű dolog ezt megbízhatóan összehozni. A 8 centissel az a baj, 4 centissel meg az lesz a baj... a radiális meg egyenetlenül tekeri át levegővel a lamellákat. Én mindenképp kapcsolóüzemű tápban gondolkoznék. Pici, (alacsony) könnyű és nagyon jól terhelhetőek. Nem utolsó sorban: ekkora teljesítményekhez -kizárólag- azt érdemes csinálni főleg, ha megadnak készíted kb 5000-ből kivagy vele, de amint látom már megvetted az elkókat így arra se kell +költeni szóval max ~2...3000Ft, ahhoz meg bőven elég a 2x4700uF, még sztereóban is.
Ismét változtatva lett. remélem minden rajta van. kérlek véleményezzétek.
A "méret" kétélű fegyver. Végfok témában pedig sok esetben kulcskérdés mekkora is az akkora.
De a tervezéskor ennek ellenére kimondottan gondoltam az alacsonyság opcióra is. Ha speciális hűtőelemet használunk, akkor a végtranzisztorok állhatnak a panel hátoldalán merőlegesen is, és ekkor már 6-7 cm a teljes magasság. Illetve a két panelt sem szükségszerű egymás fölé tenni (habár ez nagyon kézenfekvő). Ha lesz kedvem, majd firkantok ilyen ajánlást is, hátfa valakinek ez kelti fel az érdeklődését. A jelenlegi kialakítás az aktív hangszóró dobozokba való beépítés szempontjából ideális, ahol nincsenek "U magasságok".
A két belsó fet lába nincs összekötve..
A egyiknél a gate, a másiknál a source láb hibádzik.
Igen azt észre vettem ,az javitva lessz.
|
Bejelentkezés
Hirdetés |














Pedig olyan szép doksi

így a méret nem érdekes . 





