Fórum témák

» Több friss téma
Fórum » Elektronikában kezdők kérdései
- Ez a felület kizárólag, az elektronikában kezdők kérdéseinek van fenntartva és nem elfelejtve, hogy hobbielektronika a fórumunk!
- Ami tehát azt jelenti, hogy a nagymama bevásárlását nem itt beszéljük meg, ill. ez nem üzenőfal!
- Kerülendő az olyan kérdés, amit egy másik meglévő (több mint 17000 van), témában kellene kitárgyalni!
- És végül büntetés terhe mellett kerülendő az MSN és egyéb szleng, a magyar helyesírás mellőzése, beleértve a mondateleji nagybetűket is!
Lapozás: OK   2791 / 4034
(#) kameleon2 válasza nemprofi hozzászólására (») Máj 20, 2016 / 1
 
Szerintem Itt megvan minden mi szem-szájnak ingere.
(#) nedudgi válasza pucuka hozzászólására (») Máj 20, 2016 /
 
Erről hol találok valamit? Nekem új, hogy teljesítmény átvitelét ármgenerátorral oldják meg.
(#) nemprofi válasza kameleon2 hozzászólására (») Máj 20, 2016 /
 
Eddig még nem jutottam el erre az oldalra, lévén más dolgom is. Az a helyzet, hogy összeraktam a feleségemnek egy számitógépet, arra ugye rákerűlt a fülesem, mert mindig akkor támadt fészbúkolási ötlete, amikor én használtam a gépet. A fiamnak hányódott itt egy okostelefonhoz való fejhallgatója, ami a jack dugónál megtört. Megjavitottam, persze annyi eszem már nem volt hogy hosszabb vezetéket tegyek rá. Külön mikrofonom van. A dolog szépsége, hogy erősen nagyot hallok, a régi füles nekem halk volt, ez a megbuherált fejhallgató meg egyszerűen csodálatos. Visszatérve a javasolt oldaladra, ott aztán csakugyan van minden. Kösz.
(#) kendre256 válasza nedudgi hozzászólására (») Máj 20, 2016 /
 
Ezer éve használják. Száz kilométeres telefonkábelek vonalerősítőit a tajgában, vagy a tenger alatt macerás volna máshogy táplálni. Nyilván erősítőnként néhány wattról és nem nagyobb teljesítményekről van szó. Ha jól emlékszem, a BRG is gyártott orosz olajvezetékekhez olyan rádiókat, amelyek ilyen módon voltak táplálva.
(#) Gafly válasza kendre256 hozzászólására (») Máj 20, 2016 /
 
Nem csak a tajgában, hanem nálunk is az alföldön. Egy nagy hátránya van: Nagy feszültséggel dolgozik ennek minden hátrányával (érintés védelem, szigetelés, stb.) együtt.
(#) kapu48 válasza nemprofi hozzászólására (») Máj 20, 2016 / 1
 
Rávan szitázva a bal felső sarokban:
Bővebben: Jobb kép

A hozzászólás módosítva: Máj 20, 2016
(#) kadarist válasza kapu48 hozzászólására (») Máj 20, 2016 /
 
Nincs ott erősített kimenet.
(#) Gj válasza Gj hozzászólására (») Máj 20, 2016 /
 
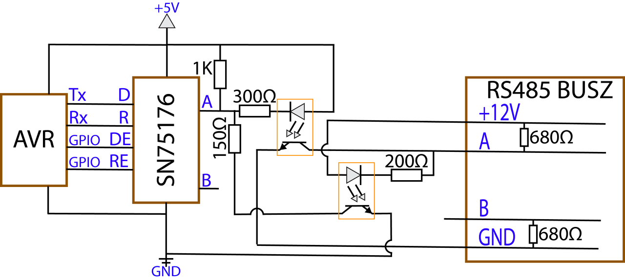
Rajzoltam egy optocsatolós leválasztást. Csak az "A" ér van lerajzolva, de a "B" is ugyan ez lenne, csak az ugye alapból lehúzva van, nem fel. Ez így működőképes?

Szerk: Közben kicseréltem a képet, volt rajta egy hiba.
A hozzászólás módosítva: Máj 20, 2016
(#) kadarist válasza Gj hozzászólására (») Máj 20, 2016 /
 
Rajzolj egy másikat, mert ezen csak csizmával lehet elmenni....
(#) pucuka válasza nedudgi hozzászólására (») Máj 20, 2016 /
 
Például:
Bővebben: Link
(#) Gj válasza Gj hozzászólására (») Máj 20, 2016 /
 
Ugyan az szebben.

Idézet:
„Rajzoltam egy optocsatolós leválasztást. Csak az "A" ér van lerajzolva, de a "B" is ugyan ez lenne, csak az ugye alapból lehúzva van, nem fel. Ez így működőképes?
(#) mpetrooo hozzászólása Máj 20, 2016 /
 
Üdv.

Van egy gitárhangolóm, esetleg valaki tudja hogy az ebben lévő lcd pontosan milyen? Igazából azért érdekelne, mert valahogy egy arduinonak kéne mérnie pontosan egy gitár hangját. Arra gondoltam hogy valahogy az lcd-ről kéne levenni a jeleket, mert azon pontosan megjelenik a hang. Szerintetek ez kivitelezhető? Vagy teljesen rossz ötlet?

Előre is köszi,
Máté
(#) Bakman válasza mpetrooo hozzászólására (») Máj 20, 2016 /
 
A kijelző valószínűleg egyedi, erre az eszközre lett gyártva. Megoldható a jel levétele a kijelzőről, de ahhoz szét kell barkácsolni a hangolót.
(#) mpetrooo válasza Bakman hozzászólására (») Máj 20, 2016 /
 
Az nem gond, küldhetek róla képet. Jól sejtem hogy nem sima digitális jeleket kell majd kiolvasni, hanem valami analóg dolgot? Vagy esetleg nincs valami ötletetek hogy lehetne arduinoval pontos frekvenciamérőt csinálni(gityó hangjában nem kevés felharmónikus van, gondolom ez is bonyolítja a helyzetet)?
A hozzászólás módosítva: Máj 20, 2016
(#) atban hozzászólása Máj 21, 2016 /
 
Sziasztok!
Egy 5V ventilátort szeretnék működtetni úgy, hogy 1 óráig menjen, aztán 1 óra szünet. Lehetőleg úgy, hogy, amikor nem megy a ventilátor, akkor kicsi legyen az áramkör fogyasztása.
Összeraktam proli007 kapcsolását néhány dolgot átalakítva: R1 és R2 1Mohm, P1, R5, Z1 elmarad. C1 220nF, R3 Q14-en. A FET helyett egy IRLR024N Fet, de sajnos nem működik. Mit kéne megváltoztatni, hogy működjön?
(#) eSDi válasza atban hozzászólására (») Máj 21, 2016 /
 
Üdv!

Pedig működik ezekkel az értékekkel, legalábbis szimulációban. Tegyél a legkisebb helyiértékű kimenetre egy LED-et, annak villognia kell.
(#) Bakman válasza atban hozzászólására (») Máj 21, 2016 /
 
Tegyél a Q4-es kimenetre egy LED-et ellenállással, esetleg oda kösd a FET-et. Ha nem működik, akkor valószínűleg az a baj, hogy túl nagy ellenállásokat használsz, a kondenzátor töltőárama túl kicsi ami összemérhető a kondenzátor szivárgó áramával. Ha így van, vagy kissebb ellenállásokat használj, vagy keress egy nagyon jó minőségű kondenzátort.

Perpillanat max. 9 uA-rel töltődik a kondenzátor, ami nagyon kevés. Lehet, hogy a veszteség ennyit el is visz (szigetelési ellenállás a két fegyverzet között).

Kiküszöbölhető a kondenzátor ilyen hibája nagyobb kapacitású használatával, miközben csökkented az ellenállások értékét.
(#) proli007 válasza atban hozzászólására (») Máj 21, 2016 /
 
Hello! Ha nem működik, akkor valamit elrontottál. A szivárgással nem lehet baj, ha a kondi fólia és nem elkó. Maximum ha a panel amit készítettél koszos és égett gyanta van rajta.
Ha a Q4-re egy ellenállással Led-et kapcsolsz, ha jár az oszcillátor, akkor kb. 3,5sec ideig ég a Led és 3,5sec ideig sötét. Valamint az időzítés a szünettel kezdődik. Tehát majd csak egy óra (vagy kicsivel több) után fog elindulni a venti. (Igaz a fogyasztását nem írtad, de ha 5V-os túl sokat nem ehet, hogy az IRLR ne tudná meghajtani.)
De legvalószínűbb helyzet az első mondatban van.
(#) SKY hozzászólása Máj 21, 2016 /
 
Sziasztok!
Amikor meg van adva egy CMOS áramkör fogyasztása wattban vagy áramfelvételben (ami ugye a dinamikus fogyasztásból ered x üzemi frekvencián), akkor ebben az értékben benne van a kimeneti lábak egymásba vezetéséből eredő áramfelvétel is?

Vagyis ha egy komplett áramkör fogyasztását szeretném kiszámolni, akkor veszem az IC fogyasztását + az általa meghajtott kimenetek töltéspumpálásának teljesítményét + az ő bemeneteinek töltéspumpálási teljesítményét és ezekhez még hozzájön az összes I/O egymásba vezetésének teljesítménye?

Válaszotokat köszönöm!
(#) Gj válasza Gj hozzászólására (») Máj 21, 2016 /
 
Valaki rá tudna pillantani? Működne ez így?
Köszönöm!
(#) Bakman válasza SKY hozzászólására (») Máj 21, 2016 /
 
Nagy valószínűséggel nincs benne, mert ha egy kimenet pl. 0-20 mA-ig terhelhető, akkor a gyártó milyen adattal számoljon? A kimenet bekapcsolásához szükséges energia viszont minden bizonnyal benne van. Egy logikai IC-nek van bemeneti ellenállása, ezzel terheli az azt meghajtó áramkört. Ezekből már lehet számolni valamit.

Töltéspumpálási teljesítményről viszont még nem hallottam.
(#) Macsek71 hozzászólása Máj 21, 2016 /
 
Sziasztok !

Ha egy "car led bulb" (autós ledes "izzó") ránézésre 5050 smd LEDekből van megépítve, mekkora a valószínűsége, hogy azok a ledek valóban azok ?
Pillanatnyilag nem áll módomban smd technikát használni (panel maratás, forrasztás), amit kinéztem "izzót" azt szét tudnám vágni általam is kezelhető darabokra (kis panelocskák ráforrasztott chippel).
Köszi !
(#) Bakman válasza Macsek71 hozzászólására (») Máj 21, 2016 /
 
Éppen akkora a valószínűsége, mint amennyire ránézésre meg tudod állapítani.
(#) SKY válasza Bakman hozzászólására (») Máj 22, 2016 /
 
Igazad lehet. Ezelőttig én sem (13. old): Bővebben: Link
P=f*dQ*Ut nem tudom ebből hogy lesz P~f*Vdd^3, pedig több forrásnál is így van elírva.
A hozzászólás módosítva: Máj 22, 2016
(#) IOsys hozzászólása Máj 22, 2016 /
 
Sziasztok! Tápot javítok, két 400V-os kondit cserélek. Eredetileg alacsony kondik voltak bent, de csak magasat kaptam és el kell őket fektetnem. Közvetlenül a beforrasztási helyen nincs elég hely a kondik fektetéséhez. A kérdésem az, hogy milyen hosszú lehet a kondi lába? Kb 5 centire kéne elvinnem.
(#) Gafly válasza IOsys hozzászólására (») Máj 22, 2016 /
 
Nem kell aggódnod miatta, ha leszigeteld, és nem mozog, akkor sok gondot nem fog okozni...
(#) kadarist válasza IOsys hozzászólására (») Máj 22, 2016 /
 
Szia!
Ha megvastagítod a kivezetéseket, akkor lehet annyit hosszabbítani.
(#) IOsys válasza kadarist hozzászólására (») Máj 22, 2016 /
 
Gafly: köszi!
kadarist: Mármint a kivezetés tövénél? Félek, hogy a hővel károsítom a kondi lelki világát. Amúgy mindenképp vastag vezetéket fogok használni.
(#) kadarist válasza IOsys hozzászólására (») Máj 22, 2016 /
 
Vágd rövidre az eredeti lábakat, majd az eredetinél vastagabbat forrassz rá és így kösd be.
(#) IOsys válasza kadarist hozzászólására (») Máj 22, 2016 /
 
Értem, világos. Villanyvezeték is jó vagy tömör kell ide?
Következő: »»   2791 / 4034
Bejelentkezés

Belépés

Hirdetés
XDT.hu
Az oldalon sütiket használunk a helyes működéshez. Bővebb információt az adatvédelmi szabályzatban olvashatsz. Megértettem