Fórum témák
» Több friss téma |
Sziasztok.
Frekvencia mérésekor, a %-nak is annyi értéket kellene mutatni? Gondolok itt, 50hz-50%. Mert nekem ezt nem sikerült még mérnem. Pl 50,02hz-49,9% ilyen adatokat mutat. Vagy a multi nincs jól bekariblálva?
Hello!
A kérdés magadnak, hogy mit mérsz és mi a jelforrás. Mert szinuszos jeleknél a kitöltésnek túl sok értelme nincs. Pontosabb eredményt négyszögjelnél lehet elvárni. Hiszen a bementi egység komparálja valahol a jelet. A komparálás időbeni pontossága függni fog a bementi jel és a komparálási küszöbérték arányától és a jel felfutási meredekségétől. De elgondolkodtál azon, hogy az 50,02Hz és a 49,9% milyen pontosságot jelent és mi van a műszer adatlapján megadva? Valamint hogy a 49,9% -0,2% pontosságot jelet. Hol kellene ennél nagyobb pontosság? Nem szabad a digitális technikától fertőzést kapni!
Hali.
Köszönöm válaszod- Az adatlapján ez található:± ( 0.1 % + 4 Digit ) pontosság.
Üdv!
Egy Thurbly 1905A multival küzdök. Ismeri e valaki a műszert? Bekapcsoláskor minden szegmens világít. Semmire nem reagál. Köszi.
AC feszültségmérés pontosságát nézted-e, mert minden mérésnél más pontosságok vannak megadva. A 0.1% AC mérésnél a profi kategória pontossága, nem tudom milyen műszered van.
Hali.
Egy ut61B-multiméterem van, Pl 50,02hz-49,9% ilyen adatokat mutat, AC frekvencia mérésekor. A hozzászólás módosítva: Márc 2, 2016
Itt a pontossága AC voltmérésél, 1-1.2%, plussz 3-5 digit. Bőven pontosabb a műszered, mint a specifikációban megadott, ha a mért 50Hz pontos.
A hozzászólás módosítva: Márc 2, 2016
Bocs eltévesztettem, voltmérésnek néztem, de frekvenciamérésről volt szó. Ott valóban 0.1% a megadott pontosság.
Hali.
Köszönöm a választ. Szerintem azért még így is belefér a megadott értékhatárba a frekvencia, százalék. Az adatlapját nézve, vagy tévedek?
Belül van frekvenciamérésnél a megadott értékhatárban a pontosság, rendben a műszer. A kitöltési tényező mérés négyszögjel méréséhez van, szinusznál írta visszább proli007 mi a gond.
Hellotok!
DT9205A multiméter váltóáramu állásnál 700 voltra állitva a hálózatot 007 nek mééri. Mi lehet a probléma?
DT9205A multiméter váltóáramu állásnál 700 voltra állitva a hálózatot 007 nek méri.Egyenáramú beállitasnál is 004 voltot mutat 200 voltnál is. Mi lehet a probléma?
Sziasztok,
"Találtam" otthon egy Ganzuniv 3-at. Működik, kivéve az allenállás mérés Mohm - Kohm x10 - x100 három állását. A kapcsolási rajzot nézve a két darab BC168C-re gyanakszom. Ha bebizonyosodik a félelmem tud valaki esetleg beszerzési forrást vagy helyettesítő tranzisztort? köszönöm, barna A hozzászólás módosítva: Márc 7, 2016
Vizsgáld meg a bemeneti osztót a kapcsolót,keress fólia szakadást,vizsgáld meg a mérőzsinórokat,ha ezeket összeérinted dióda vizsgálóra kapcsolva,közel nullát kell hogy kiírjon a kijelző.
Hello! A tranyók helyett jó akármi, csak NPN legyen és nagy bétás. Egyébként BC238 van benne..
Na jó, BC238-at sem találok sehol (HEstore. lomex)
![]() Esetleg tudsz mondani helyettesítőt? köszönöm.
Valóban BC238C van benne, ráadásul szerencsére a csere szempontjából ideális helyen.
Végül a HQ-ban találtam pár tíz forintért alkatrészt. Holnap megveszem / cserélem és meglátjuk. Köszönöm a segítséget.
Nos kicseréltem a két BC238C-t de semmit sem javult a helyzet...
![]() Ha van valakinekötlete szívesen veszem. Köszönöm.
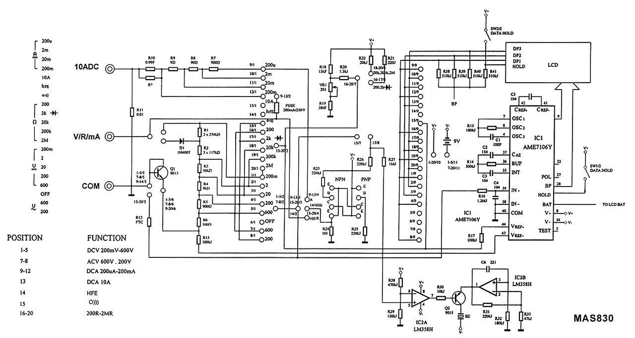
Sziasztok! Egy Mastech MAS830 típusú műszerrel kapcsolatban szeretném kérni a segítségeteket. Az lenne a problémám, hogy ellenállás mérés üzemmódban került rá 400v. A biztosíték csere nem segített, szakadás vizsgáló módban 327 egységet mutat. Ellenállás mérésnél változó minden méréshatárban. Tudna valaki segíteni ezen hiba megoldásában?Válaszokat előre is köszönöm!
Üdv!
Nagyon valószínű, hogy az agya károsodott. Az LCD alatt van. Ha nincs szerencséd, akkor valamelyik passzív alkatrész is "megnyúlt". Ebben az esetben, a javítás után kalibrálni is kell, mert különben pontatlan lesz. A biztosíték, csak a max. párszáz mA-es mérésbe szól bele. Nem biztos, hogy annyit ér ez a műszer, hogy javítani megérje. Illetve egy új vásárlása után, jó lehet gyakorlásnak, ha megjavul, van két jó műszered. Néha jól jön.
A műszer kapcsolási rajzát mellékelem.
Köszi! Én 1,3K mérek rajta. Normál ellenállással helyettesíthető ez az alkatrész? Ha netán a vezérlő IC is hibás, hogyan tudom eltávolítani? (panelre van öntve, viszont lábak ki vannak vezetve tokozott ic-hez)
Szép estét!
Hozzám került egy Mastech M92X dmm. Mér feszültségeket, ellenállást, de áramot nem. Miért lehet ez?
Biztosíték jó benne?
|
Bejelentkezés
Hirdetés |
















