Fórum témák
» Több friss téma |
Üdv!
Kész a panel az itt már többször említett inverteres pásztorhoz(oldman, BSS 2 féle, a javasolt módosításokkal). 1. Tennék bele 2 led-et, az egyiket a bekapcsolt állapot jelzésére, a másikat az 555-ös ic vezérlő "villogására" meg tudná valaki mondani hova kell beépíteni? 2. kb 1 cm szikraközt javasoltak több helyen. Ez a dobozban bárhol lehet? Szükséges valahol a karámban is elhelyezni egyet? 3. Milyen paraméterű akkuról tudnám működtetni, mennyi ideig tudja meghajtani folyamatos működés esetén? 4 ha beválik, megpróbálkoznék valamilyen solar töltővel, valami ilyesmivel(?):solar Kicsit sok lett, de köszi, ha válaszoltok rá. Üdv!
Ūdv.Egy kérdéssel fordulok hozzátok.Vásároltam egy pásztor üzemeléséhez egy 4,5A akkut 12v,amit 20-30wattos napelemről szeretném tőlteni.Szūkségem lenne egy ilyen tőltő,szabályzó kapcsolási rajzra.Köszönöm.
Sziasztok!
Érdekel valakit egy működő villanypásztor kapcsolási rajza? mert ha nem akkor nem vesződnék vele. Egy tanáromtól kaptam, termelési gyakorlaton sok ilyet raktunk össze, azt mondta hogy ő ettől nem ismer olcsóbb megoldást. A határban vannak telkei, és azok voltak körbekerítve. az áramellátást úgy oldotta meg, hogy a kevésbé jó aksikat hetente kivitte és kicserélte majd feltöltötte.
Szia!
Ez egy értelmetlen kérdés... na ná, hogy érdekel mindenkit, ha van rá lehetőség!
Engem nem érdekel, de nyugodtan mutasd meg, mert valakit biztosan érdekel.
Üdv!
Ez nem ide tartozik, így ne is várj sok segítséget. van témája már ennek, inkább oda kellene feltenni, hogy eredményesen kapj segítséget.
Szia! Szerintem mindenkit! Pláne ha le is írod mit tud
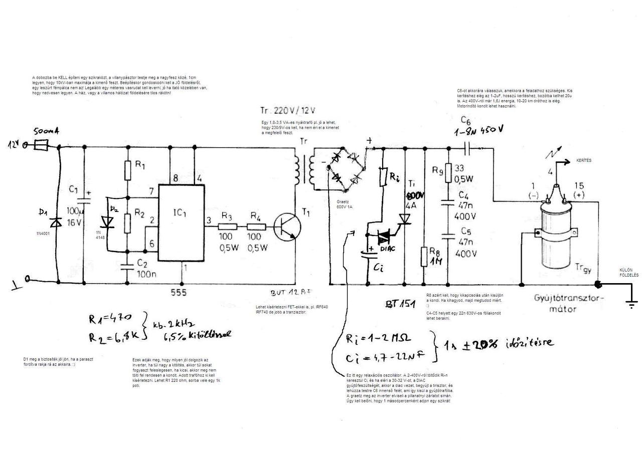
Másodpercenként egyet szikrázik, 1cm távolságról.
Ha a transzformátor kivezetései között nem lenne ragasztó akkor a primer és a szekunder között is áthúzna, és kinyírná a digitális tápot. Ezért is van csengőtrafó. Sok féle trafóval próbálkoztunk, és ezzel ment a legjobban(a 20 közül) Ennyit tudtam tenni, ha kapok hozzá rajzot akkor majd azt is felrakom. A hozzászólás módosítva: Máj 29, 2016
masik fele
Ez majdnem ugyan az, mint az itt fellelhető inverteres vp., csak nem 555 a meghajtó, hanem tranzisztoros. Szerintem ez még bonyolultabb is, mint az itt találhatóak.
Ettől eltekintve, Köszönjük, hogy felrakod!
felraktam egy videót is a működéséről.
Jó öreg Push-Pull topológia. De legalább az kihozza azt a teljesítmény ami a trafóban benne van, nagyon jó hatásfokkal.
Idézet: „ha kapok hozzá rajzot akkor majd azt is felrakom.” Olyan egyszerű, hogy képek láttán megfejthető a dolog. A C4-re ?/450V írtam, mert egyedül azt nem látom, ![]() a C1-nél meg felejtsük el az elektrolit kondenzátort , MKT való oda . A hozzászólás módosítva: Máj 29, 2016
Sziasztok. Lenne egy kérdésem és egy kérésem is. Opel Astra f 1.4 autó gyújtótrafója megfelelne villanypásztornak? És szeretnék már kipróbált és működő kapcsolási rajtoz kérni, ami kb másodpercenként adja az impulzust. Bár ez annyira nem is fontos, csak működjön rendesen.
Hétvégén láttam egy félvezető nélküli villanypásztort a bolhapiacon. Sajnos elfelejtettem lefényképezni... Egy avittos, katonai forma fémdobozban volt egy nagyfesz trafó, aminek a primerje egyben elektromágnes is volt és rángatott egy érintkezőt, azzal szaggatott. A tulaj szerint 6-12-ról szépen megy, működőképes, pedig ránézésre lehetett vagy 40-50éves a szerkezet.
Az egy szabvány motor indítókondni, 16uF. A műhelyben 25mikrofaradosokkal építettünk, ez amit láttok "maradékból" lett összerakva. ezért csak 16mikrofarádos, De így is jól megy láthattátok.
A kondi oldalán 250v !effektív! érték van feltüntetve. A 450voltos jó lesz hozzá. Még a gyújtótrafó is kisebb ebben mint a többiben volt. A kis kék trafóban is kételkedtünk, mert a többiben 2*12voltos volt, de végül ezzel lett összerakva a legjobb panel. Elvileg a szikraidőt a C3 nagyságával lehet szabályozni (a szürke kondi). Próbáltam úgy fotózni hogy mindent látni lehessen. le is mentettem a rajzot, köszi.
Azért ott a testek (GND) körül van olyan dolog amin nincs rendbe téve
. Valószínűleg az akkumulátoros üzem miatt ki volt vezetve a primer(inverter) GND-je. De hogy a csengőreduktoros táplálásra váltottál, azt a testet használtad fel a biztonsági szikraközre. Ez nagy hiba!Én inkább a zöld sárgát kötném oda mert úgy tud érvényesülni teljes mértékben a szikraköz, arról már nem is beszélve, hogy idővel így át fog ütni az inverter trafója, primer-szekunder közt. A hozzászólás módosítva: Jún 6, 2016
Én is pont ezt kérdeztem a mestertől, hogy miért nem kötjük a zöldsárgát a szikraközhöz, azt mondta hogy nem.
Nekem ez csak egy hobby projekt, nem is használom, de majd ha bekötöm figyelek erre.
Helo.A klasszikus kapcsolásban(555)ha a inverter trafót(12/230v)lecserélem 9/230v-re,és az akksi full(14v),a freki közel 3khz,a kondi 16u.Eshet valami baja ennek a trafónak??köszönöm.
Üdv. Neked! Semmi baja, mehet!
Nálam már a huszonakárhányadik készül... Minden ok! Raktam már 33µF kondit is mert az került. Olvass vissza a fórumon, erdgab mester tanácsai hasznosak... Kellemes napot! A hozzászólás módosítva: Jún 16, 2016
Köszönöm szépen.
Sziasztok. Hoztak hozzám egy villanypásztort javitani . Kipróbáltam és áramot kap de nem akar szikrát adni. A transzformátor is zug . Esetleg ha valaki tudna segiteni hogy miként induljak el a hiba keresésébe nagyon megkösszönönémm. Itt egy kép a készülékről. Megfigyelés: Bedugtam 220V ba 5 -öt szikrázott és azóta semmi, se aksival se 220al.
A hozzászólás módosítva: Jún 17, 2016
Milyen trafó zúg?Mérj feszültséget a kis szürke trafó sarkánál lévő kondenzátoron,olyan 12-15V körül kell lenni,ha ez megvan akkor a nagy fehér motorüzemi kondin mérj,itt lehet 200-500V DC között bármi.Figyeld meg,hogy periódikusan kb. 1mp változik e a feszültség,ha nem akkor az előtte lévő félvezetőket vizsgáld át.Ha még itt is jó lenne akkor az autótrafó a hibás.Vedd ki,ellenállásmérővel mérj a két csavaron,1-5ohm között kell lenni,mérj az egyik csavar és a nagyfesz. kimenet között,5-10k érték közt a jó.Ha még ez is jó akkor cseréld az elrothadt kivezetéseket.Nem valami jó a kép,de ennyi lenne.
Autogyujto trafó jó . Viszont a motorüzemi kondin csak 45-60 V mérek ,periodikusan változik.Egyéb tanács? Az előbb is amikor bedugtam viszont megint szikrázott kettőt s azóta megint semmi...
A hozzászólás módosítva: Jún 17, 2016
A motorkondin analóg műszerrel célszerű mérni. A digit multi becsaphat.
Ujabb info. A panel aljan levő tranzisztor forró...
Ui: Ha hülyeségeket beszélek javitsatok ki nyugodtan. Még csak 1 éve tanulom a suliba(n) az elektronikát. A hozzászólás módosítva: Jún 18, 2016
Arra a nagyobb tranzisztorra gondolsz,amelyik a panelra van fektetve?Melegszik mert nem megy az önrezgős (?) oszcillátor,legalábbis annak nézem,vagy nem mindig megy,nyitva marad és szinte zárlati áram folyik rajt.Keress forrasztási hibát,akár az egész panelt is átforraszthatod,ártani nem árt.A doboz belsejét nézve lehetnek rothadások a panelen is.
Sziasztok,megépítettem ezt a villanypásztort. Már egy jó ideje használom de most egy olyan hiba lépett fel amit nem értek. A hiba az áramkör elejében van a trafó előtt. Leválasztottam a trafót és úgy mértem ( Mind a két végét). Minden jól működik, négyszögjel szépen megvan,tranzisztor szépen erősít,de mikor ráteszem a trafót azonnal ellövi az 555-öst,ez mitől lehet? Azt gondolom hogy a trafó lehet de miért? Trafó jó,az értékei jó,összehasonlítottam egy jóval. Ötlet?
|
Bejelentkezés
Hirdetés |


























le is mentettem a rajzot, köszi. 

