Fórum témák
» Több friss téma |
- Ez a felület kizárólag, az elektronikában kezdők kérdéseinek van fenntartva és nem elfelejtve, hogy hobbielektronika a fórumunk!
- Ami tehát azt jelenti, hogy a nagymama bevásárlását nem itt beszéljük meg, ill. ez nem üzenőfal! - Kerülendő az olyan kérdés, amit egy másik meglévő (több mint 17000 van), témában kellene kitárgyalni! - És végül büntetés terhe mellett kerülendő az MSN és egyéb szleng, a magyar helyesírás mellőzése, beleértve a mondateleji nagybetűket is!
Köszi!
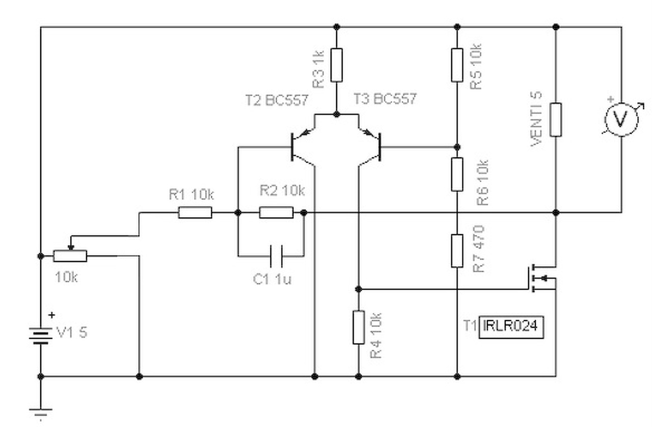
Akkor gondolom így. A poti 10K ami kapható könnyesen, meg már van egy csomóm is belőle. Esetleg lehet az R1 akkor nem kell, hogy 10K-s legyen. De ezt majd megmondod, ha jól rajzoltam. Amúgy valószínű 2 csoportra lesz osztva. A felső két veni egy ilyenen, és az 3. egy másik ilyenen lesz. Így külön tudom szabályozni, hogy mennyire fújja az orromba, és mennyire szívja ki a fejem tetején a levegőt. Tehát ha a teljesítmény miatt aggódsz, akkor lehet 1/3 - 2/3 arányban lesz csak a terhelés. Elletve az egyik fajta venit .09W a másik meg 1.0W (nominal: 1.2W). Tehát még itt is lehet a terhelésen csalni. Amúgy az fotoellenállás a normál kis ellenállásokat vettem: 0,6W. Ha kicsik, akkor kérlek jelezd, mert akkor veszek hozzá nagyobbat. Köszi. Fej1 Fej2
A kép nevéből arra következtetek hogy ez egy feszültségnövelő DC-DC átalakító, tehát a kimeneti szint nagyobb vagy egyenlő a bemenetivel.
A második kérdésedre a válasz: Igen, fog változni!
Olyan áramkor (akár modul ) létezik, amelyiknél nem változik?
Természetesen létezik olyan áramkör, csak bonyolultabb. Gondolj egy PC tápra, elég széles bemeneti feszültség tartományban állandó a kimeneti feszültsége. Ha ehhez hasonló áramkört építesz, akkor a trafó primer menetszámától, ill. áttételétől függ, milyen bemeneti feszültség tartományból készíti a stabil kimenő feszültséget.
Csak elvileg: Ha a trafó áttétele 1:2, akkor a 12 V bemeneti feszültségnél, 50 % -os kitöltési tényezőnél a kimenet is 12 V lesz. Ha csökken a bemeneti feszültség, növekedik a kitöltési tényező úgy, hogy a kimenet 12 V legyen. Ha nő a bemeneti feszültség, akkor csökken a kitöltési tényező, egészen addíg, míg be nem áll a kimeneti 12 V. Persze ez így nem pontosan igaz, mert vannak veszteségek stb, de az elv így néz ki. Ilyen trafós, PWM szabályzós DC/DC konverter kapcsolásokat keress. A hozzászólás módosítva: Szept 16, 2016
Köszönöm, de ez akkor kiesett. A lentebb leírt paramétereket kellne tudnia, és max. 20x30mm-em van az elhelyezésére.
Nem írtam, kb.100mA-t kell tudnia.
Ez valami hasonlónak tűnik.
Hello!
- Az R1 mindenképpen kell,mert az az erősítő része. Jó lesz a 10k, mint írtam kissé csökken a linearitás, de nem vészes, főleg hogy egy ventiről van szó. - Én ugyan nem aggódom, azt meghagyom neked. ![]() - Miféle fotoellenállás? Vagy kevesebbet igyál, vagy hozz nekünk is, mert így nem értünk szót.. De ellenállás szempontjából itt nem sok igény van, szinte bármi jó. Ellenállások terhelése itt csak néhány mW.
Hogyan kell multiméterrel kondenzátort mérni? (Esetleg a panelban hagyva is.)
Ha van kondenzátor mérési funkciója a multiméternek, akkor a panelből kiforrasztva mérhető. Panelben a kapcsolódó áramkörök miatt nem kapsz megfelelő eredményt. Sokan "mérnek" ellenállásmérővel kondenzátort, de csak a zárlat az ami egyértelműen kimérhető. A kapacitás megbecslése nem mérés. A kondenzátorok ESR értéke külön téma, de egyre nagyobb szerepe van, főleg a kapcsoló üzemű eszközöknél. Erre én egy LCM3-at építettem, az tud beforrasztott kondenzátort is mérni.
A hozzászólás módosítva: Szept 16, 2016
Bocs ott mást kezdtek írni, csak megzavartak. Nem fotoellenállás.
![]() Nem baj ha nem teljesen lineális. A lényeg, hogy vég helyzetben ha kell, a közel teljesen 5v-ot rá lehessen adni a ventire. ![]() (40 fokban a napon szőrmebundabán és alatta szörfruhában irtó jó idő van) PWM =0 (de a 10K-s poti esetén is érdekel. Ott van egy parancs, ami azt mondja a potinak, hogy kikapcsolás elméletileg) esetén a ventikkel mi történik? Tudom laboratóriumi körülmények esetén a grafikon alapján ott is 0V-ot kapnak. A valóságban ez mennyire igaz? Tehát kaphatnak egy pici feszültséget? Azért kérdem: - ez nem tönköli -e a ventit, hogy mondjuk folyamatosan 0.5V-ot kap? - ez nem meríti el le az egész rendszert szép lassan? Mert ha szükséges, akkor tervezni kell valamit, hogy az arduion mondjuk egy külön lábon lekapcsolja az egészet kikapcsolt állapotban. Segítségedet köszönöm: Zoli
Ez egy ACOUSTIC 370-es erősítő. A képlet kicsit változott közben. Utánanéztem és úgy találtam, hogy egyetlen kondenzátor esetében tudok csak megfelelő paraméterekkel rendelkező nyákba építhetőt találni, bár a kapacitása a cseredarabnak nagyobb (7800µF helyett 10000uF) lenne. Így nagy valószínűséggel marad az eredeti módszer.
Megtaláltam az erősítő eredeti sematikus kapcsolási ábráját és ott úgy látom, hogy az ábrán szereplő 1000µF 75VDC helyett a valóságban 1800µF 75VDC található a készülékben. Ezen a linken összeszedtem azokat az alkatrészeket, amiket cseredarabként felhasználnék. Ha segítenél, vagy valaki segítene abban, hogy azt mondja, hogy ez így megfelelő vagy mit érdemes még változtatni, vagy mire figyeljek oda, azt nagyon megköszönném. Ha emlékeim nem csalnak, akkor úgy emlékszem hogy kapacitásértékben ilyen típusú kondenzátoroknál választhatok nagyobbat, azonban a feszültségeknek egyeznie kell ugye? Idézet: „Ha emlékeim nem csalnak...” Majdnem igazad van, a C403 és C405 -ös kondenzátorok puffer szerepet töltenek be, tehát ezek helyére nagyobb kapacitás értékü választható, a C404 kondi pedig "kicsatoló" kondenzátor (hivatalos nevét nem tudom, de majd kijavítanak) elvileg méretezve van, tehát kapacitás értékben leginkább az a jó, ha ugyan akkora mint az eredeti vagy ha olyan nincs akkor minnél közelebb van ahoz, feszültség szempontjából pedig bármelyík kondenzátor lehet nagyobb értékű, kissebb viszont soha (ez minden kondenzátorra igaz)... Mondjuk azt nem értem, hogy két dugvillát kell bedugni ennél a készüléknél? Mert ahogy elnézem, ha a 120V -os dugvilla nincs bedugva, akkor a BR401 -es egyenirányító híd előtti trafó hogy kap villanyt... Hacsak nem közös vasmagon van a 230V -os primer tekercsü trafóval, de akkor meg nem egyértelmű a rajz (rajzolhatták volna közös vasmagra is)...
Köszönöm a segítséget ez jelentheti azt hogy az alábbi helyettesítésekkel pl. nem lenne probléma?
C403 7800µF 100V helyett 10000µF 100V C404 3900µF 75V helyett 4700µF 100V C405 1800µF 75V helyett 1800µF 250V A táp dolog ki van rajta tökölve valahogy a kapcsolók állásával szerintem. Nem is nagyon néztem mert eddig működött.
Találtam jobb helyettesítéseket:
C404 3900µF 75V helyett 3900µF 80V C405 1800µF 75V helyett 1800µF 100V
Ezekkel nyugodtan helyettesítheted.
Azt jól látom, hogy a csavaros kondenzátoroknál a + (pozitív) oldal van jelölve?
Üdv. Ha egy ilyen IC VCC és GND lába között 40-50 ohm az ellenállás, az zárlatos?
Azt hiszem, rosszul fogalmazol, ha mérsz valamennyi ellenállást, akkor az nem zárlatos.
Ha zárlatos lenne 0Ω lenne az ellenállása, magyarul nincs ellenállása... Hogy az általad mért érték normális -e, azt nem tudom, több azonos IC -n kellene mérni (és magában, tehát nem beépített alkatrészen) egyébként ilyen paraméterek nem szoktak adatlapon szerepelni sem.
Az áramkör erősítése, Au=-1*(R2*R1). Vagy is ha az R1-et mondjuk 9,1kohm-ra választod, akkor meredekebb lesz a görbe, vagy is lesz egy kis "talpa" alul felül. Avagy nem kel 0-ra lemenni, hogy a kimenet 0V legyen, és 100%-ra hogy elérje az 5V-ot.
A 0,5V-tól nem fog a venti tönkremenni, (meg várhatóan forogni sem) csak éppen fogyasztani feleslegesen. De ha az arduino vezérli az egészet, akkor az nem lehet gond, mer mikor elindul egyből akkora PWM értéket (vagy potit) adsz ki, amikor már forogni tud.
proli007!
Megépítettem, de egyenlőre semmi. A IRLR024 G-re 0 volt megy. Mit nézzek meg, hogy kiderüljön miért nem megy?
Leginkább azt, hogy a kapcsolási rajznak megfelelően készítetted-e el. HA nincs a bemenetére kötve semmi, akkor 2,5V-ot kellene a ventilátorra adnia.
![]() Egyenlőre többször átnéztem, de jónak tűnik. Feltöltők egy képet, de nem tudom mennyire lesz látható. A bemeneten a +5V van rákötve, egy 500 ohmos potin keresztül. 1 Bővebben: Link A lábkiosztást innen néztem: BC557 (az 1K-ra ha szembe van a felirat, a jobb oldali láb van) IRLR024
Ez elég kusza-busza hogy el lehessen rajta igazodni. Ráadásul nem tudni hová mennek a drótok. De úgy látom, hogy az R5-R6-R7 osztó, nem úgy csatlakozik a T3 bázisába ahogy kellene.
Épp berajzoltam PAINT-tal hogy van kötve, és jelezzem, hogy jó.
De valóban benéztem. PWM-re rákötöttem. És most megy. Bár érdekes. 255-211-ig állítható kb. Onnantól beremeg. De érdekesen. Forog, majd megáll kicsit később, és beremeg, majd, felpörög, magasra, majd visszább áll a fordulat, majd megy, és utána megint beremegve megáll. Mintha valami kisülne, meg töltődne. 215-ös értréktől talán stabil. Potival nagyságrendekkel lentebb tudtam venni fordulatban, mert bár lentebb megy, de még elég jól pörög ami az arca fújás szempontjából még nem olyan sok. Abban még nem vagyok biztos, hogy nem -e még mindig 5 helyett 1khz- megyek PWM-ben
62500.00 Hz-re tettem, akkor 195-ig tudok lemenni.
Ekkor 196-nél gyorsan pörög még,majd 195-nél hirtelen nagyon lassan. Majd 5 másodperc után 10 másodpercig megint gyorsan, majd újra lassan. Ez mi lehet? Ui: Ha az áramkörödbe potit teszek, akkor jóval kisebb fordulatnál de ugyanez a jelenség. A hozzászólás módosítva: Szept 17, 2016
Sziasztok.
Ennél a kapcsolásnál az anódra miért kellenek a tranzisztorok ha a szegmensekre csak egy ellenállás van kötve?? Logikai nulla van a kimeneten és a tranzisztor kapcsol rá +5V-ot vagy van más oka is?
MB40100V2-ventivel le tudok menni 115-re is menni.
Itt jóval kisebb a fordulat. Szinte tökéletes.
Rátettem mint a két ventit:
Akkor a másikat (KF0410S5H-R) is 150 PWM-re le lehetett vinni. Sőt a MB40100V2 levétele után 150-en hajlandó volt menni a KF0410S5H, de emelve a PWM-et 170-től megáll, és 210-is csak max remeg a KF0410S5H. Ha vissza rakom mellé a MB40100V2-et, akkor a KF ezen tartományban is megy, de néha megáll és beremeg. Most már teljesen nem tudom ez mitől függ... Mondtad alap esetben is megy fesz a ventire: 2,5V PWM=0-nál megmértem, és 1,24V megy a ventire. Akkor ezt le kéne kapcsolni valahogy nem, hogy ne ne fogyassza a Power bankot. Ezt egy újabb arduino lábbal tudom csak megcsinálni, és egy újabb elektronikával, vagy valahogy ennék a kapcsolásnál is meg lehet oldani? A hozzászólás módosítva: Szept 17, 2016
Szia!
1: A tranzisztorok azért kellenek,mert maga a kontroller nem bírná el a teljes kijelző áramát. 2: Igen akkor fog menni az adott szegmens,ha 0V-ra van húzva ,és a hozzátartozó tranzisztor bázisa is. A hozzászólás módosítva: Szept 17, 2016
|
Bejelentkezés
Hirdetés |





Nem írtam, kb.100mA-t kell tudnia.


